Транзисторные винил-корректоры

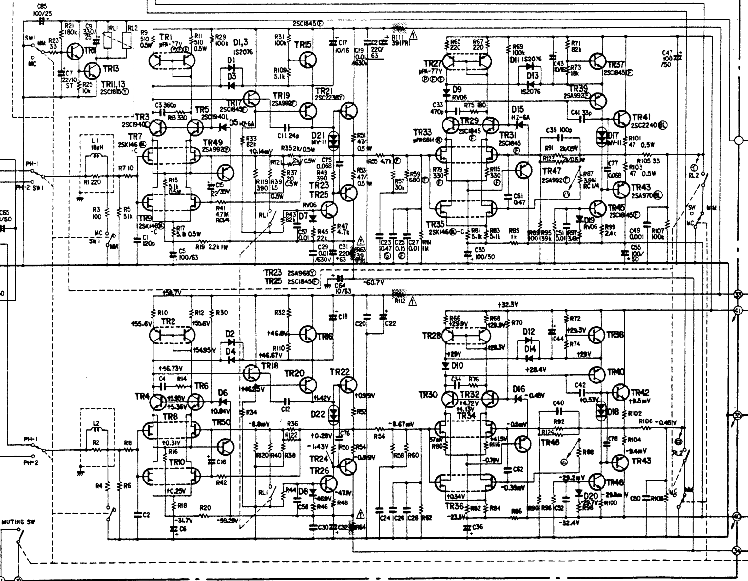
В Denon PMA-970 топология такая. изображение_2022-09-30_120037974.png
 
Первый каскад + - 60вольт второй +-32 вольта.
изображение_2022-09-30_123600000.png

Была такая идея у меня два корректора от Одиссея 010 соединить через корректирующую цепочку.
 
Последнее редактирование модератором:
Другая крайность, использование простейших решений.
 

Вложения

Принцип несложен,если думалка работает.У вас датчик скоростного типа, на каждую трещину в канаве или песчинку выдающий на вход щелбан до вольта и выше, при этом корректор обязан передать микровольты на низах и не обосраться перегрузом от этой самой ач помехи, заодно шума не добавить. А так , вообще фигня, подумаешь...

Как это к корректорам относится?
Ой подумаешь, забрел спросонья не туда. А мы все тут святые непогрешимые. Не боись, ща компа оживлю,подмету .
 
Замутю как будет время по мотивам Левинзона-Логинова на 1т308в, терпеть не могу ваши монстрообразные уродцы
 

Вложения

  • f.1974-09.044.jpg
    f.1974-09.044.jpg
    454.9 KB · Просмотры: 316

Вложения

  • 29ee7b4ab235d7df6009fcb06c3003d7.jpg
    29ee7b4ab235d7df6009fcb06c3003d7.jpg
    335.9 KB · Просмотры: 296
Схема есть, этой золотой коробочки?
 
Схема есть, этой золотой коробочки?
При большом желании можно попробовать срисовать с платы, но не думаю что это станет откровением. Из трех транзисторов много комбинаций не будет, при том что коррекция пассивная, межкаскадная.
Мне она и нафиг не нужна.
Отчего так? Все как Вы любите, типа корректора Орлова или проф. Гурского. Только с питанием намудрили и все.
 
Как понял он МС и ММ. С пасс.коррекцией....Хотелось бы конечно прикинуть как это. Но нет так нет.
Как я понял эту схему. Из ММ в МС перевод происходит шунтированием R2 конденсатором C2.
 

Вложения

  • CELIO 0-1.JPG
    CELIO 0-1.JPG
    35.7 KB · Просмотры: 365
  • c19c561972a5cd41823d9cca46a2334ed081630e.jpeg
    c19c561972a5cd41823d9cca46a2334ed081630e.jpeg
    280.9 KB · Просмотры: 342
Эта схема этой коробочки или ....
 
Эта схема этой коробочки или ....
Да, срисовал с печатной платы. Те номиналы которые поставил были видны. В транзисторах, втором и третьем, могут быть варианты, но вряд ли.
 
Стандартная схема, ничего интересного.
 
Вряд ли тут МС, с двух транзисторов не получить.
 
Вряд ли тут МС, с двух транзисторов не получить.
В том и дело, что есть переключатель и даже набор переключателей входного сопр-я для МС головки. На задней панели явно видно.
Но я согласен с тобой, что на 2х тран-рах с пассивн. коррекцией с ММ сделать не просто приличный, а МС это за гранью....
 
Вряд ли тут МС, с двух транзисторов не получить.
а МС это за гранью....
У меня нет МС и не особо страдаю, но наблюдаю огромное количество таких корректоров. Могу привести массу примеров. У Никитина МС вообще с одним каскадом усиления. Или на германии, известный тут автор, цитирую: "Поставил МС голову, корректор на германии и ... выпал в осадок... думаю, что же я слушал все эти годы?))..." По моим прикидкам, там искажения пол процента в лучшем случае. Вот и думаешь, что же я слушал все эти годы? :)
 

Вложения

  • 22.gif
    22.gif
    12 KB · Просмотры: 278
Как я понял эту схему. Из ММ в МС перевод происходит шунтированием R2 конденсатором C2.J2 такой же как Q1
.J2 такой же как Q1 биполярник, вот увеличил кусок, видно сверху С, справа В, снизу Е.
R6 вроде 13 кОм (может 120 кОм), R31 - 6,8 кОм
c19c561972a5cd41823d9cca46a2334ed081630e.jpg
 
В обозначенном ценовом сегменте конкурента Grandinote Celio будет найти очень сложно.
Конец статьи о агрегате. Полностью согласен с автором. _hm_
 
Меня добило другое. Там предусмотрен симметричный вход, но для его реализации нужен еще один корректор, т.е плюс еще 6000 Евро.:)
 
Там предусмотрен симметричный вход,
Обратил внимание. Но может это просто под такой штекер? Хотя...это же не любительская поделка. Не часто, но в фабричных ставят, но у них драйверы есть.
Подробно не читал описание.
Жопа.jpg
Мне самому тюльпаны поперек сердца при малых сигналах.
У себя хочу вместо них поставить вот такой
DS1110-01-5B6.jpg
В одном агрегате ставил. Очень удобно, и главное надежно.
 
Последнее редактирование:
Смотрю второй месяц на схему, транзисторы-спарки есть, и даже могу питание хоть до 100 вольт повысить... и уберу в зад, чет не хочется.
 

Вложения

  • Корр-р.png
    Корр-р.png
    91.2 KB · Просмотры: 292
Смотрю второй месяц на схему, транзисторы-спарки есть, и даже могу питание хоть до 100 вольт повысить... и уберу в зад, чет не хочется.
Прилично считанная схема , простая и понятная. Работать будет без проблем.
 
Смотрю второй месяц на схему, транзисторы-спарки есть, и даже могу питание хоть до 100 вольт повысить... и уберу в зад, чет не хочется.
Раз уж такие страдания :) , может гибрид заинтересует. Видел такие схемы, первый транзистор меняют на лампу, второй на полевик. Схема получается практически один в один, и питание 150В!
 
Раз уж такие страдания :) , может гибрид заинтересует. Видел такие схемы, первый транзистор меняют на лампу, второй на полевик. Схема получается практически один в один, и питание 150В!
Лампа , точнее триод. сама по себе линейная, в отличие от отдельно взятого транзистора без оос или с неглубокой местной оос. Схема по любому будет косая, на любителя.
 
Лампа , точнее триод. сама по себе линейная, в отличие от отдельно взятого транзистора без оос или с неглубокой местной оос. Схема по любому будет косая, на любителя.
Так там и триод и транзистор будут охвачены ОС. С чего ей косой становится? А то что на любителя, это точно.
 

Статистика форума

Темы
3,296
Сообщения
262,426
Пользователи
2,544
Новый пользователь
vlad'mir
Назад
Сверху Снизу