Усилитель Wiederhold, 1977

NEULO

1 ранг
Регистрация
14 Июл 2019
Сообщения
3,792
Реакции
1,948
Репутация
93
Возраст
52
Страна
Россия
Город
Одинцово
Предупреждений
4
Не совсем ГСТ, но есть схема УНЧ на "голом" TL431.
Многим нравится! :)
Ага. А есть ещё на ЛМ317.
А ещё у меня есть плата УТФ на 548УН1 с вых каскадом на КТ972 у которого в эмиттере ГСТ на той самой 317-ой. Короткий спектр, все дела, кому надо могу схемой поделиться.

1708518726951.png

Всегда забавляло такое беспардонное враньё.
Во первых в лампе в рабочем режиме нет чистого вакуума, у неё между электродами- "электронный газ"
Во вторых вакуум может и не греется- а электроды очень даже греются.
В третьих у ламп есть ёмкость Миллера так же как и у транзисторов.
а в четвёртых у транзисторов нет динатронного эффекта, а у ламп очень даже есть.
1708518966573.png
Про неискажения чудо -ламп
Про динатронный эффект:
 

СМЕРШ

2 ранг
Регистрация
30 Янв 2024
Сообщения
1,372
Реакции
1,342
Репутация
53
Страна
Poland
Город
Stargard
Предупреждений
13
Разогнутый,это вообще не дифкаскад
Найн! Цурюк!
Признак дифкаскада: усиление ДИФференциального напряжения и игнор СИНфазного.
Многие дурачки, не зная свойств РД и ГД, применяют РД на входе ради оригинальности: такого ещё, дескать не было. А он, в силу своей нелинейности, не может использоваться как эталонный каскад сравнения - раз, и для работы в симметричном дифе к одной паре баз нужно волочить опорное напряжение - с грязью от питалова - два.
А у разогнутого....где точка опоры?....ее нет и не было.
Дифы опираются на потенциалы баз. ГСТ вообще переменный ток не проводит, и, теоретически, его нет ни там, ни там.

Про неискажения чудо -ламп
Зато лампа устроена очень удобно: выводы все с одной стороны. Вот тебе высокоомные цепи сетки, вот тебе рядом с ними, для повышения взаимной ёмкости, цепи накала с 10 В ампл и ёмкостной связью с сетью через транс. Вот тебе накал переменным током, а вот тебе катод, которых должен эту переменность сглаживать всей своей гигантской массой - 1 грамм, а если не сгладит, то ток катода будет бесплатно промодулирован красивым сетевым напряжением. С лампой не надо микрофона: она сама себе микрофон. В отличие от прожорливых транзисторов, лампа потребляет очень мало мощности, а носить на спине батареи, анодные с накальными, очень весело и способствует укреплению здоровья. Дисигнер не даст соврать.
 
Последнее редактирование:
Регистрация
17 Июл 2022
Сообщения
3,176
Реакции
622
Репутация
59
Страна
Россия
Город
Санкт-Петербург
Бог не может себя ненавидеть.
Как это?!?!?! Он разве не всемогущ?! Должен мочь!
:)

Хотелось бы рамкой обведённый "согнутый" и "разогнутый" на схеме увидеть.
Слишком много туманных обозначений. Что такое "РГ" и "ГД"?
 

NEULO

1 ранг
Регистрация
14 Июл 2019
Сообщения
3,792
Реакции
1,948
Репутация
93
Возраст
52
Страна
Россия
Город
Одинцово
Предупреждений
4
Регистрация
17 Июл 2022
Сообщения
3,176
Реакции
622
Репутация
59
Страна
Россия
Город
Санкт-Петербург

NEULO

1 ранг
Регистрация
14 Июл 2019
Сообщения
3,792
Реакции
1,948
Репутация
93
Возраст
52
Страна
Россия
Город
Одинцово
Предупреждений
4
Так, какой из них где? Наверное, существует и "нормальный" (этот - я догадываюсь, как выглядит)?
нормальный и есть гнутый, с параллельным питанием транзистеров. а прямой - с последовательным , как в ввшнике.
ой , я тут такой диф свистнул из одного старого оу, круть крутецкая.

ку 3 ку 5 ку 4 ку 6 - аж два гнутых дифа в схеме
 

Вложения

  • Простор СХ.jpg
    Простор СХ.jpg
    209.9 KB · Просмотры: 179

slami

1 ранг
Регистрация
15 Янв 2021
Сообщения
1,417
Реакции
1,121
Репутация
58
Возраст
53
Страна
Россия
Город
Иркутская обл.
Имя
Вячеслав

Динозавр

1 ранг
Регистрация
31 Янв 2023
Сообщения
2,931
Реакции
867
Репутация
52
Страна
Россия
Город
станица Пашковская
Имя
Александр
Предупреждений
3
Регистрация
17 Июл 2022
Сообщения
3,176
Реакции
622
Репутация
59
Страна
Россия
Город
Санкт-Петербург
ку 3 ку 5 ку 4 ку 6 - аж два гнутых дифа в схеме
"Гнутых"-то почему?! Это же и есть самые обычные дифф-каскады, - Q3 и Q4, Q5 и Q6.
Нужна картинка "разогнутых", иначе непонятно, о чём речь.

Заранее - спасибо.
 

NEULO

1 ранг
Регистрация
14 Июл 2019
Сообщения
3,792
Реакции
1,948
Репутация
93
Возраст
52
Страна
Россия
Город
Одинцово
Предупреждений
4
"Гнутых"-то почему?! Это же и есть самые обычные дифф-каскады, - Q3 и Q4, Q5 и Q6.
Нужна картинка "разогнутых", иначе непонятно, о чём речь.

Заранее - спасибо.
ку 1 и ку2 в смысле VT1 и VT2
ВВС-2011-ldsound_ru.gif

Ну вот же, да, идеальная запитка симметричного УН.
Лучше и не нужно.
Какие параметры у него?
Должны быть оч.хорошие
параметры смотри тут
 
Последнее редактирование модератором:

NEULO

1 ранг
Регистрация
14 Июл 2019
Сообщения
3,792
Реакции
1,948
Репутация
93
Возраст
52
Страна
Россия
Город
Одинцово
Предупреждений
4
Ну, и зачем ОК+ОБ называть так изуверски?!
Потому что обычный гнутый диф-по сути тоже каскод с параллельным питанием транзисторов.
Но чтобы различать решили называть изуверски.) Когда решили- я радиотехникой не занимался, у меня был 11-летний отпуск.)
1708537080353.png
Вот ещё простейший усилитель на разогнутых дифах.))
Если интересно- то плотно такие названия начали применять при проектировании "Паруса", можешь почитать на рыцыле.
Это тот самый который Жуковский сам у себя украл, судя по болтовне тамошнего глав-планктона.
 

СМЕРШ

2 ранг
Регистрация
30 Янв 2024
Сообщения
1,372
Реакции
1,342
Репутация
53
Страна
Poland
Город
Stargard
Предупреждений
13
зачем ОК+ОБ называть так изуверски?!
Да потому, что и ГД - тоже ОК-ОЭ, или, даже, ОЭ-ОЭ. Да и то сказать:

1708539961643.png

Т1 входного дифа для входного сигнала включен по схеме с ОЭ, так же?
А вот для поступающего в его эмиттер сигнала ООС он же включен по схеме с обще базой,
отчего со стороны эффективности ООС появляется требование эту базу хорошо привязывать к общему через низкоомный источник сигнала.

СА3030.png

В К140УД1 Т1 и Т2 нагружены на резисторы 10 кОм, и могут рассматриваться, как ОЭ оба,
согласно гнусному принципу неопределённости Гейзенберга.
Но если на -вход подать ООС,
то для её сигнала Т2 включен и по схеме с ОК, повторителем,
и по схеме ОЭ, с нагрузкой 10 кОм в коллекторе.
Для входного сигнала Т1 - ОЭ, а для сигнала с эмиттера Т2 - ОБ.

В электронных схемах творятся дикие, ужасающие вещи, а оборотни тут - на каждом шагу.

Потому свойства пары оцениваются для всех комбинаций её составляющих,
и это нихрена не шутки:
каскад с ОЭ имеет динамическую ёмкость Кu*Скб, не зависящую от его применения в дифе,
и включенную в точку подачи ООС,
а это ведёт или к возбуду, или к бесполезному ужесточению коррекции с утратой петлевого.

Т1 и Т2 вместе образуют дифкаскад типа ГД, отличие которого от всех других типов каскадов -
усиление дифнапряжения и подавление синфазного -
как и в случае с РД.

Так что рассматривать диф, как два чужих друг другу каскада, можно и нужно,
но и понять их свойства, как пары, тоже необходимо.
 
Последнее редактирование:

СМЕРШ

2 ранг
Регистрация
30 Янв 2024
Сообщения
1,372
Реакции
1,342
Репутация
53
Страна
Poland
Город
Stargard
Предупреждений
13
86521-39ec939a2fb8a5f5f82ed632407dc0c7.jpg

нормальная входная часть
Там тоже, кстати, применение ГСТ, вместо резисторов в эмиттерах дифов, улучшает линейность.
Вот с ГСТ - идеал.

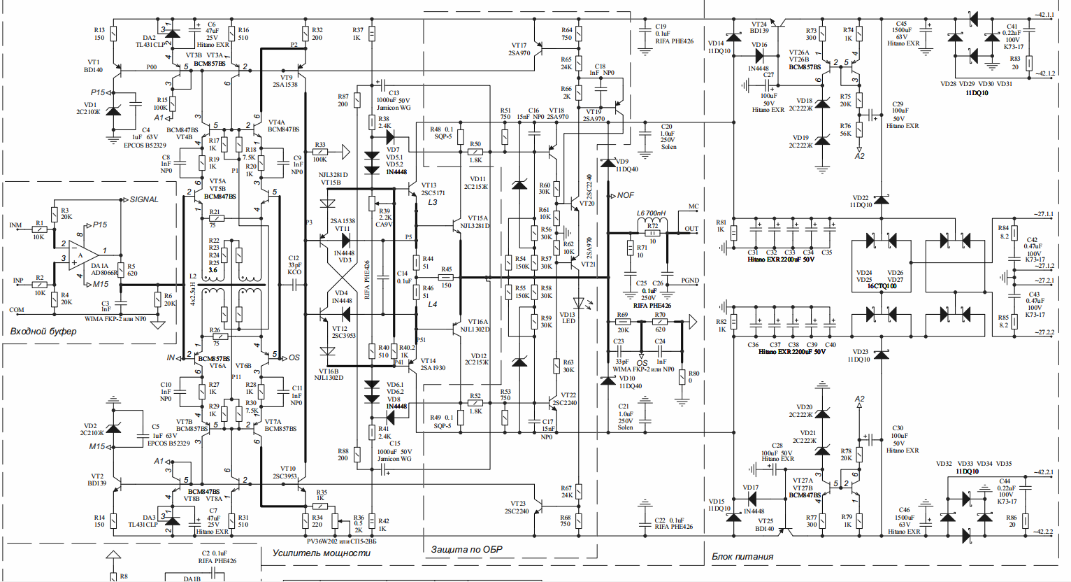
Мне кажется в схеме опечатка. Не должны быть соединены С13 и С15 с базами VT18 и VT22 и их цепями, они ведь соединены с выходом.
Да. Но я так глубоко не влезал в изучение этой схемы: для мелкоООСника она слишком наворочена.
Это отражает тот факт, что Мусатов, так-то, умный, а вот вектор движения на глубокую ООС, по мелко- и безООСным обыкновениям того времени, не уловил, ибо был внушаем идиотами.

Схема должна быть, по возможности, простой и эффективной, а каждая деталь - давать выигрыш хоть в чём-то.
 

СМЕРШ

2 ранг
Регистрация
30 Янв 2024
Сообщения
1,372
Реакции
1,342
Репутация
53
Страна
Poland
Город
Stargard
Предупреждений
13
По сабжу:
некая очкастая крыса с РЦЛ обвиняет Сухова в преднамеренном или тупорылом выборе коррекции ВВ-89:

1708546046360.png

Элементы матрицы коррекции обозначены красными точками, при этом надо понимать, что конденсаторы формируют полюс или нуль только с прилегающими к ним сопротивлениями/импедансами.

Она сравнивает его развитую матрицу коррекции с примитивной матрицей В-77:

1708546260770.png

Из чего делает вывод о наглядном преимуществе немца.

Анализ схем ВВ-89 и В-77 показывает:
В-77 собран на тотально высокочастотных транзисторах.
ВВ-89 собран на СЧ-транзисторах с фт 3...5 МГц.
Потому В-77 удалось, повезло скорректировать настолько примитивной матрицей.
Исходя из своего понимания всех промоделированных матриц коррекции данного схемотипа,
от простой В-77 до самой развитой ВВС-2011 и СЛА-2000,
могу сказать, что в В-77 - божий подарок, а не коррекция.
Видерхольд просто прочёл статью (см. библиографию к его статье) о коррекции uА709/К553УД1,
и взятую там коррекцию одиночной(!) ИМС без малейшей печали прокатило применить к целому УМ!

Тогда как Сухову для получения своей матрицы пришлось немало покувыркаться.
Он её заработал.
Откуда это понятно?
Сравним ёмкости находящихся в идентичных узлах матрицы элементах коррекции
ВВ-89 (см. выше) и ВВС-2011:

1708545938252.png


где для:
ВВ-89 ******** ВВС-2011
С4 10 пФ ------С7 5,1 пФ,
R28C16 --------R7C10
2к7 - 10 пФ----3к3-10 пФ
C11 330 пФ----R19 470 + C19 10...15 пФ (идея нуля украдена в СЛ, проверена)
С6 91 пФ-------R18 68 + C13 100 пФ || R19 470 + C16 560 пФ (идея украдена в СЛ, проверена)
**** ------------R3 2к2 R5 820 C3 100пФ = ППК
****-------------R71C43 - НЧ-ВЧ-развязка петли ООС катушки L1.

Применяя ещё более широкополосный ОУ:

1708549376133.png


видим, что С6 ВВ-89 и R18 68 + C13 100 пФ || R19 470 + C16 560 пФ вообще исчезли, а
R28C16 --------R7C10
2к7 - 10 пФ----3к3-10 пФ
превратились в R7 1к и С10 5,1 пФ.

Или: с расширением полосы ОУ1 ёмкости коррекции тают на глазах.
Теперь-то можно подойти к физическому пониманию везения Видерхолда:

1708549996726.png


Согласно модели uА709/553УД1 с показанной в В-77 коррекцией фед низкочастотного ОУ
составляет, угадайте, сикоки?

1708550128682.png


Аж 200 факинг мегагерц.
Просто потому, что uА709 - это развитие Робертом Видларом схемной идеи двух последовательных дифкаскадов uA702/140УД1, тоже очень широкополосной:

1708550454503.png


С фед порядка 60 МГц.
С этим - закончили.

Далее: та же очкастая вша, после показа ей полосы К553УД1,
интеллектуально перевозбудилась с галлюцинациями ощущения в руках божьей бороды,
вследствие чего стала громко петь дифирамбы Видерхолду за широкополосный видларовский ОУ 709,
и поносить Сухова за советские СЧ-транзисторы и К574УД1.

Вкрацие расскажу за моделирование ВВ-89,
с покаскадной заменой транзисторов на более ВЧ
и отысканием оптимальной матрицы коррекции для всех получающихся комбинаций транзисторов,
в попытках понять причину настолько брутальных ёмкостей коррекции.
И некие крайне важные выводы из этого труда воспоследуют.

1. ВК: там могут применяться даже дедушкины валенки. Усь благосклонно взирает на любые СЧ-транзисторы в этой позиции. Что я замечал и ранее, вставляя в отлаженные модели СЧ-выходники 21093/21094 (емнип), и не замечая отклонений хода АЧХ, также во времена оны то же самое гутарили на вегаляпе Троцкий с Каутским Агеев и Андронников. Это и есть самый важный вывод.
Из него следует, что можно пустить в дело старые дешёвые КТ818/819.
Заодно разоблачён троллинг прохаванным Агеевым коррекционно-наивного )до сих пор) Сухова в том смысле, что:
- Смотри, я взял говённые 819/818, КАК У ТЕБЯ, и сделал на них СЛ, который ЛУЧШЕ.

УМЗЧ СЛ.gif

Смотрим внимательно на схему СЛ: перед СЧ-выходниками нет ни одного СЧ-транзистора.
Чего недопонял Сухов.

2. Предвыход: лучше ВЧ, но прокатывают и СЧ-приборы. Тут надо смотреть, в симуле и практицки.

3. Для максимизации глубины ООС
через уменьшение ёмкостей коррекции
весь УН должен быть собран на ВЧ-транзисторах,
однозначно.
Это - второй важный вывод.

4. Вывод касательно профессионализма Сухова:
нет лучшей матрицы коррекции ВВ-89 в имеющейся там СЧ-комплектации.
Плюс-минус 10%, которые можно выкроить тяжёлыми трудами, рояль играют крайне малую.
Вывод в последней инстанции, и пересмотру не подлежит.

Не ной. Скоро заканчиваем. Потерпи чуток.

Основной, общий, вывод:

тогда как любая ёмкость в высокоомной точке выхода каскада усиления напряжения - паразитная,
а особенно - ёмкость коррекции,
просто потому, что природные паразиты в УН, вроде Скб или Сдиода, имеют ёмкость много - 5 пФ,
в то время, как корректирующие - раз от десяти больше, по необходимости,
то, чем широкополоснее в УМ приборы,
тем меньшие ёмкости коррекции можно применить,
и меньшие сигнальные токи,
чей размах и вызвавшее их входное напряжение каскада - факторы искажений,
на перезарядку этих ёмкостей потратить.

Ну, и крайнее по порядку, но не по значению: кроилово влечёт попадалово.
Видерхолд уничтожил свой усилитель вот такими,
установленными ради выбора более высокоомных эмиттерных резисторов ВК
и повышения с ними термостабильности,
диодов:

1708552346181.png

Из-за этого линейность УМ рухнула, как подкошенная:

Сравнение ВВ-89, В-77, ИЛЕТЬ.gif


Были вопросы по УМ Илети, в этих спектрах найдёте ответ:
самый линейный - ВВ-89,
В-77 - хуже,
наихудший - УМ Илеть.
Крысино-очкастый профессионализм проявил себя в обратной расстановке оценок усилителей.
 
Последнее редактирование:

NEULO

1 ранг
Регистрация
14 Июл 2019
Сообщения
3,792
Реакции
1,948
Репутация
93
Возраст
52
Страна
Россия
Город
Одинцово
Предупреждений
4
Решение проблем устойчивости стокового ВВ-89
сухов петл.jpg
сухов ачх.jpg
Без резистора модель у меня нехило будится и рассчёт тормозит.
Зато С резистором вполне себе линейный усилитель на СЧ транзисторах, безосникам, мелко и средне-осникам- ходить мимо втянув голову в плечи.
1708554529878.png
 

СМЕРШ

2 ранг
Регистрация
30 Янв 2024
Сообщения
1,372
Реакции
1,342
Репутация
53
Страна
Poland
Город
Stargard
Предупреждений
13
поведение 544УД2 в плане выжать полосу
перемкнутые выводы 1 и 8 обрушивают скорострельность очень.
Берём 544УД2, вставляем два конденсатора и один резистор мед выв. 1 и 8, получаем такое
даже на нагрузке 1 кОм:

К544УД2+-15в2в вых 2,4кОмнагр 1кОмвходИМД.png
К544УД2+-15в2в вых 2,4кОмнагр 30кОмвходИМД.png


Это Юра Бедрань мерил.
Как такое получить:

1708555245656.png


Схема с раскладом по матрице коррекции, один из вариантов.
В высокоомной точке выв.1-5 выхода 1к УН - R12C3,
на выходе УН, выв.8 - С2,
ППК от выв.2 на общий: R32C5,
в цепи ООС: R31C4.

Получена такая АЧХ Кухх:

1708555392440.png


Что в ней прикольного?
Она пересекается с 0 дБ, белая прямая, под неправильным углом. Усь должен буднуться.
Правильный угол пересечения показан белым отрезком выше.

На самом деле, элементы
ППК от выв.2 на общий: R32C5,
в цепи ООС: R31C4
формируют вот такую АЧХ усиления:

1708555817366.png


Которая и пересекается с АЧХ Кухх под правильным углом:

1708555601212.png


Обеспечивая устойчивость усилителя.
Матрица коррекции работает только в комплексе, необходимые элементы показаны, исключить что-либо с сохранением устойчивости невозможно.

1708556142756.png


Сравнение Кухх:
красным - стандартная коррекция, 10 пФ меж выв. 1 и 8,
белым - показанная выше полная матрица коррекции.
Полоса выигрыша в петлевом усилении - от 200 Гц до 80 МГц, максимальная величина - 15 дБ.

Также можно применить такую смешную Т-коррекцию:

1708556739882.png


Обратим внимание на включение R30 на +Упит.

1708557470350.png


Потери усиления
меж красной АЧХ нескорректированного ОУ и белой скорректированного - 7 дБ на 20к.
Много это, или мало?

1708557217528.png


Нескорректированный ОУ даёт красное усиление ХХ, скорректированный 5 пФ на выв.1-8 - белое.
Проигрыш в усилении - 30 дБ.
 

Вложения

  • 544UD2+ сравнение коррекции.asc
    25.3 KB · Просмотры: 99

СМЕРШ

2 ранг
Регистрация
30 Янв 2024
Сообщения
1,372
Реакции
1,342
Репутация
53
Страна
Poland
Город
Stargard
Предупреждений
13
Зато С резистором вполне себе линейный усилитель на СЧ транзисторах
Так этот мой резистор из ВВ-2008

circuit of Hi-Fi-amp-2008.GIF


и остался в ВВТС/ВВ-21:

1708557862688.png


Только Сухов проиграл стратегически. Он оставил нелинейный РД.
Да что я, пожалел бы для папки сверхлинейности какой-то гнутый диф?!
 
Последнее редактирование:

NEULO

1 ранг
Регистрация
14 Июл 2019
Сообщения
3,792
Реакции
1,948
Репутация
93
Возраст
52
Страна
Россия
Город
Одинцово
Предупреждений
4
Енто его любимая "Форманта" которая в девичестве была Стонеколдом, пожалуй.)
Так этот мой резистор из ВВ-2008
Он самый и есть. Просто никто не додумался вкорячить его в древний ВВ-89. А ещё мой пост не просто так. Это намёк людям рассказывающим как они на туалетной бумаге усилки проектируют что мелочей в нашем деле - нет. На туалетной бумаге такие вещи не вычислить. Сухов таки ошибся и не учёл всего лишь один резистор.
 

STTL

2 ранг
Регистрация
12 Дек 2022
Сообщения
898
Реакции
54
Репутация
12
Страна
Россия
Чтобы понять что генерирует именно он- ты смотришь не туда. Это как глядя в книгу- увидеть фигу. Смотреть искажения УН нужно на его входе. Занятно да? Так работают глубокоосные усилители.
А форманта затем что в шишке не видно искажений на осциллограмах на базах вк. А это важно для понимания даже такими дубами как ты. И как я, кстати.)
Я смотрел на выходе Шишки.
 

NEULO

1 ранг
Регистрация
14 Июл 2019
Сообщения
3,792
Реакции
1,948
Репутация
93
Возраст
52
Страна
Россия
Город
Одинцово
Предупреждений
4
Я смотрел на выходе Шишки.
Ой ты мне прям глаза открыл то. Что же делать то?)
Одно дело смотреть, другое дело видеть, и совсем третье- понять что ты видишь. И четвёртое - сделать верные выводы.
 

morozovdmitry

3 ранг
Регистрация
9 Июн 2024
Сообщения
19
Реакции
35
Репутация
5
Страна
Россия
Город
Рязань
Имя
Дмитрий Морозов
На Авито продают плату усилителя с радиатором от "Илеть-102-1"(cхема Видерхольда). Желающие?_pechatkaМне предложил за 1400р, может вам повезет и дешевле продаст.
Посмотреть вложение 88113Посмотреть вложение 88111
Продал не дешевле. В пути. Спасибо за наводку. Не имею пока возможности сказать спасибо иным спосом.
Собирался собирать. Да уж лучше в свою 103 Илеть приспособлю готовое. Заодно промеряю до и после доработки https://uberidee.getbb.ru/viewtopic.php?p=11342#p11342
 

Алекс2

2 ранг
Регистрация
3 Авг 2024
Сообщения
378
Реакции
36
Репутация
8
Предупреждений
5
Решение проблем устойчивости стокового ВВ-89
Посмотреть вложение 88415
Посмотреть вложение 88416
Без резистора модель у меня нехило будится и рассчёт тормозит.
Зато С резистором вполне себе линейный усилитель на СЧ транзисторах, безосникам, мелко и средне-осникам- ходить мимо втянув голову в плечи.
Посмотреть вложение 88417
1723547306104-png.107325



1708554529878-png.88417



который из графиков лучше?
 

NEULO

1 ранг
Регистрация
14 Июл 2019
Сообщения
3,792
Реакции
1,948
Репутация
93
Возраст
52
Страна
Россия
Город
Одинцово
Предупреждений
4
который из графиков лучше?
Никакой. Они примерно +- одинаковые. Макс уровень искажений одинаковый, но у "Сухова" побочные "палки" меньше, а некоторых просто нет. 2к и 3к. И "юбка" трапецией а у тебя так слегка пузырьком.
Но ты тут учти сложность схемы, на каком гомне она собрана, а из всех модификаций в неё добавлен один резистор R1.
1723554538877.png
 

Алекс2

2 ранг
Регистрация
3 Авг 2024
Сообщения
378
Реакции
36
Репутация
8
Предупреждений
5
Никакой. Они примерно +- одинаковые. Макс уровень искажений одинаковый, но у "Сухова" побочные "палки" меньше, а некоторых просто нет. 2к и 3к. И "юбка" трапецией а у тебя так слегка пузырьком.
Но ты тут учти сложность схемы, на каком гомне она собрана, а из всех модификаций в неё добавлен один резистор R1.
Посмотреть вложение 107342
Обычно рассматривают продукты третьего порядка, которые приходятся на частоты 2*f1−f2 и 2*f2−f1, а также продукты второго порядка, которые приходятся на f1+f2 и f1−f2. Притом, наибольший интерес представляют продукты третьего порядка. Дело в том, что они находятся близко к f1 и f2, и потому их не представляется возможным отфильтровать. Продукты второго порядка отфильтровать обычно можно.

побочные "палки"
Это те, что на 2к, 3к, 4к, и т д?
 

NEULO

1 ранг
Регистрация
14 Июл 2019
Сообщения
3,792
Реакции
1,948
Репутация
93
Возраст
52
Страна
Россия
Город
Одинцово
Предупреждений
4
Обычно рассматривают продукты третьего порядка, которые приходятся на частоты 2*f1−f2 и 2*f2−f1, а также продукты второго порядка, которые приходятся на f1+f2 и f1−f2. Притом, наибольший интерес представляют продукты третьего порядка. Дело в том, что они находятся близко к f1 и f2, и потому их не представляется возможным отфильтровать. Продукты второго порядка отфильтровать обычно можно.


Это те, что на 2к, 3к, 4к, и т д?
ага. те самые. На самом деле что у Сухова что у твоего усилка в зоне "юбки" спектр не особо хорош.
У огуреца просто две боковых частоты, остальное сильно подавлено.
 

Алекс2

2 ранг
Регистрация
3 Авг 2024
Сообщения
378
Реакции
36
Репутация
8
Предупреждений
5
ага. те самые. На самом деле что у Сухова что у твоего усилка в зоне "юбки" спектр не особо хорош.
У огуреца просто две боковых частоты, остальное сильно подавлено.
лучше мелкоосника не видел.
 

NEULO

1 ранг
Регистрация
14 Июл 2019
Сообщения
3,792
Реакции
1,948
Репутация
93
Возраст
52
Страна
Россия
Город
Одинцово
Предупреждений
4
лучше мелкоосника не видел.
Попробуй выкинуть из ампекса каскодирование и глянь что будет. Так чисто чтоб схема перестала быть громоздкой как незнамо что. И зеркала можно утилизировать, по идее. Раз уж тебя эта схема интересует.
 

Алекс2

2 ранг
Регистрация
3 Авг 2024
Сообщения
378
Реакции
36
Репутация
8
Предупреждений
5
Попробуй выкинуть из ампекса каскодирование и глянь что будет. Так чисто чтоб схема перестала быть громоздкой как незнамо что. И зеркала можно утилизировать, по идее. Раз уж тебя эта схема интересует.
Я хочу напрямую в зеркало токовый диференциальный выход цапа пустить вместо эмитеров транзисторов 3-4 , и нагружать выход на регулятор громкости 10k это под оос, а дальше высокоомный повторитель., типа корвет 200 088.
Так что собственно как цельный услитель не интересует.
 

NEULO

1 ранг
Регистрация
14 Июл 2019
Сообщения
3,792
Реакции
1,948
Репутация
93
Возраст
52
Страна
Россия
Город
Одинцово
Предупреждений
4
Да.. Идейка конечно. Знаю я этот корвет.. Жуть ещё та..
 

Статистика форума

Темы
3,072
Сообщения
234,931
Пользователи
2,375
Новый пользователь
Sergovlad
Сверху Снизу