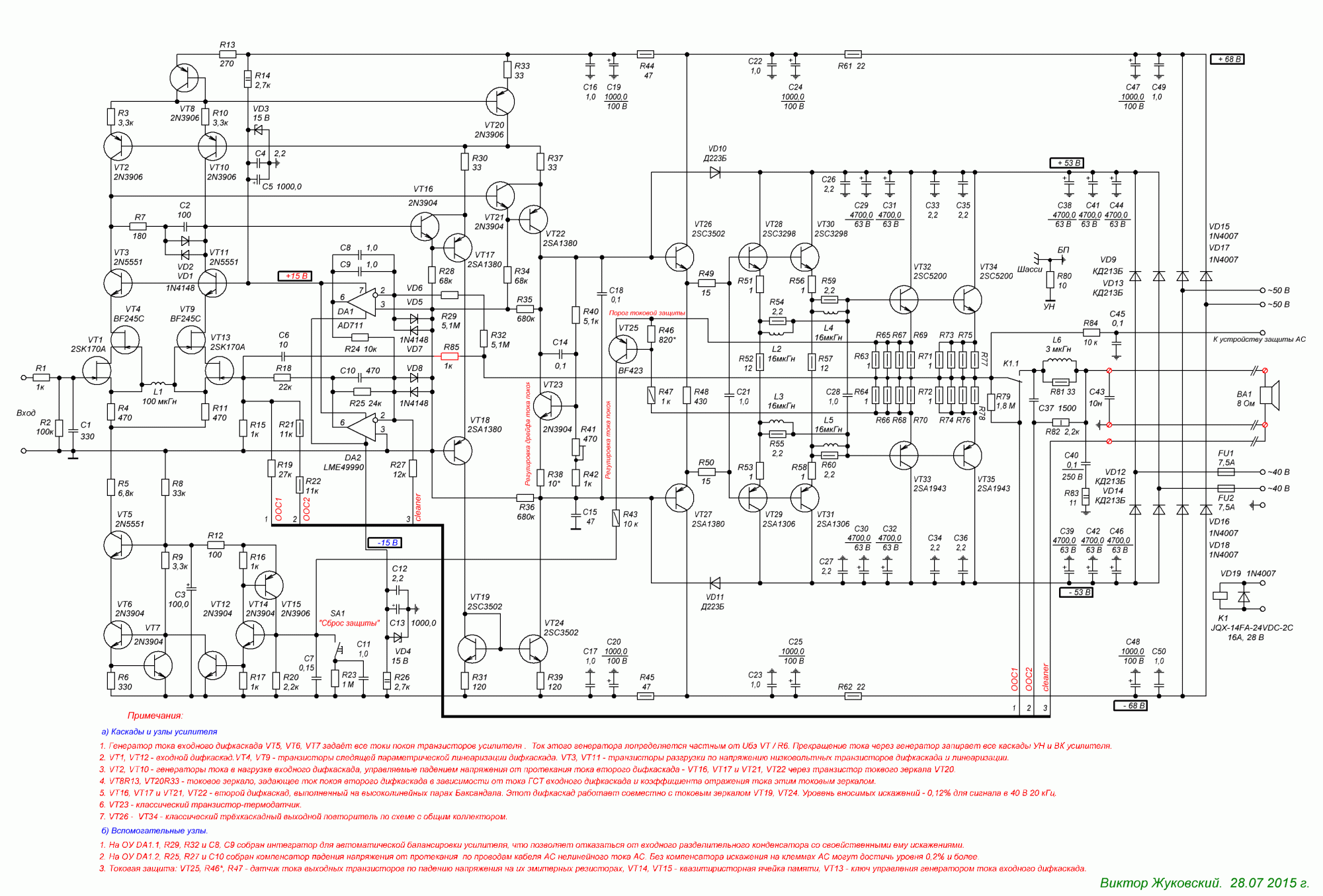
ВВС-2011. УМ начального уровня.

На счет интегратора-без него не обойтись?
И еще очень интересно,как будет звучать этот УМ.Если сродни Парусу,то меня это не сильно прельщает.Может я и старомодный,но всегда,кроме нулей и искажений,было такое понятие, как вовлеченность и эмоциональность.Да,согласен,,будете снова доказывать про вред искажений.Я может и "сполз-бы"на лампу(аккустика позволяет),но уже давно не понимаю,что ламповики хотят доказать в эпоху сплошной "цифры",разве что слушают сплошные студийные записи с ленты или пластинки до до 90-х гг.??
 
Я вроде и оосник в усилках, но тоже в чорном списке,ибо позволяю себе иногда говорить об эмоциональном восприятии звука...а это оказывается ..низяяя...вредно для здоровья и общества.._inkviz
Не говорить, а бредить. Это чуть разные вещи.
Давай я тебе объясню почему авторы усилителей не рассказывают про некие сопли в кларнете, вовлечённость и прочую чушню.
Чтобы не воздействовать на мнение слушателей. Пусть слушатели слушают и рассказывают.
 
Вот и рассказываю,опираясь на впечатления от Паруса с запредельными характеристиками.Вроде чисто,все на месте,а "чего-то"-не хватает...
 
СМЕРШ, прошу подсказать - вот недавно натыкался я на тему, что то там ''разбор полётов''... Там про квази и особенно разбор Шиклаи.
Так ваот уже минут 20 вдоль и поперёк весь форум копаю, а найти не могу.
В какой это было теме ??
Или может ссылку дашь ?

Так, понял.
Войдя на форум - вижу эту тему, но писать не могу.
Выйдя, писать могу, но тема пропадает...
Ладно, а я ТУТ вопрос задам - вот ТАМ хорошо описана и граф ками показана пакость Шиклая -возбуд.
А как быть с ''последними достижениями квази'' - Шиклаю охватили малой локальной ООС.
Ну это где то я видел, и вот все ВК у Беслика ТАК сконструированы.
Там Шиклай нагружен на отдельный резистор в 1ом.
Вот может такая ООС предотвращает возбуд и выравнивпет характеристики Шиклая по отношению к Дарлингтону ?
 

Вложения

  • IMG_20240308_215859.JPG
    IMG_20240308_215859.JPG
    12.9 KB · Просмотры: 125
Вот и рассказываю,опираясь на впечатления от Паруса с запредельными характеристиками.Вроде чисто,все на месте,а "чего-то"-не хватает...
Ну, насчёт паруса не зна, чего запредельного? Смотря с чем опять же сравнивать.
А вот когда говорят "чего то" не хватает.. Чего то - это ровно ничего. Потому что смысла такое выражение не несёт.
 
Вот может такая ООС предотвращает возбуд и выравнивпет характеристики Шиклая по отношению к Дарлингтону ?
Дихотомия тут:
1. ООС привносит качество звука и ништяки в виде выравнивания ФЧХ, АЧХ.
Но и
2. ООС - причина возбуда. Чем глубже ООС, тем вероятнее возбуд.
Усиление - как энергия: если для сожжения вязанки дров годится костёр или печка, то для той же массы бензина нужен агрегат, типа двигателя, а для той же массы урана - реактор в тысячи тонн.
Вот роль этого сдерживающего устройства и выполняет коррекция.
Так вот, если в Шиклаи есть ООС, то и возбуд вероятен. Нужно его искать и усиление корректировать.
3. Шиклаи в ВК - гибель звуку. Тут https://ldsound.club/threads/razbor-poljotov.2566/#post-271178 про шиклаю написано.
 
На клиппе никогда не слушаю,если что.Вполне возможно,что и искажений,которые раньше на аналоговом сигнале присутствовали априори.Считаю,на сегодня,мои измышления актуальны только для меня и мне подобных,а вы,извращающиеся в симуляторах,рано или позднее все равно попадете в колею УМ ,работающих вклассе D или останетесь в меньшенстве ,ищущих ЗВУК в старых схемах на германии.Прогрес можно притормозить ,но не остановить и молодежь нас с вами уже давно не понимает и не принимает...Мысли вслух
 
На клиппе никогда не слушаю,если что.Вполне возможно,что и искажений,которые раньше на аналоговом сигнале присутствовали априори.Считаю,на сегодня,мои измышления актуальны только для меня и мне подобных,а вы,извращающиеся в симуляторах,рано или позднее все равно попадете в колею УМ ,работающих вклассе D или останетесь в меньшенстве ,ищущих ЗВУК в старых схемах на германии.Прогрес можно притормозить ,но не остановить и молодежь нас с вами уже давно не понимает и не принимает...Мысли вслух
А чего звук искать то? Он потерялся что ли? У нас нет задачи искать некий звук, задача - точно его усилить, грубо говоря.
Что касаемо прогресса- да, его остановить нельзя, а вот деградацию- можно попытаться.
 
Перегрузки. Привычных тебе искажений.
На счёт перегрузки не уверен, а вот привычных с юности искажений под 0,5 процента , да механических помех от винила, шума ленты и т.д. наверно действительно не хватает, видимо осталась звуковая память, по этому, для себя и сделал критерием 0,1 процент на первом ватте , но преобладание 2-ой гармоники, без ООС , что бы с ростом выходной мощности росли пропорционально искажения , для обогащения спектра на цифре и теперь доволен , как слон.
 
К чистому звуку надо привыкать.
Я вот взял на днях ОЛИМП 005 и несколько катушек старого рока-вот это отдых и никто мне не докажет,что та же оцифровка Queen :Bohemian Rhapsody будет звучать лучше при прочих равных.
А вообще-то мне просто интересно вживую оценить схему в первом сообщении и вместо внятных ответов сползаем к привычному-ни о чем.Не хочется начинать городить второго монстра-просто запустил один каналВВС2011 на готовых платах,а здесь типа ВВС2024 намечается.А остальное-просто лирика.
 
Если я хочу вспомнить старину то у меня есть Яуза-220. Для этого усилок с 0.5 искажений совсем не нужен. Хватит и с 0.0005%. С остальным Яуза прекрасно справляется.
Потому что если я расхочу вспоминать старину- усилок с 0.5% искажений всё равно заставит её вспоминать. И нахрена?
 
попадете в колею УМ ,работающих вклассе D
Мы уже попали. В телефонах, бают, усилители класса D. Стоит раз послушать наушники, и ты зашкварился на всю жизнь.
останетесь в меньшенстве ,ищущих ЗВУК в старых схемах на германии
Ничуть не тянет. Я выкладывал в "Одиссее" https://ldsound.club/threads/odissej-001-stereo.889/post-271273 тестер пробивного напряжения транзисторов (диодов, кондиксаторов), так вот, его применение хорошо отрезвляет насчёт германия. Они уже с 15 В текут, как мляди, а любой перегрев необратимо увеличивает обратный ток коллектора. Куда его ставить? он же спалит всё.
Да ещё и, при такой поганой надёжности, там фт 1 МГц м Скб 60 пФ. Да вы что, смеётесь?
Германий нужен был, чтобы просто что-то услышать, как в телефоне или радиоприёмнике, иметь какую-то связь, чисто низкокачественную, информационную. Для высшего качества он не годится.
Да, может, кому-то жаль его. Я их понимаю. Я свои детские ботиночки до сих пор помню. Но уже в них не влезешь, даже если б были, и по комфорту на "Lowа" или "Columbia" не поменяешь.
 
Не ровняй Яузу с ее 9й-соростью и аппарат по тем временам,но все-же высшего класса и первой,второй копией студийной мастер ленты,не корректно как-то.Предлагаешь есть огурцы с парника ,а мне по-вкусу с поля и че будем делать,как ты воспитаешь вкус к сегодняшнему рафинированному звуку,предлагаешь уподобитья нынешней молодежи,которая в отличии от нас опперирует не принципиальными,а блок-схемами-поколение потребителей,которое никогда не будет заниматься всякой ерундой типа послшать музыку просто для души,на ходу,развлекаясь вскользь в смартфоне просто убивая время.
 
Не ровняй Яузу с ее 9й-соростью и аппарат по тем временам,но все-же высшего класса и первой,второй копией студийной мастер ленты,не корректно как-то.Предлагаешь есть огурцы с парника ,а мне по-вкусу с поля и че будем делать,как ты воспитаешь вкус к сегодняшнему рафинированному звуку,предлагаешь уподобитья нынешней молодежи,которая в отличии от нас опперирует не принципиальными,а блок-схемами-поколение потребителей,которое никогда не будет заниматься всякой ерундой типа послшать музыку просто для души,на ходу,развлекаясь вскользь в смартфоне просто убивая время.
Интересно какая такая девятая скорость может быть в Яузе 220 которая вообще то кассетный магнитофон. Нет там девятой скорости. И девятнадцатой тоже нету. Зато есть СДП лично моими лапами давно встроенная.
А огурцы ты можешь есть хоть в виде семян. Такое дело..
 
Но где ЗВУК и покажите человека из простых смертных,у которого слух абсолютный,а каждый из вас претендует на истину в последней инстанции-весьма самонадеянно,не правда-ли?
Все эти графики, цифры, соображения по итогу выливаются в качество звука. Иначе я не занимался бы этим вот уже 15 лет. Мне уже даже не смешно, когда люди об этом спрашивают: вот нули, а как в звуке?

Вас понять можно: есть мрази, которые говорят: да всё наоборот: больше нулей - хуже звук, а вот какой-то бахвал Чивер когда-то перекрыл жопой Днепр и сказал, что ООСные усилители плохие. При этом сами не спаяли ничего, лучшего уся за 72-й год.

Со времён сраного негодяя чивера прошло как уж не полвека. Всё обынтегрировалось на больших временных промежутках. Шлак отсеялся, правда осталась. И она - на самом видном месте:

1709937546403.png


Вот производители ОУ сделали 4562. И рассчитывают его продать - кому? - не нищему радиолюбителю, который и не купит его, если мамка денег не даст, а
производителям усилителей,
в том числе - студийных усилителей как высших по качеству звука инструментов для заработка денег на стремлениях народа слушать отличный звук:

1709937861472.png

Плохой инструмент - нулевой заработок. Хороший инструмент - купят, потому, что отобьют вложения. Но его надо отрекламировать РЕАЛЬНО ЗНАЧИМЫМИ параметрами.
И что мы тут видим? Нету ни одной строчки: бархатный низ, мягкая середина, хрустальный верх.

Перечисляются какие-то унылые параметры:
ПСРР и СМРР,
бесконечные нули искажений,
петлевое усиление 140 дБ.

Простите, а где про звук?
А нету. Вот всё это в комплексе - и есть звук. Ни один из перечисленных параметров сам по себе не звук, все вместе - звук. Равно, как у авто на качество езды работает комплекс: и мотор, и шины, и тормоза, и гидро- пневмоусилители, и уют в салоне, и шумка, и электрика.

И таких ОУ - десятки. Другое время пришло, нет больше 140УД7 / мА741.
А где чивер? - а на помойке. Его бред никому не нужен. Он сорвал свои десять лет хайпа, потом индустрия переступила через него и пошла вперёд, а он - застрял среди банановой кожуры и картофельных очистков.

МАСТЕР - это довольно сложный усилитель, сравнительно с ВВС-2011:
МАСТЕР.GIF


Я вообще не верил, что его кто-то соберёт. И вот, человек не только сделал, но и описал впечатления:

1-Отзыв.png

https://rcl-electro.ru/threads/Сверхлинейный-УМ-МАСТЕР.17/ - где-то здесь, см. номер сообщения.
Также МАСТЕР собрал 6609 - Перепёлкин, главный конструктор ПО "Вега". Это что-то да значит.
Но что?

То, что можно проектировать усилители по формальным признакам,
продуманным сотнями тысяч аудиоинженеров, перед которыми стоял вопрос, как и перед вами:
какие величины отражают качество звука? - и решивших этот вопрос, и передавших знание нам.
И можно собирать усилители прямо с модели, сразу звучащими и годными, и без перепаек.
 
какая такая девятая скорость может быть в Яузе 220 которая вообще то кассетный магнитофон
Видимо,спутал со Снежеть-204,но все равно-кассетники -это другой мир-следущее ухудшение звуковоспроизведения.Но до дна еще очень далеко,на наш век хватит того,что есть.

миром правит компромис
Ничего нет идеального,приходится мириться...
Виктор,не услышал ответа на вопрос:как быть с постоянкой на выходе.Схема в начале все-таки "начального"уровня,не хотелось-бы лепить по-полной для того,чтобы составить впечатление...
 
Последнее редактирование:
Только что собрал и обмерил один усилок, тоже прям с листа. Ток покоя- 1мА, почти класс Б. Чисто заради интереса выставил, как ООС справится.
1kB.jpg10kB.jpg20kB.jpgimdB.jpg
Для такого тока покоя- вполне справляется. А с ИМД вообще опять непонятно что спектра считает.)
 
Виктор,не услышал ответа на вопрос:как быть с постоянкой на выходе.Схема в начале все-таки "начального"уровня,не хотелось-бы лепить по-полной для того,чтобы составить впечатление...
 
imdb-jpg.90399

Она у тебя зохватила частоты выше 20 кГц. Ограничь полосу учёта палок значениями 900 Гц...22 кГц.
Тоже так подумал, но по привычке всё равно смотрю в децибелах. Завтра попробоваю.

Виктор,не услышал ответа на вопрос:как быть с постоянкой на выходе.Схема в начале все-таки "начального"уровня,не хотелось-бы лепить по-полной для того,чтобы составить впечатление...
Не ну. Не хочется интегратор, возможно придётся ОУ главный балансировать.
Мне сегодня пришлось, 574УД1 попалась с большим сдвигом, постоянка на выходе была 300мВ- много. 4 резистора пришлось подвесить чтобы стало 5мв.
 
каждый из вас претендует на истину в последней инстанции-весьма самонадеянно,не правда-ли?
Гражданин, с вами пытаются поделиться знаниями, а вы переводите стрелки в эмоционально-бесперспективную степь.

Инерция мышления у необразованного большинства очень велика, но представьте, что речь не о баловстве, типа усилителя звуковой частоты, а об управлении реактором АЭС
и тут налетают непойми кто с воплями: какая ещё физика и математика? диды руками дрова в печку пихали и мы будем руками уран пихать,
никаких автоматических систем слежения, обратные связи - бесовщина, он не дают слушать тёплый ламповый треск урановых дров в реакторе.

Попробуйте, я не говорю, что получится, но попробуйте посмотреть на себя со стороны глазами специалистов и хоть слегонца устыдиться.

А если правда вас не интересует, если хотите воплощения ваших фантазий, так какого хрена вы тут делаете? Аудиомания ждёт вас с распростёртыми
и, главное, всё недорого: https://www.audiomania.ru/lampovyj_stereo_usilitel/octave/octave_v_80_se_phono_mc.html
 
ЛЮ БА Я. Любая ООС обладает теми качеств.
Не понял.
Да вроде вот ТАКАЯ ООС будет на ходу ''подправлять'' генерацию. Рази не ?
Дайка я ещё раз картинку выложу, а ты внимательно её проанализируй в части Шиклая выходящего на резистор в 1 Ом - это локальная ООС.
Да, это ''планшетные глюки'' - вот конкретно ЭТОТ сайт - ldsound, работает на планшете с многими глюками.
А я вчера ещё на 1 глюк наткнулся. Либо могу читать, вот ту тему про ''квази - Шиклаи'', либо её вообще НЕТ, как будто никогда и небыло....
Соответственно - писать ТАМ я не могу.....
Поэтому вопрос про ООС для Шиклаи и задал здесь.
 

Вложения

  • IMG_20240308_215859.JPG
    IMG_20240308_215859.JPG
    12.9 KB · Просмотры: 557
Да вроде вот ТАКАЯ ООС будет на ходу ''подправлять'' генерацию. Рази не ?
Генерация
на
каких-то
частотах
ликвидируется
только
уменьшением
усиления
на
этих
частотах
по формуле Ku = Rн / Rэ
с помощью:
конденсатора, шунтирующего нагрузку и уменьшающего Rн,
или
катушки последовательно с Rэ, увеличивающей импеданс в цепях эмиттера/истока/катода
или
того и другого вместе, см. входной диф МАСТЕРА.
Если ООС есть, а коррекции нет - неизбежно

img_20240308_215859-jpg.90423

1709967408219.png

Модель.
На вход подано переменное напряжение с постоянной составляющей смещения,
которая меняется от начальных 250 мВ (ток 50 мА) до 2,25 В через 500 мВ.
Вот ваш германиевый мягкий звук:

1709967483617.png

Абсолютно тупой по ВЧ звук, которого еле хватает до 40 кГц, а вот ВЧ-гармоники усь с таким ВК не подавит. Отсюда и любимая германцами ТШ-ТШ вместо высоких, т.н. "мягкий звук".
 
Последнее редактирование:
Все эти графики, цифры, соображения по итогу выливаются в качество звука. Иначе я не занимался бы этим вот уже 15 лет. Мне уже даже не смешно, когда люди об этом спрашивают: вот нули, а как в звуке?

Вас понять можно: есть мрази, которые говорят: да всё наоборот: больше нулей - хуже звук, а вот какой-то бахвал Чивер когда-то перекрыл жопой Днепр и сказал, что ООСные усилители плохие. При этом сами не спаяли ничего, лучшего уся за 72-й год.

Со времён сраного негодяя чивера прошло как уж не полвека. Всё обынтегрировалось на больших временных промежутках. Шлак отсеялся, правда осталась. И она - на самом видном месте:

Посмотреть вложение 90393

Вот производители ОУ сделали 4562. И рассчитывают его продать - кому? - не нищему радиолюбителю, который и не купит его, если мамка денег не даст, а
производителям усилителей,
в том числе - студийных усилителей как высших по качеству звука инструментов для заработка денег на стремлениях народа слушать отличный звук:

Посмотреть вложение 90394
Плохой инструмент - нулевой заработок. Хороший инструмент - купят, потому, что отобьют вложения. Но его надо отрекламировать РЕАЛЬНО ЗНАЧИМЫМИ параметрами.
И что мы тут видим? Нету ни одной строчки: бархатный низ, мягкая середина, хрустальный верх.

Перечисляются какие-то унылые параметры:
ПСРР и СМРР,
бесконечные нули искажений,
петлевое усиление 140 дБ.

Простите, а где про звук?
А нету. Вот всё это в комплексе - и есть звук. Ни один из перечисленных параметров сам по себе не звук, все вместе - звук. Равно, как у авто на качество езды работает комплекс: и мотор, и шины, и тормоза, и гидро- пневмоусилители, и уют в салоне, и шумка, и электрика.

И таких ОУ - десятки. Другое время пришло, нет больше 140УД7 / мА741.
А где чивер? - а на помойке. Его бред никому не нужен. Он сорвал свои десять лет хайпа, потом индустрия переступила через него и пошла вперёд, а он - застрял среди банановой кожуры и картофельных очистков.

МАСТЕР - это довольно сложный усилитель, сравнительно с ВВС-2011:
Посмотреть вложение 90395

Я вообще не верил, что его кто-то соберёт. И вот, человек не только сделал, но и описал впечатления:

Посмотреть вложение 90392
https://rcl-electro.ru/threads/Сверхлинейный-УМ-МАСТЕР.17/ - где-то здесь, см. номер сообщения.
Также МАСТЕР собрал 6609 - Перепёлкин, главный конструктор ПО "Вега". Это что-то да значит.
Но что?

То, что можно проектировать усилители по формальным признакам,
продуманным сотнями тысяч аудиоинженеров, перед которыми стоял вопрос, как и перед вами:
какие величины отражают качество звука? - и решивших этот вопрос, и передавших знание нам.
И можно собирать усилители прямо с модели, сразу звучащими и годными, и без перепаек.
Очень интересно на какой акустике слушался БСО , это важно, почему то в отзывах об этом не пишут. Я про отзыв.
 
1709974642062.png

Токи эмиттеров предвыхода. Симметрия? Не , не слышал.
 
1709978241135.png

КАЖЕТСЯ, что подобная схемотехника (локальная ООС) будет - на сколько то, улучшать Шиклаевые приблуды
Только в силу ООС. А ВК работает с заскоками в отсечку выходников. Выходник в отсечке - ООС нет.
ООС нет - какое Rвх повторителя на одном первом транзисторе ВК с нагрузкой на 4 Ома?
Много - 100 беты х 4 Ома = 400 Ом.
А было сколько?
Rвх = 100 беты х 100 беты х 4 = 40 кОм.
Что каскад усилителя напряжения делает, видя нагрузку 40 кОм, потом - 400 Ом?
Он сбрасывает усиление в 100 раз.
Изменение усиления в течение одного и того же периода называется искажением.

1709978908065.png


Типичная ВК-Шиклая.

1709979039315.png


Белым - ток базы первого транзистора. Видно, что, пока второй заперт, ток базы первого подскакивает для разгона коллекторного тока и скорейшего пробуждения выходника.
А это и есть искажения. https://ldsound.club/threads/razbor-poljotov.2566/#post-271178
 
СМЕРШ, ты вроде именно в теории подкован.
Вопрос у меня давний, а инфу по нему нигде не встретил.
Ты недавно критически прошёлся по квази.
Но квази все знают и давно критикуют.
А вот была редкостная схемотехника.
В СССР такую не применяли. Слышал я, что в Восточной Германии такие схемы были распространены.
На транзисторах ОДИНАКОВОЙ СТРУКТУРЫ - схемы вообще без комплементаров.
Соответственно - никаких Дарлингтонов и Шиклаев.
Вот что то по типу ниже приведённой - на треугольнике одно структурных транзисторов.
Если знаешь ''фирменное название'' такой схемотехники - пожалуйста подскажи.
Но это точно не ''типа Лина''.
Если сможешь как то охарактеризовать ТАКУЮ схемотехнику - просвети пожалуйста. Плюсы, минусы её...
 

Вложения

  • amp169-3.png
    amp169-3.png
    9.5 KB · Просмотры: 129
Я же писал,что друг попросил запустить и настроить,а каким раком-боком он их печатал теперь уже не важно.imgonline-com-ua-Resize-zRY56ajYgYBYy.jpg
 
Последнее редактирование:
Плюсы, минусы её...
Я не знаю, в чём её плюсы. Минусы те, что сверху в ВК - повторитель с широкой полосой и высокой линейностью, снизу - ОЭ, где всё это вялое и сморщенное. Я делал предельный ЖЛХ под именем Ресси (Лесси):

Лесси.GIF


Не пошёл, проиграл ВВС-2011.
 

Последние сообщения

Статистика форума

Темы
3,334
Сообщения
268,209
Пользователи
2,564
Новый пользователь
HOlg
Назад
Сверху Снизу