Звуковая схемотехника 2024

СМЕРШ

2 ранг
Регистрация
30 Янв 2024
Сообщения
1,510
Реакции
1,440
Репутация
56
Страна
Poland
Город
Stargard
Предупреждений
13
Последнее редактирование модератором:

STTL

2 ранг
Регистрация
12 Дек 2022
Сообщения
907
Реакции
56
Репутация
16
Страна
Россия
я те скажу к чему это ведёт. каждый день одинаковые бредни. резистор припаял- стало сочнее, транзистор удалил стало сухее, потом ещё что нибудь- аж сердце захолонуло! и так до бесконечности обмолот пустого в порожнее, и получится из тебя второй бочкарёв, который несомненно крут , но конструкции которого никому нахрен не упали. нет ничего законченного , потому что.
Ну вот на те идейку, как поднять усиление в коротком тракте, ( однокаскадный УН ) не меняя схемы.
1722849371848.png
и вот спектр
1722849508087.png
 

NEULO

1 ранг
Регистрация
14 Июл 2019
Сообщения
3,811
Реакции
1,937
Репутация
93
Возраст
52
Страна
Россия
Город
Одинцово
Предупреждений
4

STTL

2 ранг
Регистрация
12 Дек 2022
Сообщения
907
Реакции
56
Репутация
16
Страна
Россия
а источники в эмиттерах что делают?) и как ты их реализовывать будешь?
да хоть как.
наверное можно даже стабилитроны или диоды поставить
счас посмотрю
 

STTL

2 ранг
Регистрация
12 Дек 2022
Сообщения
907
Реакции
56
Репутация
16
Страна
Россия
Есть такое понятие- деэволюция. Так что пока ты ползёшь в сторону обезьянки. А там и до амебы недалеко.
работает
1722856261238.png
Спектр немного хуже чем с источником питания, но не намного, можно подправить, потому что здесь питания немного меньше, и это реальная схема.
 

NEULO

1 ранг
Регистрация
14 Июл 2019
Сообщения
3,811
Реакции
1,937
Репутация
93
Возраст
52
Страна
Россия
Город
Одинцово
Предупреждений
4
работает
Посмотреть вложение 106271
Спектр немного хуже чем с источником питания, но не намного, можно подправить, потому что здесь питания немного меньше, и это реальная схема.
Модель поправь. Я всегда говорил что не нужно выёживаться в начертании- ошибок наделаешь. Диоды напряжения не добавляют, а убавляют на .6*3=1.8 вольта.
1722857540901.png
 

STTL

2 ранг
Регистрация
12 Дек 2022
Сообщения
907
Реакции
56
Репутация
16
Страна
Россия
Модель поправь. Я всегда говорил что не нужно выёживаться в начертании- ошибок наделаешь. Диоды напряжения не добавляют, а убавляют на .6*3=1.8 вольта.
Посмотреть вложение 106273
1.Поправил, спс.
2.Я не выеживаюсь с черчением, вот не дано мне чертить, так не дано, поэтому так и получается.
3. Это понятно что на диодах падает напряжение, но здесь ведь нужно получить между эмиттером и шиной питания - больше двух - трёх вольт, и при этом взять максимум усиления.
Так и возникла идея.
И изначально я взял источник питания просто проверить идею, это было проще всего.
Но и с опорным напряжением на диодах работает так же
Можно ещё поставить Убэ сплиттер вместо диодов, или ЭП с регулятором, или даже батарейку для проверки идеи.
Вариантов много, но с диодами наверное самый прпктичный
 

STTL

2 ранг
Регистрация
12 Дек 2022
Сообщения
907
Реакции
56
Репутация
16
Страна
Россия
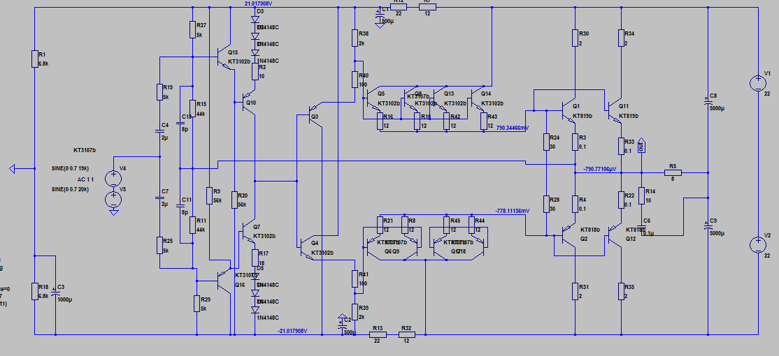
Предварительный итог по мелкооснику
1. Итоговая схема по кол-ву деталей получится не меньше среднего СЛ, плюс ещё сервисные узлы ( регулировка т.п и охлаждение радиаторов ) связанные со значимым током покоя выхода, при которых достигаются довольно высокие параметры. В СЛ низкие интермоды при небольшом токе покоя получаются за счёт глубокой ООС, а в мелкооснике как ни крути, нужно увеличивать ток покоя хотя бы до 300- 350 мА, как минимум, когда достигается резкое снижение индермод по сравнению с током покоя 100мА.
И никакие схемотехнические ухищрения именно в этом схемотипе не позволяют так эффективно снизить интермоды как увеличение т.п.
Но менять схемотип я пока не буду, он меня полностью устраивает
2. Развитие схемотипа я вижу через улучшение именно ВК, до четырехкаскадного, чтобы полностью разгрузить УН и попробовать его на разных режимах малого тока покоя,порядка 3-5 мА, и для этого нужен четырехкаскадный ВК, из которых - первые два каскада -паралельники, и последние два - дарлингтон
Здесь представлена схема на основании вышеизложенного.
В симе схема работает, думаю в железе тоже будет работать без проблем, потому что хотя ВК и четырехкаскадный, но паралельники мало склонны к возбуду, в силу специфики работы, поэтому ВК устойчив, несмотря на большое кол-во каскадов усиления по току.
Извиняюсь за корявость, нет сил и желания перерисовывать нормально, ибо это не окончательный вариант, а скорее пробная версия идеи, так что, пока так - как есть
Когда оптимизирую, нарисую нормально
1722879618545.png
Спектр. Пока не знаю как убрать палку 1 кгц, но думаю это вопрос времени
1722879713965.png
 

СМЕРШ

2 ранг
Регистрация
30 Янв 2024
Сообщения
1,510
Реакции
1,440
Репутация
56
Страна
Poland
Город
Stargard
Предупреждений
13
Развитие схемотипа я вижу через улучшение именно ВК, до четырехкаскадного, чтобы полностью разгрузить УН
Не дуркуй. Возьми вот такой элемент:

1722880391366.png

Сконфигурируй так:

1722880530181.png


Через ПКМ вызови значение Е и выбери его равным 1:

1722880659216.png

У тебя получится идеальный ВК. Встраиваешь его в схему и видишь, насколько улучшились искажения.

Спойлер:


Спойлер? Его не будет.
 

STTL

2 ранг
Регистрация
12 Дек 2022
Сообщения
907
Реакции
56
Репутация
16
Страна
Россия
По-сути,идея набора большого усиления для снижения искажений в оосных схемах - верна, и у меня это не вызывало сомнений, просто я ещё с темы Короткий тракт, принял для себя, что самое главное в усилении, это - набор усиления по току, делал и делаю упор именно на это.
И в моей схеме, общее усиление тоже довольно велико (четыре каскада УПТ), просто - ползунок "тип усиления", смещен в сторону усиления тока, а не напряжения.
Я и сам осмысливаю такое решение, к которому шел в большей мере наитивно, но оно для меня интересно, и я вижу для себя смысл поработать с таким решением,тем более что в железе это работает неплохо.
Посмотреть вложение 106301
Режим с оборванной базой запрещён, мало того, симуль будет ругаться, или долго считать, пытаясь понять токи транзисторов через паразитные параметры Iкбо.
1.Я уже исправил с подсказки Неуло
2. До сима теперь доберусь только в четверг вечером, там и задам вопросы по вашей методике измерений.
 
Последнее редактирование:

STTL

2 ранг
Регистрация
12 Дек 2022
Сообщения
907
Реакции
56
Репутация
16
Страна
Россия
Попробовал сейчас на скорую руку, идею диодного бустера в УН, в железе
IMG_20240806_113246.jpg
Изменения в звуке в лучшую сторону - слышны явно.
Продолжу до 10 Ом эмиттерного резистора
 

NEULO

1 ранг
Регистрация
14 Июл 2019
Сообщения
3,811
Реакции
1,937
Репутация
93
Возраст
52
Страна
Россия
Город
Одинцово
Предупреждений
4
поставь оба транзистора на общий радиатор размерами вдвое больше твоего. тогда можно будет сравнить. а пока вышло что на радиаторе вдвое меньшей площади транзисторы перегреваются, а на большей - не особо. физика она такая.
 

STTL

2 ранг
Регистрация
12 Дек 2022
Сообщения
907
Реакции
56
Репутация
16
Страна
Россия
Ну вот решил наконец -то попробовать сделать вход - так, с входным повторителем- паралельником.
IMG_20240806_190713.jpg

...почти канонично.... и попробовал сделать так, что бы снизить искажения на НЧ ( по спектру симулятора ). В железе вроде норм. и без повторителя
Есть у меня подозрение, что низкое петлевое на НЧ в графике сима (60 -70 дБ), было из -за изначального отсутствия - входного повторителя. Позже нарисую в симе, гляну что изменилось.
1.Вот ведь, всё у меня вверх ногами... сначала делаю в железе, а потом смотрю в симе...Всё не как у людей :)
2. Звучит нормально, но немного по другому чем с двух конденсаторным входом ( первый вариант )
 
Последнее редактирование:

alexsan

2 ранг
Регистрация
6 Апр 2024
Сообщения
967
Реакции
208
Репутация
16
Возраст
56
Страна
Казахстан
Город
Павлодар
Имя
Александр
Завел бы сразу в ОБ.
 

М.Васильев

1 ранг
Регистрация
25 Янв 2022
Сообщения
2,297
Реакции
698
Репутация
54
Возраст
68
Страна
Россия
Город
Пестово
Имя
Максим
Повторил Агеева. Молодца
 

alexsan

2 ранг
Регистрация
6 Апр 2024
Сообщения
967
Реакции
208
Репутация
16
Возраст
56
Страна
Казахстан
Город
Павлодар
Имя
Александр
Король.
 

Вложения

  • король.gif
    король.gif
    31.6 KB · Просмотры: 84

NEULO

1 ранг
Регистрация
14 Июл 2019
Сообщения
3,811
Реакции
1,937
Репутация
93
Возраст
52
Страна
Россия
Город
Одинцово
Предупреждений
4
в своё время моделирование этого усилка показало что он довольно убогий. но если использовать его как ун - то вполне чего нибудь можно и создать.
 

АВК

2 ранг
Регистрация
13 Ноя 2023
Сообщения
827
Реакции
63
Репутация
11
Возраст
67
Город
культурная столица Поволжья
Имя
дядя АЛЕКС
НЕУЛО, пожалуйста открой тему Шушурина
Что то я там мудрю....
Сим кочевряжется - рисунок м икры огромный, ладно, через огород вставил.
Так опять ему что-то не так - иерархию какую то хочет и список соединений....
Посмотри пожалуйста - поправь, что нетак...
 

Вложения

  • MODUL1 YCC2.asc.txt
    9.8 KB · Просмотры: 56
Последнее редактирование:

vitamir

1 ранг
Регистрация
2 Янв 2021
Сообщения
2,115
Реакции
1,332
Репутация
71
Возраст
63
Страна
Україна
Город
Київ
Имя
Віталій
это потому что ты моделировать не умеешь. даймонд можно довести до ума вполне, но в чистом виде он довольно отстоен. я бы даже сказал " наредкость"
но я вообще то не об том.
Не для того тато квіточку ростив.
Даймонд буфер був вигаданий для роботи в режимі класу А з малими сигналами в складі монокристалічної інтегральної мікросхеми.
Використання схемотехніки не за призначенням до добра не доводить.
 

STTL

2 ранг
Регистрация
12 Дек 2022
Сообщения
907
Реакции
56
Репутация
16
Страна
Россия
поставь оба транзистора на общий радиатор размерами вдвое больше твоего. тогда можно будет сравнить. а пока вышло что на радиаторе вдвое меньшей площади транзисторы перегреваются, а на большей - не особо. физика она такая.
Нет, два транзистора на общем радиаторе удвоенной площади, будет хуже, чем - по отдельности на половинной.... транзисторы будут саморазогревать друг друга за счёт тепловой ПОС.
А когда , каждый на своем радиаторе, тепло они отдают в воздух, а не на саморазогрев друг друга
Это физика термодинамики
Повторил Агеева. Молодца
Вы так схему и не показали, а мне и правда было интересно глянуть.
Я ведь не претендую своей схемой на оригинальность и новаторство. хотя в ней и есть оригинальные решения.
Я лишь показал законченный вариант причесанный под каноничность по входу.(паралельник) Просто решил попробовать для сравнения по звуку с изначальным - двух конденсаторным.
Так то по звуку мне хватает и изначального, без паралельника на входе.
 
Последнее редактирование:

STTL

2 ранг
Регистрация
12 Дек 2022
Сообщения
907
Реакции
56
Репутация
16
Страна
Россия
Если брать физику процессов, относительно термостабилизации тока покоя транзистора, то я понимаю так:
В идеальных условиях, когда на транзистор не оказывается ни какого возмущающего термодинамического влияния извне , и всё - чем он несколько термостабилизирован, это лишь отдельный радиатор, на которой он закреплён напрямую, без изоляторов тепла:
То - единственным фактором сдерживающим неконтролируемый рост тока покоя, является - температура кристалла, у которой есть порог, индивидуальный для каждого типа транзистора, выше которой, начинается неконтролируемый постепенный рост тока покоя приводящий к разрушению кристалла, если эту температуру не регулировать так или иначе
Если же температура кристалла не доходит до этого критического порога, то - ток покоя может немного плавать, но не выходить за допустимые рамки установленного, даже без принудительной регулировки извне.
Что и показывает моя практика эксперимента с одиночными радиаторами
Например, для КТ818-19, таким током покоя при текущих данных размерах радиатора, является 250 мА, который и определяет максимальную температуру радиатора и кристалла, при которой ток покоя немного плавает, но ещё не уходит в безконтрольную зону.
 
Регистрация
12 Ноя 2019
Сообщения
28,310
Реакции
13,622
Репутация
395
Если брать физику процессов, относительно термостабилизации тока покоя транзистора, то я понимаю так:
В идеальных условиях, когда на транзистор не оказывается ни какого возмущающего термодинамического влияния извне , и всё - чем он несколько термостабилизирован, это лишь отдельный радиатор, на которой он закреплён напрямую, без изоляторов тепла:
То - единственным фактором сдерживающим неконтролируемый рост тока покоя, является - температура кристалла, у которой есть порог, индивидуальный для каждого типа транзистора, выше которой, начинается неконтролируемый постепенный рост тока покоя приводящий к разрушению кристалла, если эту температуру не регулировать так или иначе
Если же температура кристалла не доходит до этого критического порога, то - ток покоя может немного плавать, но не выходить за допустимые рамки установленного, даже без принудительной регулировки извне.
Что и показывает моя практика эксперимента с одиночными радиаторами
Например, для КТ818-19, таким током покоя при текущих данных размерах радиатора, является 250 мА, который и определяет максимальную температуру радиатора и кристалла, при которой ток покоя немного плавает, но ещё не уходит в безконтрольную зону.
Соглашусь с вашей цифрой. На этом токе уходит ступенька в выходном каскаде, проявляющая себя на высокой частоте без применения ООС . И радиаторы еще не безумного размера.
В таком режиме работают биполярные пары в генераторе к катушке Мишина, на 300-400кгц с током в нагрузке 1 Ампер. Термотранзистор прекрасно держит нужный ток покоя.
 

STTL

2 ранг
Регистрация
12 Дек 2022
Сообщения
907
Реакции
56
Репутация
16
Страна
Россия
Соглашусь с вашей цифрой. На этом токе уходит ступенька в выходном каскаде, проявляющая себя на высокой частоте без применения ООС . И радиаторы еще не безумного размера.
В таком режиме работают биполярные пары в генераторе к катушке Мишина, на 300-400кгц с током в нагрузке 1 Ампер. Термотранзистор прекрасно держит нужный ток покоя.
Хотелось бы сделать 350 мА и более, но тогда нужен или обдув радиаторов или увеличение размера или термостабилизация через термодатчик.
Но в принципе, в моей схеме хороша слышна разница между током покоя 50 мА, и 250 мА.
Уходит резкость на высоких частотах, звук становится более мягкий и ровный
 
Регистрация
12 Ноя 2019
Сообщения
28,310
Реакции
13,622
Репутация
395
Хотелось бы сделать 350 мА и более, но тогда нужен или обдув радиаторов или увеличение размера или термостабилизация через термодатчик.
Но в принципе, в моей схеме хороша слышна разница между током покоя 50 мА, и 250 мА.
Уходит резкость на высоких частотах, звук становится более мягкий и ровный
Рассказывал , как в усилителе с многопетлевой ООС Зуева для забавы задрал ток покоя , видимо. в несколько сот мА , после чего раскалился весь корпус усилителя. Но при этом вдруг перестал трещать и обрел плавность звучания один позорный винил , парагвайской выделки. До этого слушать его было невыносимо.
 

М.Васильев

1 ранг
Регистрация
25 Янв 2022
Сообщения
2,297
Реакции
698
Репутация
54
Возраст
68
Страна
Россия
Город
Пестово
Имя
Максим
Агеев радио 8/85 . Сколько можно говорить
 

STTL

2 ранг
Регистрация
12 Дек 2022
Сообщения
907
Реакции
56
Репутация
16
Страна
Россия
Рассказывал , как в усилителе с многопетлевой ООС Зуева для забавы задрал ток покоя , видимо. в несколько сот мА , после чего раскалился весь корпус усилителя. Но при этом вдруг перестал трещать и обрел плавность звучания один позорный винил , парагвайской выделки. До этого слушать его было невыносимо.
Запросто.
Видимо и глубокая оос не всегда может устранить этот непреодолимый порог минимального качества звука.
А уж в мелкооснике и подавно.
2.Что касается размера моего радиатора, я рассматриваю его как промежуточную подложку транзистора, которую можно крепить на более мощный радиатор, или просто усиливать/ впресовывать медными штырями из толстого провода , или охлаждать небольшими кулерами от компов, но с которой уже можно работать на начальном этапе без опасности сжечь транзистор.
Но как оказалось, такая "подложка" может много больше, чем предполагалось :)
 

NEULO

1 ранг
Регистрация
14 Июл 2019
Сообщения
3,811
Реакции
1,937
Репутация
93
Возраст
52
Страна
Россия
Город
Одинцово
Предупреждений
4
Это физика термодинамики
физика мозговых слизней скорее.
Например, для КТ818-19, таким током покоя при текущих данных размерах радиатора, является 250 мА
Слишком дохрена. И главное нафига какой козе такой баян нужен? Сегодня это говно без термостабилизации работает- завтра жара случилась- собирай угольки. Херню ты несёшь как обычно. И бред.
Хотя бы потому что некая "термоПОС" должна быть и в случае с одним транзистором- потому что он сам себя тоже греет, так же как два- друг друга и САМИХ СЕБЯ.
Умные слова я гляжу ты прочёл, а что они значат - не знаешь.
А как же быть с Драконом где четыре транзистора на радиаторе? Выход и предвыход?
А ТТ - где все четыре выходника на уголке стоят и в саморазогрев никакой не уходят? Айайай, что же делать?
1723012597887.png Это весь такой мощный радиатор, для испытаний достаточно. Греется конечно но никуда не уходит ни в какую пос.
 

АВК

2 ранг
Регистрация
13 Ноя 2023
Сообщения
827
Реакции
63
Репутация
11
Возраст
67
Город
культурная столица Поволжья
Имя
дядя АЛЕКС
Ваще то будет тепловая ООС
отриСАТЕЛЬНАЯ.
Более слабый транз греется более - ток возрастает.
Он греет более сильный и через того ток возрастает - отнимает часть тока у слабого....
Оттого происходит УСРЕДНЕНИЕ тока через парралельные выходники - тенденция такая, в направлении к оному

Вот такая физика... :)
 

Статистика форума

Темы
3,094
Сообщения
235,958
Пользователи
2,387
Новый пользователь
Тула
Сверху Снизу