2-х полосная АС (Eltax 3872 + Vifa XT25TG30-04)

LDS

1 paнг
Регистрация
5 Июл 2019
Сообщения
5,026
Реакции
3,130
Репутация
145
Возраст
38
Имя
Дмитрий
Фильтр:
125516.png

3,6 Ом:
красный - чистый
голубой - 5 мкФ
синий - 10 мкФ
зеленый - 15 мкФ
3,6.png


8 Ом:
красная - чистый
голубая - 5 мкФ
синяя - 10 мкФ
зеленая 15 мкФ
8.png
 
Регистрация
23 Июл 2019
Сообщения
6,677
Реакции
5,253
Репутация
203
Страна
Украина
Что если сводить АС по оси НЧ?
Как будете слушать, так и сводите. С двух метров может быть все равно. Я свой конструктор свожу по оси СЧ, он сейчас выше ВЧ головки. Но характеристика под углом вверх, в сторону СЧ, у меня гораздо хуже, чем вниз, в сторону ВЧ. Подмывает перевернуть щиток ВЧ головкой вверх и поменять одну проблему на другую (хуже АЧХ щитка).
 
Последнее редактирование:

LDS

1 paнг
Регистрация
5 Июл 2019
Сообщения
5,026
Реакции
3,130
Репутация
145
Возраст
38
Имя
Дмитрий

KSV

1 ранг
Регистрация
10 Июн 2020
Сообщения
6,966
Реакции
7,212
Репутация
254
Страна
Россия
Город
Москва
Имя
Сергей

LDS

1 paнг
Регистрация
5 Июл 2019
Сообщения
5,026
Реакции
3,130
Репутация
145
Возраст
38
Имя
Дмитрий
А мне кажется с ним и было все отлично.
Вот взял АЧХ кубиков от АБ:
кубик от АБ финал.JPG

НЧ с 2 кГц начинает падать а идет до 10 кГц по уровню -35 дБ.
Вот мой НЧ из варианта 4:
НЧ с фильтром и без.png

Начинает падать с тех же 2 кГц а идет до 8 кГц по уровню почти -40 дБ.
В чем разница? В более плавном спаде у кубиков? Хорошо.
Посмотрите куда идет их АЧХ НЧ у кубиков, а мне говорили, что у меня НЧ тянет высоко.
Так же обратите внимание на стык НЧ и ВЧ, они накладываются друг на друга, динамики мешают играть друг другу или здесь все хорошо?
Сегодня проведу измерения НЧ с катушкой и конденсатором, разной индуктивности и емкостей, думаю 2 порядок для НЧ самое то.
 
Последнее редактирование:
Регистрация
23 Июл 2019
Сообщения
6,677
Реакции
5,253
Репутация
203
Страна
Украина
А мне кажется с ним и было все отлично.
Вот взял АЧХ кубиков от АБ:
Посмотреть вложение 5581
НЧ с 2 кГц начинает падать а идет до 10 кГц по уровню -35 дБ.
Вот мой НЧ из варианта 4:
Посмотреть вложение 5582
Начинает падать с тех же 2 кГц а идет до 8 кГц по уровню почти -40 дБ.
В чем разница? В более плавном спаде у кубиков? Хорошо.
Посмотрите куда идет их АЧХ НЧ у кубиков, а мне говорили, что у меня НЧ тянет высоко.
Так же обратите внимание на стык НЧ и ВЧ, они накладываются друг на друга, динамики мешают играть друг другу или здесь все хорошо?
Сегодня проведу измерения НЧ с катушкой и конденсатором, разной индуктивности и емкостей, думаю 2 порядок для НЧ самое то.
Пара разниц от кубиков.
1. У 25ГДН-3 нет такого мощного пика в конце рабочего диапазона, который и над фазой издевается, он удачный. Потому хватило единственной катушки для получения хороших уровня и фазы до самого конца звукового диапазона. У кубиков во всей зоне совместной работы суммарная АЧХ выше АЧХ отдельных динамиков => взаимопомощь, всё в порядке. В варианте 4 взаимопомощь в зоне 2,5...4 кГц, на самом разделе. Выше - можно мириться, но ниже 2 кГц - нехорошо, и нехорошо по причине фильтра НЧ звена, никак не ВЧ.
2. У кубиков нет подъёма СЧ за счёт фильтра НЧ звена, только спад. А ВЧ звено выравнивает уровень СЧ назад. В варианте 4 - наоборот. НЧ звено завышает уровень СЧ, а ВЧ, работая несогласованно, тянет уровень СЧ на место. Лебедь и рак, по-нашему.
 

LDS

1 paнг
Регистрация
5 Июл 2019
Сообщения
5,026
Реакции
3,130
Репутация
145
Возраст
38
Имя
Дмитрий
У кубиков нет подъёма СЧ за счёт фильтра НЧ звена
Как же? до 2 кГц у меня и у кубиков. После 2 кГц падает.
В варианте 4 - наоборот. НЧ звено завышает уровень СЧ, а ВЧ, работая несогласованно, тянет уровень СЧ на место. Лебедь и рак, по-нашему.
Посмотрите как завален ВЧ в кубиках. Тем более с его неравномерностью...
Но общая АЧХ отличная. Там ничего на себя не тянет?

А сам стык в кубиках, там где АЧХ НЧ и ВЧ динамиков сходятся, как Вам? Для сравнения приложу свою, которая Вам не понравилась: https://ldsound.club/index.php?thre...x-3872-vifa-xt25tg30-04.104/page-4#post-13073
А такая АЧХ тоже плохая?:
динамики в фазе с резистором на ВЧ 5 Ом катушка на нч 2,13 мГн.png

У меня ВЧ хорошо срезан, спад ровный. В НЧ так же, да есть пик на 5 кГц, но в общем то картина хорошая.
Не подумайте, что грублю, ни в коем случае. Но уже запутался. Мне кажется, что мы даже говорим на разных языках и о разном. Просто хочется не только сделать АС, но и немного разобраться.

Измерения НЧ динамика с фильтрами 2 порядка.

По оси НЧ, 100 см от края звуковой катушки НЧ динамика. В сравнении с осью по ВЧ, пик на 5 кГц по оси ВЧ меньше. Окно 10 мс.
2пор.jpg
  1. 0,4 мГн (5, 10, 15, 22, 30, 40 и 60 мкФ)
  2. 0,7 мГн (5, 10, 15, 22, 30, 40 и 60 мкФ)
  3. 1 мГн (5, 10, 15, 22, 30, 40 и 60 мкФ)
  4. 2,12 мГн (5, 10, 15, 22, 30, 40 и 60 мкФ)
  5. 2,9 мГн (5, 10, 15, 22, 30, 40 и 60 мкФ)
0,4 мГн:
0,4.png

0,7 мГн:
0,7.png

1 мГн:
1.png

2,12 мГн:
2,12.png

2,9 мГн:
2,9.png
 

KSV

1 ранг
Регистрация
10 Июн 2020
Сообщения
6,966
Реакции
7,212
Репутация
254
Страна
Россия
Город
Москва
Имя
Сергей
Сегодня проведу измерения НЧ с катушкой и конденсатором, разной индуктивности и емкостей, думаю 2 порядок для НЧ самое то.
Эх, ведь уже приводил эти картинки, думал все заинтересованные посмотрят и сделают выводы, но нет. Рискну еще раз.
Вообще, давать что-то,дело не благодарное - надо ждать пока попросят и не один раз. Но обычно вместо просьб бьются головой в стену вместо поиска двери рядом.
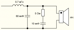
5 фильтр L 2-6 мГн.png

Это серия замеров ДЛЯ СЕБЯ, не для публикаций динамика 10ГД-30 (знаю, что он другой, но тенденция понятна). Верхняя линия - чистый динамик, далее "катуха" с увеличением индуктивности. Видно, что она только поворачивает АЧХ вокруг точки около 200 Гц. Причем изменение непропорциональное.
Аналогичную. но зеркальную картину приводил для конденсатора и 2ГД-36. Тот же поворот "вокруг оси", как у часовой стрелки.
Иная картина будет у LR фильтра, фильтра второго порядка - "чистого" и "цобельного".
5 фильтр L 2-6 мГн С 30 мкФ.png

Вот 2-ой порядок. Видно что полка до 1 кГц только в одном варианте.
Поскольку замеры делал только для себя,немало лет назад, и условий измерений не помню, прошу не задавать вопросы "как и почему".
Мне интересна была тенденция.
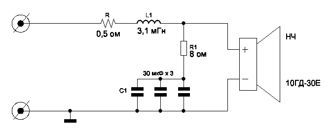
Сейчас сделал другой фильтр для 10ГД-30. Полка до 500 Гц, Вот так.
10МАС-НЧ.png

Прошлый опыт не пропал даром. Я не призываю делать второй порядок - каждый случай индивидуален, но расчитывать на одну "катуху", как идеальный вариант, тоже не советую.
 

LDS

1 paнг
Регистрация
5 Июл 2019
Сообщения
5,026
Реакции
3,130
Репутация
145
Возраст
38
Имя
Дмитрий
Эх, ведь уже приводил эти картинки, думал все заинтересованные посмотрят и сделают выводы, но нет. Рискну еще раз.
Вообще, давать что-то,дело не благодарное - надо ждать пока попросят и не один раз. Но обычно вместо просьб бьются головой в стену вместо поиска двери рядом.
Я видел. Не пойму возмущений Ваших.
Измерения сделал для себя и для конкретного динамика. И фильтр у меня не просто одна катушка, а 2 порядка, катушка и конденсатор, схему даже приложил. Во всех измерениях менял катушки, добавляя емкость, одна картинка - одна индуктивность с разными емкостями.
По книге Батя LR цепочка включена параллельно и поставлена в разрыв плюса перед фильтром низких частот. У Вас цепочка последовательная, то как верно?
 

KSV

1 ранг
Регистрация
10 Июн 2020
Сообщения
6,966
Реакции
7,212
Репутация
254
Страна
Россия
Город
Москва
Имя
Сергей
Я видел. Не пойму возмущений Ваших.
Не возмущение это. а горечь. Все продолжают верить в волшебную "катуху" для любых динамиков и на все случаи жизни, но это только частный случай.
Измерения сделал для себя и для конкретного динамика. И фильтр у меня не просто одна катушка, а 2 порядка, катушка и конденсатор, схему даже приложил.
Искренне (кроме шуток) рад этому. Не прошло и года. И в #223 хорошо видна картина по семействам комбинаций LC, вот только для большей ясности лучше бы сглаживание увеличить. Оптимальную комбинацию проще искать в LSP CAD или аналогах, а потом только проверить и чуть подправить микрофоном.
По книге Батя LR цепочка включена параллельно и поставлена в разрыв плюса перед фильтром низких частот. У Вас цепочка последовательная, то как верно?
Неверно, если я правильно понял.
LR цепочка всегда параллельная и ставится последовательно с динамиком, это позволяет сгладить "ступеньку" которая часто бывает у ШП динамиков.
Впервые я с ним столкнулся в колонках Tandberg 2510 50-летней давности, а приём применяют наверняка намного дольше, поэтому ныне живущие не имеют к нему отношения.
2510.png

Несмотря на отличный НЧ-ШП динамик, частота раздела 2 кГц.
Вроде бы примитивный фильтр и я захотел его улучшить, но тогда это у меня не получилось. Вместо простой LR цепочки надо было городить сложные узлы, а это нехорошо.
Tandberg делал тогда то что сегодня называют Hi-End только слова тогда такого не было. И у инженеров не было упрямства применять во всех случаях одно решение. Для каждой АС делали свои фильтры.
Вот пример фильтров следующей модели 2520 более высокого класса, акустика в родном тракте звучала потрясающе.
2520.png

Привожу как пример технического решения. Вроде бы всё просто. И неаудиофильские фильтры второго порядка, но звук на высочайшем уровне.
 

LDS

1 paнг
Регистрация
5 Июл 2019
Сообщения
5,026
Реакции
3,130
Репутация
145
Возраст
38
Имя
Дмитрий
Лучше 1 раз нарисовать (как правильно?):
лр.png
 
Регистрация
23 Июл 2019
Сообщения
6,677
Реакции
5,253
Репутация
203
Страна
Украина
Так по оси НЧ пик вообще жесть! А шайбой из фетра/войлока прибить его некрасиво будет? Если планируете сеточку, типа приклеенная изнутри к сетке. 99% легче с фильтром будет.
Да, сравнивать сей НЧ с 25ГДН-3 на верхнем крае нельзя, совсем разные.
Так напротив какого динамика слушать будете? Напротив ВЧ получше будет.
Приятные АЧХ 0,7мГн+22мкФ(просится 1...2 Ом последовательно с 22мкФ) и 1мгн+15мкФ. С ними попробовать корректировать ВЧ фильтр. Критерий - "чем больше разница по уровню фаза/противофаза (или наоборот) и чем шире зона этой хорошей разницы, тем слитнее работа двух динамиков в этой зоне". Возможно, частота среза съедет вниз, дальше от Эвереста 5кГц, и это нормально.
Резистор в параллель катушке в ФНЧ - красивое решение для спокойного динамика без взбрыка вверху диапазона, сглаживает АЧХ и ФЧХ фильтра. Тут не прокатит.
 

LDS

1 paнг
Регистрация
5 Июл 2019
Сообщения
5,026
Реакции
3,130
Репутация
145
Возраст
38
Имя
Дмитрий
Так по оси НЧ пик вообще жесть! А шайбой из фетра/войлока прибить его некрасиво будет? Если планируете сеточку, типа приклеенная изнутри к сетке. 99% легче с фильтром будет.
Да, сравнивать сей НЧ с 25ГДН-3 на верхнем крае нельзя, совсем разные.
Так напротив какого динамика слушать будете? Напротив ВЧ получше будет.
Приятные АЧХ 0,7мГн+22мкФ(просится 1...2 Ом последовательно с 22мкФ) и 1мгн+15мкФ. С ними попробовать корректировать ВЧ фильтр. Критерий - "чем больше разница по уровню фаза/противофаза (или наоборот) и чем шире зона этой хорошей разницы, тем слитнее работа двух динамиков в этой зоне". Возможно, частота среза съедет вниз, дальше от Эвереста 5кГц, и это нормально.
Резистор в параллель катушке в ФНЧ - красивое решение для спокойного динамика без взбрыка вверху диапазона, сглаживает АЧХ и ФЧХ фильтра. Тут не прокатит.
Да пик еще больше по оси НЧ. С другой стороны направленность ВЧ падает и там получается вообще ровная линия.
Но пожалуй по ВЧ буду сводить, так и оставлю.
Шайбу можно приклеить конечно, ничего видно не будет. Какого диаметра? По толщине на практике подберу до пропадания пика.
 
Регистрация
12 Ноя 2019
Сообщения
28,303
Реакции
13,621
Репутация
395
Что если сводить АС по оси НЧ?
Направленность басовика нулевая, я его свожу, кинув микрофон рядом на диван, разницы нет, что он по оси басовика, что вообще замотан в защитный мешок и валяется в стороне.
АЧХ 10 ГД-30 я тут где-то видел, достаточно реальную и она никак не срастается с странного вида картинкой от KSV . Приедут 10МАС- выложу то, что есть. А пока рот на замок. Или как молдаване говорят- Мальчи твой рот.
 
Регистрация
23 Июл 2019
Сообщения
6,677
Реакции
5,253
Репутация
203
Страна
Украина
Лучше 1 раз нарисовать (как правильно?):
Посмотреть вложение 5596
Второй. Первый убивает отдачу АС в целом.
Да пик еще больше по оси НЧ. С другой стороны направленность ВЧ падает и там получается вообще ровная линия.
Но пожалуй по ВЧ буду сводить, так и оставлю.
Шайбу можно приклеить конечно, ничего видно не будет. Какого диаметра? По толщине на практике подберу до пропадания пика.
Диаметр примерно с колпачок НЧ. Валить шайба будет плавно, с пару кГц, а динамику так и надо. Можно приколоться и набрать конус шайбами уменьшающегося диаметра 😊.
 

LDS

1 paнг
Регистрация
5 Июл 2019
Сообщения
5,026
Реакции
3,130
Репутация
145
Возраст
38
Имя
Дмитрий
АЧХ вариант 5. Импеданс и фазу пока не мерял.
Как звучит? Не хуже предыдущих вариаций, нужно сравнивать переключением, так не определить.
Фильтр:
1572684.jpg
Графики:
5 вариант.png
 
Последнее редактирование:
Регистрация
23 Июл 2019
Сообщения
6,677
Реакции
5,253
Репутация
203
Страна
Украина
Как рассеиватель сделать?)
В данном случае лучше гасить без отражений, чтобы не получить боковые лепестки диаграммы направленности от Эвереста)
Вариант 5 мне заходит! Поднимаем уровень ВЧ и всё, если попрёт... Или баланс на слух. Жаль, что зона согласованной работы сузилась до 2,3...4,5 кГц, но это третий порядок виноват. Может со вторым в ВЧ звене ямка 2...3 кГц меньше получится (после подъёма уровня), сейчас частота раздела съехала чуть выше 3 кГц, недоиспользуем ВЧ. Ещё капельку, и Троэлс на перекуре 😆.
Да, с вариантом 5 сильно стараться с фетром не надо, после вариаций с уровнем ВЧ пробуйте. Задача - чтобы синяя шла не выше чёрной...
 
Последнее редактирование:

LDS

1 paнг
Регистрация
5 Июл 2019
Сообщения
5,026
Реакции
3,130
Репутация
145
Возраст
38
Имя
Дмитрий
Прикрепил фетр - ничего не изменилось, ну может на 0,5 дБ в некоторых местах. Затем прикрепил ватин пресованный, 4 мм. Вот что имею, вариант 5. Красная с кольцом из ватина, синяя - без:
ватин.png

вариант 5 с ватином, фаза и противофаза:
фаза и нефаза.png


НЧ динамик по своей оси, 1 м. С ватином (серая), без кольца ватина - синяя:
126543.png


Снял гриль - красная. С грилем - серая:
гриль.png


Черная - чисто
Синяя - фетр легкий
Красная - ватин пресованный 4 мм
546946894.png
 
Регистрация
12 Ноя 2019
Сообщения
28,303
Реакции
13,621
Репутация
395
Думаю, если перемкнуть емкость 12, 2 мк, деталь высвободится, стык улучшится, звуку не поплохеет.
 

LDS

1 paнг
Регистрация
5 Июл 2019
Сообщения
5,026
Реакции
3,130
Репутация
145
Возраст
38
Имя
Дмитрий

LDS

1 paнг
Регистрация
5 Июл 2019
Сообщения
5,026
Реакции
3,130
Репутация
145
Возраст
38
Имя
Дмитрий
6 вариант
схема:
6666.jpg
АЧХ:
6 3ачх.png

импеданс:
6вар импеданс.png
 
Регистрация
23 Июл 2019
Сообщения
6,677
Реакции
5,253
Репутация
203
Страна
Украина
Прикрепил фетр - ничего не изменилось, ну может на 0,5 дБ в некоторых местах. Затем прикрепил ватин пресованный, 4 мм. Вот что имею, вариант 5. Красная с кольцом из ватина, синяя - без:
Посмотреть вложение 5602
вариант 5 с ватином, фаза и противофаза:
Посмотреть вложение 5603

НЧ динамик по своей оси, 1 м. С ватином (серая), без кольца ватина - синяя:
Посмотреть вложение 5604

Снял гриль - красная. С грилем - серая:
Посмотреть вложение 5606

Черная - чисто
Синяя - фетр легкий
Красная - ватин пресованный 4 мм
Посмотреть вложение 5607
Всё понятно, шайба не работает. Вырезались 3 кГц, остались 5 кГц.
Импеданс без провала, потом можно будет поравнять.
Вариант 6 не лучше. Уровень ВЧ не подняли, он будет влиять на стык. Ещё попробуйте 5 или 6 с резистором 2 Ома последовательно с 15 мкФ, может лучше состыковаться с ВЧ, ближе к варианту 2.
 

LDS

1 paнг
Регистрация
5 Июл 2019
Сообщения
5,026
Реакции
3,130
Репутация
145
Возраст
38
Имя
Дмитрий
Всё понятно, шайба не работает. Вырезались 3 кГц, остались 5 кГц.
Импеданс без провала, потом можно будет поравнять.
Вариант 6 не лучше. Уровень ВЧ не подняли, он будет влиять на стык. Ещё попробуйте 5 или 6 с резистором 2 Ома последовательно с 15 мкФ, может лучше состыковаться с ВЧ, ближе к варианту 2.
Николай, чем выше ставлю резистор, тем выше подымается АЧХ с пиком на 5 кГц, по этому поставил 0,24 Ом.

Закинул в симулятор НЧ.
Можно попробовать срезать его на 1 кГц, вот такую схему нужно будет собрать:
367786749.png
Вот что выйдет:
расчетные.jpg
 
Регистрация
23 Июл 2019
Сообщения
6,677
Реакции
5,253
Репутация
203
Страна
Украина
Регистрация
23 Июл 2019
Сообщения
6,677
Реакции
5,253
Репутация
203
Страна
Украина
Николай, чем выше ставлю резистор, тем выше подымается АЧХ с пиком на 5 кГц, по этому поставил 0,24 Ом.
Да, так должно быть. Сначала подымите уровень ВЧ, чтобы он перекрикивал пик, потом 2 Ома, пик подрастёт, но зона1...3 кГц у НЧ звена по фазе станет ближе к варианту 2, и зона хорошего стыка должна расшириться вниз. Если пик при этом будет слышен/виден, катушку до 1,3 мГн в НЧ и до 0,3 в ВЧ, т.е., режем ниже, но не круче. Сейчас и так уже круто...
 

LDS

1 paнг
Регистрация
5 Июл 2019
Сообщения
5,026
Реакции
3,130
Репутация
145
Возраст
38
Имя
Дмитрий
Да, так должно быть. Сначала подымите уровень ВЧ, чтобы он перекрикивал пик, потом 2 Ома, пик подрастёт, но зона1...3 кГц у НЧ звена по фазе станет ближе к варианту 2, и зона хорошего стыка должна расшириться вниз. Если пик при этом будет слышен/виден, катушку до 1,3 мГн в НЧ и до 0,3 в ВЧ, т.е., режем ниже, но не круче. Сейчас и так уже круто...
Так Вы ранее писали, что и пик на 5 кГц.
 
Регистрация
12 Ноя 2019
Сообщения
28,303
Реакции
13,621
Репутация
395
Со временем уйдете от излишней крутизны скатов и выходов в пользу плавных изгибов.
Для этого иногда достаточно прислушаться к характеру шума динамика с разными вариантами фильтра, выбрав тот, который обеспечивает спокойное без яркости или шкварок звучание.
Пищалка, к примеру, должна звучать как СССЬЬ , а не ЧЧШШШ.
А все эти резкие изломы на ачх гадят звук динамика и колонки в целом. Но это лишь моё слабое и неправильное мнение.
 

LDS

1 paнг
Регистрация
5 Июл 2019
Сообщения
5,026
Реакции
3,130
Репутация
145
Возраст
38
Имя
Дмитрий
Со временем уйдете от излишней крутизны скатов и выходов в пользу плавных изгибов.
Для этого иногда достаточно прислушаться к характеру шума динамика с разными вариантами фильтра, выбрав тот, который обеспечивает спокойное без яркости или шкварок звучание.
Пищалка, к примеру, должна звучать как СССЬЬ , а не ЧЧШШШ.
А все эти резкие изломы на ачх гадят звук динамика и колонки в целом. Но это лишь моё слабое и неправильное мнение.
Согласен. Так я к такому варианту пришел не по своим желаниям. В первых схемах были простейшие фильтры, в начале темы все есть. Те простейшие фильтры можно было довести до какого-то конца, но вы же все пишите что все не так. Вот и дошел до 3 порядка на ВЧ и 2 на НЧ. А по звуку Даный вариант не знаю чем лучше 1-3 вариантов..
 
Регистрация
12 Ноя 2019
Сообщения
28,303
Реакции
13,621
Репутация
395
Меня не устраивали ваши прежние НЧ фильтры задранной вверх полкой и резким спадом, явное несоответствие по индуктивности и емкости фильтра. Но сейчас прилично всё, а схема приятно упрощается))))
 

Статистика форума

Темы
3,074
Сообщения
235,078
Пользователи
2,376
Новый пользователь
Sergovlad
Сверху Снизу