2-х полосная АС (Eltax 3872 + Vifa XT25TG30-04)

LDS

1 paнг
Регистрация
5 Июл 2019
Сообщения
5,026
Реакции
3,130
Репутация
145
Возраст
38
Имя
Дмитрий
Меня не устраивали ваши прежние НЧ фильтры задранной вверх полкой и резким спадом, явное несоответствие по индуктивности и емкости фильтра. Но сейчас прилично всё, а схема приятно упрощается))))
Ок, ну так и работаю в правильном направлении, я надеюсь)
 
Регистрация
23 Июл 2019
Сообщения
6,677
Реакции
5,253
Репутация
203
Страна
Украина
Второй заход на акустическую гасилку. Ваша неудача с шайбой показала непригодность материала. Я испытывал войлок от шумоизоляции авто толщиной 8 мм, без слоя самоклейки. Так подносишь его к уху и ощущаешь одностороннюю глухоту по ВЧ, сразу. Шайба из такого войлока перед 20ГДС-1 (при держании пинцетом, пальцы создают резонансные призвуки) на розовом шуме чётко даёт пропадание пика 4,5кГц, но также валит и 3 кГц, то есть, валит всё, что излучает куполок, с увеличением завала с ростом частоты. Направленность динамика при этом чётко уменьшилась. Видимо, у ватина крупные волокна, он на ПАС пойдёт. А фетр слишком тонкий. Может, попробуйте ишшо раз с материалом, действие которого будет чётко заметно на слух про размещении его перед куполом НЧ, если НЧ включить без фильтра. Ещё мысля. Измеряете по оси ВЧ, а из-под шайбы выглядывает в сторону микрофона край кумпола=>шайбу надо слегка большего, чем купол, диаметра.
 

LDS

1 paнг
Регистрация
5 Июл 2019
Сообщения
5,026
Реакции
3,130
Репутация
145
Возраст
38
Имя
Дмитрий
Второй заход на акустическую гасилку. Ваша неудача с шайбой показала непригодность материала. Я испытывал войлок от шумоизоляции авто толщиной 8 мм, без слоя самоклейки. Так подносишь его к уху и ощущаешь одностороннюю глухоту по ВЧ, сразу. Шайба из такого войлока перед 20ГДС-1 (при держании пинцетом, пальцы создают резонансные призвуки) на розовом шуме чётко даёт пропадание пика 4,5кГц, но также валит и 3 кГц, то есть, валит всё, что излучает куполок, с увеличением завала с ростом частоты. Направленность динамика при этом чётко уменьшилась. Видимо, у ватина крупные волокна, он на ПАС пойдёт. А фетр слишком тонкий. Может, попробуйте ишшо раз с материалом, действие которого будет чётко заметно на слух про размещении его перед куполом НЧ, если НЧ включить без фильтра. Ещё мысля. Измеряете по оси ВЧ, а из-под шайбы выглядывает в сторону микрофона край кумпола=>шайбу надо слегка большего, чем купол, диаметра.
Ок.
Да, думал, что под углом будет шайбы не все закрывать.

7 вариант (расчетный)
Практические работы пока отложены. Но получилось освоить теорию. Смоделировал фильтр, вот что выходит (500 - 20000 Гц):
128658586.png
 
Регистрация
12 Ноя 2019
Сообщения
28,303
Реакции
13,621
Репутация
395
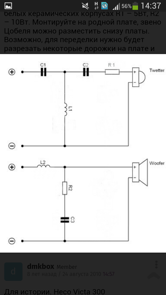
второй порядок на нч и третий на вч плохо дружат. Хотя, судя по наклонам ачх все в порядке.

третий ставят в музыкантские пищалы, чтоб не спалить. А второй порядок по Бесселю или Гауссу самый благозвучный , по ачх практически первый. Но это моё кривое мнение.
 

ddimon

2 ранг
Регистрация
5 Май 2020
Сообщения
120
Реакции
64
Репутация
19
Страна
Россия
Хороший звук получается, полуторный порядок на нч, т.е. первый + Цобель, и третий порядок по Баттерворту на вч, с гасящим резистором ПОСЛЕ фильтра. Попробуйте такой вариант))), головки включены в фазе
 

LDS

1 paнг
Регистрация
5 Июл 2019
Сообщения
5,026
Реакции
3,130
Репутация
145
Возраст
38
Имя
Дмитрий
Хороший звук получается, полуторный порядок на нч, т.е. первый + Цобель, и третий порядок по Баттерворту на вч, с гасящим резистором ПОСЛЕ фильтра. Попробуйте такой вариант))), головки включены в фазе
Попробую такое, спасибо.
А пока набросал 8 вариант с 2 порядком на ВЧ, но снова АЧХ уже и НЧ и ВЧ динамиков выше общей АЧХ, но какой ровный импеданс. Кстати импеданс не зависит от расположения динамиков, так что можно ему верить.
4898787.jpg
 
Регистрация
23 Июл 2019
Сообщения
6,677
Реакции
5,253
Репутация
203
Страна
Украина
второй порядок на нч и третий на вч плохо дружат. Хотя, судя по наклонам ачх все в порядке.
Плохая дружба на рисунке видна. От 1 до 2 кГц ВЧ работает в противофазе к НЧ, снижая уровень, потому что заворот фазы у третьего порядка тут лишний. А для получения нормального уровня на том же участке пришлось уменьшить катушку в ФНЧ, и пик 5 кГц от НЧ опять виден. Суммарная АЧХ выше отдельных только от 2 до 4 кГц, хотя здесь всё красиво.
По-прежнему считаю лучшим вариант 2. Ему только доработать верхний край АЧХ НЧ звена, и в конце - коррекция ВЧ звена, если понадобится.
Вариант 8 есть ухудшенный вариант 7, движение не туда. НЧ надо валить плавнее, и издали...
 
Регистрация
12 Ноя 2019
Сообщения
28,303
Реакции
13,621
Репутация
395
Резистор на вхлде фильтра курочит его ачх до неузнаваемости. давно так не делаю. Резистор ставлю перед пищалой, тогда и чутьё лишнее убирается и фильтру проще и номиналы не конские

Плохая дружба на рисунке видна. От 1 до 2 кГц ВЧ работает в противофазе к НЧ, снижая уровень, потому что заворот фазы у третьего порядка тут лишний. А для получения нормального уровня на том же участке пришлось уменьшить катушку в ФНЧ, и пик 5 кГц от НЧ опять виден. Суммарная АЧХ выше отдельных только от 2 до 4 кГц, хотя здесь всё красиво.
По-прежнему считаю лучшим вариант 2. Ему только доработать верхний край АЧХ НЧ звена, и в конце - коррекция ВЧ звена, если понадобится.
Вариант 8 есть ухудшенный вариант 7, движение не туда. НЧ надо валить плавнее, и издали...
совершенно согласен. А лучше динамик с фильтром на шуме послушать и на музыке. И если от этого звука не стошнило-значит, можно думать о сшивке с пищалой.
 

KSV

1 ранг
Регистрация
10 Июн 2020
Сообщения
6,966
Реакции
7,213
Репутация
254
Страна
Россия
Город
Москва
Имя
Сергей
Не сказал бы о плохом звуке, наоборот с 3 порядком пропали сибилянты, по этому его и оставил. Пробовал 2 порядок, но не получается приличного.
Сейчас Вам внушат, что слышите вы не так и неправильно. Ваши уши испорчены кислотой, приличное от неприличного отличить не можете и т. п.
Но это пока что)
Не верь глазам ушам своим.
 

LDS

1 paнг
Регистрация
5 Июл 2019
Сообщения
5,026
Реакции
3,130
Репутация
145
Возраст
38
Имя
Дмитрий
Да, я понял Вас. Вот только что смоделировал. Правда конденсатор второй на ВЧ пришлось ставить почти такой же как и первый.
9 вариант:
9 вариант.jpg


По-прежнему считаю лучшим вариант 2. Ему только доработать верхний край АЧХ НЧ звена, и в конце - коррекция ВЧ звена, если понадобится.
Этот что ли: https://ldsound.club/index.php?thre...-3872-vifa-xt25tg30-04.104/page-4#post-13073?
 
Регистрация
23 Июл 2019
Сообщения
6,677
Реакции
5,253
Репутация
203
Страна
Украина
Резистор на входе фильтра курочит его ачх до неузнаваемости. давно так не делаю. Резистор ставлю перед пищалой, тогда и чутьё лишнее убирается и фильтру проще и номиналы не конские
Резистор сильно меняет АЧХ фильтра, правда. Но - в сторону увеличения плавности АЧХ и ФЧХ. И этим можно пользоваться, имея такую или подобную прогу и микрофон. В частности, резистор перед фильтром красиво убирает горбик перед скатом и маскирует по звуку сам переход от пропускания к задержанию. Значительное сопротивление меняет фильтр полностью.

Да, я понял Вас. Вот только что смоделировал. Правда конденсатор второй на ВЧ пришлось ставить почти такой же как и первый.
9 вариант:
Посмотреть вложение 5820


Этот что ли: https://ldsound.club/index.php?thre...-3872-vifa-xt25tg30-04.104/page-4#post-13073?
Да, этот, за основу.
Вариант 9 интересен, но пилять шикарную пищалку столь круто... Вариант 9 равен варианту 7 (и 8), где проблемы несинфазности на 1...2 кГц решены увеличением крутизны ската ФВЧ.
 

LDS

1 paнг
Регистрация
5 Июл 2019
Сообщения
5,026
Реакции
3,130
Репутация
145
Возраст
38
Имя
Дмитрий
Да, этот, за основу.
Там же АЧХ накладываются друг на друга. Насколько я понял с Ваших слов еще в самомо начале, то лучший пока 7 вариант, АЧХ динамиков далеок друг от друга, не мешают работать.
2 вариант расчетный и реальный:
487978.jpg


Идя по пути уменьшения деталей, набросал 10 вариант. АЧХ ровная, импеданс без выбросов:
10 вариант.jpg
 
Регистрация
23 Июл 2019
Сообщения
6,677
Реакции
5,253
Репутация
203
Страна
Украина
Идя по пути уменьшения деталей, набросал 10 вариант. АЧХ ровная, импеданс без выбросов:
Посмотреть вложение 5830
Неплохо, но.
1. Частота раздела 3,5 кГц - высоко.
2. Пик 5 кГц срезан всего на 10дБ ниже общей АЧХ - следствие мелкой катушки ФНЧ.
Постепенно увеличивая катуху в НЧ, а за ней, следя за изменениями, - в ВЧ звене, можно попробовать выйти на раздел ниже, одновременно сгладив АЧХ отдельных звеньев, а из-за сглаживания ФЧХ зона дружбы может расшириться от 1 до 5 кГц, то есть, на всю зону совместной работы.
 

LDS

1 paнг
Регистрация
5 Июл 2019
Сообщения
5,026
Реакции
3,130
Репутация
145
Возраст
38
Имя
Дмитрий
Неплохо, но.
1. Частота раздела 3,5 кГц - высоко.
2. Пик 5 кГц срезан всего на 10дБ ниже общей АЧХ - следствие мелкой катушки ФНЧ.
Постепенно увеличивая катуху в НЧ, а за ней, следя за изменениями, - в ВЧ звене, можно попробовать выйти на раздел ниже, одновременно сгладив АЧХ отдельных звеньев, а из-за сглаживания ФЧХ зона дружбы может расшириться от 1 до 5 кГц, то есть, на всю зону совместной работы.
Не получается ниже с 2 порядком на ВЧ.
ВЧ на нижнем крае имеет выброс.
 
Регистрация
23 Июл 2019
Сообщения
6,677
Реакции
5,253
Репутация
203
Страна
Украина
Не получается ниже с 2 порядком на ВЧ.
ВЧ на нижнем крае имеет выброс.
Да, у ВЧ горб на 5 кГц. А у НЧ - резкий пик, и в противофазе. И если Вы дадите им обеим работать на 5 кГц, добившись ровной АЧХ, скажем, по оси ВЧ, то выше по углу, в сторону ВЧ, будет пик от ВЧ головы, а по оси НЧ будет провал от более сильного противофазного влияния НЧ, а по комнате - отражения от ВЧ пика в полной красе. В Вашем случае придется мириться с плавным горбом ВЧ в пользу слитного.и непрыгающего по фазе и амплитуде звучания, имхо. Хотя... Можно попробовать второй на ВЧ с горбом на 3 кГц, подтянув вверх левый скат горба АЧХ ВЧ динамика, просадив всю область ВЧ на пару дБ. Тогда раздел будет ниже 2 кГц, ВЧ должен потянуть. Соответственно, НЧ начать валить ещё раньше, катушка больше 1 мГн, от НЧ - никаких артефактов на ВЧ.
Дружная работа, по моим последним наблюдениям, равно важна с ровной АЧХ.
 
Последнее редактирование:

LDS

1 paнг
Регистрация
5 Июл 2019
Сообщения
5,026
Реакции
3,130
Репутация
145
Возраст
38
Имя
Дмитрий
Да, у ВЧ горб на 5 кГц. А у НЧ - резкий пик, и в противофазе. И если Вы дадите им обеим работать на 5 кГц, добившись ровной АЧХ, скажем, по оси ВЧ, то выше по углу, в сторону ВЧ, будет пик от ВЧ головы, а по оси НЧ будет провал от более сильного противофазного влияния НЧ, а по комнате - отражения от ВЧ пика в полной красе. В Вашем случае придется мириться с плавным горбом ВЧ в пользу слитного.и непрыгающего по фазе и амплитуде звучания, имхо. Хотя... Можно попробовать второй на ВЧ с горбом на 3 кГц, подтянув вверх левый скат горба АЧХ ВЧ динамика, просадив всю область ВЧ на пару дБ. Тогда раздел будет ниже 2 кГц, ВЧ должен потянуть. Соответственно, НЧ начать валить ещё раньше, катушка больше 1 мГн, от НЧ - никаких артефактов на ВЧ.
Дружная работа, по моим последним наблюдениям, равно важна с ровной АЧХ.
Можете нарисовать схему фильтра по 2 варианту?
S-70.png
А я уже попробую поиграть с номиналами.
 
Регистрация
23 Июл 2019
Сообщения
6,677
Реакции
5,253
Репутация
203
Страна
Украина
Регистрация
12 Ноя 2019
Сообщения
28,303
Реакции
13,621
Репутация
395
Можете нарисовать схему фильтра по 2 варианту?
Посмотреть вложение 5836
А я уже попробую поиграть с номиналами.
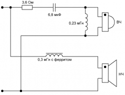
Резистор 3, 6 Ома на входе вч фильтра виртуально добавит вам емкости к 6, 8 мкф, и без того конской, а индуктивность 0,23мГн рухнет вдвое. АЧХ получится собачая.
Что такое НЧ фильтр для мида из катушки 0,3мГн - это меньше чем ничего. Динамик как выл и орал на средине, так и будео орать и выть, а вы будете забавляться картинками , вместо того. чтобы дать шум, музыку, послушать , усомниться в выданной вам схеме и на ходу добавить-убавить деталек и выправить нужное звучание.

12 мкф на вч фильтре....Всё. Цензурные слова закончились, а другие здесь не принято. Умолкаю.
 

LDS

1 paнг
Регистрация
5 Июл 2019
Сообщения
5,026
Реакции
3,130
Репутация
145
Возраст
38
Имя
Дмитрий
Резистор 3, 6 Ома на входе вч фильтра виртуально добавит вам емкости к 6, 8 мкф, и без того конской, а индуктивность 0,23мГн рухнет вдвое. АЧХ получится собачая.
Что такое НЧ фильтр для мида из катушки 0,3мГн - это меньше чем ничего. Динамик как выл и орал на средине, так и будео орать и выть, а вы будете забавляться картинками , вместо того. чтобы дать шум, музыку, послушать , усомниться в выданной вам схеме и на ходу добавить-убавить деталек и выправить нужное звучание.

12 мкф на вч фильтре....Всё. Цензурные слова закончились, а другие здесь не принято. Умолкаю.
Пришлось свернуть пока практические работы из-за недостатка места. Какая разница, это же все теория, намного проще. Посмотрю разные варианты, потом соберу и померяю.

12 мкф на вч фильтре....Всё. Цензурные слова закончились, а другие здесь не принято. Умолкаю.
Учитывайте сопротивление динамика оно 4 Ома, а не 8 Ом как большинство. По чебышеву к примеру, 3000 Гц раздел, выдает 13 мкФ и 0,2 мГн.
 

ddimon

2 ранг
Регистрация
5 Май 2020
Сообщения
120
Реакции
64
Репутация
19
Страна
Россия
Пришлось свернуть пока практические работы из-за недостатка места. Какая разница, это же все теория, намного проще. Посмотрю разные варианты, потом соберу и померяю.


Учитывайте сопротивление динамика оно 4 Ома, а не 8 Ом как большинство. По чебышеву к примеру, 3000 Гц раздел, выдает 13 мкФ и 0,2 мГн.
Не частота раздела, а частота среза, так и считать нужно не на 4 Ом, а на 4 + добавочное сопротивление 4-6Ом, а это уже не 12мкф, а гораздо меньше, срез по Чебышеву не круто ли?
 
Регистрация
12 Ноя 2019
Сообщения
28,303
Реакции
13,621
Репутация
395
Пришлось свернуть пока практические работы из-за недостатка места. Какая разница, это же все теория, намного проще. Посмотрю разные варианты, потом соберу и померяю.


Учитывайте сопротивление динамика оно 4 Ома, а не 8 Ом как большинство. По чебышеву к примеру, 3000 Гц раздел, выдает 13 мкФ и 0,2 мГн.
Чебышевский фильтр на вч- это ж какое вИдение звука должно быть :)
4-омная пищала и току отожрёт и импеданс просадит и крику не оберешься. Ей сам бог велит добавить гасилку, доведя импендац хотя бы до 6 Ом. Тогда срастется.
Либо трансик намотать , как у меня сделано. Катуха вч фильтра- она же понижающий автотрансик с 8 Ом на 4 Ома.
 

LDS

1 paнг
Регистрация
5 Июл 2019
Сообщения
5,026
Реакции
3,130
Репутация
145
Возраст
38
Имя
Дмитрий
Вариант 10 смоделированный: https://ldsound.club/index.php?thre...x-3872-vifa-xt25tg30-04.104/page-9#post-14141
Реальный сглаживание 1/3 (не совпадение возможно из-за не очень точных номиналов в моделировании и в реальности):
10 вариант.png

Сначала послушал, звук не понравился, потом измерил.
Реальный сглаживание 1/6:
10 1-6.png


11 вариант.
11схема.png
В схеме изменил входной конденсатор в ВЧ фильтре с 5,4 мкФ на 4,5 мкФ и вот что вышло, бугор на 4,6 кГц пропал:
11.png

11-3.png
 
Регистрация
23 Июл 2019
Сообщения
6,677
Реакции
5,253
Репутация
203
Страна
Украина
11 вариант.
Посмотреть вложение 6019
В схеме изменил входной конденсатор в ВЧ фильтре с 5,4 мкФ на 4,5 мкФ и вот что вышло, бугор на 4,6 кГц пропал:
Посмотреть вложение 6018
Посмотреть вложение 6020
С виду красивая АЧХ, но чувства противоречивые. По-прежнему НЧ играет на пике 5кГц и даже выше. По-прежнему скаты очень крутые, а частота раздела почти 4 кГц. Как и раньше, будет сильно изменяться АЧХ в зоне 4,5...6 кГц при изменении угла по вертикали. Может, ещё раз с пирамидкой из войлочных шайб...
 

LDS

1 paнг
Регистрация
5 Июл 2019
Сообщения
5,026
Реакции
3,130
Репутация
145
Возраст
38
Имя
Дмитрий
С виду красивая АЧХ, но чувства противоречивые. По-прежнему НЧ играет на пике 5кГц и даже выше. По-прежнему скаты очень крутые, а частота раздела почти 4 кГц. Как и раньше, будет сильно изменяться АЧХ в зоне 4,5...6 кГц при изменении угла по вертикали. Может, ещё раз с пирамидкой из войлочных шайб...
Уже не помню какой вариант, но были, что звучали хорошо. Этот по звуку так же не плохой и если с импедансом все ровно, то оставлю его. Сил/желания уже нет возится, да и времени не хватает.
С пирамидкой попробую, но боюсь что с боку будут выбросы.
 
Регистрация
12 Ноя 2019
Сообщения
28,303
Реакции
13,621
Репутация
395
отдельно работающие НЧ и ВЧ динамики с фильтрами на розовом шуме не должны издавать неприятного окраса, режущего слух. Басовик, звучащий в виде ХШШШ точно огребает лишнего, нужен звуг ФФФШШШ, а пищалка должна звучать ССС или СЬСЬСЬ, но никак не ЧШШШ . Ясно? :) :) :)
 

LDS

1 paнг
Регистрация
5 Июл 2019
Сообщения
5,026
Реакции
3,130
Репутация
145
Возраст
38
Имя
Дмитрий
Ясно, послушал вроде так и есть, ну или примерно так, могу записать.
Что из плохого, электрогитара звучит не очень, каши много. Т.е. было лучше с другими вариантами или уже приелось все.
Я подумал, может еще проблема в том что динамики разнесены на передней панели далеко друг от друга?

Может, ещё раз с пирамидкой из войлочных шайб...
Синий без пирамидки, красный с пирамидкой из фетра. 4 круга по 4 мм каждый:
красны с фетром.png
 
Регистрация
12 Ноя 2019
Сообщения
28,303
Реакции
13,621
Репутация
395
разнос динамиков на фронтпанели делает невозможным высокую частоту стыка, фаза их на стыке при этом ведет себя непредсказуемо, ачх какая угодно что на оси что вне её. Стык в районе 2-2, 5 кгц упрощает это дело. Эта проблема возникла в макете Кубиков, там пищалка в колонках 6АС224 оттянута от басовичка на приличное расстояние и сразу проблемы.
Понять, удачно ли получилось на стыке, можно, сняв ачх в разных направлениях от линии стыка динамиков, некой акустической оси, где сосредоточено излкчение обоих динамиков.
Удачный стык достаточно равнодушен к смещению микрофона по сторонам
 
Последнее редактирование:

LDS

1 paнг
Регистрация
5 Июл 2019
Сообщения
5,026
Реакции
3,130
Репутация
145
Возраст
38
Имя
Дмитрий
отдельно работающие НЧ и ВЧ динамики с фильтрами на розовом шуме не должны издавать неприятного окраса, режущего слух. Басовик, звучащий в виде ХШШШ точно огребает лишнего, нужен звуг ФФФШШШ, а пищалка должна звучать ССС или СЬСЬСЬ, но никак не ЧШШШ . Ясно? :) :) :)
Розовый шум динамиков с 11 варианта:
 

Вложения

  • розовый шум.zip
    573.4 KB · Просмотры: 187

Статистика форума

Темы
3,074
Сообщения
235,094
Пользователи
2,376
Новый пользователь
Sergovlad
Сверху Снизу