35АС-018 «Амфитон»

  • Автор темы Автор темы LDS
  • Дата начала Дата начала

Рейтинг АС по 5-ти баллам

  • 1

  • 2

  • 3

  • 4

  • 5


Результаты будут видны только после голосования.
Второй порядок по классике переворачивает на 180 град про сравнению с соседним динамиком,, нужно смотреть микрофоном, на слух если уши подкованы то генератор на частоту раздела и пробуем фаза/180 где громче, но лучше по микрофону. Бывают случаи что так и так плохо, тогда меняем порядок одгого из динамиков на 1 или 3-го порядка (зависит от возможностей ГД). Но в любом случае микрофон лучше скажет.
Подключил все на + звук громче и яснее!

СЧ в противофазе оставьте.
Звук получается зажатый какой то тогда
 
На моих было имено так, это первые 3-х полоски были потом пронеслась.
 
Второй порядок по классике переворачивает на 180 град про сравнению с соседним динамиком,, нужно смотреть микрофоном, на слух если уши подкованы то генератор на частоту раздела и пробуем фаза/180 где громче, но лучше по микрофону. Бывают случаи что так и так плохо, тогда меняем порядок одгого из динамиков на 1 или 3-го порядка (зависит от возможностей ГД). Но в любом случае микрофон лучше скажет.
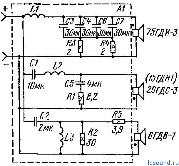
Почитал прои фильтра в амфитонах. В описании сказано что нч первый порядок , сч первый порядок, вч второй порядок. Так какая ситуация по фильтрам на самом деле. Где какой порядок.
 
Так какая ситуация по фильтрам на самом деле. Где какой порядок.
Всё правильно.
35ac018_ldsound-4.jpg
На НЧ типа псевдовторого порядка. R2, R4 слегка снижают накачку на НЧ. Это так пишут - я всего лишь повторяю.
На СЧ первый с цепью Цобеля.
ВЧ - второй. Только вот L-Pad на ВЧ нарисован "чертёжницей неправильно. R5 нужно переместить за R2.
 
Всё правильно.
Посмотреть вложение 84885
На НЧ типа псевдовторого порядка. R2, R4 слегка снижают накачку на НЧ. Это так пишут - я всего лишь повторяю.
На СЧ первый с цепью Цобеля.
ВЧ - второй. Только вот L-Pad на ВЧ нарисован "чертёжницей неправильно. R5 нужно переместить за R2.
Приветствую Игоря!
Смущает сильно второй порядок для ФВЧ. Для наших купольных ВЧ динамиков (широко распространённой серии), у которых частота основного резонанса близка к 5-ти кГц, разработчики старались применять ФВЧ 3-го порядка с частотой среза около 5-ти кГц, чтобы хоть как-то "уйти" от резонанса. Не загреметь бы со вторым порядком под фанфары... У тех же S-90 (и их клонов) ФВЧ 3-го порядка. Очень интересно ...​
 
Смущает сильно второй порядок для ФВЧ.
Разработчики...
У меня была пара. Начала восьмидесятых. Все динамики были целы. И если честно, то звучание этих Амфитонов мне нравилось больше чем примерно тех же лет Радиотехники S-90.
Один из моих знакомых переделывал фильтр S90 на Амфитоновский именно по причине лучшего звучания.
А вообще. Модернизацию любой из подобных АС на таких динамиках начал бы с пищалок. На форуме есть тема и не одна.
СЧ на низкоиндуктивную катушку.
НЧ вообще трогать не нужно при целых подвесах.
Фильтр в последнюю очередь и то только для приведения к указанным в паспорте параметрам.
 
Почитал прои фильтра в амфитонах. В описании сказано что нч первый порядок , сч первый порядок, вч второй порядок. Так какая ситуация по фильтрам на самом деле. Где какой порядок.
Можете не верить и смеяться. Но порядок фильтра задан не числом кондеров и катушек в схеме. А неким иным, абстрактным и трудно понятным, типа, крутизной спада ачх или выхода на полку . Или характером этой самой крутизны, насколько она крутая или размазана по уровню с частотой. и получится, что по деталям порядок второй, а по АЧХ и звуку- плавнее первого. Так-то, как-то ....
 
Разработчики...
У меня была пара. Начала восьмидесятых. Все динамики были целы. И если честно, то звучание этих Амфитонов мне нравилось больше чем примерно тех же лет Радиотехники S-90.
Один из моих знакомых переделывал фильтр S90 на Амфитоновский именно по причине лучшего звучания.
А вообще. Модернизацию любой из подобных АС на таких динамиках начал бы с пищалок. На форуме есть тема и не одна.
СЧ на низкоиндуктивную катушку.
НЧ вообще трогать не нужно при целых подвесах.
Фильтр в последнюю очередь и то только для приведения к указанным в паспорте параметрам.
Нет оснований Вам не верить ... Эти Амфитоны не привелось услышать, слышал S-90 и переделанную Орбиту (35АС-018) -- человек повысил раздел между СЧ и ВЧ до 10 кГц. Однозначно Орбита на СЧ и ВЧ звучала лучше. Мутность ВЧ у S-90 -- медицинский факт. По моему мнению, которое не совпадает с моей точкой зрения, СЧ динамик типа 20ГДС -- лучше заменить. Такой CЧ кажется был установлен в 25АС-033 -- не фонтан, не для звука он​
 
Повысить частоту раздела СЧ-ВЧ до 10 кгц- примерно, как поручить работу министерства- одному человеку. а мелочи- отдельному небольшому коллективу, чтоб у Рыбки на посылках, подчищать. В теории неплохо, а по жизни- вряд ли.
Средника. бегущего до десятки кил без схлопывания в дулю и не гадящего детальность , за 20 лет занятия акустикой. встретить не довелось. Зато убеждающих в пользе повышении частоты стыка СЧ и ВЧ из соображений снижения ИМ искажений - тьма.
 
переделанную Орбиту (35АС-018)
35АС-016. Это была последняя моя АС из отечественных. Не считая конечно нескольких 10МАС-1М.
У неё просто довёл фильтр до схемных "указаний". Ну... еще чуток снизил активное сопротивление катушки индуктивности НЧ части фильтра.
Отмотал провод до 0,4 ом и ферритом поднял до 1,6 мГ. И как доктор Клячин подбирал конденсаторы чуть ли не десятых долей.
Такой дурак был.
 
Повысить частоту раздела СЧ-ВЧ до 10 кгц- примерно, как поручить работу министерства- одному человеку. а мелочи- отдельному небольшому коллективу, чтоб у Рыбки на посылках, подчищать. В теории неплохо, а по жизни- вряд ли.
Средника. бегущего до десятки кил без схлопывания в дулю и не гадящего детальность , за 20 лет занятия акустикой. встретить не довелось. Зато убеждающих в пользе повышении частоты стыка СЧ и ВЧ из соображений снижения ИМ искажений - тьма.
Александр, дело с доработкой Орбиты было году в 1988, плюс-минус. 20ГДС-3 стоили тогда может 15, может 20 рупий. А 5ГДШ-5-4 стоил или трояк или пятёрку. Доработка делалась (не мной) по заметке в журнале Радио. Те наши купольные ВЧ (6ГДВ- ...) были с резонансной частотой почти 5 кГц. У 5ГДШ-5-4 и диффузор легче и сам динамик легкий, воздушный (в звуке) по сравнению со среднечастотником 20ГДС-3. Тогда у меня временно паслись S-90 для прослушивания и сравнения, но когда услышал, как играет Электроника 25АС-033 (с ВЧ изодинамиками), то купил сразу, как только появилась возможность ... КНД доработанных Орбит измеряли биполярно-ушным методом ...​

35АС-016. Это была последняя моя АС из отечественных. Не считая конечно нескольких 10МАС-1М.
У неё просто довёл фильтр до схемных "указаний". Ну... еще чуток снизил активное сопротивление катушки индуктивности НЧ части фильтра.
Отмотал провод до 0,4 ом и ферритом поднял до 1,6 мГ. И как доктор Клячин подбирал конденсаторы чуть ли не десятых долей.
Такой дурак был.
С этими катушками для ФНЧ беда была: в ФНЧ Электроника 25АС-033 катушка (2,07 мГн) имела омическое около 1 Ома при (приблизительно) 3,2 Ома у НЧ динамика...​
 
Последнее редактирование:
5ГДШ-5-4 Доработка делалась по заметке в журнале Радио. У 5ГДШ-5-4 и диффузор легче и сам динамик легкий, воздушный (в звуке) по сравнению с 20ГДС-3.​
Всё так, но возвращаюсь к тому что есть два лагеря - громкого и тихого звука.
5ГДШ5-4 при всех его достоинствах сильно режет общую мощность колонки, недаром ставили утюг 15ГД-11. Любители громкого звука слушают эти колонки на мощности примерно 2х40 Вт. Поэтому здесь выбор - какчество или коликчество мощность или качество. Но раньше выбора не было, в "Радио" не принимали статьи с иностранными динамиками.
Сегодня выбор есть, на память Бокарёв советовал Альфард SC-13.
да и пищалку неплохо бы заменить. Советские стандарты: пищалка от 5 кГц при собственном резонансе 3,5 кГц или даже более...
Проблема сопротивления катушки (сопротивление это и есть на постоянном токе, на переменном - импеданс) фильтра решается просто - сердечником.
Такие как я, из секты любителей негромкого звука, могут ставить динамики более качественные по сравнению с штатными, но менее мощные.
Динамики худшие для СЧ,чем 15ГД-11 всё равно найти не удастся, а хорошо звучащие на СЧ (особенно импортные) резко улучшат звук Ы-90 но превратят их в честные 35АС.
 
Шоров свою АС по типу S90 с такими делал.Посмотреть вложение 84906
Посмотреть вложение 84908
Всё хотел такую сделать...
Шоров в НЧ фильтр врезал режектор, давящий бугор на 1800 басовику. Оно конечно можно и нужно, да вот досада, тот бугор не обязательно душить специально, достаточно обвалить отдачу басовику просто катушкой. А выброс на 1800 , торчащий минус 15 ниже ватерлинии, мало того, что не мешает никому, так еше и складывается со средником , выравнивая стык НЧ-СЧ.
Другое дело, тогда это нужно было одному Шорову, а сейчас вообще никому и нахрен .
А то, что он накрутил на ВЧ фильтре, это вообще ни в какие ворота рамок.
И самое смешное. в те годы даже такие решения были совершенно революционными, на фоне общего мрака и невежества в данной теме .

Всё так, но возвращаюсь к тому что есть два лагеря - громкого и тихого звука.
5ГДШ5-4 при всех его достоинствах сильно режет общую мощность колонки, недаром ставили утюг 15ГД-11. Любители громкого звука слушают эти колонки на мощности примерно 2х40 Вт. Поэтому здесь выбор - какчество или коликчество мощность или качество. Но раньше выбора не было, в "Радио" не принимали статьи с иностранными динамиками.
Сегодня выбор есть, на память Бокарёв советовал Альфард SC-13.
да и пищалку неплохо бы заменить. Советские стандарты: пищалка от 5 кГц при собственном резонансе 3,5 кГц или даже более...
Проблема сопротивления катушки (сопротивление это и есть на постоянном токе, на переменном - импеданс) фильтра решается просто - сердечником.
Такие как я, из секты любителей негромкого звука, могут ставить динамики более качественные по сравнению с штатными, но менее мощные.
Динамики худшие для СЧ,чем 15ГД-11 всё равно найти не удастся, а хорошо звучащие на СЧ (особенно импортные) резко улучшат звук Ы-90 но превратят их в честные 35АС.
1. Бокарёв не знает, что такое Альфард SC-13.
2.Бокарёв знает, что такое Визатон SC-10N.
3.Бокарёв знает, что такое Альфард ETP-1300S2
 
Привет всем. По полярности все вернул на заводские точки. Вопрос есть кто в Минске кто в теме , и может корректно послушать , замерить и переделать фильтра данных ас?
 
Переходная модель Волжского завода, все динамики Ивано-Франковск, НЧ 30 гд -2!
 

Вложения

  • IMG_20240306_123828_960.jpg
    IMG_20240306_123828_960.jpg
    547.6 KB · Просмотры: 84
  • IMG_20240306_123900_264.jpg
    IMG_20240306_123900_264.jpg
    549.8 KB · Просмотры: 81
  • IMG_20240306_124145_604.jpg
    IMG_20240306_124145_604.jpg
    320.5 KB · Просмотры: 88
  • IMG_20240306_124233_747.jpg
    IMG_20240306_124233_747.jpg
    375.2 KB · Просмотры: 82
А что из 30 гд-2 сделать, 75 гдн-3? подвес всë равно менять!
 
Почитал прои фильтра в амфитонах. В описании сказано что нч первый порядок
Нет, второй. 1 Ом последовательно с батареей конденсаторов еле-еле компенсирует индуктивный характер нагрузки фильтра, крутизна ската ФНЧ соответствует второму порядку, 12дб/октаву. Вообще в линейке S-90-образных существ наблюдается интересная тенденция: чем позже разработка, тем больше номинал резистора последовательно с батареей конденсаторов в ФНЧ.
А что из 30 гд-2 сделать, 75 гдн-3? подвес всë равно менять!
Можно, но старые отверстия под колпаком надо заклеить, а новые, под меньшим колпаком, - прорезать самому, наклеив на них сеточки (ПАС!) от старых. Ибо, некуда воздуху из-под колпака деться. Правда, я поставил своим 75ГДН-1л колпачок 50 мм, вырезанный из блюдца 140 мм, и ничего не фурчит: площадь колпачка мала по сравнению с дырой воздушного зазора. АЧХ ниже 1 кГц не меняется #1 . Добротность падает с колпачком 50 мм на 5%, резонансная частота - повышается на те же 5%.
 
я хочу под центрирующей в корзине отверстия просверлить! и колпак на 60-70 в дифузоре есть!
 
я хочу под центрирующей в корзине отверстия просверлить!
А что сие даст? Вообще-то под ЦШ магнит, а не корзина, и к выходу воздуха из-под колпака имеет отношение только керн и часть диффузора под колпаком... Ну и воздушный зазор, которого при 60 мм должно хватить, наверное. Я бы вЫрезал 50 мм из старого и всё.
 
там есть место, где можно за сверлить дифлектор!
 
там есть место, где можно за сверлить дифлектор!
Бросьте страдать ерундой и портить классный динамик. Который не сделал вам ничего плохого и сверлить дырку в вас точно не собирается.
К тому же, колпак нормального размера резонирует на 1, 8 кгц, с вежливым подпеванием среднику . Уменьшив его размер, переносите резонанс выше, где начинается вой и крик. А оно вам надо?
 
Бросьте страдать ерундой и портить классный динамик. Который не сделал вам ничего плохого и сверлить дырку в вас точно не собирается.
К тому же, колпак нормального размера резонирует на 1, 8 кгц, с вежливым подпеванием среднику . Уменьшив его размер, переносите резонанс выше, где начинается вой и крик. А оно вам надо?
75ГДН, вне зависимости от диаметра колпака и даже суффикса (-1 или -3) воет примерно на той же частоте 2,5 кГц. Не видели #1 ?
 
Диммонам - вместо сверления рам конструкторы-разработчики применяют отверстия в ЦШ.
 
75 гдн-3 мне больше нравится в звучании, а эта конструкция в природе только вымиратского происхождения!
 
75ГДН, вне зависимости от диаметра колпака и даже суффикса (-1 или -3) воет примерно на той же частоте 2,5 кГц. Не видели #1 ?
Не видел. 1. 8 видел. 2, 5 нет.
Мдя.....
Сейчас добрался до замера 50АС 022, там басовик 75 ГДН-3 резонирует на 2, 5 .
Ищем дальше. У 30 ГД-2 есть бугор на 1, 8.
Нашел АЧХ трешки на базе 75 ГДН-1 , счас покажу. Там точно 1, 8.Розовым на черном заборе.

.....шо за народ. Ему на каждое слово дай справку с печатью, а то не поверят. _hm_
 

Вложения

  • Трехполоска  на  базе 25АС033 и Филипсе  ауди-Фольксваген.JPG
    Трехполоска на базе 25АС033 и Филипсе ауди-Фольксваген.JPG
    141.9 KB · Просмотры: 100
  • Финал   трехполоски Серёжи Павловского.jpg
    Финал трехполоски Серёжи Павловского.jpg
    217.4 KB · Просмотры: 84
Последнее редактирование:
это франковский 30 гд-2, были и такие!
 

Вложения

  • Screenshot_20240304-085620.jpg
    Screenshot_20240304-085620.jpg
    491.6 KB · Просмотры: 80

Статистика форума

Темы
3,307
Сообщения
263,623
Пользователи
2,548
Новый пользователь
Александр Н.
Назад
Сверху Снизу