6П36С, 6П31С в пентоде в один каскад однотакт без ООС - стоит ли?

Попробовал ГУ-19 две половинки параллельно. Анод 240 вольт, экран 150 вольт, катод 87 ом 6.5 вольта. Ток 75 ма, мощность анод - экран 17 ватт. Звучит хорошо на 4а32-2 в фазоинверторе около 80 литров. Без фильтров. Ощущение что высоких многовато хотя и низа и середина тоже есть. Нужно подобрать анодную нагрузку по спектру.
 
Какое выходное сопротивление на отрезке 40..100 Гц?
 
На частоте 50 герц выходное около 14.5 ом. Проверял при подключении нагрузки 6.6 ом. ГУ-17 слабая лампа, не прикалывайтесь Юрий. С гу-19 имел дело в 1975 - 1976 годах. Жил тогда в Северо-Казахстанской области. Грехи молодости... или увлечение. Ачх гу-19.
ачх гу-19 6.6 ом.png
 
Точно прикалываться не буду. С коэффициентом демпфирования в единицу, как в этом случае, широкополосник будет работать отлично и по ВЧ. И по низким частотам вопросы решать куда легче.
Высокие можно подкорректировать цобелем. Чтобы импеданс чуть приблизился к резистивному.
Юзаю в том числе усилители с выходным 35 Ом, 600 Ом.
 
Интересная особенность лампы 13п1с в пентодном включении. Выходное сопротивление усилителя на 50 герц 10 ом а на 1 килогерц 11.3 ома. Проверял с нагрузкой 15 ом и 6.6 ома. Сравнивал напряжения на нагрузке с холостым ходом. Различия в погрешности измерений. С другими пентодами и тетродами на 1 килогерце выходное сопротивление в разы больше.
 
Интересная особенность лампы 13п1с в пентодном включении. Выходное сопротивление усилителя на 50 герц 10 ом а на 1 килогерц 11.3 ома. Проверял с нагрузкой 15 ом и 6.6 ома. Сравнивал напряжения на нагрузке с холостым ходом. Различия в погрешности измерений. С другими пентодами и тетродами на 1 килогерце выходное сопротивление в разы больше.
У этой лампы и в пентоде сравнительно небольшое внутреннее сопротивление.
Хорошо бы увидеть схему этого усилителя.

Лучше измерять выходное сопротивление не от напряжения хх, а методом двух сопротивлений.
Которые выбираются из простого расчета - одно в два раза ниже номинального сопротивления нагрузки, второе в два раза выше. "Вилка" частично перекрывает реальную девиацию импеданса нагрузки.
 
У этой лампы и в пентоде сравнительно небольшое внутреннее сопротивление.
Хорошо бы увидеть схему этого усилителя.

Лучше измерять выходное сопротивление не от напряжения хх, а методом двух сопротивлений.
Которые выбираются из простого расчета - одно в два раза ниже номинального сопротивления нагрузки, второе в два раза выше. "Вилка" частично перекрывает реальную девиацию импеданса нагрузки.
Потратил полдня для сравнения замеров выходного одной и двумя нагрузками. Разница в пределах погрешности измерения. Но иногда две нагрузки просто необходимы , когда усилитель не допускает холостого выхода.
 
Некоторые усилители показывают заметную разницу выходного. Если при однорезисторном замере ставить резистор ниже номинального сопротивления нагрузки, или наоборот, выше.
Так может быть с некоторыми SE.
 
Приехал с экскурсии. Прокатились по Москве, заехали в Новоспасский монастырь. Он пока на реставрации, служба не идет, но пройти посмотреть можно.Огромный собор, редко такие видел. Уже сейчас впечатляет, а когда отреставрируют будет вообще супер. И самое главное - музей-усадьба Шаляпина на Новинском бульваре. Кстати американцы построили своё посольство на земле Шаляпина и наверное ничего ему не заплатили. Хотя после революции его усадьбу конфисковали и вселили туда около 70 человек, так что Шаляпин вынужден был перейти жить в голубятню на втором этаже. Ну а в самой усадьбе образовалась общага со всеми прелестями - народ стал бивать лепнину с потолков, голландское отопление приказало долго жить, заселили чуланы, ванные комнаты, туалеты, в общем мрак полный. Сейчас правда все восстановили, очень интересный музей. Посетил Белый зал. где пел Шаляпин под аккомпанемент Рахманинова, посидел за роялем, на котором Рахманинов играл. Там неплохая акустика. представляю как там звучал бас Шаляпина. Много картин, подлинники. Прослушал песни в его исполнении - класс. Так что мы тут в Москве культурно развиваемся. не сидим на месте. Если будете в Москве рекомендую посетит этот музей, останетесь довольны.
 
Американцы вообще никому ни за что не платят. Они ведь всегда вместо высокой зарплаты, на которые можно покупать дома и хорошие машины, выдают ордена, грамоты почета и переходящие знамена передовиков производства. Что уж тут говорить о бедном Шаляпине?
 
Я ее не слышу, только когда выключаю, тогда октава пост скриптум пародирует издеваельски спектр, где давится тройка двойкой. Это звучит в ГМ. Четко 12 минут нужно, чтобы нутряной критик возбудился . Потому, что слушаю все таки музыку, себя экспертом не считаю вовсе, По 6П3С мы уже ты обнаружили разнсогласия, да и слава Богу, что вкусы не совпадают. Уши у меня неправильные
 
Прям невтерпеж, мечтаю нагрянуть и посетить.
Справа от старого американского посольства. Оно, как понял, сейчас не работает, там разруха и запустение, прямо стыдно за американцев, что довели красивый дом до такого безобразного состояния. Надо его отобрать и прекратить это издевательство над Москвой. что почти в её центре такое безобразно грязное и замусоленное здание с полуразвалившимся тротуаром, ноги можно сломать. Окна хотя бы помыли, скупердяи.............Военный бюджет запредельный, а на посольство, чтобы содержать его хотя бы в более-менее приличном состоянии у них денег нет? Не Африка же, это же Москва...........да еще и рядом с музеем-усадьбой Шаляпина. Позор!!!!!!!!!!!!!!
 
Последнее редактирование:
Вот такие они американцы. Все у них там в америках абсолютно развалившееся и прогнившее. Все ходят по нужде на дырки в земле. Не моются годами, одеваются в рванье. Три слова до кучи связать не могут, тупее курицы. Живут в сплошном каменном веке. Бреются топорами, бьют баб кувалдами. Забыли, как выглядят деньги, обнищали совсем. А в белокаменной, святому населению, вот хотят свои, такие вот порядки насадить.
Так что к позору надо больше восклицательных добавить, не меньше двух строк.
 
А в чем проблема-то? Ближайшие посольства сша с вымытыми сверкающими окнами недалеко - в Киеве и Варшаве.
 
Пусть чатем съездит и туда на экскурсию. Осмотр посольств, интересная тема. Эксклюзивная.
Это ведь совсем недалеко - рукой подать.
 
Последнее редактирование:
А зачем нужен пентод вообще? Нужен активный элемент, не содержащий ООС.
Есть такой?
Есть и не пентоды. Триод с большой крутизной, в том числе каменный триод.
Можно найти приборы с промежуточной характеристикой между пентодами и триодами.
Да полно всего народ понаизобретал и делает.
 
Можно найти приборы с промежуточной характеристикой между пентодами и триодами.
В том вопрос и был. Плавное управление через С2 величиной ООС возможно? Это тема запрещена? Почему нигде не видно промежуточных значений напряжений на Экранной сетке? Признаюсь, меня это глубоко поразило.
 
Последнее редактирование:
Вот я начинающий пентод, задал здесь вопрос уважаемым специалистам и ответа так и не получил. Но не теряю надежды.Теперь вы видите, как трудно избавиться от иронии. Однако я спрашивал всерьез.
Может, вопрос не той системы или вектор не в ту сторону.
Ответ был, четкий и простой, от Резвого, если мы насчет напряжения на второй сетке. Но видимо. ответ такой не интересен, нам бы поговорить за вообще.
 
В том вопрос и был. Плавное управление через С2 величиной ООС возможно? Это тема запрещена? Почему нигде не видно промежуточных значений напряжений на Экранной сетке? Признаюсь, меня это глубоко поразило.
Ну может потому, что мало кому интересно применение пентодов для звука? Поэтому возможно в даташитах дается только более-менее оптимальный режим его работы в других применениях, не звуковых? Специально сделанных звуковых пентодов( как это имеет место для триодов) вроде бы не замечено? Или замечено? 6L6. 6V6 вроде бы только. Да и то под вопросом.
 
Может, вопрос не той системы или вектор не в ту сторону.
Ответ был, четкий и простой, от Резвого, если мы насчет напряжения на второй сетке. Но видимо. ответ такой не интересен, нам бы поговорить за вообще.
Да, согласен, ответ был дан. Напряжение на второй сетке в первую очередь влияет на раскрыв характеристик( ВАХ) лампы. На выбор рабочей точки при разной входной чувствительности каскада. Ну и так далее на все остальное. Ну а ООС - это из другой оперы кмк. Возможно вы путаете УЛ включение через отвод с первички выходного транса на вторую сетку и разное напряжение на аноде и второй сетке. В первом случае напряжения практически одинаковы, за исключением разницы в его падении на сопротивлении первички. во втором эта разница может быть любой, как в плюс, так и в минус. Правда когда на второй сетке больше, чем на аноде, то есть опасность ее отгорания, так как ток в ней должен быть значительно меньше, чем в аноде и она не должна брать на себя функцию анода. Если правильно понимаю.
Хотя некоторые лампы с мощной второй сеткой рассчитаны на большой ток в ней и можно снимать сигнал по второй сетке, а не с анода, вроде бы есть такая практика, но редкая.
 
Последнее редактирование:
4 ответа Резвого мимо тщательно сформулированного вопроса, отражали только эмоции. Как и ваши замечания. Я уже не знаю, как выдоить из настоящих пентодников опыт. Может и правда, что форум не место для передаии знаний?
Тогда остается обычняй набор целей
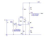
Вот свежайший пример однопентодного "ушного" усилителя.
Схема, спектр.


Схема и карта напр.pngТест 2 гарм.png
 

Статистика форума

Темы
3,196
Сообщения
248,065
Пользователи
2,455
Новый пользователь
Станислав В..
Назад
Сверху Снизу