АБ4 - двухтактник на латералах с лампой

  • Автор темы Автор темы LDS
  • Дата начала Дата начала
МЭЛЗ-овские 6н8с хороши, у меня 53-го года NOS
Разницы с 1578 не заметил
Звук певучий, однотонный
Черный цоколь гораздо хуже-звучат как будто с микродребезгом, не цельно
 
Для адекватного сравнения ламповому каскаду нужно высокое анодное. 450+ Вольт, тогда и "шестерки" раскрываются и "восмерки" и "двойки" и даже прямонакалы. С анодным 100 - 200 выбор ламп крайне невелик.
 
Для адекватного сравнения ламповому каскаду нужно высокое анодное. 450+ Вольт, тогда и "шестерки" раскрываются и "восмерки" и "двойки" и даже прямонакалы. С анодным 100 - 200 выбор ламп крайне невелик.
E55L
 
Для адекватного сравнения ламповому каскаду нужно высокое анодное. 450+ Вольт, тогда и "шестерки" раскрываются и "восмерки" и "двойки" и даже прямонакалы. С анодным 100 - 200 выбор ламп крайне невелик.
с резистором в аноде, разумеется.
 
Трансы для богатых)))
 
Но с резисторами проще, не надо ИП кромсать каждый раз.
 
В однотактном включении 6Н30П, по крайней мере из тех, что у меня были, показали более низкую 2-ю гармонику, чем у 6Н6П. В диффкаскаде - наоборот, 3-я у них выше, поэтому мы применяем 6Н6П. Вывод очевиден.
 
А импорту 100 вольт анод-катод норм.Он берёт и "раскрывается".Питание 320в.В сравниваемой рядом стоящей 300б питание 400..450в.Там та же самая лампочка.
Для адекватного сравнения ламповому каскаду нужно высокое анодное. 450+ Вольт, тогда и "шестерки" раскрываются и "восмерки" и "двойки" и даже прямонакалы. С анодным 100 - 200 выбор ламп крайне невелик.
 
Даёшь ИТ в анод!!!
 
Про "импорт" не надо. Законы физики везде одинаковые. Хотим меньше искажений - увеличиваем анодное.
 
В однотактном включении 6Н30П, по крайней мере из тех, что у меня были, показали более низкую 2-ю гармонику, чем у 6Н6П. В диффкаскаде - наоборот, 3-я у них выше, поэтому мы применяем 6Н6П. Вывод очевиден.
Меня все схемы с 6Н30п и усилением не радуют и звук тоскливый.Было, привозили корректор с выходом на 6Н30П, просили перепахать на другую, подправить звук и усиление. Не нравилось.

А импорту 100 вольт анод-катод норм.Он берёт и "раскрывается".Питание 320в.В сравниваемой рядом стоящей 300б питание 400..450в.Там та же самая лампочка.
Аккурат в эти минуты выключил измерилу, настроил драйверок под выход Лианы Тринити, промудохался с вариантами и спарки на 6SL7 и СРПП на ней же.
Все лажа в разной степени кривости.
зато спараллеленный баллон 6SL7GT с 51ком в аноде. током 2 ма, примерно 750 Ом в катоде и анодным 160в (питание 260) выдал на нагрузке 100кил неискаженных 60, усилением 40, полосой от 30 кил до 80-100 кил в зависимости от положения крутилки громкости(50ком Альпс) . Светодиод на 1, 6 Вольта не позволял отсимметрировать сигнал, лампу чуть подзапирало, а ток убавлять не хотелось. Резистором в катоде накрутил, супер получилось.
Короче, как ни брыкался, а схему Лиано тринити придется повторить в точности. За исключением нормальной лампы вместо поганки 12 АХ7.
Осталось притулить туда импортную 6N7 , Никита Трошкин всегда ее советует. А я упираюсь, не знаю. зачем.
 
Один из вариантов выходного моста гибридного усилителя может быть таким:
это силовой выходной мост с работой класса А, но с положительной обратной связью на входе, реализованной через конденсаторы C6 и C7, что обеспечивает относительно высокий входной импеданс около 7,5 кОм, что снова позволяет относительно легко возбуждать схему с помощью подходящего источника питания. лампа с низким выходным сопротивлением, если вы внимательно посмотрите на эту выходную цепь, вы увидите, что входное сопротивление переменного тока относительно велико (7K5), но именно поэтому полное сопротивление постоянного тока схемы регулировки тока покоя относительно низкое, что имеет свои особенности. преимущества, когда речь идет о стабильности тока покоя выходных МОC-FET-транзисторов.
Приветствую всех присутствующих!
 

Вложения

  • Choctaw_14 OPA1655.jpg
    Choctaw_14 OPA1655.jpg
    266.1 KB · Просмотры: 179
Один из вариантов выходного моста гибридного усилителя может быть таким:
это силовой выходной мост с работой класса А, но с положительной обратной связью на входе, реализованной через конденсаторы C6 и C7, что обеспечивает относительно высокий входной импеданс около 7,5 кОм, что снова позволяет относительно легко возбуждать схему с помощью подходящего источника питания. лампа с низким выходным сопротивлением, если вы внимательно посмотрите на эту выходную цепь, вы увидите, что входное сопротивление переменного тока относительно велико (7K5), но именно поэтому полное сопротивление постоянного тока схемы регулировки тока покоя относительно низкое, что имеет свои особенности. преимущества, когда речь идет о стабильности тока покоя выходных МОC-FET-транзисторов.
Приветствую всех присутствующих!
Такое решение вижу впервые,вероятно, все что о нем рассказано, это правда.
Сам отказался от такого смещения по причине пролезания пульсаций по питанию на выход усилителя. (Выход был выведен из общей ООС ) Сейчас прекрасно работает вариант , удобный со всех точек зрения.

Добавлю, что замена пары резисторов смещения R9 R13 на один переменный резистор на 1,2 ком позволит выровнять разницу в пороге открывания затворов у неподобранной пары, улучшить симметрию выходного сигнала и получить ноль на выходе.
Можно сделать это на этапе настройки, потом заменить на постоянные резисторы.
 

Вложения

  • Llano_trinity_100_schem_1of4.jpg
    Llano_trinity_100_schem_1of4.jpg
    120.7 KB · Просмотры: 195

Вложения

  • Llano-trinity-100.png
    Llano-trinity-100.png
    149 KB · Просмотры: 221
Последнее редактирование:
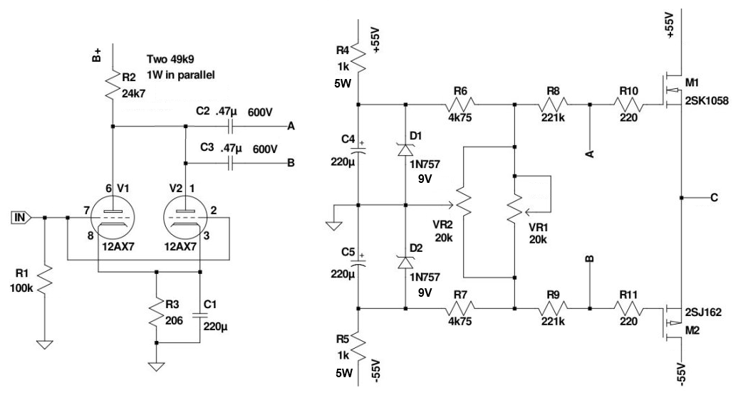
Вы прав, это я попутал с 4757, поправил схэмэ.. но тогда на R4 R5 высаживается более 2х ватт на каждом.. кашмар.

Вторая схема приведена в плане схемы подачи сигнала с драйвера и схемы регулировок, а не в плане 1,5А покоя на 16В питания.
 
Вторая сетка пентода выклюет плеш.
Ой ма....ещё и ввиде оос(я надеюсь это ошибка и зацеп имелся ввиду на среднюю точку банок?!)
Решение когда звук выйдет в лотерею
 
Вторая сетка пентода выклюет плеш.
Ой ма....ещё и ввиде оос.
Решение когда звук выйдет в лотерею
ООС по экрансетке нечто ущербное, вроде ультралинейного включения. Если перевести лампу в триодное включение, убрав оос, получим лучший результат

Вы прав, это я попутал с 4757, поправил схэмэ.. но тогда на R4 R5 высаживается более 2х ватт на каждом.. кашмар.

Вторая схема приведена в плане схемы подачи сигнала с драйвера и схемы регулировок, а не в плане 1,5А покоя на 16В питания.
Это так, дурная мощность, высаженная на балластных резисторах, смысла мало, у меня ток 12 ма, стабилитроны обычные железки КС168, по 7 вольт, регулировку подогнал, чтобы не открыть сдуру выходные полевики напрочь. Там 250 ма максимум
 
Кто так схемы рисует, надо по рукам бить линейкой! поудобоваримее:

Посмотреть вложение 109500
Вот что нашлось в архивах:
Посмотреть вложение 109501
Страшная схема (которая №2), с вакуумной пустотой, и ещё на входе! Индуктор вверху надо сразу же заменить на электронный дроссель на полевом трансформаторе. Абсолютный ноль (напряжения) на выходе никем не отслеживается -- придётся ставить два электролита не хилой ёмкости для спасения АС. Хоть восьми микрофарадную "обратную связь" догадались пристроить с выхода на среднюю сетку. А ток покоя УНЧ на уровне микросварочных токов гуляет. Не потерплю!!! --- распечатаю и сразу порву эту схему н@хрен!​
 
Индуктор вверху надо сразу же заменить на электронный дроссель на полевом трансформаторе. . . . Не потерплю!!! --- распечатаю и сразу порву эту схему н@хрен!
Я ещё в посте N139 предлагал Бильяму нашему Шейкспиру применить 1N100D вместо анодных резисторов - тогда и в катод ни светодиод ни капацитор будет не нужен. Кстати, поддерживаю 6N7,у меня с ней результату самые благозвучные.

Аффтар сего похоже наш соотечественник, но с очень неплохим английским, практически как нэйтив, только лишь по некоторым речевым оборотам можно предположить что таки наш.
У него в инете есть свой "тупичок" где схэмов всевозможнейших вариаций, с абсолютно нуднейшими деталями куда и как бегут электроны (читаешь прям как родное Радиво 70-х 80-х).. Сеньёро, вы рискуете перервать всю бумажную продукцию в доме, включая памперсы и женины гигиенические средства :)
 
Анодные резисторы против источников тока имеют свои плюсы, не говоря уже про сверхнадежность резючка.
Индуктивность в аноде кроме прочих ништяков позволяет с низким анодным получить на выходе двойной куш по максимальному неискаженному .
 
Одна из возможностей максимально линеаризировать и в то же время максимально повысить выходное звуковое напряжение триода возбуждения – это подвести положительную реакцию с выхода усилителя к анодной цепи триода, это реализуется с помощью электролитический конденсатор Cb, при этом простым способом достигается эффект, как если бы в цепь анодного триода вставлена активная цепь постоянного тока (CCS).
Внимание! схема силового выходного моста намеренно упрощена, поскольку не показана пассивная схема регулировки тока покоя.
 

Вложения

  • Hibrid.jpg
    Hibrid.jpg
    364.3 KB · Просмотры: 205
Одна из возможностей максимально линеаризировать и в то же время максимально повысить выходное звуковое напряжение триода возбуждения – это подвести положительную реакцию с выхода усилителя к анодной цепи триода, это реализуется с помощью электролитический конденсатор Cb, при этом простым способом достигается эффект, как если бы в цепь анодного триода вставлена активная цепь постоянного тока (CCS).
Внимание! схема силового выходного моста намеренно упрощена, поскольку не показана пассивная схема регулировки тока покоя.
Поклон вам за идею! Прекрасная мысль. Буду запускать уже готовую схему- опробую и вам расскажу, что получилось. Хотя, сама лампа выдает сигнал с тройным запасом по амплитуде, необходимой для выходного каскада.
 
Если тройной запас, я бы 6С3П поставил, она ппочестнее будет, менее жирная и ток у нее побольше со всеми плюшками.

Если тройной запас, я бы 6С3П поставил, она ппочестнее будет, менее жирная и ток у нее побольше со всеми плюшками.
 
Если тройной запас, я бы 6С3П поставил, она ппочестнее будет, менее жирная и ток у нее побольше со всеми плюшками.
Читаете мысли. Но у 6SL7 бас может оказаться плотнее.
Я нарочно ничего не порушил на основной плате. октальные на отдельной планке распаяны.
 
Тут угадать сложно, главное баланс в звуке получить. Вкусовщина)))
 
Я ещё в посте N139 предлагал Бильяму нашему Шейкспиру применить 1N100D вместо анодных резисторов - тогда и в катод ни светодиод ни капацитор будет не нужен. Кстати, поддерживаю 6N7,у меня с ней результату самые благозвучные.

Аффтар сего похоже наш соотечественник, но с очень неплохим английским, практически как нэйтив, только лишь по некоторым речевым оборотам можно предположить что таки наш.
У него в инете есть свой "тупичок" где схэмов всевозможнейших вариаций, с абсолютно нуднейшими деталями куда и как бегут электроны (читаешь прям как родное Радиво 70-х 80-х).. Сеньёро, вы рискуете перервать всю бумажную продукцию в доме, включая памперсы и женины гигиенические средства :)
Слаб я в лампадах электронных -- последнюю вертел в руках в лихом 1990-м году. Я бы на входе поставил дифференцирующий каскад на лампах, далее полевик (какой удобнее или опять лампаду с вакуумом) и усё -- а далее любимые мощные полевики. И про ООС не забыть вспомнить​
 

Статистика форума

Темы
3,295
Сообщения
261,964
Пользователи
2,545
Новый пользователь
vlad'mir
Назад
Сверху Снизу