Акустика на динах Visaton

  • Автор темы Автор темы 33tooth
  • Дата начала Дата начала
Вопрос поставлен Вами ребром! Применять надо такие конденсаторы, у которых отношение I акт/I реакт минимально. Я лично и жёлтыми плëночными не брезгую
Личная встроенная индуктивность конденсатора тоже важна. Она задает резонанс, выше которого конденсатор становится индуктивностью.
 
Нашел контору, есть Визатон МКР
а есть Визатон МКТ, фольговый но он почему то дешевле чем МКР smile_15
может МКТ заказать?
 
Нашел контору, есть Визатон МКР
а есть Визатон МКТ, фольговый но он почему то дешевле чем МКР smile_15
может МКТ заказать?
МКТ достойный вариант. Хотя лавсан. У лавсана минус- с частотой резко падает пробивное и растут потери. Пропилен в этом плане без проблем.
 
а это че за звери, 2 штука за 222 р. smile_15, или опять тема про забор _hm_ ?
1753079916851.png
 
а это че за звери, 2 штука за 222 р. smile_15, или опять тема про забор _hm_ ?
Посмотреть вложение 143830
Когда-то это были конденсаторы фирмы Solen, фольга+полипропилен, супер суперский по конской цене в салоне Гирос. Что они сегодня из себя представляют- фигзна. За такую цену их проще купить и размотать, что там вутри. У Солена -точно фольга.
 
На пробу пару хапните, потом измерите – цена (п@лëной) бутылки родимой.
Сеньор Распони, палёнкой и прочими не интересуюсь, свой продукт
Когда-то это были конденсаторы фирмы Solen, фольга+полипропилен, супер суперский по конской цене в салоне Гирос. Что они сегодня из себя представляют- фигзна. За такую цену их проще купить и размотать, что там вутри. У Солена -точно фольга.
Это логотип на кондере значит Solen?
Мдя, у китайцев этот называется Аудиофилер
1753090443741.png

Полазил по инету, пишут что если и оригинальные то плёнка, фольги нет, но ценник конский :oops:
так что распиливать конд смысла нет
https://aliexpress.ru/item/10050026...a&utm_source=admitad&sku_id=12000021905853978
 
Последнее редактирование:

 
Прикинул мощности АС и резисторов.
Для начала посмотрим, какая максимальная мощность допустима для АС в целом. Если взять за правду заявленные рейтинговые (примерно соответствуют паспортным) мощности НЧ, СЧ и ВЧ динамиков, равные 100, 40 и 50 Вт, да поделить их на 2 (чтобы получить примерно номинальные), то заимеем 50, 20 и 25 Вт соответственно. Дальше попросил Мультисим выдать мне синусоидальные мощности на динамиках относительно мощности на резисторе 8 Ом, подключенном к зажимам АС. Получил следующее:
sinus 1.PNG

Таким образом, приняв номинальное сопротивление АС 8 Ом, можно подавать:
50/0,93=54 Вт на НЧ;
20/0,32=63 Вт на СЧ;
25/1,44=17 Вт на ВЧ.
Итак, синусоидальная неискажённая мощность, подводимая к АС в диапазоне 100...20000, составляет всего 17 Вт!
*****
К счастью музыка - не синусоида))) При частотах раздела 700 и 4к и современной плотности распределения мощности по звуковому диапазону, на НЧ придётся приблизительно 50% общей музыкальной мощности, на СЧ - 30% и на ВЧ -20%. Тогда получаем следующие приблизительные неискажённые мощности для музыкального сигнала, рассчитанные для нагрузки 8 Ом:
54/0,5=108 Вт - с точки зрения НЧ;
63/0,3=210 Вт (!) - с точки зрения СЧ;
17/0,2=85 Вт - с точки зрения ВЧ.
Итого, музыкальная мощность АС принимается как 85 Вт. Но для расчёта резисторов её можно считать и равной 100 Вт, или 28 Вольт/8 Ом.
(Однако, при проверке синусоидой (например, при измерении КНИ) подводимое напряжение не должно превышать 11 Вольт!)
*****
Если подавать на АС 100 Вт синусоиды (нереально дурнейший вариант), то тогда на резисторах выделится следующая мощность:
sinus 2.PNG

Поскольку никто в здравом уме не будет греть колонку 100-ваттной синусоидой, то, взирая на зависимости мощностей от частоты, все мощности очень спокойно делим как минимум на 2 и получаем следующие номинальные мощности резисторов:
10 Ом - 5 Вт;
3,3 Ома - 0,5 Вт )))
5,3 Ома - 10 Вт (!);
1,5 Ома - 2 Вт;
2,5 Ома - 5 Вт.
 
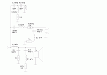
Финальная схема кроссовера _paty_
Николаю при жизни памятник надо поставить!!! _da
Сам бы я ни в жисть этого не сделал!:(
krossover-as-vizaton-1-gif.143924
 

Вложения

  • Кроссовер АС Визатон 1.GIF
    Кроссовер АС Визатон 1.GIF
    19.3 KB · Просмотры: 279
Финальная схема кроссовера
Подтверждаю, за исключением отслушивания пары АС в реальных условиях.
Будет ПОСЛЕ обработки комнаты. Пока что показывать некоторые весчи* с расстояния 4,5 м аудиосовесть не позволяет.
Николаю при жизни памятник надо поставить
Отрицаю.
 
Последнее редактирование:
есть смысл использовать в кроссовере эти резисторы
Хоть с опозданием, но всё-же:
с барахолки моток проволоки из фехра́ль (кантал)/константан/нихром ∅0.3-0.4-0.5мм – и вот-те разноΩмных резюков на многие поделия.
 
Последнее редактирование:
Хоть с опозданием, но всё-же:
с барахолки моток проволоки из фехра́ль (кантал)/константан/нихром ∅0.3-0.4-0.5мм – и вот-те разноΩмных резюков на многие поделия.
прикинул фехраль: Диаметр - d=0,30 мм, Сопротивление - Ω=19,7 Ом/метр
на 10 ом полметра на что мотать?
 
на 10 ом полметра на что мотать?
Та хоть на карандаш;)

Мотахаю на толстый болт/шпильку по резьбе, газ.горелкой прогреваю-прокаливаю, дабы оксидная плёночка образовалась. Концы в воду обжимаю в медь-латунь трубочке (бо есть такая).
 
Та хоть на карандаш;)

Мотахаю на толстый болт/шпильку по резьбе, газ.горелкой прогреваю-прокаливаю, дабы оксидная плёночка образовалась. Концы в воду обжимаю в медь-латунь трубочке (бо есть такая).
Т.е. с пайкой проблемы?
 
Финальная схема кроссовера _paty_
Николаю при жизни памятник надо поставить!!! _da
Сам бы я ни в жисть этого не сделал!:(
krossover-as-vizaton-1-gif.143924
Вы пожалуйста пока хотя бы схему фильтров обмойте слегка! Чтобы закрепить удачу. Схему распечатать, потом из пульверизатора добрым напитком оросить. Ну и закусить тоже надо
 
Т.е. с пайкой проблемы?
Не, нема проблем. Какая-то давнишняя к-та, шо даже и не упомню какая.
А прессую в трубочку, бо моя х*ров перфекционист smile_10
Знімок екрана 2025-07-21 о 21.33.15.png

С кабельными наконечниками не нарвитесь на кетацкую подъё* из железия.
Хороший тон в винтозажимные клеммы, бо многожильный лужоный провод-кончик под винтом со временем ослабевает и добавляет ненужных Ωмов на переходе.
Вот такая хрень разных размеров тоже ОК
Знімок екрана 2025-07-21 о 21.42.52.png

Чпок пополам, ежели нужно.
 
Последнее редактирование:
Не, нема проблем. Какая-то давнишняя к-та, шо даже и не упомню какая.
А прессую в трубочку, бо моя х*ров перфекционист smile_10
Посмотреть вложение 143949
С кабельными наконечниками не нарвитесь на кетацкую подъё* из железия.
Хороший тон в винтозажимные клеммы, бо многожильный лужоный провод-кончик под винтом со временем ослабевает и добавляет ненужных Ωмов на переходе.
Вот такая хрень разных размеров тоже ОК
Посмотреть вложение 143951
Чпок пополам, ежели нужно.
Т. е. самопальный резистор получается бескорпусным, этакая пружинка с наконечниками?
 
с барахолки моток проволоки из фехра́ль (кантал)/константан/нихром ∅0.3-0.4-0.5мм – и вот-те разноΩмных резюков на многие поделия.
На те же МЛТ - II W начиная от 100 ом намотал и будьте здоровы. Разбегом в пару десятых ома можно и принебречь.
------------------------------------------
И к извечному вопросу об индуктивности такого сопротивления...
Индуктивность там точно наблюдаться не будет.

Т. е. самопальный резистор получается бескорпусным, этакая пружинка с наконечниками?
Такие очень часто использовались в звукотехнике. Раньше. Не знаю как сейчас. В акустику конечно лучше на корпус.
 
На те же МЛТ - II W начиная от 100 ом намотал и будьте здоровы. Разбегом в пару десятых ома можно и принебречь.
------------------------------------------
И к извечному вопросу об индуктивности такого сопротивления...
Индуктивность там точно наблюдаться не будет.
Осталось определиться с диаметром, чем толще тем длиннее получается кусок февраля/нихрома и наоборот. Толще 0,2-0,3 использовать получается неудобно ввиду длины данного куска, такой диаметр сдюжит в фильтре?
 
имхо лучше 0,3....0,4мм

константан однозначно
 
Не, нема проблем. Какая-то давнишняя к-та, шо даже и не упомню какая.
А прессую в трубочку, бо моя х*ров перфекционист smile_10
Посмотреть вложение 143949
С кабельными наконечниками не нарвитесь на кетацкую подъё* из железия.
Хороший тон в винтозажимные клеммы, бо многожильный лужоный провод-кончик под винтом со временем ослабевает и добавляет ненужных Ωмов на переходе.
Вот такая хрень разных размеров тоже ОК
Посмотреть вложение 143951
Чпок пополам, ежели нужно.
Интересно, а пружинные W@g0 зайдут для такого резистора? Правда, если окислы есть, то труба звуку.
 
Такие очень часто использовались в звукотехнике. Раньше. Не знаю как сейчас. В акустику конечно лучше на корпус.
В усилителе Родина такой стоял.

Только Duelund CAST Graphite/Silver с отрицательным температурным коэффициентом спасёт истинного аудиофила 80_го уровня и выше.

IMG_1294.jpegIMG_1293.jpeg

На крайний случай:
IMG_1291.jpeg
 
Последнее редактирование:
Сейчас стоимость МЛТшек такая что.... :oops:
Еще и поискать надо, плюс доставка, так шта...
МЛТ стоит 40-50 руб. на озоне, а то и дешевле с доставкой.

Duelund стоит косарей 5 за шт.
 
Почему?

Сейчас стоимость МЛТшек такая что.... :oops:
Еще и поискать надо, плюс доставка, так шта...
ищите МТшки или их клоны С2-33нн темно -зеленые меньшего размера.
 
Последнее редактирование:
На 1, 5 Ома есть, на 2, 5 Ома нет такого номинала. Есть 2, 4, 2, 7, 3, 0.
Нужно 2, 5- параллельте 5, 1 Ома или 4 по 10 Ом. Или 3+2, кино такое.
 

Статистика форума

Темы
3,341
Сообщения
268,173
Пользователи
2,571
Новый пользователь
Игорь 875
Назад
Сверху Снизу