Акустика на динах Visaton

  • Автор темы Автор темы 33tooth
  • Дата начала Дата начала
НЧ катуха мотана 1,5 мм проводом на таком каркасе, намотано было на 5 мГн, сматывать не стал, убавил пластины, получилось 3,1 мГн
Вариант меньше провода - больше железа немного лучше по искажениям и демпфированию НЧ динамика.
 
Вариант меньше провода - больше железа немного лучше по искажениям и демпфированию НЧ динамика.
Тоды мона и отмотать _hm_, тут для скорости и простоты уменьшил индуктивность таким образом, поскольку был обкаточный вариант, оперативно можно было прибавить/ убавить индуктивность
 
Не спешите отматывать. Мы не попробовали последовательный фильтр на нижний раздел _hm_
 
Не спешите отматывать. Мы не попробовали последовательный фильтр на нижний раздел _hm_
ну, я это сказал на тот случай когда будет готово все к "госприемке" _hm_ smile_13
ПС плохо что не удалось применить в фильтре кондеры Визатон 3,3 мкф, а то парочка осталась не удел, по качеству они не на последнем месте
 
Последнее редактирование:
а по МЛТ вопросов не было
Без всяких раздумий применил бы. Ну и уж коли они сидят в печонках как непотребные для звука - после приобретения удифильских элементов произвёл бы замену.
Керамика с залитыми у них внутри нихромовыми спиралями - катит.
 
Доброго дня всем!
Повторюсь, есть смысл использовать в кроссовере эти резисторы:
orig
 
Доброго дня всем!
Повторюсь, есть смысл использовать в кроссовере эти резисторы:
orig
Эти резисторы под большую мощность , дорогие очень, и у многих есть уши под винты, крепить на радиатор. Нет в ваших колонках таких мощностей, под такие резюки, не дергайтесь почем зря. Наши резисторы звать с5-47
 
резисторы ПЭВР то что надо,сопротивление можно менять
 
резисторы ПЭВР то что надо,сопротивление можно менять
Их бесплатно раздают где-то?
200 р стоит. 10%.
В то же время
IMG_1270.jpegIMG_1271.jpeg
К тому же механический контакт в ПЭВР не удифильское решение однозначно.
 
Как-то тихо.....
ПЭВ, ПЭВР! Где удифилы? Где митинги против индуктивности данных сопротивлений? Где споры о металле той самой проволоки? Чем МЛТ в наборе не комильфо?
И к слову. На каком-то из форумов, очень умный дядечка, заявил в подобном споре, что и у конденсаторов МБГО 30,0х160в, тоже конская индуктивность. Заявка была бездоказательной. Как и всегда...
 
Как-то тихо.....
ПЭВ, ПЭВР! Где удифилы? Где митинги против индуктивности данных сопротивлений? Где споры о металле той самой проволоки? Чем МЛТ в наборе не комильфо?
И к слову. На каком-то из форумов, очень умный дядечка, заявил в подобном споре, что и у конденсаторов МБГО 30,0х160в, тоже конская индуктивность. Заявка была бездоказательной. Как и всегда...
Таки вроде никто не предлагает покупать Duelund CAST Graphite/Silver по 6 косарей за шт.
И зачем покупать набор МЛТ, если можно недорага купить мундорф или жантзен какой.
 
Добавлю, что в ПЭВах контакт обрывается не только на бегунке, а и на лепестках тоже.
Если нужна надежность, ищите не это стеклянное убожество, а 35-35 , военку.
А ежели денег не жалко, то есть ТВО разной мощности. Эти спалить таланта не хватит.
Их бесплатно раздают где-то?
200 р стоит. 10%.
В то же время
Посмотреть вложение 142717Посмотреть вложение 142718
К тому же механический контакт в ПЭВР не удифильское решение однозначно.

Как-то тихо.....
ПЭВ, ПЭВР! Где удифилы? Где митинги против индуктивности данных сопротивлений? Где споры о металле той самой проволоки? Чем МЛТ в наборе не комильфо?
И к слову. На каком-то из форумов, очень умный дядечка, заявил в подобном споре, что и у конденсаторов МБГО 30,0х160в, тоже конская индуктивность. Заявка была бездоказательной. Как и всегда...
Как проявит себя индуктивность в пару микрогенри, шунтированная десятком Ом. Заявить такую проблему - нужно быть в первую голову чокнутым удифилом, а в 35-ю голову что-то соображающим метрологом . Все косяки этих ПЭВов и ПЭВРов ни разу не в их индуктивности, а в говенном качестве самих резюков.
 
Как проявит себя индуктивность в пару микрогенри, шунтированная десятком Ом.
И её ещё там нужно отыскать! Однако такие заявки делают как и о том,
что и у конденсаторов МБГО 30,0х160в, тоже конская индуктивность.
 
Однако такие заявки делают как и о том,
Нет проще увидеть индуктивность конденсатора. Не поверите, как все просто. Дайте с генератора через килоом сигнал с низких частот до высоких. И найдете частоту собственного резонанса, выше которой конденсатор превратится в индуктивность. Пройдя через яму наименьшего сопротивления, так наз собственный резонанс конденсатора. Справочник Терещуков для радиолюбителей, за 60-е годы, детский сад, ясельная группа.
И есть конденсаторы, у которых НЕТ индуктивности. Звать их мультикапы, цена точно не сравнима с МБГО. Зато есть уверенность, что не подкачают.
 
Нет проще увидеть индуктивность конденсатора. Не поверите, как все просто. Дайте с генератора через килоом сигнал с низких частот до высоких. И найдете частоту собственного резонанса, выше которой конденсатор превратится в индуктивность. Пройдя через яму наименьшего сопротивления, так наз собственный резонанс конденсатора. Справочник Терещуков для радиолюбителей, за 60-е годы, детский сад, ясельная группа.
Вооооот!!!
А тот "умненткий дяденька" просил мзду (тупая отмазка) за рассказ об этой индуктивности. Потому, что слышал звон, а где он.... Иногда лучше промолчать, но не всем дано.
 
Электролиты так тоже проверяются, но в силу размазанного резонанса от вялый и пологий. и все равно он есть и можно посмотреть, до каких частот кондер еще кондер. Таскал конденсаторы с базара к прибору , меряет на многих частотах. И оказалось, что все продажные базарные электролиты до 100Гц еще кондеры, а выше как повезет.
 
Я на озоне накупил резисторов. Всё согласовываю визатоновские W 130S-8 и G 20SC8. Разница в давление 1 дб. То просто резистор, то L-pad сделаю.
 
Эти резисторы под большую мощность , дорогие очень, и у многих есть уши под винты, крепить на радиатор. Нет в ваших колонках таких мощностей, под такие резюки, не дергайтесь почем зря. Наши резисторы звать с5-47
Смотрите, эти резики 5 вт, ассортимент номиналов позволяет заказать с точностью от 0,1 ома, по стоимости - 4 резистора ок 300 р. с доставкой, учитывая это я думаю не плохой вариант.
К примеру, МЛТ-2 для такой точности надо подбирать/параллелить и пр. и купить их сейчас в ассортименте проблематично! Даже если удастся найти нужные номиналы, а по одному чаще всего не продаются да плюс доставка то цена выходит просто бешеная!
С5-35 таже проблема, да и коммутировать и крепить их не очень то удобно, а когда есть выводы гибкие гораздо проще и не надо возиться с креплением к плате/фанерке/основанию.
Что касается мундорф или жантзен то ассортимент их номиналов тоже ограничен ( глянул в Аудиомании, на которую давали ссылку)
ПС я не утверждаю что это самый оптимальный вариант, просто привел факты/нюансы
 
Последнее редактирование:
А что скажет народ по поводу басовых ловушек, стоит заморачиваться? Комната очень звонкая! :(
 
Ковровую дорожку на пол, шторы на окна, книжную полку на одну стену, вешалку на другую , диван напротив колонок. Глядишь и полегчало.
 
Ковровую дорожку на пол, шторы на окна, книжную полку на одну стену, вешалку на другую , диван напротив колонок. Глядишь и полегчало.
Дорожки не будет, книжная полка тоже отсутствует, диван напротив АС имеется, шторы.
По сему и задумался "меблировать" ловушками!
Это такой особый, басовый звон
Именно
 
Внесу уточнение. АС и слушатель - под противоположными короткими стенами почти пустой комнаты на расстоянии 4,5 метра. Беруши точно помогут!
*****
Апдейт 16/07.
Последняя версия имеет следующий вид с 1 метра, все окна 80 мс:
1752680588469.png

ФВЧ - третий порядок. (АЧХ на мидбасе и нижних СЧ гульнула относительно предыдущих по той причине, что микрофон расположился несколько ниже, чем раньше = запрограммирован наклон передней панели назад.)
 
Последнее редактирование:
Сегодняшний вариант имеет вид с 1 метра по оси на 5 см ниже оси СЧ динамика, все временнЫе окна 80 мс:
18_1 a.PNG

Нижний стык с 50 см посередине между динамиками, 80 мс окна:
50 cm.PNG
Верхний стык с 1 метра, окно 2,7 мс:
18_1 c.PNG
Кроссовер АС Визатон 18_07.png
Симулированные АЧХ полос по напряжению. Не всё так просто...
afc.PNG
Симулированный входной импеданс:
imp.PNG
Значения частот разделов упорно не хотели понижаться ))) Также совершенно не сложилось с ВВС смайлом. Сел и плАчу _hm_ Теперь Александр будет отслушивать
smile_18
Промежуточный финиш...
*****
Оказалось, в основном объёме практически не было ЗПМ!
 
Последнее редактирование:
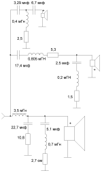
Камрады, гуру Николай сверстал мне фильтр, возник вопрос по конденсаторам.
На НЧ, СЧ впендюрю МБГО, их есть не мало. На ВЧ есть один Визатон МКР 3,3 мкф, но фильтр 3-го порядка требует ишо одного кондера на 6,8 мкф.
Визатон сейчас найти проблематично и дорого. Думаю что можно применить, Аудиофилер, KZK наши рекомендуют как весьма качественные, ишо какие?
 
Камрады, гуру Николай сверстал мне фильтр, возник вопрос по конденсаторам.
На НЧ, СЧ впендюрю МБГО, их есть не мало. На ВЧ есть один Визатон МКР 3,3 мкф, но фильтр 3-го порядка требует ишо одного кондера на 6,8 мкф.
Визатон сейчас найти проблематично и дорого. Думаю что можно применить, Аудиофилер, KZK наши рекомендуют как весьма качественные, ишо какие?
Вопрос поставлен Вами ребром! Применять надо такие конденсаторы, у которых отношение I акт/I реакт минимально. Я лично и жёлтыми плëночными не брезгую
 

Статистика форума

Темы
3,341
Сообщения
268,173
Пользователи
2,571
Новый пользователь
Игорь 875
Назад
Сверху Снизу