М.Васильев
1 ранг
- Регистрация
- 25 Янв 2022
- Сообщения
- 2,297
- Реакции
- 698
- Репутация
- 54
- Возраст
- 68
- Страна
- Россия
- Город
- Пестово
- Имя
- Максим
ага. Термо на токовом зеркале я показывал. 100% термокомпенсация
ага. Термо на токовом зеркале я показывал. 100% термокомпенсация
Навчатись ніколи не пізно.Когда я паял разные УНЧи на транзисторах, в 80-е , тогда таких слов ваших про Селфа и про Хауксфорда никто не знал , ваще. В принципе. Не то, что сейчас.
А Термалтраки на вихід ще краще.Диоды источника тока или транзистор - на радиатор выхлопа.
Цепочку из трёх КТ315 в диодном включении+резистор в качестве термоузла
Тут ДВА термодатчика.Низкоомный обвес термодатчика может привести к тепловой недокомпенсации. Вых. каскад может "разгоняться" по теплу.
Отслушивающий пока только один, я. Ну, раз уж пора плату разводить, то бум разводить.Надоело флудить. Плату бы кто развел из отслушивающих.
Я скромно вважаю, що недоопрацювали. Ні на рцлах, ні на убері. Маєш шанс.Что касаемо термодатчиков мы на убер_идее эту тему прорабатывали.
Тут ДВА термодатчика.
А він і не кріпиться до радіатора. До радіатора, по феншую, ніколи термодатчик не кріпляться. Транзистор-датчик кріпиться на один з вихідних (той що більше гріється), діод відслідковує температуру в середині корпусу підсилювача.... А 1N4148 к радиатору нормально не прилепишь. ...
Будь-яку з подібних скрипок доводиться налаштовувати індивідуально, бо досить багато змінних і надвисока їх нелінійність. Та схеми з двома термосенсорами я бачив навіть в серійних підсилювачах для звуку. Їх виробники про щось знаютьИ настраивать такую "скрипку Страдивари" придётся индивидуально под каждый случай.
Бессмысленный перемудрёж. ИМХО.
Та схеми з двома термосенсорами я бачив навіть в серійних підсилювачах для звуку. Їх виробники про щось знають![]()

Neulo)? Прошу вас быть немного вежливее. Вы же специалист, а не пацан из подворотни! Спасибо за сборку и проверку данного девайса! Я его обязательно повторю и сравню на звук с германиевыми вариантами уважаемого АБ. Но несколько позже. Усилитель мне нужен всего один, а не десяток. Сравнивать буду так же с кертингом на фи трансформаторах. Мне не хватает мощности кертинга и все. А звук его устраивает более чемНу так для кого этот усилок? для тебя. собери и слушай. А моё мнение про звук в теме есть вначале. Но чукча он не читатель, верно?
Добавлю, что усилители от "уважаемого АБ" тоже не всеядны и не факт, что не обваляются на чужой незнакомой акустике. Проверка звука на своих колонках дело хорошее, но ограниченное . А продавать усилители в комплекте с колонками- для этого надо завод в квартире построить.Neulo)? Прошу вас быть немного вежливее. Вы же специалист, а не пацан из подворотни! Спасибо за сборку и проверку данного девайса! Я его обязательно повторю и сравню на звук с германиевыми вариантами уважаемого АБ. Но несколько позже. Усилитель мне нужен всего один, а не десяток. Сравнивать буду так же с кертингом на фи трансформаторах. Мне не хватает мощности кертинга и все. А звук его устраивает более чем
Можно масштабировать до 50 вт. Заменой транзисторов выходного каскада и повышением напряжения питания.(подбирать). Попробовать на выхлопе составные транзисторы П605А+2SA1941(или Шиклаи с 5198)Мне не хватает мощности кертинга и все.
вы таки предлагаете испоганить коллекционный аппарат? а куда вы в него пихать собрались новый, более мощный трансформатор, и здоровенные радиаторы? штатных то не хватит.Можно масштабировать до 50 вт. Заменой транзисторов выходного каскада и повышением напряжения питания.(подбирать). Попробовать на выхлопе составные транзисторы П605А+2SA1941(или Шиклаи с 5198)
Реплика...испоганить коллекционный аппарат?
Прекрасно понимаю, о чем вы. Когда с первых звуков ясно, что схема удалась, возиться с улучшайзингом нет желания, равно, как кинуться воплотить идею в стерео. Потому что дальнейшее предсказуемо и так. Неспешно кладем схемку в алмазную копилочку, на ближайшее будущее, для себя или друзей.Почему я не рассказываю неких "чудес" звучания моей версии усилителя? причин несколько.
1) у меня один канал поэтому всё что связано с пространством- мимо.
2) слушать на большой мощности долго не выйдет(жена с веником придёт и будет возражать)
3) нет контрольного усилителя для сравнения(тотентанц уехал на работу и там играет)
4) самое главное- не хочу воздействовать на оценку товарища Витавойса. вот соберёт(оба канала) , сравнит(есть с чем), отслушает и расскажет что и как. это же его идея была? я сделал что попроще, спроектировал и собрал макет, и настроил. осталось самое сложное. повторить и отслушать.
Как вариант купить ещё один Кёртинг и пустить его по НЧ.Из-за одинаковости усилителей не будет сдвига фазного заметно.Разрезать активным фильтром на 200Гц .Хотя частота раздела в принципе от динамиков зависит.Усилитель мне нужен всего один, а не десяток. Сравнивать буду так же с кертингом на фи трансформаторах. Мне не хватает мощности кертинга и все. А звук его устраивает более чем
Можно умощнить (хотя бы и П210))). Можно взять нормальный Дшник или АБшник на бас. Сдвиг будет зависеть только от активного фильтра. Но это нужно влезать в АС, если там нет биампинга.купить ещё один Кёртинг и пустить его по НЧ
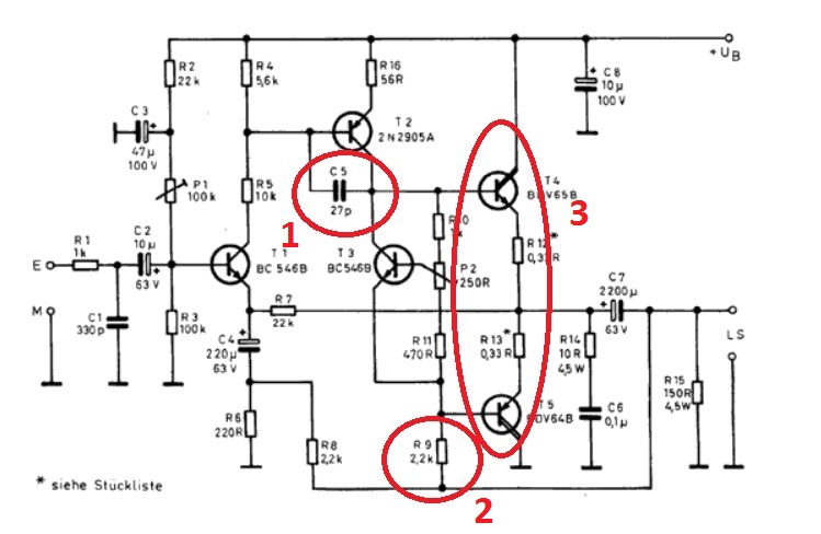
А чим Ваш варіант кращий ? Не можу зрозуміти... В нём было несколько слабых мест, на схемке отметил:
Посмотреть вложение 75576
По пунктам:
1) миллеровская коррекция
... По итогу мной был в той теме предложен апгрейд ...
Все слабые места были ликвидированы. ...
Я правильно понял,что сейчас в одном канале работают две пары : пара AD161-162 на предвыход и вторая AD161-162 на выходе ?Мне кажется с кремниевыми парами в предвыходе не будет всё гладко.На сколько я понял - верхний предвыходной транзистор с выходным устанавливается на один общий радиатор (и наоборот),т.е. крест на крест- для ВЗАИМНОЙ термокомпенсации.Поэтому подразумевается, что транзисторы должны быть максимально идентичными.Или я на прав?Сейчас запустил мощник на германиевых парах по Агееву, схема взята из Радио за 1985 год, проверенная годами. http://archive.radio.ru/web/1985/08/029/
Запустилось без проблем, сдвиг нуля от входа до выхода нулевой. Ток покоя с однополярным питанием 24 вольта =120 ма (три ветки по 40 мА)
На 10 Омах неискаженный синус 7, 5 вольт. На 5 Омах примерно 7 вольт. Ток потребления на полной мощности с 10 Омами 0,45 А, с 5 Омами 0,65 А. Полоса полной мощности 100кГц. Сигнал дивно красивый, что синус что меандр.
Перевернув страницу журнала, увидел решение, полезное , как никогда ранее .
Мизерный порог открывания германия позволит сделать драйвер для них на кремниевых парах BD139-140 , а на выходе будут работать пары AD161-162 в режиме В. Проблемы термостабилизации отпадут полностью.
негативный звязок это который резистором через динамик УН питал?А чим Ваш варіант кращий ? Не можу зрозумітиВи забрали місцевий негативний зв'язок...
Именно так. А следующая схема предполагает линейный предвыходной каскад на одинаковых кремниевых парах средней мощности, качающий выходную мощную пару в режиме В. Коммутационные искажения сглаживаются резистором с выхода драйвера в нагрузку, обеспечивающим плавное включение выходных с ростом тока в нагрузкеЯ правильно понял,что сейчас в одном канале работают две пары : пара AD161-162 на предвыход и вторая AD161-162 на выходе ?Мне кажется с кремниевыми парами в предвыходе не будет всё гладко.На сколько я понял - верхний предвыходной транзистор с выходным устанавливается на один общий радиатор (и наоборот),т.е. крест на крест- для ВЗАИМНОЙ термокомпенсации.Поэтому подразумевается, что транзисторы должны быть максимально идентичными.Или я на прав?
Ні. Генератор струму - це пункт 2, цілком погоджуюсь з таким варіантом.негативный звязок это который резистором через динамик УН питал?
а он не негативный а позитивный, это местная пос...