Электрофон Вега-101 стерео

От Сергея Торорова и тд
 

Вложения

  • Uher-23-63-amp.gif
    Uher-23-63-amp.gif
    13.8 KB · Просмотры: 112
  • 1956_H.C.Lin_amplifier_schematic_-_The_Original_Lin.png
    1956_H.C.Lin_amplifier_schematic_-_The_Original_Lin.png
    94.1 KB · Просмотры: 109
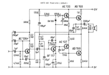
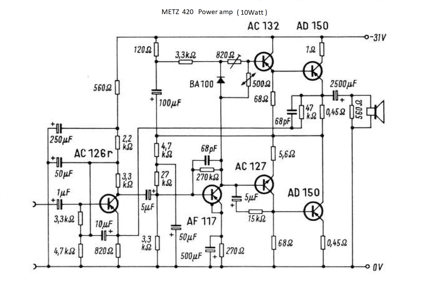
  • Metz 420.png
    Metz 420.png
    488.6 KB · Просмотры: 121
Тесла- кремний голимый:(
Они и венгры по кремнию были впереди всего лагеря. ГДР (если помните что это было) - по германию.
 
Последнее редактирование:
Левинзона-Логинова 2-кан делал такой по мотивам, РГ оставил как нельзя делать
Юрий Робертович, не нашел рис3, где блок тембров и шумопонижения.
И еще на фото РГ как не надо делать, а как надо? Хотелось бы знать (недавно морочился, паял как на вашем фото)
 
Вчера доделал ЭПУ.
Принес ещё пару роликов выбрал мягкий и потоньше,отмыл,переставил вместо оригинального.
Вал ещё оказывается вываливался из плинта.
Сделал внутри насечки на силумине ,отвёрткой,плеснул суперклея,вогнал на сколько надо.
У меня запасные есть если что,заменю.Пока работает.
Коврик забыл,сегодня возьму.
Иглы оказались одна рабочая полностью,вторая была погнутая и с вытекшим демпфером,её почистил,выровнял,играет один канал второй почти не слышно.
Как тестовая пойдёт пока.
Первая нормально играет.
И у меня пара новых вставок есть в коробочках родных.
Припаял выводы внешние на колонки под точку-тире,пока,для удобства.
Послушал что с собой взял.
Сегодня ещё пластинок возьму разных и колонки получше.

Время надо выбрать,вторым заняться.
Ночью по немногу время выбираю.
Вчера,пока гремело в небе как раз собирал всё в кучу и слушал.
Звук электрофона.
 

Вложения

  • WhatsApp Image 2024-08-14 at 13.08.19.jpeg
    WhatsApp Image 2024-08-14 at 13.08.19.jpeg
    162.8 KB · Просмотры: 80
  • WhatsApp Image 2024-08-14 at 13.08.18.jpeg
    WhatsApp Image 2024-08-14 at 13.08.18.jpeg
    233.8 KB · Просмотры: 85
  • WhatsApp Image 2024-08-14 at 13.08.17.jpeg
    WhatsApp Image 2024-08-14 at 13.08.17.jpeg
    98.1 KB · Просмотры: 65
  • WhatsApp Image 2024-08-14 at 13.08.16.jpeg
    WhatsApp Image 2024-08-14 at 13.08.16.jpeg
    112.4 KB · Просмотры: 77
  • WhatsApp Image 2024-08-14 at 13.08.15.jpeg
    WhatsApp Image 2024-08-14 at 13.08.15.jpeg
    188.8 KB · Просмотры: 79
  • WhatsApp Image 2024-08-14 at 13.08.14.jpeg
    WhatsApp Image 2024-08-14 at 13.08.14.jpeg
    165.3 KB · Просмотры: 77
  • WhatsApp Image 2024-08-14 at 13.08.13.jpeg
    WhatsApp Image 2024-08-14 at 13.08.13.jpeg
    118.4 KB · Просмотры: 69
  • WhatsApp Image 2024-08-14 at 13.08.12.jpeg
    WhatsApp Image 2024-08-14 at 13.08.12.jpeg
    166.8 KB · Просмотры: 73
  • WhatsApp Image 2024-08-14 at 13.07.53.jpeg
    WhatsApp Image 2024-08-14 at 13.07.53.jpeg
    180.6 KB · Просмотры: 78
  • WhatsApp Image 2024-08-14 at 13.07.52.jpeg
    WhatsApp Image 2024-08-14 at 13.07.52.jpeg
    198.5 KB · Просмотры: 71
  • WhatsApp Image 2024-08-14 at 13.07.51.jpeg
    WhatsApp Image 2024-08-14 at 13.07.51.jpeg
    166 KB · Просмотры: 69
  • WhatsApp Image 2024-08-14 at 13.07.50.jpeg
    WhatsApp Image 2024-08-14 at 13.07.50.jpeg
    195 KB · Просмотры: 74
  • WhatsApp Image 2024-08-14 at 13.07.49.jpeg
    WhatsApp Image 2024-08-14 at 13.07.49.jpeg
    199.7 KB · Просмотры: 76
Последнее редактирование:
Я и НЕ делаю так 45 лет, булькают, РГ как непрерывный 33 ком от Брига
Динозавр, Тесла - кремний, и ЧТО?
Что приятно в Tesla AZS 218
“Диапазон воспроизводимых частот регулируется активным корректором, чья функция может быть отключена” – номер 1
” Установка тока покоя выходного каскада: через универсальный вход подают напряжение 50 мВ на частоте 15 кГц. Осциллографом и потенциометрами добиваемся выходного сигнала до исчезновения искажений” – номер 2
“выходной каскад защищен от постоянного напряжения и короткого замыкания” – номер 3, но приятно.
Про кни с 0,ооо и Вега 10У-120-стерео”, TDA7294, мне смешно говорить…

"Мы все-таки мудреем год от года -
Распятья нам самим теперь нужны,-
Они - богатство нашего народа,
Хотя и - пережиток старины" Владимир Высоцкий - Случай в таможне
 
В дополнение к РГ Барка, Брига
24 положения, безобрывное переключение, не щелкает, как будто крутишь Альпс, и всё. Сопротивление 33ком, само то.
РТ на 21 положение, х-ка S-образная, тоже стоят как РГ в других конструкциях, регулируют даже очень неплохо. Тоже 33ком.
 

Вложения

  • IMG_1820.jpg
    IMG_1820.jpg
    170.3 KB · Просмотры: 120
  • РР вид.jpg
    РР вид.jpg
    154.6 KB · Просмотры: 103
  • IMG_2011.JPG
    IMG_2011.JPG
    349.9 KB · Просмотры: 121
  • РГ.gif
    РГ.gif
    20.2 KB · Просмотры: 132
В дополнение к РГ Барка, Брига
24 положения, безобрывное переключение, не щелкает, как будто крутишь Альпс, и всё. Сопротивление 33ком, само то.
РТ на 21 положение, х-ка S-образная, тоже стоят как РГ в других конструкциях, регулируют даже очень неплохо. Тоже 33ком.
Юра, спасибо за отменную схемку регулятора. А как думаешь, она с постоянным децибельным шагом или там своя характеристика, особая?
 
24 положения, безобрывное переключение, не щелкает, как будто крутишь Альпс, децибельный шаг. Сопротивление 33ком, само то.
РТ на 21 положение, от регуляторов тембра, х-ка S-образная, если не придираться к шагу рег. 3-4 раза, и привык, фигня это
 
24 положения, безобрывное переключение, не щелкает, как будто крутишь Альпс, децибельный шаг. Сопротивление 33ком, само то.
РТ на 21 положение, от регуляторов тембра, х-ка S-образная, если не придираться к шагу рег. 3-4 раза, и привык, фигня это
Не просто так спрашиваю. Выверял децибельный шаг, делал разные, на 2 дБ, на 3 дБ, на 4 дБ и понял, что фигня. неправильно , затянуто внизу и стремительно гавкает на высоких уровнях. Надо каждый щелбан лично выслушивать и с собой советоваться, а не под чужого дядю делать.
 
Вырвать РГ из Прибоя

сп3-30 с В зависимостью 22 ком, раздельно/вместе, любую можно нарисовать
 
24 положения, безобрывное переключение, не щелкает, как будто крутишь Альпс, децибельный шаг. Сопротивление 33ком, само то.
РТ на 21 положение, от регуляторов тембра, х-ка S-образная, если не придираться к шагу рег. 3-4 раза, и привык, фигня это
Если применить переключатель на 12, то просуммировать по два соседних- получится 2-х децибельный.?
Я чтобы не клацали на поводок напаял медную платину длиной 7-8 мм все равно немного слышен шаг.
 
Сделал коврик дополнительный из тонкой кожи,с одной стороны как замша,а то кругозоровские пластинки на месте стоят под иглой на резиновом коврике)
И импровизированный клемп.Размер с яблоко.
Ну и пару чистилок пластинок из кожи и бархата.
Если уж слушать по более менее по нормальному.
Одну себе,одну племяннику,он себе захотел Вегу 312 у меня забрать.Понравилась,как выглядит и пластинки ему нравится слушать.
Надо будет с ней разбираться,если получится...
 

Вложения

  • WhatsApp Image 2024-08-16 at 13.50.44.jpeg
    WhatsApp Image 2024-08-16 at 13.50.44.jpeg
    176 KB · Просмотры: 62
  • WhatsApp Image 2024-08-16 at 13.50.43.jpeg
    WhatsApp Image 2024-08-16 at 13.50.43.jpeg
    214 KB · Просмотры: 62
  • WhatsApp Image 2024-08-16 at 13.50.42.jpeg
    WhatsApp Image 2024-08-16 at 13.50.42.jpeg
    274.2 KB · Просмотры: 67
  • WhatsApp Image 2024-08-16 at 13.50.41.jpeg
    WhatsApp Image 2024-08-16 at 13.50.41.jpeg
    191.7 KB · Просмотры: 59
  • WhatsApp Image 2024-08-16 at 13.50.40.jpeg
    WhatsApp Image 2024-08-16 at 13.50.40.jpeg
    114.7 KB · Просмотры: 61
  • WhatsApp Image 2024-08-16 at 13.50.39.jpeg
    WhatsApp Image 2024-08-16 at 13.50.39.jpeg
    182.3 KB · Просмотры: 65

Вложения

  • WhatsApp Image 2021-04-29 at 18.06.31.jpg
    WhatsApp Image 2021-04-29 at 18.06.31.jpg
    147.9 KB · Просмотры: 82
Пацанкам от деда мастерю для АС 3гд-38 унч
 

Вложения

  • IMG_1894.jpg
    IMG_1894.jpg
    189.3 KB · Просмотры: 127

Вложения

  • WhatsApp Image 2021-05-05 at 02.29.06.jpg
    WhatsApp Image 2021-05-05 at 02.29.06.jpg
    142.1 KB · Просмотры: 89
поставить в ящик 25гдн-3-4 а 3гд-38 вынести не отдельный щиток ,будет еще лучше,раздел 300гц первым порядком https://ldsound.info/25-gdn-3-4-15-gd-14/#:~:text=Звуковая катушка, намотанная проводом марки,намоткой) 26,5 мм.
Не,я с этими возиться не буду точно.
Да и динов нужных нет под рукой.
 
На фланце этого динамика имеются картонные секторы, они не сплошные по диаметру -- будут утечки рабочего тела через стыки секторов. На задней стенке у одной пары имелись сквозные крупные проушины для подвески АС -- это неконтролируемый ФИ получился. Сам динамик рассчитан на открытое оформление, но АС сделали закрытыми. В своих АС я заклеил проушины очень плотным картоном, а между задней стенкой и рейками можно проложить мягкий "герметизатор", тогда АС будет "более закрытая". Добавил к штатному динамику ВЧ динамик китайского аудиопрома через ФВЧ 2-го порядка и резистор (надо 2,7 -- 3,1 Ом), а НЧ запитать можно через катушку 0,5 мГн. Динамики НЧ и ВЧ включаются синфазно.​

Пацанкам от деда мастерю для АС 3гд-38 унч
Помню черно-белый телевайзер Рекорд-335 (вроде так). Там выходной каскад кажись на 6П14П был, а на входе УНЧ стоял КТ315-й и питался от высокого напряжения. Никаких РТ не было, но звук мне нравился. Хочется, чтобы ООС по переменке была -- не могу слушать без обратной связи​
 
Помню черно-белый телевайзер Рекорд-335 (вроде так). Там выходной каскад кажись на 6П14П был, а на входе УНЧ стоял КТ315-й и питался от высокого напряжения. Никаких РТ не было, но звук мне нравился. Хочется, чтобы ООС по переменке была -- не могу слушать без обратной связи​
Та же схема кажись была в Таурасе-204 , великой телек, я через него долго слушал свою Ноту-М , пока не нашел готовый унч.
 
Схема на 6п14п в ТРИОДЕ и без ООС, звук лучше.
Схема кт315 и 6п14п
 

Вложения

  • wpid-image05113.gif
    wpid-image05113.gif
    40.4 KB · Просмотры: 112
Ну что,кто нибудь скажет,зачем в кремний ставили или ставят трансформаторы выходные?
Интересно...
 

Вложения

  • Screenshot_33.jpg
    Screenshot_33.jpg
    102.7 KB · Просмотры: 65
Ну что,кто нибудь скажет,зачем в кремний ставили или ставят трансформаторы выходные?
Интересно...
А что, кремни не люди, их качать трансом тоже супер. Даже без ООС выходной каскад на НЕКОМПЛЕМЕНТАРНЫХ транзисторах шарашит равными амплитудами и без ступеньки.
 
А что, кремни не люди, их качать трансом тоже супер. Даже без ООС выходной каскад на НЕКОМПЛЕМЕНТАРНЫХ транзисторах шарашит равными амплитудами и без ступеньки.
Поняял,просто думал тут взять один старенький усь 69г.
Он на кремнии,слабеньком,раннем.
Ладно,подумаем)
И так зоопарк тот ещё дома.

Кстати сейчас с Вегой на Виниле играют 3х полоски от LG.
Хотя я специально привёз самоделки свои 3х полоски,но так как иглы не айс,много было верха и середины,неуютно было ,хоть и чётко.
СЕлейшены тоже не подошли,это понятно.
А вот с LGшками отлично,даже сибилянты прибились и разные шорохи,щелчки.
Поприятнее пока.
Вот эти.
А свои к центру подключил,им там тоже хорошо.
 

Вложения

  • WhatsApp Image 2021-06-23 at 22.56.17.jpg
    WhatsApp Image 2021-06-23 at 22.56.17.jpg
    145.7 KB · Просмотры: 63
Схема на 6п14п в ТРИОДЕ и без ООС, звук лучше.
Схема кт315 и 6п14п
За схему Вам спасибо! Кстати, там и ООС по регуляторам тембра уже имеется. РТ выбросить и ООС готова. Понял почему ООС называется отрицательной обратной связью -- по отрицательному влиянию на качество звука. Чтобы Rвых ещё сильнее снизить надо две 6П14П в параллель поставить будет ...​
 
транзистор выкинуть и поставить лампу,6ж38п в триоде
А можно ещё полевик КП303 (вместо КТ315) засандалить. А лучше сразу высоковольтный полевой с изолированным затвором (IRF какой-нибудь), чтобы питание попроще было -- лампы очень уж горячие​
 
Последнее редактирование:

Статистика форума

Темы
3,295
Сообщения
262,404
Пользователи
2,545
Новый пользователь
vlad'mir
Назад
Сверху Снизу