Германиевые УНЧ

Динозавр

1 ранг
Регистрация
31 Янв 2023
Сообщения
2,948
Реакции
872
Репутация
52
Страна
Россия
Город
станица Пашковская
Имя
Александр
Предупреждений
3
туда кт863 -бета под 500
С удивлением обнаружил, что существуют разные 863 (ЧиД) не только по грейду.
Нальчинский завод: https://static.chipdip.ru/lib/574/DOC018574116.pdf
Кремний: https://www.chipdip.ru/product/kt863a-2012g?from=visited_product
Есть данные на других сайтах. Или опять всё врут справочники?
Возможный (условно) аналог и комплементарный: https://static.chipdip.ru/lib/641/DOC001641859.pdf
2N6487, 2N6488 (NPN), 2N6490, 2N6491 (PNP)

Роджерс 1969 с трансформатором, но уже на кремнии:(
OKC2IhibPpwxgG5xY9LsqRD1X_g-1920.jpg
 
Последнее редактирование:

юан8

1 ранг
Регистрация
9 Мар 2024
Сообщения
3,186
Реакции
760
Репутация
51
Страна
РФ
Город
Санкт-Петербург
Имя
Юрий
Предупреждений
2

юан8

1 ранг
Регистрация
9 Мар 2024
Сообщения
3,186
Реакции
760
Репутация
51
Страна
РФ
Город
Санкт-Петербург
Имя
Юрий
Предупреждений
2

A-1

1 ранг
Регистрация
25 Июн 2020
Сообщения
1,130
Реакции
120
Репутация
31
Страна
Россия
Имя
Александр
Комбик аккорд -м
Схемы нет
На потенциометр включения приходит переменка 41 вольт
Диоды в БП не звонил не подобраться
Четыре мощных диода д242
Возможно переключили в 127 вольт и воткнули в 220 предохранитель был сильно поджаренный сгоревший
Посмотреть вложение 132549Посмотреть вложение 132550Посмотреть вложение 132551

Обычные двухватные германиевый усилок с мпшками в преде на п213 можно спалить переменкой?
akkord-2-8.jpgakkord-2-7.jpgakkord-2-6.jpgakkord-2-shema.jpg

Нашлась схема, очень надо это починить в динамиках тишина, правда схема нашлась от аккорд 2, но говорят что совпадает с аккорд м ну правда у меня p213 на выходе а тут написано p216 в схеме
Ну например регуляторы низких высоких частот совпадают по номиналу 22 и 100
П403 также есть в схеме
 
Последнее редактирование:

юан8

1 ранг
Регистрация
9 Мар 2024
Сообщения
3,186
Реакции
760
Репутация
51
Страна
РФ
Город
Санкт-Петербург
Имя
Юрий
Предупреждений
2
начинайте с питания,приходит ли,потом половину на выходе и тд
 

A-1

1 ранг
Регистрация
25 Июн 2020
Сообщения
1,130
Реакции
120
Репутация
31
Страна
Россия
Имя
Александр

NEULO

1 ранг
Регистрация
14 Июл 2019
Сообщения
3,811
Реакции
1,937
Репутация
93
Возраст
52
Страна
Россия
Город
Одинцово
Предупреждений
4
Питание приходит
На потенциометр громкости и включения
А причём тут потенциометр? Нужно сразу замерить напряжение на коллекторе Т9 и на его же эмиттере. Это самый первый шаг.
Второй- на базе Т6.
А ещё раньше надо отпаять питание усилителя от БП и замерить напряжение на выходе БП же. Откуда там переменка может взяться? Там должна быть постоянка с очень низким уровнем пульсаций.
 

Динозавр

1 ранг
Регистрация
31 Янв 2023
Сообщения
2,948
Реакции
872
Репутация
52
Страна
Россия
Город
станица Пашковская
Имя
Александр
Предупреждений
3
На потенциометр включения приходит переменка 41 вольт - это сетевое (осторожно!) или вторичка с трансформатора?
Как любой усилитель- проверяем предохранители, выключатель на потенциометре-часто перестают включать.
И по порядку-трансформатор- мостик-постоянка- стабилизатор питания (с защитой по току) - режимы транзисторов...
 
Последнее редактирование:

NEULO

1 ранг
Регистрация
14 Июл 2019
Сообщения
3,811
Реакции
1,937
Репутация
93
Возраст
52
Страна
Россия
Город
Одинцово
Предупреждений
4
На потенциометр включения приходит переменка 41 вольт
По схеме судя питание размыкается на выходе БП. То есть блок питания всегда подключен к сети, размыкается только постоянка.
1745419824678.png
 

юан8

1 ранг
Регистрация
9 Мар 2024
Сообщения
3,186
Реакции
760
Репутация
51
Страна
РФ
Город
Санкт-Петербург
Имя
Юрий
Предупреждений
2
проще измерить напряжение на корпусах выходников относительно земли
 

NEULO

1 ранг
Регистрация
14 Июл 2019
Сообщения
3,811
Реакции
1,937
Репутация
93
Возраст
52
Страна
Россия
Город
Одинцово
Предупреждений
4
проще измерить напряжение на корпусах выходников относительно земли
а на корпусе у них не коллектор ?) проще тут ты прав. Но сначала надо померить на корпусе Т2.
 

Динозавр

1 ранг
Регистрация
31 Янв 2023
Сообщения
2,948
Реакции
872
Репутация
52
Страна
Россия
Город
станица Пашковская
Имя
Александр
Предупреждений
3
Там после стабилизатора 16 в питания...
 

slami

1 ранг
Регистрация
15 Янв 2021
Сообщения
1,420
Реакции
1,123
Репутация
58
Возраст
53
Страна
Россия
Город
Иркутская обл.
Имя
Вячеслав
Интересно, мощность измеряли не просто на резисторе, а на резисторе с индуктивностью
akkord-2-8 (1).jpg


Там после стабилизатора 16 в питания...
На схеме 18 В между Т7 и Т9 написано, от ноутбучного БП можно питать :cool:
 

АВК

2 ранг
Регистрация
13 Ноя 2023
Сообщения
827
Реакции
63
Репутация
11
Возраст
67
Город
культурная столица Поволжья
Имя
дядя АЛЕКС
ДА, стабилизатор питания в этой схеме ХОРОШИЙ.
А остальное лучше заменить.
 

юан8

1 ранг
Регистрация
9 Мар 2024
Сообщения
3,186
Реакции
760
Репутация
51
Страна
РФ
Город
Санкт-Петербург
Имя
Юрий
Предупреждений
2
А остальное лучше заменить.
я бы поднял напряжение до 24в в предвыход гт402\404 и их эмиттерные резисторы снизил до 56ом в УН кт3107 и R28 уменьшить до 1,5к
добавить еще один динамик и включить по два параллельно и их последовательно чтобы было 7,5 ом тк 5ом нагрузка не айс
 
Последнее редактирование:

A-1

1 ранг
Регистрация
25 Июн 2020
Сообщения
1,130
Реакции
120
Репутация
31
Страна
Россия
Имя
Александр
А причём тут потенциометр
На него приходит + и - с БП на нем и замерял
18 вольт dc приходит

По схеме судя питание размыкается на выходе БП. То есть блок питания всегда подключен к сети, размыкается только постоянка.
Посмотреть вложение 132949
Да, БП не отключается,
С него приходит на потенциометр громкость-включение
 

юан8

1 ранг
Регистрация
9 Мар 2024
Сообщения
3,186
Реакции
760
Репутация
51
Страна
РФ
Город
Санкт-Петербург
Имя
Юрий
Предупреждений
2
на корпусах выходников есть напряжение? на одном 18в на втором 9в нужно
 

АВК

2 ранг
Регистрация
13 Ноя 2023
Сообщения
827
Реакции
63
Репутация
11
Возраст
67
Город
культурная столица Поволжья
Имя
дядя АЛЕКС
я бы поднял напряжение до 24в в предвыход гт402\404 и их эмиттерные резисторы снизил до 56ом в УН кт3107 и R28 уменьшить до 1,5к
добавить еще один динамик и включить по два параллельно и их последовательно чтобы было 7,5 ом тк 5ом нагрузка не айс
Ага....
И выходные конденсаторы увеличить хотяб в 3 раза
И зашунтировать керамикой или плёнкой хотяб в 3мкф.
И выходные трюнЬзисторы заменить на П215.
И...

И будет "конфетка" правда из какашки :) :) :) :)
Поскольку схему БЫ изменить и улучшить (переделать).
А всё вместе это называется ЗАМЕНИТЬ (мУдернизировать).
Не'ну саму плату можно и оставить, для идентичность с древним.
Тока вдоль или поперёк надпись трафаретом "РЕТРО"
 

юан8

1 ранг
Регистрация
9 Мар 2024
Сообщения
3,186
Реакции
760
Репутация
51
Страна
РФ
Город
Санкт-Петербург
Имя
Юрий
Предупреждений
2
И будет "конфетка" правда из какашки :) :) :) :)
Поскольку схему БЫ изменить и улучшить (переделать).
А всё вместе это называется ЗАМЕНИТЬ (мУдернизировать).
Не'ну саму плату можно и оставить, для идентичность с древним.
Тока вдоль или поперёк надпись трафаретом "РЕТРО"
поставить вот это и не морочить яйца причем будет 2х30вт мощи а искажения меньше
динамики подключить последовательно по два на канал будет 2х6вт чистейшего звука на 30ом нагрузку
еще вариант в один канал два последовательно ,а во второй один динамик через резистор 10ом
 
Последнее редактирование:

АВК

2 ранг
Регистрация
13 Ноя 2023
Сообщения
827
Реакции
63
Репутация
11
Возраст
67
Город
культурная столица Поволжья
Имя
дядя АЛЕКС
Ну как вариант можно и такое, НО а рамках программы благотворительности.
Тоесть включая доставку - АБСОЛЮТНО ЗА БЕСПЛАТНО.

Для справки - маркетплейсы обсуждают ТАКУЮ программу.
 

юан8

1 ранг
Регистрация
9 Мар 2024
Сообщения
3,186
Реакции
760
Репутация
51
Страна
РФ
Город
Санкт-Петербург
Имя
Юрий
Предупреждений
2

АВК

2 ранг
Регистрация
13 Ноя 2023
Сообщения
827
Реакции
63
Репутация
11
Возраст
67
Город
культурная столица Поволжья
Имя
дядя АЛЕКС
И того 270 за стерву.

Угу, но все равно это НЕ ФЕНШУЙ.
:)
Отсутствует "радость творчества"...
И в части ТЕОРИИ, это особо, и в части некоторой ПРАКТИКИ.
 

Вакула

2 ранг
Регистрация
6 Окт 2019
Сообщения
367
Реакции
132
Репутация
25
Страна
СССР
Предупреждений
5
Вот они, современные ремонтники! - все выкинуть, и китайского дерьма напихать.
Неужели так сложно отремонтировать простейший прибор?
 

юан8

1 ранг
Регистрация
9 Мар 2024
Сообщения
3,186
Реакции
760
Репутация
51
Страна
РФ
Город
Санкт-Петербург
Имя
Юрий
Предупреждений
2
он этого не стоит ,звук шлак без доработки,а доработку не каждый рукосуй сделает нормально
тда 7377 уделает его даже доработаный если динамики через резисторы включить или последовательно
а если джифетик отдельным каскадом на входе поставить и смещение подобрать то для гитарки бальзам
 
Последнее редактирование:

юан8

1 ранг
Регистрация
9 Мар 2024
Сообщения
3,186
Реакции
760
Репутация
51
Страна
РФ
Город
Санкт-Петербург
Имя
Юрий
Предупреждений
2
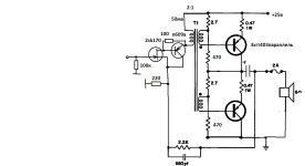
простой на германии с трансом
 

Вложения

  • германий с трансом.png
    германий с трансом.png
    55.9 KB · Просмотры: 118

ginalex

1 ранг
Регистрация
2 Мар 2020
Сообщения
1,369
Реакции
638
Репутация
52
да транс проще не куда-в три провода трифилляром до заполнения каркаса,провод 0,3мм,железо от твз или китайского трансформаторного БП
главное малая индуктивность рассеяния(поэтому трифилляр) а паразитные емкости лм1875 без проблем прокачает с ее низким выходным сопр
транс хорошо закрывает германцев поэтому не будет сквозняков на ВЧ
PS .Сорри,трифилляром транс мотаем для схем с ОК,я их выкладывал выше,в данной схеме ОЭ,поэтому транс нужен понижающий,моточные данные можно взять от усилителя Григорьева цитата:
"Для согласующего трансформатора Т1 подойдет любой магнитопровод (качество материала роли не играет) площадью сечения 1,5...2,5 см2, например Ш12 X 16. Автор использовал магнитопровод из пластин Ш12 с прорезным средним стержнем, толщина набора 16мм. Обмотку наматывают жгутом из восьми сложенных вместе проводов:

  • шести проводов марки ПЭВ-2 — 0,17
  • двух проводов марки ПЭВ-2 — 0,31.
Намотка производится до заполнения каркаса - получится примерно 250-270 витков.

После намотки концы проводов облуживают, выявляют с помощью омметра каждый из проводов ПЭВ-2 — 0,17 и, соединив их последовательно, получают обмотку I. Оставшиеся два провода ПЭВ-2 —- 0,31 используют в качестве обмоток II и III.
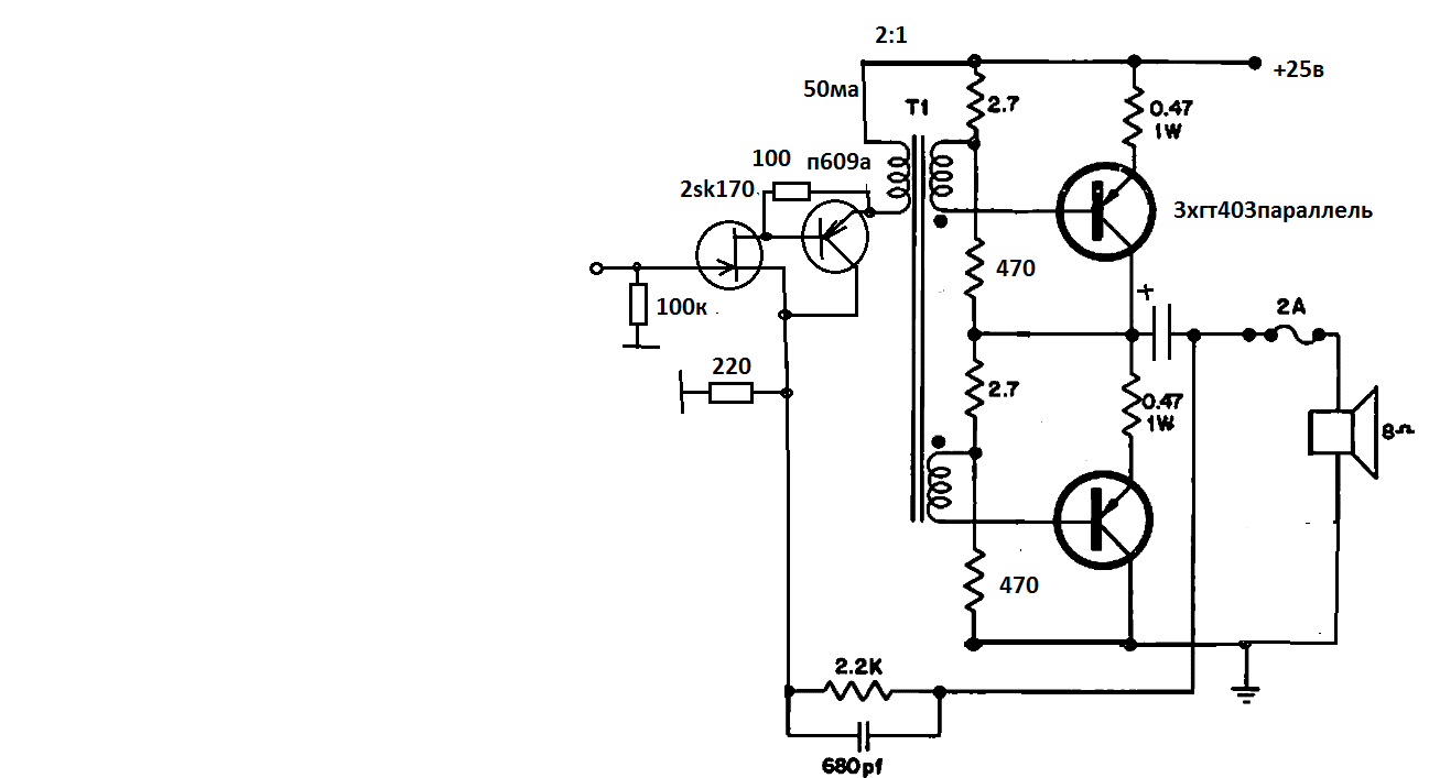
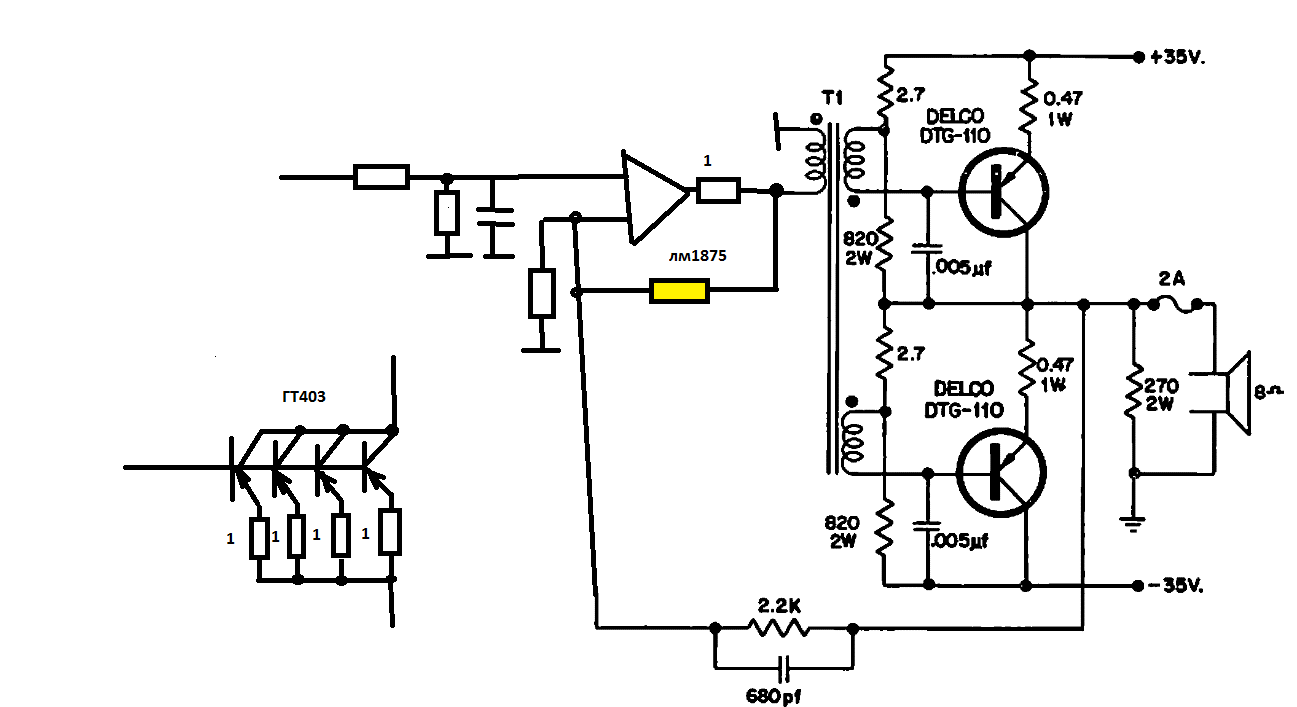
После этого вашего совета ,на Али купил вчера плату : https://aliexpress.ru/item/10050079...&traffic_source=recommendation&type_rcmd=core
Трансы есть готовые от унч и транзисторы германиевые разные всё фирменное. Буду пробывать. Думаю звук должен сложится.Тем более как все пишут SK18752 лучше ,чем LM1875 и напряженее питания у неё больше.
1745739946984.png
 
Регистрация
23 Май 2020
Сообщения
2,403
Реакции
1,051
Репутация
70
Предупреждений
1
После этого вашего совета ,на Али купил вчера плату : https://aliexpress.ru/item/10050079...&traffic_source=recommendation&type_rcmd=core
Трансы есть готовые от унч и транзисторы германиевые разные всё фирменное. Буду пробывать. Думаю звук должен сложится.Тем более как все пишут SK18752 лучше ,чем LM1875 и напряженее питания у неё больше.
Посмотреть вложение 133259
Не могу Вас не разочаровать: звук может сложиться в картонную коробку, которая будет вынесена вне помещения (на утилизацию) из-за негерманиевого операционника, управляющего трансформатором!
 

Динозавр

1 ранг
Регистрация
31 Янв 2023
Сообщения
2,948
Реакции
872
Репутация
52
Страна
Россия
Город
станица Пашковская
Имя
Александр
Предупреждений
3
SK18752 лучше ,чем LM1875 и напряженее питания у неё больше.
Основная сложность будет с коррекцией (многопетлевой). Глубина общей ООС может быть небольшой\регулируемой. Имеет смысл попробовать разные режимы работы трансформатора- от источника напряжения и от источника тока. В "Делко" трансформатор работает от каскада ОЭ, в других- от повторителей (ОК) или двухтактных драйверов. Однотактный режим (SE) можно организовать подгрузкой выхода ОУ резистором на шину питания или источником тока.
 
Последнее редактирование:

Статистика форума

Темы
3,094
Сообщения
235,966
Пользователи
2,387
Новый пользователь
Тула
Сверху Снизу