Германиевые УНЧ

Динозавр

1 ранг
Регистрация
31 Янв 2023
Сообщения
2,948
Реакции
872
Репутация
52
Страна
Россия
Город
станица Пашковская
Имя
Александр
Предупреждений
3

юан8

1 ранг
Регистрация
9 Мар 2024
Сообщения
3,186
Реакции
760
Репутация
51
Страна
РФ
Город
Санкт-Петербург
Имя
Юрий
Предупреждений
2
В "Делко" трансформатор работает от каскада ОЭ, в других- от повторителей (ОК) или двухтактных драйверов. Однотактный режим (SE) можно организовать подгрузкой выхода ОУ резистором.
зачем там однотактный режим?лучше когда транс работает от источника напряжения(вых сопр стремится к нулю) при этом его полоса расширяется а искажения уменьшаются
 

Lyuber

2 ранг
Регистрация
15 Ноя 2023
Сообщения
1,198
Реакции
80
Репутация
18
Страна
РФ
Город
Люберцы
Предупреждений
8
Тем более как все пишут SK18752 лучше ,чем LM1875
кто ВСЕ?
ЛМку "на вшивость" проверить в композитном подключении и можно, подбирая ППК и первый опер (игра на скорость).
Мусорные мне и попадались, и (в)попуЛярные магазы слали фейк.
Кстати, ищу Пятиножки эти, при одном условии, что "Лимит" запустили с ними (ссылка на продавца)
 
Последнее редактирование:

Динозавр

1 ранг
Регистрация
31 Янв 2023
Сообщения
2,948
Реакции
872
Репутация
52
Страна
Россия
Город
станица Пашковская
Имя
Александр
Предупреждений
3

vitamir

1 ранг
Регистрация
2 Янв 2021
Сообщения
2,115
Реакции
1,332
Репутация
71
Возраст
63
Страна
Україна
Город
Київ
Имя
Віталій

Динозавр

1 ранг
Регистрация
31 Янв 2023
Сообщения
2,948
Реакции
872
Репутация
52
Страна
Россия
Город
станица Пашковская
Имя
Александр
Предупреждений
3
Але, як підсилювач для навушників, згодиться.
А как драйвер для германиевого усилителя с трансформатором? Можно попробовать...
Попытка-не пытка (как говорил Лаврентий Павлович)
 

vitamir

1 ранг
Регистрация
2 Янв 2021
Сообщения
2,115
Реакции
1,332
Репутация
71
Возраст
63
Страна
Україна
Город
Київ
Имя
Віталій
Гвалтуйте, якщо з задоволенням, але пам'ятайте, більше ніж 300 мА вона не дасть в навантаження. Нікому, ні під якими катуваннями. Вище згадані альтернативи можуть дати вдесятеро більше.
І захист її виходу від неадекватних проявів трансформатору за заповітом дідуся Бейкера буде незайвим.
 
Последнее редактирование:

юан8

1 ранг
Регистрация
9 Мар 2024
Сообщения
3,186
Реакции
760
Репутация
51
Страна
РФ
Город
Санкт-Петербург
Имя
Юрий
Предупреждений
2

Динозавр

1 ранг
Регистрация
31 Янв 2023
Сообщения
2,948
Реакции
872
Репутация
52
Страна
Россия
Город
станица Пашковская
Имя
Александр
Предупреждений
3

vitamir

1 ранг
Регистрация
2 Янв 2021
Сообщения
2,115
Реакции
1,332
Репутация
71
Возраст
63
Страна
Україна
Город
Київ
Имя
Віталій

Lyuber

2 ранг
Регистрация
15 Ноя 2023
Сообщения
1,198
Реакции
80
Репутация
18
Страна
РФ
Город
Люберцы
Предупреждений
8
не долго, "Б" не туда полез, лучше сидел бы на трубе (шутка). Отвлечься немного (разбавить).
Как можно на фейках что то строить и писать об этом, "Муху" хорошо не вспомнили (УН7)

Не пренебрегайте 157УД1
игнорирую, хотя, в дешманский сетап, отличный ОУ.
 

юан8

1 ранг
Регистрация
9 Мар 2024
Сообщения
3,186
Реакции
760
Репутация
51
Страна
РФ
Город
Санкт-Петербург
Имя
Юрий
Предупреждений
2
Как можно на фейках что то строить
нагрузите ее (1875) на 100...200ом и посмотрите искажения
у нее ток покоя 80ма ступеньки не будет остальное не важно,на звук не влияет ,даже 0,5% без ступеньки не слышно
 
Последнее редактирование:

vitamir

1 ранг
Регистрация
2 Янв 2021
Сообщения
2,115
Реакции
1,332
Репутация
71
Возраст
63
Страна
Україна
Город
Київ
Имя
Віталій
игнорирую, хотя, в дешманский сетап, отличный ОУ.
Весь пізній совок категорії складності 2 і вище мав її в своєму складі в якості підсилювача для навушників, тобто за прямим призначенням. І нічого, а ви гидуєте? Убери таки ні, я вище надав посилання. Але, вони додали до неї трохи ззовні. Ще на вегалабах була досить вдала на ній конструкція, не пм'ятаю вже від кого, зі зміненою корекцією.
 

Lyuber

2 ранг
Регистрация
15 Ноя 2023
Сообщения
1,198
Реакции
80
Репутация
18
Страна
РФ
Город
Люберцы
Предупреждений
8
квадратом 40К, 544УД2Б, как оптимальную по скорости и "пожарить" (перегреть от свиста), разломать и "хронить" очередную кучку (фейк).
Без композита она НЕ ИНТЕРЕСНА!!! А фейк не в этом месте ставить (в УМЗЧ).

это Вы, схемотехники в них "шарите", я лишь Хоровица с Хиллом ещё учу (кстати, познавательное чтово, в части эмиттерных повторителей и режимы в(или "на"?) постоянном токе - сейчас "жую"), есть не соответствия с переменным (но думаю "дойду")
 

Динозавр

1 ранг
Регистрация
31 Янв 2023
Сообщения
2,948
Реакции
872
Репутация
52
Страна
Россия
Город
станица Пашковская
Имя
Александр
Предупреждений
3
Кто-то знатно закупился телефонными SMD трансформаторами Bourns: https://eltsi.ru/upload/files/SMLP5001.pdf
 
Последнее редактирование:

юан8

1 ранг
Регистрация
9 Мар 2024
Сообщения
3,186
Реакции
760
Репутация
51
Страна
РФ
Город
Санкт-Петербург
Имя
Юрий
Предупреждений
2
куда их?из рогатки стрелять?
 

Динозавр

1 ранг
Регистрация
31 Янв 2023
Сообщения
2,948
Реакции
872
Репутация
52
Страна
Россия
Город
станица Пашковская
Имя
Александр
Предупреждений
3
Может, на аналоговую развязку с системными блоками\телевизором\линией сгодятся (если подешевеют раз так в 10, когда поймут...)))
Всю номенклатуру не смотрел -может, есть с тремя обмотками...
 
Последнее редактирование:

юан8

1 ранг
Регистрация
9 Мар 2024
Сообщения
3,186
Реакции
760
Репутация
51
Страна
РФ
Город
Санкт-Петербург
Имя
Юрий
Предупреждений
2
серия ТОТ стоит копейки и вполне приличные
 

Вакула

2 ранг
Регистрация
6 Окт 2019
Сообщения
367
Реакции
132
Репутация
25
Страна
СССР
Предупреждений
5
Как кто замеряет граничное напряжение?
Нужно из МП38А отобрать на вольт 30-40.
 

Юджин Кинг

2 ранг
Регистрация
30 Сен 2023
Сообщения
322
Реакции
62
Репутация
12
Страна
UA
Город
Odessa
Как кто замеряет граничное напряжение?
Нужно из МП38А отобрать на вольт 30-40.
Дилетанский подход. Смотрите параметры -15 В.
Граничное напряжение биполярного транзистора
- напряжение между коллектором и эмиттером при нулевом токе базы и заданном токе эмиттера
Напряжение между выводами коллектора и эмиттера при токе базы, равном нулю, и заданном токе эмиттера.
Обозначение
UКЭОгр
U(L)CEO
[ГОСТ 20003-74]
 

Вложения

  • mp35_36_37_38.pdf
    230.5 KB · Просмотры: 27
  • МП38.pdf
    528.9 KB · Просмотры: 31

Вакула

2 ранг
Регистрация
6 Окт 2019
Сообщения
367
Реакции
132
Репутация
25
Страна
СССР
Предупреждений
5
Спасибо что про 15 вольт напомнили, а то я не знал.
Только люди их с граничным за 40 находили. Вот и хотелось бы взглянуть на схемку проверочника.
 

АВК

2 ранг
Регистрация
13 Ноя 2023
Сообщения
827
Реакции
63
Репутация
11
Возраст
67
Город
культурная столица Поволжья
Имя
дядя АЛЕКС
Как то это всё ЗАГАДОЧНО...
К примеру - пример
Обратите внимание на допустимые напряжения и РАСТОЛКУЙТЕ - Э-К меньше К-Б.
Ну вот КАК это может быть - часть больше целого???
 

Вложения

  • IMG_20250506_095402.JPG
    IMG_20250506_095402.JPG
    107.7 KB · Просмотры: 53

Динозавр

1 ранг
Регистрация
31 Янв 2023
Сообщения
2,948
Реакции
872
Репутация
52
Страна
Россия
Город
станица Пашковская
Имя
Александр
Предупреждений
3
Нужно из МП38А отобрать на вольт 30-40
Те,которые не пройдут проверку, будете выбрасывать? Тогда очень просто...
В схеме ОЭ с резистором Б-Э (1к) и нагрузке резистором 390к при питании импульсом 40 в со скважностью >10.
Яркий светодиод в нагрузке последовательно. Моргает- значит того...Можно взять полпериода 50 гц с амплитудой 40в.
 
Последнее редактирование:

Вакула

2 ранг
Регистрация
6 Окт 2019
Сообщения
367
Реакции
132
Репутация
25
Страна
СССР
Предупреждений
5
Те,которые не пройдут проверку, будете выбрасывать? Тогда очень просто...
С чего это, ничего не случится с ними, измерения просто покажут их предел.
Мощные, к примеру 808,819, 827 я замерял по схемке Бокарева. Очень многие держат К-Э на 50-70% больше от справочника.
 
Регистрация
12 Ноя 2019
Сообщения
28,310
Реакции
13,622
Репутация
395
Спасибо что про 15 вольт напомнили, а то я не знал.
Только люди их с граничным за 40 находили. Вот и хотелось бы взглянуть на схемку проверочника.
Диод, емкость на пару мкф и резистор на 1 мом. Это все к тестеру на предел 300 вольт, транзистор сам покажет, сколько держит. База- эмитер закоротить.
 

юан8

1 ранг
Регистрация
9 Мар 2024
Сообщения
3,186
Реакции
760
Репутация
51
Страна
РФ
Город
Санкт-Петербург
Имя
Юрий
Предупреждений
2
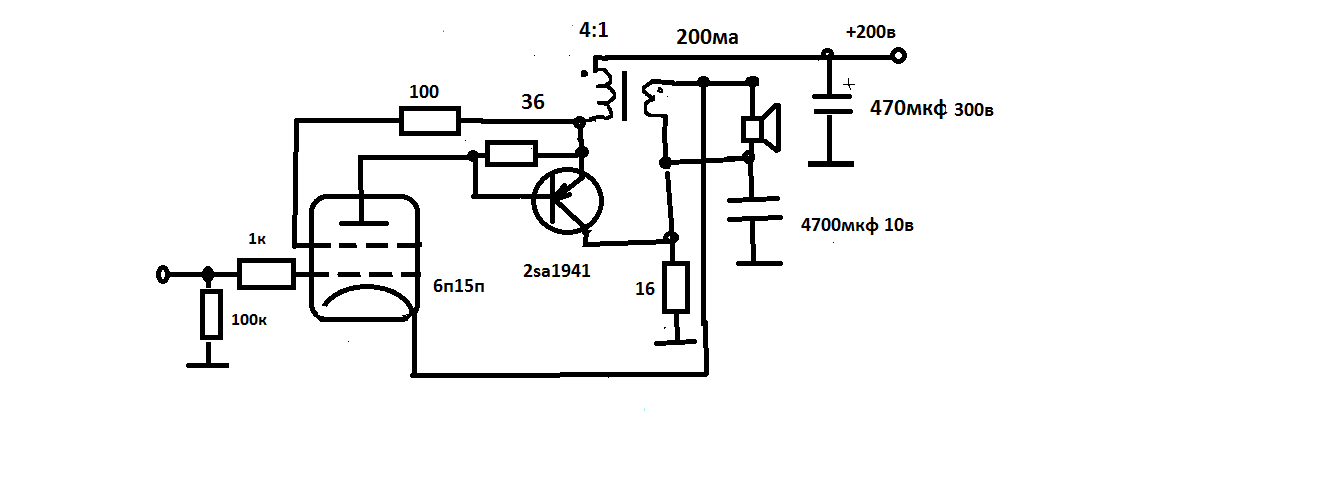
сколько реально держат 2SA1941? никто не мерял?
 

юан8

1 ранг
Регистрация
9 Мар 2024
Сообщения
3,186
Реакции
760
Репутация
51
Страна
РФ
Город
Санкт-Петербург
Имя
Юрий
Предупреждений
2
в таком гибриде не должны подохнуть?
 

Вложения

  • гибридник простой8.png
    гибридник простой8.png
    14.9 KB · Просмотры: 54
Регистрация
17 Май 2024
Сообщения
384
Реакции
419
Репутация
21
Возраст
63
Страна
Россия
Город
Бердск
Имя
Владимир
Предупреждений
2
Добавлю: при соединении базы с эмиттером.
 

юан8

1 ранг
Регистрация
9 Мар 2024
Сообщения
3,186
Реакции
760
Репутация
51
Страна
РФ
Город
Санкт-Петербург
Имя
Юрий
Предупреждений
2
но тут 36ом и напряжение примерно 190в с учетом падения на трансе и смещении 4в на 6п15п ,просто не знаю как 6п15п при 150в работает поэтому проверенные 200в питания применил
скупой платит дважды))))наверное все таки надо 2sa1943 у них 230в по паспорту да и мощи запас
либо 6э5п при 140в ставить
 
Последнее редактирование:

Статистика форума

Темы
3,094
Сообщения
235,966
Пользователи
2,387
Новый пользователь
Тула
Сверху Снизу