Германиевые УНЧ

Регистрация
12 Ноя 2019
Сообщения
28,303
Реакции
13,620
Репутация
395
А вы видели в бытовой аппаратуре инверсное включение транзисторов ?
я точно не видел. Теорию- читал. Ощущение, что по пьянке перепутали выводы транзистора, потом включили- а оно работает. И получилась умная теория)))

Купил приемник из-за 3 гд-32
А он похоже от сырости слегка деформировался и шуршит
Пока разбирал база на п213 отломилась )))
Теперь ещё менять его
Когда-то бы уже включить УНЧ и послушать))
Транзисторы есть или помочь надо?
 

A-1

1 ранг
Регистрация
25 Июн 2020
Сообщения
1,130
Реакции
119
Репутация
31
Страна
Россия
Имя
Александр
Транзисторы есть или помочь надо?
Так с Ессентуков пожарник подарил УНЧ Лен-б, отсыпал пару 213 и 4 шт 217
И ещё АС серию, bl 107-177 комплементарную пару и ещё какой-то там кремний есть маломощный
Теперь наверное сядем и в схему концертный 304 допилим таки ещё каскад на п217
До гитарника 30 вольт 30 вт
Надеюсь на это. на месте и генератор и осциллограф есть.
Теперь другая проблема Урал булава нео динамик резковат.
Песочит прилично неодим.
Но на улице особо не проблема как раз

Кстати на эмиттере т9 (мп41) у вас есть 11вольт ?
У меня п213 без базы пока не поменял и не включал

Подскажите люди добрые ещё!!!!
Выходной транс автобусного приемника турист намотан
Под 1 и 6 ом выходы. можно ли подобрать выходной транс под 4 ома с Ламповой радиолы например?
Прилагаю данные с туриста
Салон 1 ом выход

Также история с Эстония-2
Выходной транс под 0,6 ома
Чем доматывать можно ли что то подобрать с других радиол?
Или все индивидуально в каждом случае своя сугубо отдельная история? AyMMBo1z7h8.jpglMyTrw9esmM.jpg
 

A-1

1 ранг
Регистрация
25 Июн 2020
Сообщения
1,130
Реакции
119
Репутация
31
Страна
Россия
Имя
Александр
А в каком городе и на какой улице вы терзаете местное население?
Терзают его ребята с сабами и эстрадками из распахнутых дверей чаще тазов
На набережной Ижевского пруда
А я в 2005 играл Сатриани, еще темы какие то через ломо уо-4 и гармонию 70-м
А этим летом было тепло и снова вышел на улицу, а так в последние годы как-то вообще лета не было
 

rngtng

1 ранг
Регистрация
9 Дек 2020
Сообщения
532
Реакции
143
Репутация
16
Страна
моя
Имя
rngtng
Терзают его ребята с сабами и эстрадками из распахнутых дверей чаще тазов
На набережной Ижевского пруда
А я в 2005 играл Сатриани, еще темы какие то через ломо уо-4 и гармонию 70-м
А этим летом было тепло и снова вышел на улицу, а так в последние годы как-то вообще лета не было
В Ижевске? Пруд - красивое место.
 

A-1

1 ранг
Регистрация
25 Июн 2020
Сообщения
1,130
Реакции
119
Репутация
31
Страна
Россия
Имя
Александр
IMG_20211211_183611.jpgIMG_20211211_183449.jpgIMG_20211211_183338.jpg
Опознате транзисторы ВК по фото?
Насколько я понял ВК возле транса
Видимо приемник на 0,5 вт
 
Регистрация
13 Окт 2019
Сообщения
5,505
Реакции
1,580
Репутация
107
Возраст
68
Страна
Россия
Город
Свердловкая обл.
Предупреждений
5
Транзисторы братской Венгрии, Болгарии и тп...
 

rngtng

1 ранг
Регистрация
9 Дек 2020
Сообщения
532
Реакции
143
Репутация
16
Страна
моя
Имя
rngtng
Но выходной каскад там же возле транса?
Выходные транзисторы обязаны базами быть припаяными к фазоинверсному трансформатору, а коллекторами к выходному трансформатору. Это в типовой схеме. Что касается самого приемника, то синие аксиальные электролиты очень напоминают филипсы, И если это они, да еще и целые, в чем я лично сомневаюсь, то это лакомство для гурманов звука, их можно с чаем, с кофеём, а лучше сразу с коньячком. С пивом не рекомендуется.
 

A-1

1 ранг
Регистрация
25 Июн 2020
Сообщения
1,130
Реакции
119
Репутация
31
Страна
Россия
Имя
Александр
IMG_20211213_205445.jpgIMG_20211213_205615.jpgnQ0ixkOXzkA.jpg
А другой транзистор между всеми тремя выводами напрямую звонитсяIMG_20211213_211338.jpg
 
Последнее редактирование:

rngtng

1 ранг
Регистрация
9 Дек 2020
Сообщения
532
Реакции
143
Репутация
16
Страна
моя
Имя
rngtng
перед измерением провода следует отпаять.
d315d sanyo denki - это кремниевые транзисторы
 

A-1

1 ранг
Регистрация
25 Июн 2020
Сообщения
1,130
Реакции
119
Репутация
31
Страна
Россия
Имя
Александр

A-1

1 ранг
Регистрация
25 Июн 2020
Сообщения
1,130
Реакции
119
Репутация
31
Страна
Россия
Имя
Александр
Предложите схему ad161,162
Для самостоятельной сборки
 
Регистрация
12 Ноя 2019
Сообщения
28,303
Реакции
13,620
Репутация
395
Предложите схему ad161,162
Для самостоятельной сборки
Юрий Робертович выкладывал схемы из книжки Иржи Свободы Модульные радиолюбительские конструкции
 

A-1

1 ранг
Регистрация
25 Июн 2020
Сообщения
1,130
Реакции
119
Репутация
31
Страна
Россия
Имя
Александр

A-1

1 ранг
Регистрация
25 Июн 2020
Сообщения
1,130
Реакции
119
Репутация
31
Страна
Россия
Имя
Александр
Или можно брать на аналоге гт703-гт705 ставить в ВК ad161-162?
При возбуждении сгорит ВК

Стерео схемы не нужны -буду привозить с немецкого ибея Кертинг, Филипс шнауб, да что подвернётся.
А вот под гитару с минусами на 4 ома нагрузку есть пока 1 схема из радио - 30вольт 30 вт номинал. Это вроде как параллельник считается?
Популярная схема у тех кто любит от 15вт и выше мощность


Вот допилить каскад на 217
И получить усилок сложно?
Из верхней схемы концертнный 304Посмотреть вложение 26804Посмотреть вложение 26805
 

A-1

1 ранг
Регистрация
25 Июн 2020
Сообщения
1,130
Реакции
119
Репутация
31
Страна
Россия
Имя
Александр
Астра 207
Нет звука
При включении шуршит кратко в динамиках
Минимального шипения нет вк сгорел?
27 вольт приходит
плюс питания и 1 нога подстроечника
Там 13 вольт
Кондеры смонтированы на резинках все.
Я думал выпала резинка
Нет такой монтаж
IMG_20211230_172031.jpgIMG_20211230_172005.jpgIMG_20211230_171754.jpgIMG_20211230_171708.jpgIMG_20211230_171639.jpgIMG_20211230_171618.jpgIMG_20211230_181357.jpg
 
Последнее редактирование:

Nicolay

3 ранг
Регистрация
13 Дек 2019
Сообщения
8
Реакции
-16
Репутация
17
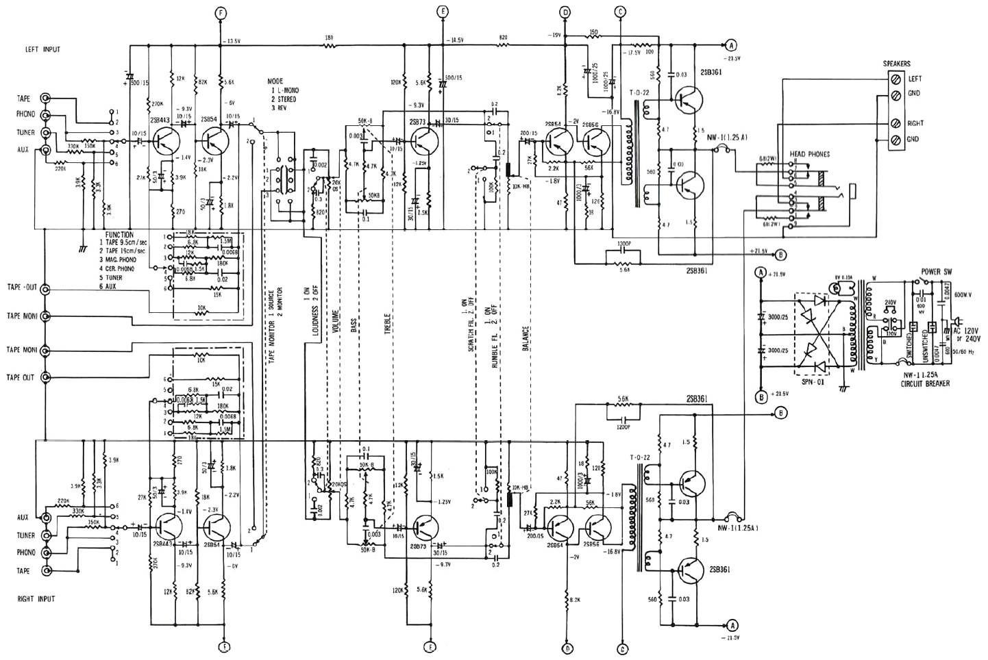
nikko-trm-40-ldsound.ru-1.png
Подскажите пожалуйста, какими отечественными транзисторами можно заменить 2sb54 и 2sb56?
 

Святослав_

1 ранг
Регистрация
10 Июн 2021
Сообщения
7,351
Реакции
3,802
Репутация
167
Страна
Україна
Город
Бердянськ
Предупреждений
1
На p-n-p 2sb54 много вариантов замены. Навскидку должны подойти МП20Б,В; МП21Г,Д,Е.
Взамен полумегагерцевого 2sb56, кроме перечисленных, ещё и МП25Б, МП26Б.
 

Святослав_

1 ранг
Регистрация
10 Июн 2021
Сообщения
7,351
Реакции
3,802
Репутация
167
Страна
Україна
Город
Бердянськ
Предупреждений
1
Опасная замена на высокочастотные ГТ321. Ёмкости большие, частота тоже, технология не сплавная, конверсионная.
Может или засвистеть схема, или будет не в режиме по постоянке/переменке, линейности.
 
Последнее редактирование:

Вакула

2 ранг
Регистрация
6 Окт 2019
Сообщения
367
Реакции
132
Репутация
25
Страна
СССР
Предупреждений
5
Регистрация
13 Окт 2019
Сообщения
5,505
Реакции
1,580
Репутация
107
Возраст
68
Страна
Россия
Город
Свердловкая обл.
Предупреждений
5
И где это Вы видели, чтоб ГТ, 1Т321 генерили?!?! Самое то в этой схеме!
ГТ124Г и ГТ125Г, про которые я и не слышал, П605 зачем то...
 

Вакула

2 ранг
Регистрация
6 Окт 2019
Сообщения
367
Реакции
132
Репутация
25
Страна
СССР
Предупреждений
5
Посмотреть вложение 30020Подскажите пожалуйста, какими отечественными транзисторами можно заменить 2sb54 и 2sb56?
МП26-ГТ402 вполне. Можно попробовать связку ГТ321-П605.
И где это Вы видели, чтоб ГТ, 1Т321 генерили?!?! Самое то в этой схеме!
ГТ124Г и ГТ125Г, про которые я и не слышал, П605 зачем то...
Да в принципе нечего здесь выдумывать, МП26Б оба, те же 0.5мГц, а по току и мощности ещё надёжней.
 
Регистрация
13 Окт 2019
Сообщения
5,505
Реакции
1,580
Репутация
107
Возраст
68
Страна
Россия
Город
Свердловкая обл.
Предупреждений
5
Вакула, только не надо этих танталово-ниобиевых бумов, придуманных скупщиками, еще и сюда воткнете. И так всю ветку засрали. Пора, наверное, завязывать с этими транзисторами...
 

Вакула

2 ранг
Регистрация
6 Окт 2019
Сообщения
367
Реакции
132
Репутация
25
Страна
СССР
Предупреждений
5
Вакула, только не надо этих танталово-ниобиевых бумов, придуманных скупщиками, еще и сюда воткнете. И так всю ветку засрали. Пора, наверное, завязывать с этими транзисторами...
А где в этой ветке я упоминал о тантале!? Похоже на маразм.

Я и не начинал ни в одной ветке о тантале и ниобий. Э Вы, Ю.Р. как только его заприметите мантры свои заводите.
 
Регистрация
13 Окт 2019
Сообщения
5,505
Реакции
1,580
Репутация
107
Возраст
68
Страна
Россия
Город
Свердловкая обл.
Предупреждений
5
"То, что советские тантал и ниобий ведут себя непредсказуемо - безалаберность и по...зм при изготовлении. По факту ни кто не отличит на слух на ходе усилителя алюминий и тот же К52. В Бригах стоят, и чуть ли не эталоном считают. А уж про КМ в темброблоках даже не смешно"
А это кто?
 

Последние сообщения

Статистика форума

Темы
3,068
Сообщения
234,507
Пользователи
2,375
Новый пользователь
Sergovlad
Сверху Снизу