Смотрите видео ниже, чтобы узнать, как установить наш сайт в качестве веб-приложения на домашнем экране.
Примечание: Эта возможность может быть недоступна в некоторых браузерах.
не все буквы с хорошим вольтажом, да и частотка на уровне п217.у вас там гт403 полно,если их компактно запараллелить по 4шт то не плохо выйдет на 39в они высоковольтные и частотка не плохая 10кгц
недавно прокатились с зятем в соседний город, купили там у одного музыканта охеренный комбик на батарейках, сделан под перевозку на колесиках, по типу чемодана, звук чарующий, послушал свои записи с флешки, охренел, сказал-берем не глядя. Там сзади куча входов и под микрофоны и под пульт и под блютуз и под флешку . Динамики звучные, двухполоска отменного качества. Владелец расставался с комбиком с сожалением, прижало, деньги нужны. Мы даже торговаться не стали, такой кайфовый звук .От одной зарядки часов 6 работает, со слов хозяина комбика.он музыкант,купи 7 аккумов 26700 литий будет тебе чистейшее питание на день хватит ночью зарядишь))))))
я бы уже за это время тс-40 перемотал вторичку под свой вкус,а тем более отмотал,там час делов
А я что, лазил унутрь? задача была оценить звуковые качества устройства. Они на высоте.а усилитеель какой ,на чем
Басят хорошо. Для гитарки самое то...я вот не пойму чего музыканты без ума от п210??? да еще с ОЭ
Я не без ума от п210я вот не пойму чего музыканты без ума от п210??? да еще с ОЭ
у меня дома п210а штук 15 ВП осталось,но я их не слышал,а жаль......
Это вопрос или жалоба?Нужен транс 20 Вт 30 ВТ с которого можно снять переменку 19 в
это для включения с ОБ которое никакого отношения не имеет к данным схемам,в ломо включение с ОЭ,а это граничная частота 4...5кгц а то и хуже в зависимости от типа транзистора,оос немного исправляет положениеДля этого достаточно п213 с ft 150кгц
Для вас эта задача на щелбан. Соответственно знаниям и опыту. Но станьте на место вопрошающего и все поймете. Вам же пишут, в электронике ни барана.это для включения с ОБ которое никакого отношения не имеет к данным схемам,в ломо включение с ОЭ,а это граничная частота 4...5кгц а то и хуже в зависимости от типа транзистора,оос немного исправляет положение
тут еще помогает тот факт что транзисторы сплавной технологии не дают ступеньку при работе в В классе
даже гт402\404 выполненные по другой технологии уже хуже в этом плане
вот поэтому мне очень интересно запараллелить гт403 они сплавные и относительно с большей частотой 8...10кгц
плюс они мелкие и легко смонтировать с короткими выводами
трансформаторное управление сплавными транзисторами рулит и я бы развивал это направление
еще очень хороший вариант применить на выходе гт806плюс кт908 хоть и кремний это отличная пара
насчет транса вам же сказали взять и отмотать частьвторички либо стаб сделать
З поміж стандартних можуть підійти ТН33 або ТН36. три з чотирьох наявних обмотки з'єднуєте послідовно-узгоджено і радієте життю.Нужен транс 20 Вт 30 ВТ с которого можно снять переменку 19 в
ГТ403Ау вас там гт403 полно,если их компактно запараллелить по 4шт то не плохо выйдет на 39в они высоковольтные и частотка не плохая 10кгц и 4вт один держит
8 кгц и 150 кгц , как сказал бы наш легендарный кап-три Кирюхин, -не путайте Бисмарка с насморком. А для начала поделите ваши 150 на бету.ГТ403А
Транзисторы ГТ403А германиевые сплавные структуры p-n-p усилительные.
Предназначены для применения в переключающих устройствах, выходных каскадах усилителей низкой частоты, преобразователях и стабилизаторах постоянного тока.
Используются для работы в электронной аппаратуре общего назначения.
Выпускаются в стеклометаллическом корпусе с гибкими выводами.
Маркировка нанесена цифро-буквенным кодом на корпусе транзистора.
Масса транзистора не более 4,0 г.
Категория качества: «ОТК».
Технические условия:
- приемка «1» - СИ3.365.036ТУ.
Гарантийный срок сохраняемости - не менее 10 лет с момента изготовления.
Импортный аналог: AD152.
Основные технические характеристики транзистора ГТ403А:
• Структура: p-n-p
• Рк т max - Постоянная рассеиваемая мощность коллектора с теплоотводом: 4 Вт;
• fmax - Максимальная частота генерации: 0,008 МГц;
• Uкбо проб - Пробивное напряжение коллектор-база при заданном обратном токе коллектора и разомкнутой цепи эмиттера: 45 В;
• Uэбо проб - Пробивное напряжение эмиттер-база при заданном обратном токе эмиттера и разомкнутой цепи коллектора: 20 В;
• Iк max - Максимально допустимый постоянный ток коллектора: 1250 мА;
• Iкбо - Обратный ток коллектора - ток через коллекторный переход при заданном обратном напряжении коллектор-база и разомкнутом выводе эмиттера: не более 50 мкА при 45 В;
• h21э - Коэффициент обратной связи по напряжению транзистора в режиме малого сигнала для схем с общим эмиттером и общей базой соответственно: 20...60 при 5В, 0,1 А;
• Rкэ нас - Сопротивление насыщения между коллектором и эмиттером: не более 1 Ом;
• Кш - Коэффициент шума транзистора: не нормируется
Так глухие они до 8 кГц частота передачи тока
Против 150кгц у п213
Нет, увы я ошибался у меня четыре коробки гт 403aвы же писали что гт403И,они 80вольтовые
а вот еще для вас выкладываю частоты чтобы не путали
Спасибо огромное за ваш трудну так что из транзисторов есть?
вверх поставь два п 214 родных а вниз два 213 если других нет
питание поднять до 27в транзюки поменять я написал и что красным кондеры и тд
V5-2n5401,кт3107и,д,к,2sa1015
в эмиттере мп37б любой мп40,41,25.20 21 гт308,p-n-p
диод в шине питания лучше шоттки или д7
резисторы в эмиттерах выходников 0,47,,,1ом можно сделать из константановой манганиновой проволоки 0,4,,,,06мм,примерно 10см и намотать безиндукционно на оправке сложив пополам провод
электролиты вольтодобавки и выходной увеличить я написал,резисторы уна уменьшить указал
когда сделаешь,выставишь 13,5в на выходе (27в питание) и померяешь ток покоя(падение на резисторе в эмиттере выходника) еще проверишь напряжение на коллекторе
v4 7,7...8в
а гт402г\404г нет у Вас??? можно бы было их поставить и питание до 35в поднять
Только 1 транзистор естьвы же писали что гт403И,они 80вольтовые
а вот еще для вас выкладываю частоты чтобы не путали
Так есть какие-то полубочонки три штуки я не знаю как их идентифицироватьэто не страшно что есть 217 только,поставите его в плечо где шиклаи,те после мп37 б а в плече с дарлингтоном пусть работает п214 это даже лучше чем оба плеча 214
теоретически при 27в на 8 ом можно получить 9вт поэтому делаем 28в получим 11вт
4ом нагрузку не применяйте на вч сильно потребление растет
осталось транс отмотать или стаб сделать в него пойдет п217плюс гт403
гт402404 с какими буквами?
п308 не стоит применять,лучше купите 2n5401 и 2n5501 это не дорого или наши кт3107И,Д и кт3102к,и ,д,в б
какие есть из мп ? есть мп37б и мп 20а мп40а?
и п217 с какими буквами ? нужно выбрать лучший желательно б или А а из них с большей бэттой
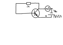
ее не обязательно мерять просто кинуть 1к между базой и коллектором и ток померять в такой схемке

они у Вас есть???? на них отличный можно из концнртного или астры сделать!!!!! зачем их в трансформаторный пихать туда лучше всего кт908 ваши или по три гт403 в параллель отобрать из такого колличества можно отличную подборку сделатьад-161 ад-162
Доброго дня. А що з Корветом не так? Дякую.Ну куда уж деваться, и Корвет тоже в игноре тоже