Германиевые УНЧ

схемы все практически можно довести до ума,любые
ад161\162 уникальные транзюки их для бестрансформаторных надо ставить
гт402 в предвыход вых каскада нормально у него 20кгц это не 5кгц как у п213,214 и тд
где лен? давай его умощним,схема где
так есть ад161\162 или нет у вас?
 
схемы все практически можно довести до ума,любые
ад161\162 уникальные транзюки их для бестрансформаторных надо ставить
гт402 в предвыход вых каскада нормально у него 20кгц это не 5кгц как у п213,214 и тд
где лен? давай его умощним,схема где
так есть ад161\162 или нет у вас?
Так они до 20 вольт
 
да на них 5вт потолок
а чем последняя не нравится? п210а на выход и будет качать ватт 40 можно даже 35в запитать нагрузку 8ом если цеплять
его даже на картонке спаять легко)))
 
Последнее редактирование:
схемы все практически можно довести до ума,любые
ад161\162 уникальные транзюки их для бестрансформаторных надо ставить
гт402 в предвыход вых каскада нормально у него 20кгц это не 5кгц как у п213,214 и тд
где лен? давай его умощним,схема где
так есть ад161\162 или нет у вас?
tnT68K5WxOM.jpgвот Лен б так доработан там предлагалось заменить ещё какой-то резистор и ставить питание смело 4 Ом и в эмиттеры вк ставить от 0,1 до 0,5 Ома это при подъёме питания со стандартного 12 до 20 в
При подъёме питания с 3S до 4S мощность растёт (3s это 3*18650, 12,6 вольт полный заряд)
 
мощность транзисторами ограничена,у них 4вт так что сильно не поднять 5вт потолок
для трансформаторного
транс нужен с кулак по любому или нч будут искажаться,а это примерно 1.5 кг плюс входной транс 0.5кг
либо легкие трансы на пермаллое 50Н но где его брать
а так если хош делай мою схему на 210 питание 19в она всех уделает,тк это повторитель ,но ты не хочешь,,,,,пойми там тда работает на холостом ходу и искажения у нее 0,003%,зато лучше драйвера не найдешь для повторителя на 210 с трансом
схема льна обычная,но даже можно лучше сделать применив двойку мп37+АД161 и мп40+АД162 хочешь схему нарисую
вот так лучше концертный переделать не параллелить а ускорить п605ми без радиаторов
10вт на 214 получим и очень малые искажения
концертный умощ.jpg

вот так
зеленым транзисторы до 21в питания красным при 16в мп38а низковольтные,мп37высоковольтные но хуже, остальные не важно
с 3107и 3102 буквы важны будет лучше чем с родными
R3 подобрать чтобы в точке 2 было половина питания
коррекцию я поменял будет лучше
блокировку керамику 0,1мкф кидай прямо на коллекторы и как можно короче выводы у него чтобы были
резики в эмиттерах 0,5ом шунтируй кондером 1000мкф низкоимпедансным от материнок на 4...6в для компов,он маленький
с8=0,047мк когда 3102 поставишь можно выкинуть,кондер параллельно резику оос 100p примерно лучше подобрать
миллер тоже попробовать 68р сначала если не будет возбуда оставить 68р потом второй подбирать что в оос
лен мод.jpgлен мод1.jpg
 
Последнее редактирование модератором:
вот так
зеленым транзисторы до 21в питания красным при 16в мп38а низковольтные,мп37высоковольтные но хуже, остальные не важно
с 3107и 3102 буквы важны будет лучше чем с родными
R3 подобрать чтобы в точке 2 было половина питания
коррекцию я поменял будет лучше
блокировку керамику 0,1мкф кидай прямо на коллекторы и как можно короче выводы у него чтобы были
А суть доработки какая? Выдаст 10 Вт?
Просто для музыки схема итак работает а для ресторана надо 10 -12 Вт номинал не на этих транзисторах

Нашел параллельник простую схему старую но как она зазвучит неясно, не уверен что стоит в этим возиться
 

Вложения

  • kwwkTUuj8UY (1).jpg
    kwwkTUuj8UY (1).jpg
    119.7 KB · Просмотры: 159
Нашел параллельник простую схему старую но как она зазвучит неясно, не уверен что стоит в этим возиться
Две непонятки к очень красивой удачной схемке.
Глубинный смысл дросселей в питании опера и в чем провинились выходники, что их оставили без присмотра строгой фрекен ОООС.
 
А суть доработки какая? Выдаст 10 Вт?
искажения в 10 раз снизит,а мощность в транзисторы упирается 4вт может они страхуются ток у них 3а на 4ом должны потянуть больше ,если бы две пары было,,,,
а параллельник на кремнии ,тебе же германий надо
а так нет проблем купи пару 2sc5198\2sa1941 оригинальную и можно сделать по этой схеме что я дал для льна ватт 35 от 39в питания
 
Классика жанра, и без ЭМОС можно
 

Вложения

  • f.1974-01.045.jpg
    f.1974-01.045.jpg
    500.6 KB · Просмотры: 175
  • f.1975-01.058.jpg
    f.1975-01.058.jpg
    460.9 KB · Просмотры: 169
  • f.1975-01.059.jpg
    f.1975-01.059.jpg
    472.9 KB · Просмотры: 170
ну это не спешно,а пока астру переделай или концертный
в каждый эмиттер ? выходная обмотка 9 - провод ?
выходную отдельной секцией можно толстым проводом
Ктр малый и полоса будет даже так очень широкая
я же чертеж привел посмотрите,если п215 пару параллелить то можно все бифилляром а при 4шт имхо удобнее секции сделать
 
Две непонятки к очень красивой удачной схемке.
Глубинный смысл дросселей в питании опера и в чем провинились выходники, что их оставили без присмотра строгой фрекен ОООС.
Возможно это схема для автомобильного усилителя или магнитолы
 
1961 еще, а меня всякими мульками пытаются
 

Вложения

  • besson_109.png
    besson_109.png
    606.2 KB · Просмотры: 189
  • besson_004-1.png
    besson_004-1.png
    611.6 KB · Просмотры: 180
  • besson_002.png
    besson_002.png
    186.3 KB · Просмотры: 123
  • besson_110.png
    besson_110.png
    701.2 KB · Просмотры: 190
На трёх полевиках у меня есть прекрасный дисторшн звучит очень кругло жирно.
Ну это именно дисторшн это не преамп полевики работают только на перегруженном звуке
 
1961 еще, а меня всякими мульками пытаются
и что тут хорошего даже вольтодобавку не поставили,миллер,обычная схема,квази еще без баксандалла
будут хорошие транзисторы будет играть,на п217 сибилявить и греться
 
Последнее редактирование:
На мой взгляд, после испытания транзисторов по частотке, где П210 в схеме ОЭ выдал 4,1 кГц, а в схеме ОК выдал 20 кГц, это использование выходного каскада без применения квази или схемы ОЭ:
а) в виде циклотрона
б) трансформаторный выходной каскад, где выходные транзисторы в виде эмиттерных повторителей с драйверным согласующим трансформатором, включенным вторичными обмотками на номинальное выходное напряжение первичной обмотки выходного трансформатора.
в) трансформаторный выходной каскад, где выходные транзисторы в виде эмиттерных повторителей с драйверным согласующим трансформатором, со вторичными обмотками включенными на управление база-эмиттер выходных транзисторов
Транзисторы не обязательно П210, а имеется в виду П214, П217 и другие НЧ германиевые транзисторы (если нет ГТ806, ГТ813, ГТ910, П605)
 
меня гт403 заинтерисовали,жаль мало статистики какой процент имеет выше 10кгц в схеме оэ
причем с буквой И высоковольтные 80в и важно что сплавные ,вах с нуля идет и плавнее чем у других технологий
 
На мой взгляд, после испытания транзисторов по частотке, где П210 в схеме ОЭ выдал 4,1 кГц, а в схеме ОК выдал 20 кГц, это использование выходного каскада без применения квази или схемы ОЭ
Печалька... А если чисто теоретически, во второе плечо к П210 взять какой-нить высокочастотный типа 806-го с подбором одинаковости произведений Кус. выходного и предвыходного транзистора в каждом плече?
 
ГТ403Г - 15 кГц

Печалька... А если чисто теоретически, во второе плечо к П210 взять какой-нить высокочастотный типа 806-го с подбором одинаковости произведений Кус. выходного и предвыходного транзистора в каждом плече?
Бокарёв в Худе на германии подобное пробовал, вроде работает
 
В Худе это точно сработает, а вот как в двухтактном АВ?
 
На мой взгляд, после испытания транзисторов по частотке, где П210 в схеме ОЭ выдал 4,1 кГц, а в схеме ОК выдал 20 кГц, это использование выходного каскада без применения квази или схемы ОЭ:
а) в виде циклотрона
б) трансформаторный выходной каскад, где выходные транзисторы в виде эмиттерных повторителей с драйверным согласующим трансформатором, включенным вторичными обмотками на номинальное выходное напряжение первичной обмотки выходного трансформатора.
в) трансформаторный выходной каскад, где выходные транзисторы в виде эмиттерных повторителей с драйверным согласующим трансформатором, со вторичными обмотками включенными на управление база-эмиттер выходных транзисторов
Транзисторы не обязательно П210, а имеется в виду П214, П217 и другие НЧ германиевые транзисторы (если нет ГТ806, ГТ813, ГТ910, П605)
Скажите плиз, будет отличие в предельной частоте усиления при включении с общей базой и общим коллектором? Как бы на первый взгляд, включение ОК проще по обвеске. Но почему-то нигде нет данных по нему.
Кстати, П210 недавно отрыл в загашниках, но замерить его никак не успеваю, жмут дела.
 
806му в пару лучше всего кт908 хоть и кремний
ооо 403 неплох если 15кгц
А-1 я бы на твоем месте отобрал если 4 коробки у тебя,отличный усь с трансом можно запилить как я выше писал,с ОК значит не менее 100кгц
ок чуть хуже об но раз в 10 больше оэ
да и выходное низкое с ок что хорошо
 
Последнее редактирование:
Лучше вообще поставить два одинаковых и не париться... Я чего интересуюсь - ходют слухи в аудиофилической среде, что наши мощные ВЧ транзюки в выходном каскаде очень "нервно" себя ведут и звучат истерически. А П210 ошень хороши внизу, но включить их в ОК без железяки никак не возможно. Вот и появилась мысля скрестить бульдога с носорогом. И чтобы чисто германических, никакого силикону...
 
самое лучшее это биампинг до 5кгц п210а ,выше п605,гт906
если акустика многополосная
а железяка только ценой плоха,если есть не задумывайтесь хорошая штука и кондеров не надо дорогих на выход и простота и защита акустики
причем в отличие от лампы транс от повторителя имеет ничтожные искажения тк выходное источника низкое
можете проверить взять глубокоосник и замерить искажения подключив нагрузку через транс и напрямую-одинаковый спектр
 
Последнее редактирование:
Лучше вообще поставить два одинаковых и не париться... Я чего интересуюсь - ходют слухи в аудиофилической среде, что наши мощные ВЧ транзюки в выходном каскаде очень "нервно" себя ведут и звучат истерически. А П210 ошень хороши внизу, но включить их в ОК без железяки никак не возможно. Вот и появилась мысля скрестить бульдога с носорогом. И чтобы чисто германических, никакого силикону...
Все в точности наизнанку. В схеме Худа нижной включен с ОЭ, полоса дряннее некуда, поэтому вниз ставим самого шустрого в коллекции . А наверх что бог послал, хоть П210.
Я ставил в пару германию AD162 внизу П215 наверх, добежали они вместе до 200 килогерц, без намека на рост сквозного тока. дальше стало мне страшно, не стал рисковать.
 
Я тут уже спрашивал мостовую схему левого правого канала Веги вот тебе и усилок моно 15 ватт номинал при импульсном блоке питания 24 вольта 5 а с хорошим фильтром.
По-моему для новичка самое простое вот взять и по готовой схеме собрать в мост левый и правый канал
Нет?
 
не связывайся с мостом на германии,,,,,
а что тебя не устраивает в обычной схеме? делай и слушай тот же концертный или астру ,под лежачий камень вода не течет,пора уже слушать
для новичка самое простое два моста 7377 за 100руб причем я уверен что при слепом тесте она уделает и астру и концертный,купи и послушай
мосты можно запараллелить через резисторы 0,5ом только соблюдай полярность будет при 19в питания 35вт на 4ом при 0,05% искажений

 

Вложения

  • Цирклотрон_С_ 1Т910_&#10.jpg
    Цирклотрон_С_ 1Т910_&#10.jpg
    169.6 KB · Просмотры: 169
  • Цирклотрон_ D_вар..jpg
    Цирклотрон_ D_вар..jpg
    155.6 KB · Просмотры: 173
  • Hybrid_Circlotron.jpg
    Hybrid_Circlotron.jpg
    55.3 KB · Просмотры: 165
Последнее редактирование:
не связывайся с мостом на германии,,,,,
а что тебя не устраивает в обычной схеме? делай и слушай тот же концертный или астру ,под лежачий камень вода не течет,пора уже слушать
для новичка самое простое два моста 7377 за 100руб причем я уверен что при слепом тесте она уделает и астру и концертный,купи и послушай
мосты можно запараллелить через резисторы 0,5ом только соблюдай полярность будет при 19в питания 35вт на 4ом при 0,05% искажений
Первый раз слышу что мосты в тда7377 можно паралелить. Схему ба.
 
Первый раз слышу что мосты в тда7377 можно паралелить. Схему ба.
резисторы 0,15,,,,0,5ом можно сделать из отрезков константанового провода 0,4,,,0.5мм одинаковой длины 5см,
а можно вовсе без них если применить 4х жильный кабель к АС
 

Вложения

  • параллель.jpg
    параллель.jpg
    52.6 KB · Просмотры: 112
Последнее редактирование:
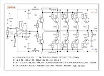
Выделенные пунктиром транзисторы это что имеется ввиду ?
 

Статистика форума

Темы
3,305
Сообщения
263,146
Пользователи
2,544
Новый пользователь
vlad'mir
Назад
Сверху Снизу