Германиевые УНЧ

валяется где-то пара 403-х .Глянуть бы частотку их.
Так то во всех справочниках 8кГц, однако человек померил вот здесь

"Так получается ближе к истине - собрал каскад с ОЭ на ГТ403, частота, на которой выходное напряжение уменьшилось на 3дБ (0,707) получилась около 140кГц."
 
да тут их по общей методике меряли и вышло у 214-5кгц
у гт403-15кгц те нормуль особенно в ОК
а в справочнике указана максимальная частота генерации -более 8кгц
с общей базой у них примерно 500кгц самое главное что сплавные с такой нормальной частотой,у сплавных ВАХ плавная без ступеньки
на них по схеме с трансом фазоинверсным лучше всего делать и параллелить ,а с двумя трансами и ОК вообще супер
 
Последнее редактирование:
да тут их по общей методике меряли и вышло у 214-5кгц
у гт403-15кгц те нормуль особенно в ОК
а в справочнике указана максимальная частота генерации -более 8кгц
с общей базой у них примерно 500кгц самое главное что сплавные с такой нормальной частотой,у сплавных ВАХ плавная без ступеньки
на них по схеме с трансом фазоинверсным лучше всего делать и параллелить ,а с двумя трансами и ОК вообще супер
А вот почему в 70-х с двумя трансами всегда делали с ОЭ? Только из-за +массы? С ОК же больше преимущества.
 

Вложения

  • b.1970-06.064.jpg
    b.1970-06.064.jpg
    778 KB · Просмотры: 175
Електрична потужність, то є добуток від напруги і струму сигналу. Каскад з загальним емітером спроможний підсилювати напругу. Таким чином, отримуємо потрібну в навантаження потужність при меншому рівні струму. ДумайТе
 
Старика Гендина в помощь
 

Вложения

  • Гендин УНЧ mrb0663 1968г_002.gif
    Гендин УНЧ mrb0663 1968г_002.gif
    71 KB · Просмотры: 208
  • Гендин УНЧ mrb0663 1968г_096.gif
    Гендин УНЧ mrb0663 1968г_096.gif
    268.5 KB · Просмотры: 218
Як для 1968 року, гарно. _da
 
Последнее редактирование:
А вот почему в 70-х с двумя трансами всегда делали с ОЭ? Только из-за +массы? С ОК же больше преимущества.
Больше коэффициент усиления по мощности- меньше транзюков в схеме.
 
А вот почему в 70-х с двумя трансами всегда делали с ОЭ?
потому что тогда транзюки были дорогие а оэ дает большее усиление на один транзистор по мощности,и заодно напряжение усиливает
вот с ОЭ схема с одним трансом
 

Вложения

  • CIR13534S_00012403.png
    CIR13534S_00012403.png
    96.6 KB · Просмотры: 140
7AF4
75d1 ( или 7бd1) расшифруйте транзисторы вроде как это полевые
IMG_20240426_155742.jpgIMG_20240426_155728.jpgIMG_20240426_155649.jpg
 
Последнее редактирование:
А вот почему в 70-х с двумя трансами всегда делали с ОЭ? Только из-за +массы? С ОК же больше преимущества
1) Более полное использование напряжение питания
2) КПД с трансами выше,при ОЭ, особенно актуально при батарейном питании.
3) Ну и некоторая инерционность мышления, все же конструкторы того времени выходцы из ламповой эпохи.
 
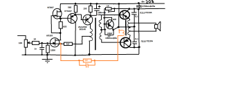
вот еще простой Акласс без кондеров и выходного транса
п215 с ОК
выходной резистор проволочный с ползунком 15....25вт
конечно лучше поставить дроссель хоть 0,6мм(ток макс 1100ма) проводом намотать,но не все хотят и есть железо
вместо п609 лучше поставить дарлингтон кт973 с большой бэттой
 

Вложения

  • простой а класс.png
    простой а класс.png
    20 KB · Просмотры: 165
Последнее редактирование:
Как вы эти схемы рождаете?.. будто пирожки горячие вылетают. :unsure: Я не успеваю записывать - помедленней, пжлста...
 
Как вы эти схемы рождаете?.. будто пирожки горячие вылетают. :unsure: Я не успеваю записывать - помедленней, пжлста...
Если чёт собирать задумали- симулятор в помощь, а то лежать чертить картинки это хорошо, но любую идею лучше сначала проверить на компьютере. Номиналы там подогнать, то сё.
 
Это да. Какой симулятор посоветуете? Их сейчас великое множество расплодилось... Чтобы не сильно навороченный в освоении..
 
да нормальные номиналы там,три детали,это подобное делалось в железе ,правда давно,,,,
 
Да тот которым сам пользуюсь и посоветую. Самый простой и самый маленький.
LT-spice 4.0.
Благо и опыта по нему наработано уже полно.

да нормальные номиналы там,три детали,это подобное делалось в железе ,правда давно,,,,
Яж не говорю что плохо, я говорю что ладно тут может и прокатит, а что сложнее- то всё. Так на бумажке не учтёшь. Если я тебе буду рассказывать нюансы того самого Дракона, которого ты терпеть не можешь, которые мне пришлось учесть- это приличный труд выйдет. По размеру.
 
я дракона как раз люблю,раньше моя любимая схема только с двойкой,но Ты меня убедил- тройка лучше и не на много сложнее
 
я дракона как раз люблю,раньше моя любимая схема только с двойкой,но Ты меня убедил- тройка лучше и не на много сложнее
на плату можно и двойку распаять, но нагрузка не меньше 8ом, иначе искажухи будут.
 

Вложения

на плату можно и двойку распаять, но нагрузка не меньше 8ом, иначе искажухи будут.

да нет смысла это психологический барьер ,привычка,так посудить добавить два копеечных 5401\5501 и не париться
 
А вот почему в 70-х с двумя трансами всегда делали с ОЭ? Только из-за +массы? С ОК же больше преимущества.
Батарейное питание позволяло выжать максимум именно в таком варианте.
Все последующие схемы в топологии Лина уже просили питания повыше.
 
Последнее редактирование:
Круто. Пять человек расписали, что к чему. Чувствую себя малышом ) Век живи, век учись.
Кстати по поводу боязни трансформаторов. Купил намедни, комплект у барахольщика, на радиорынке. Силовой ОСМ 0.25 и по два на 100 и 60 Вт. Красивые! - в корпус прятать наверно не буду - так всё и соберу на платформе, пусть потомки удивляются как эта куча железа работает. Все обошлось в 4т.р. мне кажется для хорошей схемы это не много. Правда вес получился приличный, но какой хороший усилитель , был легким )
 
Последнее редактирование:
Круто. Пять человек расписали, что к чему. Чувствую себя малышом ) Век живи, век учись.
Кстати по поводу боязни трансформаторов. Купил намедни, комплект у барахольщика, на радиорынке. Силовой ОСМ 0.25 и по два на 100 и 60 Вт. Красивые! - в корпус прятать наверно не буду - так всё и соберу на платформе, пусть потомки удивляются как эта куча железа работает. Все обошлось в 4т.р. мне кажется для хорошей схемы это не много. Правда вес получился приличный, но какай хороший усилитель , был легким )
Измерьте индуктивность первичек выходников. Можно всю первичку измерить, если прибор позволяет. Можно через индуктивность вторички и Ктр пересчитать в первичку.
На первичку выходника даете сеть 220, смотрите напряжение вторички, пусть оно 10 вольт. Значит, Ктр 22. Измеряем индуктивность первички. пусть будет 10 миллиГенри. Умножаем 10 миллигенри на квадрат Ктр, примерно на 500, получаем 5000 миллигенри или 5 Генри.
Куриная индуктивность, годная для канареечного звука. Нормальное начинается с 10 -20 Генри и выше.

Можно глянуть поведение выходного трансика в реальной простой схемке, скажем, 6П14П в триоде, дать ей от генератора в сетку десяток вольт и прогнать по полосе сверху вниз.
Частота, на которой синус начнет курочить формой, это нижний предел вашего выходника. У нормального выходника синус не портится на единицах герц.
Второй более информативный способ замера нижней границы выходного каскада- дать меандр и крутить частоту вниз с килогерца примерно.
Полка меандра будет валиться вправо, и та частота, на которой спад полки от начальной горизонтали будет 50 процентов , есть расчетная частота полосы вниз. Её делим на два пи, на 6. 28, получаем полосу по минус три. Скажем, завалило полку на 70 Герцах. значит, полоса по низу у нас 11 примерно Гц.
 
Куриная индуктивность, годная для канареечного звука. Нормальное начинается с 10 -20 Генри и выше.
минимальная индуктивность входного транса в схеме с ОК зависит от входного выходников
при нагрузке 8ом умножаем на бэтту 70=560ом
значит индуктивность нужна 10гн минимум(3,14К на 50 гц) с драйвером на лампе,а с транзисторным имеющим низкое выходное можно меньше ,особенно если есть общая оос 3...5Гн достаточно
 
минимальная индуктивность входного транса в схеме с ОК зависит от входного выходников
при нагрузке 8ом умножаем на бэтту 70=560ом
значит индуктивность нужна 10гн минимум с драйвером на лампе,а с транзисторным имеющим низкое выходное можно меньше ,особенно если есть общая оос 3...5Гн достаточно
Я за лампы топлю))) И таки да, с транзисторами все сильно скромнее по нужной индуктивности.

Нужную индуктивность первички при работе от транзисторника с ООс и нулевым выхсопром я считаю на удвоенный-утроенный импеданс нагрузки. Скажем, для 8 ом беру 20 Ом индуктивного сопротивления , а это на 20 герцах по формуле два пи на эф (125, 6) равно одной шестой генри. (125 Ом делить на 20 Ом)
 
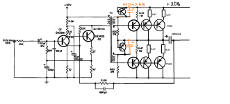
вот еще схемка с ОК на низкочастотных выходниках
 

Вложения

  • усилитель германий супер.png
    усилитель германий супер.png
    27.2 KB · Просмотры: 127
вот еще схемка с ОК на низкочастотных выходниках
Мне жутко нравится ваша предыдущая в А режиме с переменником между эмиттерами и одним питанием. Скоро соберу, очень нужна такая штука.
 

Статистика форума

Темы
3,305
Сообщения
263,160
Пользователи
2,544
Новый пользователь
vlad'mir
Назад
Сверху Снизу