Германиевые УНЧ

Вложения

  • 17142918680134107075955018877075.jpg
    17142918680134107075955018877075.jpg
    430.7 KB · Просмотры: 79
латерал дорогой и не народный,а дроссель чем больше тем лучше если не избавляться от выходного кондера,он хорошо отгораживает от БП,достаточно провода 0,7мм при токе покоя 1,5а
драйвить напрямую не всегда емкость вх латерала позволяет она еще и нелинейна
а выходной капацитор под напряжением поляризации =напр питания проблем нет если емкость приличная 10000и более
у вас в бп такой же и через него ток течет,а тут нет
да и выходное сопротивление у латерала больше чем у германца,идеально сделать шиклаи на латерале плюс гт806
- латерал и приличный германий стОят где-то одинаково.. но всякий мусор не стоит ничего, тут вы прафф
- вы таки НЕ ПОСМОТРЕЛ ссылку на мою схему, там СРПП драйвит ёмкость без проблем абсолютно.. я так понимаю в этом вы ламер, о чём тогда говорИть
- выходной дроссель с актсопром 50 миллиом создаст миллипизерное падение 0.1 В на токе 2А
- выходной дроссель, намотанный проводом 1.5-2 мм, "спалить" совершенно нереально вооще никаким способом.. у вас что-то нарушилось в голове.. сгорит скорее всё остальное, чем дроссель.. не нужна абсолютно никакая "защита"
- выходной капацитор звук оскверняет :/ и он сохнет, и может протечь, и мало ли чего
- "выхсопр больше у латерала" - ЧИИВОО?.. так, всё понятно, вы отродясь не слышал хорошего латерала )) германиевый амп совершенно кривой, по сравнению.. это недоразумение, обусловленное тогдашней технологической отсталостью.. в них a) ни вкусности звука, b) ни мощИ, c) ни малых THD (как любят остроконечники).. на мой Ухъ всё германиевое что я слышал, отличалось неимоверной искажухой.. единственно - оно хорошо работало от батЕреек, но на этом всё.
 
выходной дроссель с актсопром 50 миллиом создаст миллипизерное падение 0.1 В на токе 2А
он конского размера выйдет,и цена космос
выходной дроссель, намотанный проводом 1.5-2 мм, "спалить" совершенно нереально вооще никаким способом.. у вас что-то нарушилось в голове.. сгорит скорее всё остальное, чем дроссель.. не нужна абсолютно никакая "защита"
где я писал что сгорит дроссель?я дал диаметр для дросселя мин размеров с нужной индуктивностью,а сгореть он не сможет тк рассчитан на определенный ток
еще раз повторяю у вас кондер в блоке питания и через него течет ток нагрузки,тут кондер блока питания отсечен по переменке дросселем и ток течет только через германца и вых кондер,который также под поляризацией
у гт806 сопротивление насыщения 0,04ом у латерала 1058 единицы ом
там СРПП драйвит ёмкость без проблем
српп нужно питание 300,,,400в а трансу 150в и српп дает больше высших гармоник,хуже спектр ,чем с трансом
причем с трансом можно менять; триод- ультралиненый -пентод по вкусу
вот токи нагрузки см рисунки
у 1058,2607=1,2ом
если irfp150n брать 0,036ом зато входная емкость 1900пф конская 4килоома на 20кгц терпимо но она нелинейная
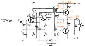
попробуй такой драйвер
ток нагрузки.pngлатерал плюс ге.pngлатерал.PNGгт806.PNGSemigor-Kisa1К=5гермпарРГит гибр806без оос др.jpg

Блин транзисторы смотрю только Высоцкий умер 08/ 80 дата
вот так отбирайте ,приборчик сделайте на 18650 и меряйте ток ,потом самые большие одинаковые параллельте
 

Вложения

  • прибор.png
    прибор.png
    16.1 KB · Просмотры: 138
Последнее редактирование модератором:
Есть книги авторов Хоровиц и Хил разных годов издания. В тч 2022.

Какую из них лучше читать ?
 
Мерить какой ток утечки?
я же схему дал чуть выше,с аккумулятором 18650 и резистором 4,3к вот по ней соберите с панелькой и меряйте,примерно ток равен бэтте,но не важно главное одинаковые и самые большие
 
я же схему дал чуть выше,с аккумулятором 18650 и резистором 4,3к вот по ней соберите с панелькой и меряйте,примерно ток равен бэтте,но не важно главное одинаковые и самые большие
Замыкать коллектор и базу резистором 4,3 ком, а между эмиттером и батарейкой тестер на миллиамперы и что чем выше ток тем больше hfe?
А тестер в режиме замера тока надо переключать вот в это Верхнее гнездо?17142980986321054591379203371379.jpg
 
заодно и 214 померяйте
да и примерно с этим резистором ток равен бэтте
между эмиттером и коллектором батарейка с миллиамперметром,а коллектор с базой соед резистором 3,9к
так ближе показания ма к бэтте
меряйте быстро или корпус в воду аккуратно а то с нагревом бэтта растет

да 200ма шкала будет примерно 20,,,,60 у них
кстати у малой бэтты частота выше с оэ
но ближе к 60 выбирайте
и плюс на эмиттер не перепутайте
 
Есть книги авторов Хоровиц и Хил разных годов издания. В тч 2022.

Какую из них лучше читать ?
Жодної.
Хо-Хі то книжка про Схемотехніків, не про рукосуїв.
Для початку Селфа достатньо.
 
2 т908а мощные транзисторы и диоды2д213 б куда их можно использовать?
В киноповский усилок вместо старых выпрямительных диодов имеет смысл их ставить?IMG_20240428_191519.jpgIMG_20240428_191457.jpgIMG_20240428_190157.jpgIMG_20240428_190136.jpgIMG_20240428_190056.jpgIMG_20240428_190008.jpg
 
Кстати есть вот такое известное гитарный
усилок посмотрел npn транзисторы нельзя ли на выход туда поставить ад-161 ад-162?
Есть кстати его обратной полярности более ранняя Германиевая схема Фрэнк заппа как раз через неё писал много музыки
Говорят что схема типичного радиоприёмника типа нашего вэф спидолы вот там тип 41c 5 мгц
После них можно поставить 2т908a (50 МГц)
Оба npn
Это схему не умощнит?
 
кт908 лучше всего поставить в А класс если не интересно то найти гт806 и умощнить лен-6
еще вариант собрать с трансом оэ типа Григорьева если интересно могу драйвер проще дать

диоды отличные но кроме веса изменений не заметишь
 

Вложения

  • драйвер1.png
    драйвер1.png
    20.1 KB · Просмотры: 140
  • CIR13534S_00012.png
    CIR13534S_00012.png
    89.5 KB · Просмотры: 136
  • драйвер2.png
    драйвер2.png
    18.9 KB · Просмотры: 144
2 т908а мощные транзисторы и диоды2д213 б куда их можно использовать?
В киноповский усилок вместо старых выпрямительных диодов имеет смысл их ставить?Посмотреть вложение 95358Посмотреть вложение 95359Посмотреть вложение 95360Посмотреть вложение 95361Посмотреть вложение 95362Посмотреть вложение 95363
Звичайні кремнієві діоди міняти на звичайні кремнієві то "шило на мило" (С). На додаток, чим швидші діоди у випрямлячі, тим більше зло. Якщо руки сверблять, міняти потрібно на діоди Шотткі, виграєте пару вольт в навантаження і пару уявних Ом вихідного опору випрямляча. Але, в будь-якому разі, потрібен снаббер аби давити завади, що виникають в моменти запирання кожного з діодів. А номінали елементів, з яких він складається, потрібно підлаштовувати під конкретний тип діодів окремо.
 
Последнее редактирование:
Але, в будь-якому разі, потрібен снаббер аби давити завади, що виникають в моменти запирання кожного з діодів.
если сделать не мостовой а двухполупериодный выпрямитель на двух диодах то снаббер не нужен,но транс будет больше размером,это так с сведению,может пригодится
 
лень читать знаю проверено помехи небольшие тк давятся большой индуктивностью обмоток транса,главное диоды ближе к трансу,недостаток большее внутреннее сопротивление чем у моста
 
Фізика і схемотехніка проти, але мені байдуже до ваших лінощів. _stope
Слухайте так.
 
у гт806 сопротивление насыщения 0,04ом у латерала 1058 единицы ом
Сопротивление насыщения транзистора и выходное сопротивление усилителя сравнивать некорректно, только если усилитель в клипе, да и то выходной транзистор там вряд ли будет в насыщении
 
Сопротивление насыщения транзистора и выходное сопротивление усилителя сравнивать некорректно, только если усилитель в клипе, да и то выходной транзистор там вряд ли будет в насыщении
Двухтактный повторитель на латералах , без общей ООС имеет выходное 1, 5 Ома, как сумма внутренних сопротивлений насыщения в 3 Ома на плечо.
У биполяров эта цифра примерно 0,15- 0,2 Ома.
 
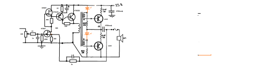
вот еще простой с одним трансом легкоизготавливаемым
на выход можно хоть 215 ,хоть 403 параллель ,хоть 908а ,для 908 надо ВК перевернуть полярность и диоды кремний в смещении,драйвер оставить без изменений
транс мотаем в 5 проводов два 0,35 и три ,0,2мм
до заполнения,после каждого слоя прокладка из бумаги книжной,пленку не нужно применять,она дает паразитные резнансы на вч,бумага рулит и проницаемость всего =2 и потери большие на вч(хорошо от резонансов)
потом толстые обмотки к выходникам ,тонкие 3шт соединяем последовательно начало конец и тд
железо 2,,,4см кв,собираем встык без прокладки,технологического зазора достаточно,можно правда тоооонкую бумагу поставить от кондеров 0,05мм
 

Вложения

  • герм с трансф2.png
    герм с трансф2.png
    93.7 KB · Просмотры: 131
Последнее редактирование:
вот еще простой с одним трансом легкоизготавливаемым
на выход можно хоть 215 ,хоть 403 параллель ,хоть 908а ,для 908 надо ВК перевернуть полярность и диоды кремний в смещении,драйвер оставить без изменений
кондеры из смещения выходников долой. Бессмыслица. Заведенная в исток 307-го ООС с динамика обычное решение для вольтдобавки в драйвер, но не для ООС .
Выпейте водички))))
 
тут ведь транс ,обмотку перевернуть и будет оос,чем не нравится оос?кондеры кашу не испортят
 
тут ведь транс ,обмотку перевернуть и будет оос,чем не нравится оос?кондеры кашу не испортят
Шунтировать динамическое сопротивление диодов смещения в несколько Ом и во всей полосе ваших кондеров недостаточно, там речь о десятках тысяч мкф идет. Проще выкинуть ваши куриные пару сотен.
 
Последнее редактирование:
Классика жанра, не хотите, и х. ним
 

Вложения

  • mrb0951_039.png
    mrb0951_039.png
    666 KB · Просмотры: 170
470мкф это 6ом на 50гц 0,6ом на 500гц думаю лишними не будут ,особенно на счвч
так почему оос не нравится?
Внутреннее транзисторов подшунтирует диоды вдогонку. Для прикола гляну ПХ открытого диода с шунтом и без. Со светодиодами такое не прокатило.

Классика жанра, не хотите, и х. ним
Трансформатор управляет выходными германцами на два порядка лучше, частота летит за сотню кГц.
 
Трансформатор управляет выходными германцами на два порядка лучше, частота летит за сотню кГц.
а вы не меряли частоту при таком управлении как в моей последней схеме?там по входу германцы с ОЭ,а выход один ОЭ второй ОК,думаю если 20кгц есть то норм под оос ведь все
зато транс не нужен с конской индуктивностью как ОК
надо народный усь с трансом,пермаллой не у каждого есть
фольксваген жук эдакий)))))
 

Статистика форума

Темы
3,305
Сообщения
263,193
Пользователи
2,544
Новый пользователь
vlad'mir
Назад
Сверху Снизу