Германиевые УНЧ

Выложиваю и выкладиваю Беслика2.1 ДОВЕДННОГО!!! ну и
АВК3.3.3.Как есть на текущий мУмент.
Прошу всяческих комментариёф.
Можно ругательных.
 

Вложения

беслик доведенный-мусор
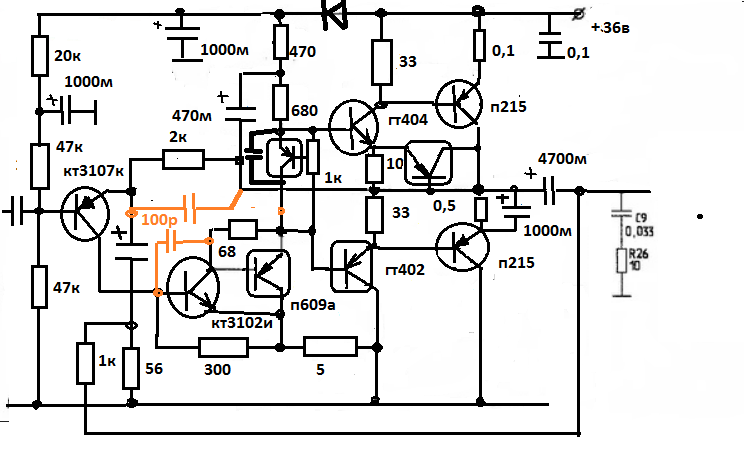
АВК 3,3,3 схема обычная,но коррекция гавно,ток первого каскада мал,R10 уменьшить в 10раз и ввести доп емкости,перед ВК я бы поставил буфер в А классе ОК
вот смоделируй и емкость коррекции подбери
 

Вложения

  • германец п215.png
    германец п215.png
    45 KB · Просмотры: 89
Сегодня допаял, настроил и послушал пару часиков Худа на П605-х.Питание 21 вольт, по 10,5 в на этаж, с током покоя 0,4 А. Радиаторы куриные, греются примерно до 40 град.
Ток не плывет . Звук приятный, придраться не к чему, бас хорош особенно.
Из минусов- нагрузка не менее 10 Ом, хотя, 8-омные двухполоски с чутьем ниже нижнего звучали достаточно громко. Полоса за 500 кГц, меандр на 100 кГц еще меандр.
Сигнал на выходе примерно 4, 5 вольта эффективных.Тестер в режиме милливольтметра телепается в районе 1, 5 - 2 вольт на неискаженном звучании.
Задача была сделать именно на этих транзисторах. Так надо. На всяких ГТ806 и инженер спаяет. А на 605-х Ашник собрать нужен запас здорового невежества, которого лишены особо просвещенные и посвященные.
ПС. В процессе налаживания пришлось отказаться от вольтдобавки, она уродовала верхнюю полусинусоиду, без емкости вольтдобавки с последующим симметрированием сигнал чистый , симметричный, достаточной амплитуды.
 
Последнее редактирование:
Сегодня допаял, настроил и послушал пару часиков Худа на П605-х.Питание 21 вольт, по 10,5 в на этаж, с током покоя 0,4 А. Радиаторы куриные, греются примерно до 40 град.
Ток не плывет . Звук приятный, придраться не к чему, бас хорош особенно.
Из минусов- нагрузка не менее 10 Ом, хотя, 8-омные двухполоски с чутьем ниже нижнего звучали достаточно громко. Полоса за 500 кГц, меандр на 100 кГц еще меандр.
Сигнал на выходе примерно 4, 5 вольта эффективных.Тестер в режиме милливольтметра телепается в районе 1, 5 - 2 вольт на неискаженном звучании.
Задача была сделать именно на этих транзисторах. Так надо.
Ухты! А если сплавной в верхний этаж сплавной (хотя бы П215).Понятно,полоса упадёт,меандр тоже искривится раньше,нозвук!!??Должен стать более телесным особенно на мужском вокале и виолончели.
 
Ухты! А если сплавной в верхний этаж сплавной (хотя бы П215).Понятно,полоса упадёт,меандр тоже искривится раньше,нозвук!!??Должен стать более телесным особенно на мужском вокале и виолончели.
Спасибки! Завтра глянем. Добрая идея. А пуще прочего есть AL103 AD167 , есть где развернуться.
21 вольт здоровый минимум и компрмисс между тепловыделением и вых мощностью.
Вообще-то задума была запитать от 19-в кирпича для ноута, их на базаре как грязи, недорого. И 215-й на радиаторе как раз есть , из прошлых лабораторок.
 
Как раз,21 В отлично.Есть серверные мощные 24В блоки питания,чуть подрегулировать,+ на резюке+ кондёр - фильтр зделать и вот 21 в идеального напряжения.
 
В драйвере п609а?
 
Про ДОВЕДЁННЫЙ Беслик2.1

у Беслика2.1 КАК ОН НОМИНАЛАМИ ДЕТАЛЕЙ НА ЕГО СХЕМЕ, есть перекосик в полпитании и в токе по плечам ВК.
Правда это всё не столь критично - я уже пару раз писал, что со "схемными" номиналами у Беслика2.1 будет 0,25% гормоник.
А если выставить чётко - то 0,07%.
НО, меньше 12,5 мА ток ВК не выставить.

Так что ДОВЕСТИ Беслика и возможно и нужно.
 
Дифф запитай через Ит и зеркало поставь,иначе это не дифф а название
 
По два п605 впараллель с резиками в нижний этаж,а п215 в верхний,а вообще кт863рулит в Худе
 
24В блоки питания,чуть подрегулировать,+ на резюке+ кондёр - фильтр зделать и вот 21 в идеального напряжения.
Добавить Худовский активный фильтр, отловить блох...
 
Добавить Худовский активный фильтр, отловить блох...
Нет никаких блох, если выход сделать как надо , чтобы фоняра не лез в динамики.
На время отладки есть стабильное питание, а потом все равно от сети или импульсник, еще проще. И пуск у него плавный, без бздыка.
 
Какие были на выходе, П605 или П605А?
Этим конверсионникам если дать хороший радиатор, то в классе А работать будут надежно.
 
Сейчас П605 на выходе и в драйвере, С2240 на входе. Вся коррекция -50 пик к-б драйвера + Бушеро на выходе 12 Ом +0.1 мк. Чисто. Но чуток подваливается меандр на 50-100кгц.
Без коррекции все неплохо, но при включении временный возбуд проскакивает, пока переходные процессы.
 
Так сам Цобель-Буше имеет срез на 130 кГц. Чему тут удивляться, что меандр на 100 кГц страдает.
Можно попробовать снизить емкость до 0,05 мкФ.
Часто встречаются цепочки 10 Ом + 0,05 мкФ у "восьмиомных" усилителей.
 
Так сам Цобель-Буше имеет срез на 130 кГц. Чему тут удивляться, что меандр на 100 кГц страдает
Не страдает он, по крайней мере, от цобелей. На ВЧ на полный газ цобель подкорачивает выход, нижняя верхушка заостряется. Мне на это фиолетово, схема только запела, успеется отлакировать. Нормальная схема- цобель не нужен.
Свист возникает иногда. поймать надо. Поймаем.

Какие были на выходе, П605 или П605А?
Этим конверсионникам если дать хороший радиатор, то в классе А работать будут надежно.
605А все. Потом в драйвер П609 поставлю , усиления поднять.
Радиаторы намеренно мелкие. Отследить ток с нагревом. Серва держит ток мертво, даром. что один транзистор всего.
 
Резистор в коллекторе 2240 сделать 300ом и на эмиттер п605,а не на землю
 
Последнее редактирование:
А как насчет нижний выходной транзистор сместить по базе от 5 в. обратным напряжением, как у старика Гендина или в модах квазикомплементара:)
т е запереть? А где тогда А класс?
 
Приоткрыть драйвер, но обеспечить запирание выхода на + полуволне (улучшить раскачку?)
 
Как раз,21 В отлично.Есть серверные мощные 24В блоки питания,чуть подрегулировать,+ на резюке+ кондёр - фильтр зделать и вот 21 в идеального напряжения.
Можно проще. Вторичка со средней точкой. Два по 15 переменки и мост. Имеем один выпрямитель на 21 вольт и второй на 42 вольта. От 21 питается мощный выход, от 42 в драйвер, через резистор в 1 кОм, ток через транзистор 20 ма, можно и больше.
Проверенный рабочий вариант, сигнал красивый, полоса широкая, усиления прилично.
Запитывал схему в такой идее от двухполярки два по 23 вольта, импульсник от убитого Дшника. Прекрасно работало.

Главная возня была с поиском решения по термостабилизации нижнего этажа схемы JLH . Когда сложилось, то быстро сложилось остальное. Верхний этаж через ООС стабилизируется сам.
В принципе, можно и оптрон применить внизу. идея должна сработать.
Притулить вниз и опер можно, но это на закуску))))
 
Все лучше дешмана П215. Есть на радиаторах ASZ1016 , ТО-3 , утюги тормозные.На них режимы откатываю, не горят по причине тормознутости редкой.
О,так это ещё лучше ,т.к. у ASZ1016 f 250кГц, и они у меня есть.А П215 у меня тоже есть,но они ещё тормознутее -f150кГц.
 
6кГц у П215

И есть данные, что 200 кГц граничной частоты
 
У гт403 12...15кгц и они сплавные
 
6кГц у П215

И есть данные, что 200 кГц граничной частоты
нет там 6 килогерц. Есть 4, 5 . 200 килогерц есть, (ОК) видел сам.

Режимы настроились удачно с питанием двумя напряжениями от вторички на 2 по 12, 6 в и средней точкой. Имеем 17, 5 и 35 в . От 35 запитан драйвер. Силовик ТАН46 под руку попамше...
На перспективу берем пару кирпичей для ноута, на 19 вольт, ими запитываем оба канала.
Радость схемы в том. что по питанию драйвера ток 22-25 мА всего, одной банки хватит оба канала запитать, если с импульсниками не связываться, обойтись накальным трансом.
Есть транс от прибора, какого-то питания, там гора вторичек по 5 вольт 3 ампера. Ищем среднюю точку среди двух по 15 вольт, делаем питание 21 и 42.

Как раз,21 В отлично.Есть серверные мощные 24В блоки питания,чуть подрегулировать,+ на резюке+ кондёр - фильтр зделать и вот 21 в идеального напряжения.
Прямщаз))) вырулил схемку Ашника на 605-х с питанием 21 вольт и током 380 мА. Не выжимается 0,4 А ровно, трахтаматика не дает току добавить, упирается . нужно чуть убавить эмиттерный резистор, датчик тока, а это муторка. И так классно.Измерения на завтра.
Пробовал убирать следящую серву , отключил и сразу ток покоя стал расти.
При включении ток за 0,4 вылетает, потом быстренько назад, емкость сервы заряжается, по постоянке замыкая ООС.

В общем так. Повышенное питание драйвера в районе 30-35 вольт требует в коллектор транзистора драйвера резистор примерно втрое выше, чем в варианте с питанием от 20 вольт. Само собой, усиление и размах сигнала должны вырасти .
Есть особенности настройки. Режимы выходных транзисторов так плотно завязаны один на другого, что подстройка резистора в коллекторе драйвера и смещение входного транзистора регулируются по мизеру туда-сюда, иначе уезжает в одну сторону и затыкается как упрямый баран. Либо ток покоя куриный, хотя на выходных транзисторах поровну.
 
Отвлеку на минуту
Не могу с телефона найти схему Рига 101 стерео, там вроде УНЧ на германии и звук со своими колонками АС80-2 бьіл очень даже ничего
 
Отвлеку на минуту
Не могу с телефона найти схему Рига 101 стерео, там вроде УНЧ на германии и звук со своими колонками АС80-2 бьіл очень даже ничего
Ключевое слово тут - не германий, а АС80-2
 

Статистика форума

Темы
3,312
Сообщения
264,526
Пользователи
2,551
Новый пользователь
Александр Н.
Назад
Сверху Снизу