Германиевые УНЧ

Нам и не надо таких сложнючих
Юра, ты ж понимаешь, что в те годы найти полевики было случайностью, не говоря уже про то, как их замерить и еще отобрать. Помню, как в спичечном коробке принесли откуда-то пяток КП103-х, чудо инопланетное. Просили пятерку рублей. У студента без стипендии.))))
 
И без полевика, тоже Крылов
 

Вложения

  • v_pomohja_radioljubitelju_nomer65_012.gif
    v_pomohja_radioljubitelju_nomer65_012.gif
    202.8 KB · Просмотры: 360
  • v_pomohja_radioljubitelju_nomer65_013.gif
    v_pomohja_radioljubitelju_nomer65_013.gif
    334.9 KB · Просмотры: 312
Р.1978-03.41_рис2.jpg

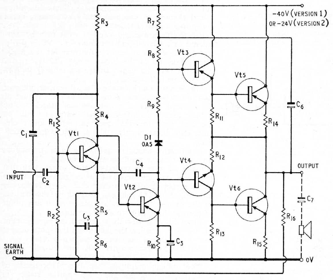
Переход с дифкаскада, с подключением колл. V3 на эм. V5 расширяет полосу УНЧ на порядок! Первый раз у меня такое получилось совершенно случайно - ошибся в разводке ПП, правда транзисторы были кремниевые. Результат меня просто поверг в шок)) В стандартной схеме синус уже на 30 кГц, начинал напоминать пилу, а с таким включением синус был ровненький и правильный вплоть до частоты 200 кГц (больше не мог посмотреть ибо ген. (Г3-118) выдаёт лишь до 200 кГц.
 
Последнее редактирование:
Наверное и С11 не лишним будет.Сперва с ним надо пробовать
 
SemenS, номинал резистора с катода V2 на базу V5 какой?
 
можно вопрос это к какой схеме относится?
к авторской. отличие в дополнительном резисторе,который желательно ввести . Чтобы интегратор заработал как должно.
А вообщето надо бы так сделать. Конденсатор по миллеру перекинуть на с коллектора на шину питания. Чтобы обеспечить нужный спад ачх в петле оос. В случае применения кремниевых тразисторов в ВК С9/С10 обязательны.С гтшками можно не использовать.
Единственно потребуется подбор С5 и С4.
 

Вложения

  • надолинский.PNG
    надолинский.PNG
    68 KB · Просмотры: 230
Последнее редактирование:
Классика...
 

Вложения

  • f.1975-10.040.jpg
    f.1975-10.040.jpg
    408.9 KB · Просмотры: 319
  • f.1975-10.041.jpg
    f.1975-10.041.jpg
    401.9 KB · Просмотры: 326
  • f.1975-10.042.jpg
    f.1975-10.042.jpg
    470.5 KB · Просмотры: 318
Фишка усилителя - запирание выходных транзисторов обратным смещением (не от хорошей жизни)))
 
п214 меняем на п601-605 без изменения схемы и номиналов, и все
 

Вложения

  • f.1969-02.033.jpg
    f.1969-02.033.jpg
    444.2 KB · Просмотры: 222
  • f.1969-02.034.jpg
    f.1969-02.034.jpg
    647.9 KB · Просмотры: 228
  • f.1969-02.035.jpg
    f.1969-02.035.jpg
    297 KB · Просмотры: 226
п214 меняем на п601-605 без изменения схемы и номиналов, и все
Юра, все больше думаю про схему на германии с разделительным трансом. Только так можно термостабилизировать ток покоя и избежать сквозного тока на высоких частотах , максимально используя предельные параметры. Не зря так много промышленных схем по такому принципу.
 
Кому надо хороший германиевый УНЧ с п601-606 на выходе с 3-4 Вт, +24в питания, током покоя ~30-40ма, берем Колосова с заменой п214 на п601-606, режимы см. у Зыкова. Германий в Худе и не нужен, зачем ему эти проблемы.
 

Вложения

  • f.1969-02.034.jpg
    f.1969-02.034.jpg
    647.9 KB · Просмотры: 235
  • b.1969-02.035.jpg
    b.1969-02.035.jpg
    261.4 KB · Просмотры: 253
  • f.1968-07.036.jpg
    f.1968-07.036.jpg
    430.4 KB · Просмотры: 236
Кому надо хороший германиевый УНЧ с п601-606 на выходе с 3-4 Вт, +24в питания, током покоя ~30-40ма, берем Колосова с заменой п214 на п601-606, режимы см. у Зыкова. Германий в Худе и не нужен, зачем ему эти проблемы.
Ладно, Худа в сторону. Но и советы насчет тока в 15-20 ма тоже в одно место можно послать. Достаточно глянуть поведение такого каскада без ООС на высокой частоте.
По этой причине отказался от всяких худосочных АВшников на германии. Схема Худа на порядок лучше.
 
А кто мешает мешает 50-100 ма с нормальной термпературной стабилизацией?
 
Кому надо хороший германиевый УНЧ
Лин+1 каскад с общей ООС, Диапазон частот 20 гц- 10 кгц:( Разумная рекомендация использовать транзисторы с низкой В=20-30 (лучше частотные свойства в ОЭ))) Аналог Аккорд и пр.
 
Лин+1 каскад с общей ООС, Диапазон частот 20 гц- 10 кгц:( Разумная рекомендация использовать транзисторы с низкой В=20-30 (лучше частотные свойства в ОЭ))) Аналог Аккорд и пр.
Недавно услышанный Аккорд-Стерео с родными колонками оставил приятное впечатление живостью звучания . Хотя в те годы ламповый проигрыватель Молодежный звучал круче на голову. При всей копеечности изделия.
 
Океан-209 лучше этих Веги, Аккорды и тп.
 

Вложения

  • Ozean2009_005.gif
    Ozean2009_005.gif
    243.8 KB · Просмотры: 205
Последнее редактирование:
А эта схема - из семейства Филлипс (Грюндик, Телефункен...Лик-30))). Аналоги: Электрон-20, Корвет-стерео, Вильма-302...
Схемка называется, как обойтись без дифкаскада , не изгадив звучания.
ПС. Дифкаскады изобрели позже, когда нашлепали транзисторов в достатке)))
 
Схемка называется, как обойтись без дифкаскада , не изгадив звучания.
ПС. Дифкаскады изобрели позже, когда нашлепали транзисторов в достатке)))
Не смыслите вы в длиннохвостых парах. smile_1
Дифкаскад изобрел Брайан Метьюс в доисторическом 1934 году.
транзисторов тогда еще не было.
 
Не смыслите вы в длиннохвостых парах. smile_1
Дифкаскад изобрел Брайан Метьюс в доисторическом 1934 году.
транзисторов тогда еще не было.
на лампах и капиталист дифкаскад сделает. А ты на транзисторах сделай, которые еще не изобрели.
 

Статистика форума

Темы
3,297
Сообщения
262,454
Пользователи
2,544
Новый пользователь
vlad'mir
Назад
Сверху Снизу