Гибрид из усилителя Агеева и не только

Нарисуйте схему соединения УН и ВК и поймете.
Ага. Поймет он....Нарисует и примчится сюда. Чтобы ему все подробно разжевали, а он потом подробно пять раз по второму кругу переспросил. Уже давно бы вытрусил душу из того автора, Гапоненко, вместо этого трусит тутошних, как Петька с Василь Иванычем пальму в анекдоте.
 
Всматриваемся в входной каскад, как там с базами поступили. И переносим это решение в выходной каскад.
где то так?
1770728323297.jpeg
 
непонятно назначение резисторов 82к
Используя эти резисторы можно и нужно корректировать симметричность ограничения синусоиды особенно это важно если усилитель тока будет использоваться на полную мощность также изменяя соотношения этих резисторов добиваются наилучшего спектра.
 
Всем привет, вот дошло дело до фанерных экспериментов. Попробовал из того что есть в загашнике. Результат как то опечалил.
попробовал 6п14п, питание 290в, на аноде 160в, катод 4,6в
при увеличении выхода спектр очень портится, нагрузка 50к, снято на на выходе УН без подключения ВК
 

Вложения

  • 6п14п вых 2в.png
    6п14п вых 2в.png
    629.5 KB · Просмотры: 63
  • 6п14п вых 8,5в.png
    6п14п вых 8,5в.png
    635.7 KB · Просмотры: 62
Так это на аноде должно быть 290, тогда будет получше. Только вот, источник питания потребуется под 600В. Если я правильно понял и нагрузка у 6п14п - резистор
 
Всем привет, вот дошло дело до фанерных экспериментов. Попробовал из того что есть в загашнике. Результат как то опечалил.
попробовал 6п14п, питание 290в, на аноде 160в, катод 4,6в
при увеличении выхода спектр очень портится, нагрузка 50к, снято на на выходе УН без подключения ВК
А накрутить режим лампы по симметричному ограничению ?
Для питания в 300 вольт на аноде побольше надо, чем 160.
 
А накрутить режим лампы по симметричному ограничению ?
Для питания в 300 вольт на аноде побольше надо, чем 160.
с УН не так страшно, наладилось а вот с ВК спектр опа, т.е. на входе ВК триодный спектр а на выходе вот это, лезут нечетные гармоники по страшному, крутил базовые резисторы, выставлял полный ноль на выходе, плавающее питание и со средней точкой транса, результат один, спектр не меняется, не уж то фанерный расклад так влияет :(
 

Вложения

  • 6п14п +ВК.png
    6п14п +ВК.png
    825.8 KB · Просмотры: 58
Это с каким напряжением на выходе? Первое, что приходит в голову, слишком высокое выходное сопротивление усилителя напряжения. Для примера, мой гибридник при мощности 1 Вт на 8 Ом, транзисторы самые банальные советские КТ 8101-8102 предвыход КТ850-851. Но есть один нюанс, выходной каскад питается от катодного повторителя с низким выходным сопротивлением. 6н23п или 6н1п не помню точно. Когда-то был гибридник с SRPP на 6н24п спектры были похуже, звучал ярко и имел излишнюю чувствительность. Гармоники сетевого - от земляной петли при подаче и приёме сигнала от одной звуковой карты
гибридник 1 Вт.png
 
Это с каким напряжением на выходе? Первое, что приходит в голову, слишком высокое выходное сопротивление усилителя напряжения. Для примера, мой гибридник при мощности 1 Вт на 8 Ом, транзисторы самые банальные советские КТ 8101-8102 предвыход КТ850-851. Но есть один нюанс, выходной каскад питается от катодного повторителя с низким выходным сопротивлением. 6н23п или 6н1п не помню точно. Когда-то был гибридник с SRPP на 6н24п спектры были похуже, звучал ярко и имел излишнюю чувствительность. Гармоники сетевого - от земляной петли при подаче и приёме сигнала от одной звуковой картыПосмотреть вложение 172000
попробую 6н6п, где то была, погляжу с ней что нарисуется
 
Результат как то опечалил.

с УН не так страшно, наладилось а вот с ВК спектр опа, т.е.
Я вам уже говорил для гибрида нужен драйвер с низким выходным не наступайте на грабли. Вы как насчет 6п14п. Бокарев не нарадуется на ней в драйвере. Бокарев тертый калач он знает куда и что ставить.
отличный выбор SRPP
 
Я вам уже говорил для гибрида нужен драйвер с низким выходным не наступайте на грабли. Вы как насчет 6п14п. Бокарев не нарадуется на ней в драйвере. Бокарев тертый калач он знает куда и что ставить.

отличный выбор SRPP
хех, 6н6п SRPP результат хуже или не лучше чем 6п14п, вернул 6п14п, еще раз глянул спектры
первый скрин 6п14п нагрузка 50к, два других с подключенным ВК:(
 

Вложения

  • 6п14п (2).png
    6п14п (2).png
    813.8 KB · Просмотры: 71
  • 6п14п +ВК (2).png
    6п14п +ВК (2).png
    826.3 KB · Просмотры: 62
  • 6п14п+ВК спек.png
    6п14п+ВК спек.png
    441.1 KB · Просмотры: 70
хех, 6н6п SRPP результат хуже или не лучше чем 6п14п, вернул 6п14п
Я конечно не знаю что у вас там за 6н6п, разброс у них жуткий особенно у 80...90-х годов но у меня картина на 6н6п красивей.

1771164573492.png
 
Я конечно не знаю что у вас там за 6н6п, разброс у них жуткий особенно у 80...90-х годов но у меня картина на 6н6п красивей.

Посмотреть вложение 172087
кроме этого пробовал 6н7с,6н8с, спектр примерно одинаковый, я понять не могу в чем причинаsmile_15, почему такой спектр после ВК?
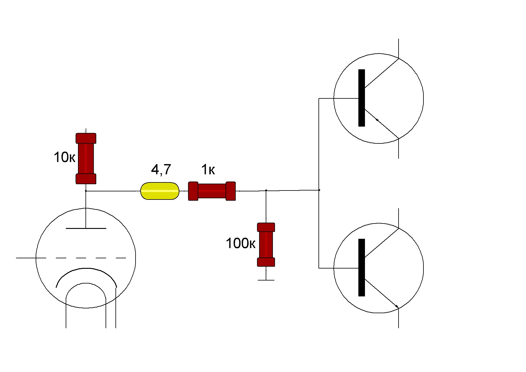
что только не делал на входе ВК, отключал нагрузочный резистор перед базами, балансировал вход резисторами 82к и переменником м/у ними, отключал совсем все резисторы на входе ВК, спектр не меняется совсем! :(
 
пробовал отключать/подключать резистор нагрузочный на входе ВК 100к (82к по факту), при подключении резистора падает выходное напряжение немного на 0,2-0,3в но спектр не меняется абсолютно, т.е. получается нагрузка при подключении резистора увеличивается на УН а изменений в спектре нет, мож УН таки тянет ВК? мож дело все-таки в ВК? хотя транзисторы подбирал не на миллиамперах, не пойму куды копать smile_15
 
пробовал отключать/подключать резистор нагрузочный на входе ВК 100к (82к по факту), при подключении резистора падает выходное напряжение немного на 0,2-0,3в но спектр не меняется абсолютно, т.е. получается нагрузка при подключении резистора увеличивается на УН а изменений в спектре нет, мож УН таки тянет ВК? мож дело все-таки в ВК? хотя транзисторы подбирал не на миллиамперах, не пойму куды копать smile_15
1М средний вывод на базы, крайние на питание. ноль выставляем без лампы.
 
А транзисторы точно хорошие? А то даже на советских должно лучше быть
 
Чтобы повторитель не срал в выходной сигнал. ему нужно ток покоя задать приличный и ООС охватить. Чего у вас как бы не наблюдается.
Латералы от нуля открываются , почти без ступеньки, с ними все проще. Но все равно, спектр благородится с ростом тока покоя.
УНЧ с агеевским параллельником на выходе, Тошибовские пары, управлялись операционником. Все было идеально, мощность 45 ватт , на память осталась тетрадка с выжженой срединой, реально загорелась, на ней нагрузочный резистор лежал.
 
А транзисторы точно хорошие? А то даже на советских должно лучше быть
пардоньте, что значит хорошие?
Чтобы повторитель не срал в выходной сигнал. ему нужно ток покоя задать приличный и ООС охватить.
ток покоя ок 230 мА, как ОООС организовать к примеру с 6п14п?
 
Последнее редактирование:
пардоньте, что значит хорошие?

ток покоя ок 230 мА, как ОООС организовать к примеру с 6п14п?
Это тройной ток покоя, там три параллельные ветки по 80 ма. А мой латералыч - 250 мА через одну пару выходников. Позволят радиаторы - дал бы 400ма.
 
выше писал, хоть с нолем хоть без, спектр не меняется!
я считал входное даймонда на тошибах. потом выбирал режим лампы по второй гармонике.
1М для полевиков нормально, биполярам многовато.
Мне хватает на тошибах ноль поставить без ущерба...
 

Статистика форума

Темы
3,338
Сообщения
268,580
Пользователи
2,570
Новый пользователь
Игорь 875
Назад
Сверху Снизу