Гибрид с ВК чуффоли

NEULO

1 ранг
Регистрация
14 Июл 2019
Сообщения
3,792
Реакции
1,939
Репутация
93
Возраст
52
Страна
Россия
Город
Одинцово
Предупреждений
4
Не везде точечной сваркой получится приварить, достаточно не сильно хитрого припоя, пользуюсь таким припоем уже лет 5 и покупные "понтовые" припои не нужны. Сам не верил, пока не услышал.
Услышать можно. Если припой совсем хреновый взять, и глубины оос примерно около нисколько.
А ты тот свой усилок то допаял? А то пропал чёт, и тут уже фоловеры чуффоли паяешь, что, не вышло что ли?
 
Регистрация
14 Янв 2021
Сообщения
536
Реакции
142
Репутация
28
Страна
Россия
Город
Ковров
Имя
Сергей
Предупреждений
1
Услышать можно. Если припой совсем хреновый взять, и глубины оос примерно около нисколько.
А ты тот свой усилок то допаял? А то пропал чёт, и тут уже фоловеры чуффоли паяешь, что, не вышло что ли?
Здравствуйте, если про мощный на 300-400, то даже не начинал, схемы подходящей не нашел, пусть пока итун на тда7294 будет. Все припои не сравнивал, но то что пос 61 мутит звук, это точно, первый раз сравнивал лет 5 назад, может больше, 2 пары плат итун на тда 2030а, динамики ШП, одна пара была полностью спаяна была пос61 и фильтры питания тоже, вторая пос 61 с обильной насыпкой опилкок серебра и меди в еловой смоле + таблетка активированного угля размельченная в смолу, все это на фанерке, накидал в смолу пос 61, опилок меди и серебра и грел, перемешивал всю эту смесь жалом паяльника минут 20, с промежуточным охлаждением капля и разогрева. Звук спаянных плат просто пос61, мутный, приглушенный и где то в динамиках застрял, от динамиков вообще не отходит, а платы с на пос61 с медно-серебрянной стружкой дали прозрачный звук, не приглушенный, он сразу отлип от динамиков и вышел в пространство помещения, не знаю как объяснить этот эффект или явление.

Так что только пустой пос61 без "приправы" это смерть для звука. На любителя.

Прочитал и задумался: придется все проводники в УНЧ на "припойные" менять и акустические кабели тоже! Если уж и улучшать, то всё сразу. Провода в колонках тоже неплохо будет заменить на "припойные"
Если улучшать, то сразу всё, это точно!
Все провода на пипой менять не надо, достаточно пайки и моножилы, а так то по желанию.

Много тем в интернете, о влиянии припоя на звук, даже со спектрограммами припоя и примесей есть форум.
 

NEULO

1 ранг
Регистрация
14 Июл 2019
Сообщения
3,792
Реакции
1,939
Репутация
93
Возраст
52
Страна
Россия
Город
Одинцово
Предупреждений
4
схемы подходящей не нашел
облом. Можно Простор спаять, только питание приподнять и пар на выход.
пусть пока итун на тда7294 будет.
пока хватает и хорошо. мне тут негодяи заставляют такую микру в композит поставить.
 
Регистрация
14 Янв 2021
Сообщения
536
Реакции
142
Репутация
28
Страна
Россия
Город
Ковров
Имя
Сергей
Предупреждений
1
облом. Можно Простор спаять, только питание приподнять и пар на выход.

пока хватает и хорошо. мне тут негодяи заставляют такую микру в композит поставить.
Понял, благодарю, я по профессии электрик, а не электроник, а тема звука это просто хобби, у меня с этими добавками ещё пары транзисторов и ещё чего нибудь в схему, туго, все эти добавки потянут за собой смену режимов и т.д. Сейчас уже зима начинается, а гараж в основном весна лето осень, пока тепло.

А чем плоха эта микруха, аудиокиллер её вдоль и поперёк измерил, только к ней нужно лампу на вход, даже тда 2030а с лампой на входе, поёт очень хорошо. Про композит не понял.
 

NEULO

1 ранг
Регистрация
14 Июл 2019
Сообщения
3,792
Реакции
1,939
Репутация
93
Возраст
52
Страна
Россия
Город
Одинцово
Предупреждений
4
Понял, благодарю, я по профессии электрик, а не электроник, а тема звука это просто хобби, у меня с этими добавками ещё пары транзисторов и ещё чего нибудь в схему, туго, все эти добавки потянут за собой смену режимов и т.д. Сейчас уже зима начинается, а гараж в основном весна лето осень, пока тепло.

А чем плоха эта микруха, аудиокиллер её вдоль и поперёк измерил, только к ней нужно лампу на вход, даже тда 2030а с лампой на входе, поёт очень хорошо. Про композит не понял.
так ничем не плоха. но можно улучшить.
добавление чего нибудь в схему простора не составляет особой проблемы, раз уж я его и создал).
впрочем, он и сам по себе достаточно мощный без переделок.
 

scamp

1 ранг
Регистрация
28 Окт 2021
Сообщения
1,704
Реакции
1,342
Репутация
68
Страна
Россия
Город
Ростов-на-Дону
Имя
Александр
А что тут ужасного, достаточно понять, как переносится звук к примеру с плеера и т.д,
Ужас в том что вы пишите ниже
Скорость звука в олове и свинце, что есть пос61
Не хочу в ввязываться в полемику, но дело в том что звуковая волна то есть звук распространяется в различных средах но никак не в электрических цепях.
Это просто физика и химия, этому всех в школе обучали, я ни чего нового не придумал, просто использую, да и всё.
Надо бы подтянуть пройденный материал.
на пути масса паек и деталей со своей геометрией из разных материалов, всё это не посредственно влияет на звук
С таким подходом вам в своих конструкциях надо применять "правильные" радиоэлементы, а не дерьмо ширпотребовское иначе звук увязнет в каком нибудь конденсаторе или резисторе не говоря уже транзисторы. А кстати как в вакууме лампы 6н8с будет прохождение звука? Может её надо наполнить опилками серебра и золота?

Если серьёзно то все эти россказни о припоях из драг металлов имеют место в СВЧ технике и с аудио не чего общего не имеют, это аудиофильские сказки.
 
Регистрация
14 Янв 2021
Сообщения
536
Реакции
142
Репутация
28
Страна
Россия
Город
Ковров
Имя
Сергей
Предупреждений
1
38484200-1399019152_cr.jpg
Подскажите, какие номиналы нужно поставить в этой схеме на 6н8с для фолловера?

дело в том что звуковая волна то есть звук распространяется в различных средах но никак не в электрических цепях.
Интересные у вас суждения, напряжение на динамик с усилителя приходит, когда музыка играет, но звук оно получается не приносит с собой?! Может вы постоянку слушаете? Звук или колебания воздушной среды, переносятся через стоячие волны, так же и в лампе происходит, как в конденсаторе образуются стоячие волны между обкладками, так и в лампе то же самое, только между электродами.
 
Последнее редактирование модератором:

NEULO

1 ранг
Регистрация
14 Июл 2019
Сообщения
3,792
Реакции
1,939
Репутация
93
Возраст
52
Страна
Россия
Город
Одинцово
Предупреждений
4
Музыкальный сигнал к примеру с плеера, это и звук и ток и напряжение одновременно, у него есть своя геометрия, по факту, это материальный объект.
А исскуственный интелект пишет, что в вакууме звук не распространяется, так что не знаю, я там не был.
В этом аудиоквадробинге, самое главное снять маску, когда приходит реальность.
Не заморачивайтесь. Звук в ваккуме не распространяется, а вот электромагнитные волны модулированые звуком- без проблем.
 

scamp

1 ранг
Регистрация
28 Окт 2021
Сообщения
1,704
Реакции
1,342
Репутация
68
Страна
Россия
Город
Ростов-на-Дону
Имя
Александр
Как выше написал.
Не хочу в ввязываться в полемику
Интересные у вас суждения, напряжение на динамик с усилителя приходит, когда музыка играет, но звук оно получается не приносит с собой?!
Но специально для вас шепотом на ушко.
Динамик всего лишь является преобразователем одной энергии в другую всё! В электрических цепях токи, не какова звука там нет!
 
Регистрация
14 Янв 2021
Сообщения
536
Реакции
142
Репутация
28
Страна
Россия
Город
Ковров
Имя
Сергей
Предупреждений
1
Динамик всего лишь является преобразователем одной энергии в другую всё! В электрических цепях токи, не какова звука там нет!
Подаём на вход динамика постоянку, динамик выдвигается вперёд, греется катушка, звука нет, преобразовали энергию акб в тепло и работу. И? Включаете в сеть понижающий трансформатор, ко вторичке подключаете динамик, звук 50гц есть, но по вашему в электрических цепях только токи. В динамик тоже токи с напряжение приходят, промодулированные звуковыми сигналами(песнями), так что отдельно ни чего нет.
 

scamp

1 ранг
Регистрация
28 Окт 2021
Сообщения
1,704
Реакции
1,342
Репутация
68
Страна
Россия
Город
Ростов-на-Дону
Имя
Александр
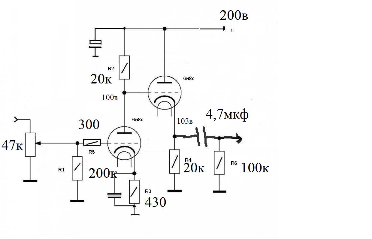
Подскажите, какие номиналы нужно поставить в этой схеме на 6н8с для фолловера?
Не хотелось писать ну да ладно интересно чем всё закончится. Ещё раз повторю моё мнение 6н8с не по силам качать транзисторный каскад. Петь будет вот только как...? Вот вам базовая схема.
1731597398513.png
 
Регистрация
14 Янв 2021
Сообщения
536
Реакции
142
Репутация
28
Страна
Россия
Город
Ковров
Имя
Сергей
Предупреждений
1
Не хотелось писать ну да ладно интересно чем всё закончится. Ещё раз повторю моё мнение 6н8с не по силам качать транзисторный каскад. Петь будет вот только как...? Вот вам базовая схема.
Посмотреть вложение 114340
Принял, благодарю. Её можно к стандартной схеме чуфолли подключить, без изменений номиналов в его схеме фолловера? На втором фото, 100к подключать так же?
 

Вложения

  • Follower_99d.jpg
    Follower_99d.jpg
    128.3 KB · Просмотры: 59
  • PF2014_sim_srpp_psu_cr.jpg
    PF2014_sim_srpp_psu_cr.jpg
    69.5 KB · Просмотры: 65
Последнее редактирование:

slami

1 ранг
Регистрация
15 Янв 2021
Сообщения
1,417
Реакции
1,121
Репутация
58
Возраст
53
Страна
Россия
Город
Иркутская обл.
Имя
Вячеслав
Принял, благодарю. Её можно к стандартной схеме чуфолли подключить, без изменений номиналов в его схеме фолловера? На втором фото, 100к подключать так же?
На втором фото R7 убирать нельзя, он с R8 создает делитель смещения полевого транзистора, нужно просто увеличить R1 до 100 кОм и все.
 
Регистрация
14 Янв 2021
Сообщения
536
Реакции
142
Репутация
28
Страна
Россия
Город
Ковров
Имя
Сергей
Предупреждений
1
На втором фото R7 убирать нельзя, он с R8 создает делитель смещения полевого транзистора, нужно просто увеличить R1 до 100 кОм и все.
А я не буду р7 убирать, я его так же подключу, как на схеме, где кругом обведено, 100ком и последовательно 1ком, чтоб делитель не нарушать.
 
Регистрация
12 Ноя 2019
Сообщения
28,303
Реакции
13,620
Репутация
395
Добро, макет уже начат, радиаторы к фанере прикручены, но с "реальностью" пока не определился, какие детали и режимы будут и т.д. Может навесной монтаж сделать?


Практика покажет звук. Может дело не в повторителе, а в деталях, типа мутных резисторов и стрёмный припой типа пос 61, который очень мутит звук, на счет млт и пос 61 сам лично слышал, как было до и стало после изменений с млт на светодиоды и "варка" своего припоя в углеродной еловой смоле со "стружкой - опилками" золота, серебра и меди, после напильника и пропускания через эту "каплю" жидкую, постоянного тока с 18650 через светодиод, чтоб выстроить и объединить атомарную структуру по ходу событий. Видел схему усилителя гримми, вообще без резисторов, кроме входного.

Резисторы все будут проволочные типа ПТМН, С5-5В и С5-5МВ, может и керамика, а мутных напылений на трубке больше не хочу.

Вместо предохранителя можно резистор поставить между транзисторами, если да, то насколько, так же на 0.47 к примеру, как в истоке нижнего транзистора или можно меньше и откуда сделать съём на выходной конденсатор, если будет резистор стоять, с истока верхнего транзистора или со стока второго транзистора или вообще перемычку поставить, у меня есть проволока константановая, из неё может шунт сделать вместо этого резистора?
Скажу страшное. У резисторов ПТМН и С5-5 выводы из стали, а намотка из страшно сказать, НИХРОМА!!!
 
Регистрация
14 Янв 2021
Сообщения
536
Реакции
142
Репутация
28
Страна
Россия
Город
Ковров
Имя
Сергей
Предупреждений
1
Скажу страшное. У резисторов ПТМН и С5-5 выводы из стали, а намотка из страшно сказать, НИХРОМА!!!
Дядя Саша, здравствуйте, это не тайна, в курсе, мне хочется лично услышать, как резисторы с напылением и проволокой влияют на звук конкретно в этом усилителе, есть много всяких разных, всё равно навесной монтаж в планах, можно будет опыты провезти с разными деталями. С лампами ясно, там светодиоды поставил вместо млт в катод и муть млт сразу пропала.

На ваш профессиональный взгляд, эти номиналы и такое напряжение нормально будет (фото 1) или до 300в питание поднять? В планах стабилизатор к драйверу на транзисторах, со схемой стабилизатора пока не определился.

На счёт замены предохранителя на резистор R1 между полевиками, что можете сказать, какой номинал поставить и если будет резистор, то куда подключать выходной конденсатор, к истоку верхнего транзистора или к стоку нижнего? Фото 2.
 

Вложения

  • 1731597398513.png
    1731597398513.png
    148.6 KB · Просмотры: 52
  • ower_99d.jpg
    ower_99d.jpg
    128.8 KB · Просмотры: 52
Последнее редактирование:
Регистрация
12 Ноя 2019
Сообщения
28,303
Реакции
13,620
Репутация
395
Дядя Саша, здравствуйте, это не тайна, в курсе, мне хочется лично услышать, как резисторы с напылением и проволокой влияют на звук конкретно в этом усилителе, есть много всяких разных, всё равно навесной монтаж в планах, можно будет опыты провезти с разными деталями. С лампами ясно, там светодиоды поставил вместо млт в катод и муть млт сразу пропала.

На ваш профессиональный взгляд, эти номиналы и такое напряжение нормально будет (фото 1) или до 300в питание поднять? В планах стабилизатор к драйверу на транзисторах, со схемой стабилизатора пока не определился.

На счёт замены предохранителя на резистор R1 между полевиками, что можете сказать, какой номинал поставить и если будет резистор, то куда подключать выходной конденсатор, к истоку верхнего транзистора или к стоку нижнего? Фото 2.
Схема на лампе(спарка по-нашенски) почти правильная, но нужно пр ВАХам пойти и ясно будет, попали или нет. 200 вольт питания для 6Н8С слабовато, ей 400 самый раз. Посчитаю и отвечу. если форум снова не заткнется , как все эти дни.
 
Регистрация
14 Янв 2021
Сообщения
536
Реакции
142
Репутация
28
Страна
Россия
Город
Ковров
Имя
Сергей
Предупреждений
1
Схема на лампе(спарка по-нашенски) почти правильная, но нужно пр ВАХам пойти и ясно будет, попали или нет. 200 вольт питания для 6Н8С слабовато, ей 400 самый раз. Посчитаю и отвечу. если форум снова не заткнется , как все эти дни.
Принял, благодарю! 400в какое то опасное напряжение и электролиты только на 400в есть. Про ПТМН и С5-5, С5-16мв, прочитал здесь. http://audio-db.info/AudioDB/BazaPraktiki/Usilenie/Rezistory/ABC/Provolochnye
 

Shef

2 ранг
Регистрация
5 Дек 2023
Сообщения
444
Реакции
315
Репутация
21
Город
British Columbia
Предупреждений
2
Сергей, а что вы так за этого чуффонца уцепился? в нём же капацитор на выходе, да ещё и электролит.. как можно ?!
мы потому на дроссельный выход и перешли.. да и два мосфета греть не надо, а только один греется. И тоже гибридный
 
Регистрация
14 Янв 2021
Сообщения
536
Реакции
142
Репутация
28
Страна
Россия
Город
Ковров
Имя
Сергей
Предупреждений
1
Сергей, а что вы так за этого чуффонца уцепился? в нём же капацитор на выходе, да ещё и электролит.. как можно ?!
мы потому на дроссельный выход и перешли.. да и два мосфета греть не надо, а только один греется. И тоже гибридный
Уже всё есть для него и капасистор на выходе тоже не пугает.
Видел я похожий, в таком нужно мотать дроссель и какие то проблемы с постоянкой на выходе, где то мельком прочитал, короче не вникал в его сборку.
 

Вложения

  • hybrid_5.jpg
    hybrid_5.jpg
    26.9 KB · Просмотры: 63
Последнее редактирование:
Регистрация
12 Ноя 2019
Сообщения
28,303
Реакции
13,620
Репутация
395
Когда затевал тему латералов, сразу отметил недостатки звучания оторванного от схемы повторителя и отказался от этого решения. Кому-то нравится. На здоровье.
 

Shef

2 ранг
Регистрация
5 Дек 2023
Сообщения
444
Реакции
315
Репутация
21
Город
British Columbia
Предупреждений
2
и капасистор на выходе тоже не пугает.
Видел я похожий, в таком нужно мотать дроссель и какие то проблемы с постоянкой на выходе, где мельком прочитал
Ну то есть вы выслушиваете "влияние на звук" напылённой плёнки а также проволочных резисторов, навесного монтажа, а такого слона в посудной лавке как электролитическая банка в сильнотоковой выходной цепи - не замечаете?

Дроссель в нём примитивнее некуда, типа такого. "постоянка на выходе" равна, ну пусть в случае тяп-ляп сделанного дросселя в 0,15 Ом и тока покоя в 1,5 А = 0,22 V - вы как-либо замЕтите такую постоянку на 8-омной нагрузке? (точнее, только на басовике)
Choke3mHn.png
 
Регистрация
12 Ноя 2019
Сообщения
28,303
Реакции
13,620
Репутация
395
Ну то есть вы выслушиваете "влияние на звук" напылённой плёнки а также проволочных резисторов, навесного монтажа, а такого слона в посудной лавке как электролитическая банка в сильнотоковой выходной цепи - не замечаете?

Дроссель в нём примитивнее некуда, типа такого. "постоянка на выходе" равна, ну пусть в случае тяп-ляп сделанного дросселя в 0,15 Ом и тока покоя в 1,5 А = 0,22 V - вы как-либо замЕтите такую постоянку на 8-омной нагрузке? (точнее, только на басовике)
Посмотреть вложение 114366
Дропсель зачетный, только вопрос сразу возникает, на чем его мотать , когда кроме железа от станковых ОСМ другого не плавает рядом. И те выгребли и сдали на мясо.
 

Shef

2 ранг
Регистрация
5 Дек 2023
Сообщения
444
Реакции
315
Репутация
21
Город
British Columbia
Предупреждений
2
на чем его мотать , когда кроме железа от станковых ОСМ другого не плавает рядом. И те выгребли и сдали на мясо.
Вот как раз ОСМ располовинить и по подобию намотать 2х миллиметровым. Может даже до заполнения не придётся, при ОСМ-овском-то размере.. может даже 0,07 Ом актсопр удастся получить, а это = всего-лишь 0,1V постоянки.
 
Регистрация
12 Ноя 2019
Сообщения
28,303
Реакции
13,620
Репутация
395
Вот как раз ОСМ располовинить и по подобию намотать 2х миллиметровым. Может даже до заполнения не придётся, при ОСМ-овском-то размере.. может даже 0,07 Ом актсопр удастся получить, а это = всего-лишь 0,1V постоянки.
В курсе этого. Еще в начале нулевых озадачивался этой темой, была она в Радиохобби .
Один земляк, занятый этой темой, рассказал про сложности такого решения .Схема как бы две детали, а по виду -сундук не слабее лампача с его железяками. И греется как паровоз.
Приходится как тому буриданову ослу выбирать между убогой по мощности резисторной нагрузкой и этим сундуком-печкой на катухе. Хотя, индуктивность ,конечно , выгоднее круто.
 

Shef

2 ранг
Регистрация
5 Дек 2023
Сообщения
444
Реакции
315
Репутация
21
Город
British Columbia
Предупреждений
2
Один земляк, занятый этой темой, рассказал про сложности такого решения .Схема как бы две детали, а по виду -сундук не слабее лампача с его железяками. И греется как паровоз.
Не-а. Так на так выходит.
Против дросселя нагрузки (который можно попробовать на порошковом кольце большого диаметра - я давно эту тему думаю) у Чуффольца вам придётся делать транс питания двойной габаритной мошности + соотв двойное кол-во банок питания, и колхозить второй такой же радиатор, не говоря что Ч жрёт как слон и греется как печка.. и всё только лишь из-за того, что выходной капацитор уже есть в тумбочке
 
Регистрация
12 Ноя 2019
Сообщения
28,303
Реакции
13,620
Репутация
395
Не-а. Так на так выходит.
Против дросселя нагрузки (который можно попробовать на порошковом кольце большого диаметра - я давно эту тему думаю) у Чуффольца вам придётся делать транс питания двойной габаритной мошности + соотв двойное кол-во банок питания, и колхозить второй такой же радиатор, не говоря что Ч жрёт как слон и греется как печка.. и всё только лишь из-за того, что выходной капацитор уже есть в тумбочке
От капацитора уйдешь- к дросселю выйдешь. Прямо пойдешь- " ну и кто ты после этого"
Для себя нашел схему Худа, хороший компромисс между габаритами, весом. нагревом и мощностью.И звучит как надо. Если лампы не слышал.

Принял, благодарю! 400в какое то опасное напряжение и электролиты только на 400в есть. Про ПТМН и С5-5, С5-16мв, прочитал здесь. http://audio-db.info/AudioDB/BazaPraktiki/Usilenie/Rezistory/ABC/Provolochnye
Для питания пониже и лампа другая нужна, а не упираться в восьмеру. 6Н6П к примеру.
 
Последнее редактирование:
Регистрация
14 Янв 2021
Сообщения
536
Реакции
142
Репутация
28
Страна
Россия
Город
Ковров
Имя
Сергей
Предупреждений
1
Ну то есть вы выслушиваете "влияние на звук" напылённой плёнки а также проволочных резисторов, навесного монтажа, а такого слона в посудной лавке как электролитическая банка в сильнотоковой выходной цепи - не замечаете?

Дроссель в нём примитивнее некуда, типа такого. "постоянка на выходе" равна, ну пусть в случае тяп-ляп сделанного дросселя в 0,15 Ом и тока покоя в 1,5 А = 0,22 V - вы как-либо замЕтите такую постоянку на 8-омной нагрузке? (точнее, только на басовике)
Я не когда выслушивал и не выслушиваю резисторы, нет желания этим заниматься специально, только ради выслушивания, просто заменил млт в катодах на светодиоды, зашунтировал их электролитами с плёнкой и сразу стало всё ясно, что млт там точно не нужны.
Аудио фанатизмом не занимаюсь, лень.

С моей точки зрения и знание о том, как там распространяются стоячие волны, то проволочные больше подходят под мои нужды, а реальность покажет.
Они зашунтированы будут плёнкой или "маслом" эти банки, сегодня может фото сделаю и банок тоже, одна банка епкос 6800х400в весит 900грамм, их надо 8шт, есть ещё на 4700х365в, они полегче. А на выходе наверно будет 10000х50 и 4700х400, просто они есть в "тумбочке".
По трансформатору на канал.

Да, рассказывайте, что дроссель примитивнее, хотя и осм 0.4 и на 2.5квт транформаторы есть и другие мощные, только проволоки медной туда нужно намотать больше чем на 5т.р для долгого прослушивания, а не как на вашем фото, на пару раз включить, тяп ляп не интересует.

Не-а. Так на так выходит.
Против дросселя нагрузки (который можно попробовать на порошковом кольце большого диаметра - я давно эту тему думаю) у Чуффольца вам придётся делать транс питания двойной габаритной мошности + соотв двойное кол-во банок питания, и колхозить второй такой же радиатор, не говоря что Ч жрёт как слон и греется как печка.. и всё только лишь из-за того, что выходной капацитор уже есть в тумбочке
Трансформаторы от ибп 650 тых, могут подойти, у меня такие, там 4 вторички, на выходе я получаю 46-48в постоянки в максимальном его включении, весит кг 3 или чуть больше, по программе расчетной, мощность железа примерно 300-350вт.
Когда всё есть, то как то не заботят эти проблемы больших банок и т.д, а когда греется, это хорошо, лучше звук и зимой теплее, а энергопотребление не сильно интересует, он же не 5квт жует.
Для питания пониже и лампа другая нужна, а не упираться в восьмеру. 6Н6П к примеру.
Для восьмёрки хватит и 350в, плюс минус 50в сильной погоды не сделают.
6н6п будут, но позже, усилитель будет на отдельной фанере, а пред на лампах 6н8с на другой, а на 6н6п третьим можно сделать, через межблочник соединяться будет.
 
Последнее редактирование:
Регистрация
12 Ноя 2019
Сообщения
28,303
Реакции
13,620
Репутация
395
Я не ни когда выслушивал и не выслушиваю резисторы, нет желания этим заниматься специально, только ради выслушивания, просто заменил млт в катодах на светодиоды, зашунтировал их электролитами с плёнкой и сразу стало всё ясно, что млт там точно не нужны.
Аудио фанатизмом не занимаюсь, лень.

С моей точки зрения и знание о том, как там распространяются стоячие волны, то проволочные больше подходят под мои нужды, а реальность покажет.
Они зашунтированы будут плёнкой или "маслом" эти банки, сегодня может фото сделаю и банок тоже, одна банка епкос 6800х400в весит 900грамм, их надо 8шт, есть ещё на 4700х365в, они полегче. А на выходе наверно будет 10000х50 и 4700х400, просто они есть в "тумбочке".
По трансформатору на канал.

Да, рассказывайте, что дроссель примитивнее, хотя и осм 0.4 и на 2.5квт транформаторы есть и другие мощные, только проволоки медной туда нужно намотать больше чем на 5т.р для долгого прослушивания, а не как на вашем фото, на пару раз включить, тяп ляп не интересует.
Шунтировать светодиоды электролитами с пленкой как раз и есть тот самый аудиофанатизм. Вы хоть знаете, какой резистор ими шунтируете, роль которого играет светодиод, результат шунтирования смотрели, и чем? Слухометром? Или сам факт шунтирования греет душу?
 

Статистика форума

Темы
3,071
Сообщения
234,805
Пользователи
2,375
Новый пользователь
Sergovlad
Сверху Снизу