JLH - усилитель Джона Линсли-Худа (John Linsley-Hood)

  • Автор темы Автор темы LDS
  • Дата начала Дата начала

Оцените схему по 5-ти баллам

  • 1

  • 2

  • 3

  • 4

  • 5


Результаты будут видны только после голосования.
или так переделать драйвер
 
Режимы с подмагничиванием и без отличаются.
само собой смещение подобрать чтобы ток драйвера был 15...20ма и транс нужен понижающий 6;1:1 ,железо собрать встык можно без прокладки,или тонкую
0,05мм
мотать сразу в 6 проводов по 0,15мм и два по 0,31мм до заполнения,потом секции по 0,15 мм соединить последовательно начало-конец
даже лучше вот так сделать,больше петлевое будет
 

Вложения

  • переделка драйвера.jpg
    переделка драйвера.jpg
    194.7 KB · Просмотры: 100
Последнее редактирование:
Тогда лучше сразу такой собрать, где то в интернете нашел.
Фазоинверсный трансформатор Ш железо 20 на 20.
Первичная обмотка 400 витков провода 0,4 Вторичная обмотка 200 витков провода 0,4 ,
в два провода. Первичная обмотка разделена на две части,между ними вторичная.
Индуктивность первичной обмотки 0,2 Гн.
А ещё лучше - разглядеть, сколько в питание мечтатель-рисователь ввалил напруги.
Потом немного подумав и пересилив лень, почитать параметры ГТ404Г.
и выкинуть схему в помойку.
 
А ещё лучше - разглядеть, сколько в питание мечтатель-рисователь ввалил напруги.
Потом немного подумав и пересилив лень, почитать параметры ГТ404Г.
и выкинуть схему в помойку.
Да это понятно, что он на 40в в питании ошибся. Я имел ввиду схемотехнику.
 
Да это понятно, что он на 40в в питании ошибся. Я имел ввиду схемотехнику.
Ничего в этой схемотехнике хорошего то и нету. Трансформаторы хорошо в питание ставить. А в усилителе в роли согласующего..
Ну а ты представь. Железка дорогая, с кучей провода или пара транзисторов по 10рублей корпус? При том что транзисторы ещё и работают лучше.
 
А ещё лучше - разглядеть, сколько в питание мечтатель-рисователь ввалил напруги.
Потом немного подумав и пересилив лень, почитать параметры ГТ404Г.
и выкинуть схему в помойку.
Это Аббаз с форума аббазаудио выложил, у него собрано в железе, так что не знаю, эти фото от туда, сохранил их в 2022 году, мужик этот вроде соображает, как на счет работоспособности этой схемы, лучше спросить у него.
Тема - Самые музыкальные транзисторы.
На форум вход закрыт, но переписка там где то идёт, спросить не получилось..

Ничего в этой схемотехнике хорошего то и нету. Трансформаторы хорошо в питание ставить. А в усилителе в роли согласующего..
Ну а ты представь. Железка дорогая, с кучей провода или пара транзисторов по 10рублей корпус? При том что транзисторы ещё и работают лучше.
От части согласен, но такую схемотехнику не слышал. Интересовала тогда тема мощного двухтакта на германии.
Железку можно от осм приделать, есть в наличии и 2 станка намоточных есть, намотать не проблема, был бы толк.
 

Вложения

  • 2025-08-01_18-50-24.png
    2025-08-01_18-50-24.png
    511.2 KB · Просмотры: 89
2sc2240+2sa1930 выдержат, там еще косяк с трансом 1:2:2 не пойдет
надо (6...8):1:1 тк выходники с ОЭ
 
Схема грамотная, параметры честные. Транзисторы фирмы Хернайди.
Хотя по полосе вверх они кил до 5 в ОЭ. Ну, до 5.5 . Можно заменить похожими ASZ15 ASZ1016. их валом, если места знать.С ними схема кил до 30 пробежит. Выше сквозной ток проявляется.
С другой стороны. каким местом эта схема к теме Худа .
 
Последнее редактирование:
Схема грамотная, параметры честные. Транзисторы фирмы Хернайди.
Хотя по полосе вверх они кил до 5 в ОЭ. Ну, до 5.5 . Можно заменить похожими ASZ15 ASZ1016. их валом, если места знать.С ними схема кил до 30 пробежит. Выше сквозной ток проявляется.
С другой стороны. каким местом эта схема к теме Худа .
А такая как на ваше усмотрение? Только номиналов нет и тему про неё не нашел.
 

Вложения

  • 151350412848237439.jpg
    151350412848237439.jpg
    84.6 KB · Просмотры: 75
Есть подобное у Чуффоли, цирклотрон. Но толку от схемы без номиналов, если нет навыков считать обвеску. Да и транзисторы неизвестные.
 
Схема ОК (повторитель)
 
эту схему можно сделать с одним БП и ставить транзисторы на радиатор без прокладок,я часто предлагал эту схему но никто так и не пробовал(((
однако мотать первичку бифилляром это бред,тем более разным диаметром,
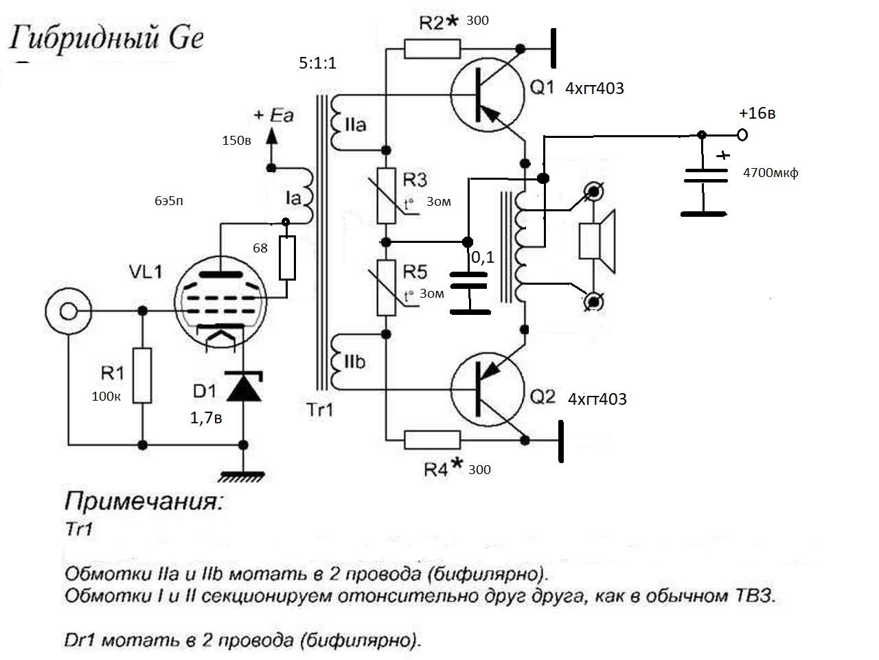
первичку мотаем как обычно а вторую сетку соединяем с анодом,лампа 6э5п
динамик 8ом можно цеплять прямо на эмиттеры,на отводы (как на схеме) цепляем при 2ом нагрузке
ЗЫ но эту схему я бы юзал только в Аклассе тк в ней нет общей оос
Дроссель мотаем бифиляром в два провода 0,8мм до отвода,от отвода до конца идущего на эмиттеры мотаем жгутом из 8 проводов 0,35мм потом каждый соединяем с эмиттером гт403 четыре эмиттера на плечо,СОБЛЮДАЕМ ПОЛЯРНОСТЬ!!!
германий гибридник.jpgгерманий гибридник.jpgдроссель-автотранс.png

попробуйте вот эту схему она очень простая,питание можно снизить до 100в
гибридник простой2UL.png
 
Последнее редактирование модератором:
Это Аббаз с форума аббазаудио выложил, у него собрано в железе, так что не знаю, эти фото от туда, сохранил их в 2022 году, мужик этот вроде соображает, как на счет работоспособности этой схемы, лучше спросить у него.
Аббас от трансформаторов отказался, а мотал и пробовал их разные в германиевом мощнике. Звук они не озонировали, хотя возможности по материалам для трансов у него были большие. Остановился на гибридном варианте - лампа на входе в српп, дальше какой-то германиевый импорт, но на выходе П210. Самое интересное, что ВЧ по приборам не завалены.
А что другие темы на его сайте не открываются? Там все довольно подробно описано .
 
В идеале так должно быть, но сшивать все эти лоскутки в единое целое...
Поищу, где Абасс описывает в общих чертах свою схемотехнику и цитаты сброшу в тему ГУ. Там это более уместно.
 
но сшивать все эти лоскутки в единое целое...
гораздо легче чем кроссоверами с конскими катушками при разделе 300гц
еще вариант программный кроссовер на ПК при наличии карты 5.1 или DSP
в программном кроссовере все очень гибко можно менять плюс есть возможность даже вводить временные задержки в реальном времени
 
гораздо легче чем кроссоверами с конскими катушками при разделе 300гц
еще вариант программный кроссовер на ПК при наличии карты 5.1 или DSP
в программном кроссовере все очень гибко можно менять плюс есть возможность даже вводить временные задержки в реальном времени
"Безумству храбрых поём мы песню"! По теме: собирал в молодости JLH не впечатлился, может конечно квалификация у меня пониже была
 
По теме: собирал в молодости JLH не впечатлился,
в молодости отсутствовали транзисторы пригодные для этой схемы,можно было получить приемлемый результат сделав Ку=1...2 и использовать в качестве повторителя к ламповому SE например ,на 6п15п для увеличения выходной мощности с 1вт до 10вт
и этот усилитель не для дубовых с-90,на 6гд-2+хорошая пищала с низким резонансом(лично я использовал от винтажных Кантон LE-350) играет достойно
 
Последнее редактирование:
От нечего делать купил набор на али. Все транзисторы сразу выбросил. Собрал, включил и залип на пару часов. Немного не хватает низов, но к этому быстро привыкаешь. Низ есть, но он немного другой. Запитано все от достаточно правильного импульсника с ККМ. Пока что по питанию только штатные конденсаторы в импульснике, лень в "тумбочку" лезть, позже добавлю. Даже так фона нет совсем. Перед этим пробовал на выход БП подключить 15mF - запускается так же, как и без него.
Осциллограмма на выходе БП при подключенных двух каналах JLH с током покоя 1,2А.
 

Вложения

  • IMG_20250919_182304.jpg
    IMG_20250919_182304.jpg
    491 KB · Просмотры: 99
  • IMG_20250919_183716.jpg
    IMG_20250919_183716.jpg
    371.1 KB · Просмотры: 102
Низ есть, но он немного другой
попробуйте увеличить емкость выходного кондера до 20000мкф,а лучше охватить его отдельной веткой оос но это надо переделывать печатку
на выход бп обязательно 15мф ведь ток нагрузки течет через бп
 
Последнее редактирование:
На выходе сейчас 15000мкФ тесловские. В "тумбочке" есть еще десяток таких же, надо только откопать их. Пара пойдет на питание. Есть штук 50 ничиконов 3300мкФ 35В, можно будет из них набрать 10 или 20 по питанию.
 
На выходе сейчас 15000мкФ тесловские. В "тумбочке" есть еще десяток таких же, надо только откопать их. Пара пойдет на питание. Есть штук 50 ничиконов 3300мкФ 35В, можно будет из них набрать 10 или 20 по питанию.
На вход 10мкф поставьте, баса больше будет.
 
От нечего делать купил набор на али. Все транзисторы сразу выбросил. Собрал, включил и залип на пару часов. Немного не хватает низов, но к этому быстро привыкаешь. Низ есть, но он немного другой. Запитано все от достаточно правильного импульсника с ККМ. Пока что по питанию только штатные конденсаторы в импульснике, лень в "тумбочку" лезть, позже добавлю. Даже так фона нет совсем. Перед этим пробовал на выход БП подключить 15mF - запускается так же, как и без него.
Осциллограмма на выходе БП при подключенных двух каналах JLH с током покоя 1,2А.
А что на выходе припаяно? Как обычно, 3055? Или нашли замену?
А! вижу, 3055-е. Неизвестного розлива. Дядя Паша рассказывал, появились китаецкие клоны Худа на отстойных Р-транзисторах, с питанием наизнанку. Народ безмолвствует, в ахере.
Если что, на второй этаж схемы Худа можно ставить тормоза любые, там повторитель , у него полоса на порядок ширше, а вниз ставим скоростные транзисторы , у них условия работы иные, сдуваются раньше.
Да и сами 3055-е сильно разные, есть до 800кГц, есть до 3 МГц.
 
Последнее редактирование:
А теперь измерь коэф. гармоник.
А слабо провода от импульсника , оба, пропустить через фильтрочистку? И лишь потом смотреть поляну из кактусовых иголок.
 
А что на выходе припаяно? Как обычно, 3055?
На выходе 3055 китайские, но нормальные в отличии от тех, что были в комплекте. Китайский спекулянт обещал с набором б/у моторолы 3055, но я изначально на это и не надеялся.
После блока питания будет C-R-C. Этого будет вполне достаточно. Блок питания LLC, там просто нет частокола, как в обычных импульсниках.
 
на выход надо наши кт863а ставить,лучше для худа не найти бэта в среднем 300...400 частота 10...20мгц
цена 50р
 

Статистика форума

Темы
3,307
Сообщения
263,553
Пользователи
2,548
Новый пользователь
Александр Н.
Назад
Сверху Снизу