Калибровка микрофона

Перигелий

3 ранг
Регистрация
5 Июн 2025
Сообщения
193
Реакции
125
Репутация
7
Страна
Україна
Город
Київ

apalych

1 ранг
Регистрация
7 Июн 2021
Сообщения
2,836
Реакции
2,784
Репутация
113
Страна
UA
Город
Кам'янець-Подільський
Имя
Андрій
Который в даташите, Вы имеете в виду?
Я там не совсем понимаю, что за конденсатор в схеме.
От ёма-ё... Ото меня торкнуло...
Великодушно прошу пардону, моя совсем запуталсо-потерялсо. Это из ДРУГОЙ ТЕМЫ ТУТА.
Вам микрофон прям в мик.вход и в путь.

А ежели очень захочется предвар на мик – то гривен за "писят" на "Розетке" отакэ и подобное:
Знімок екрана 2025-07-04 о 19.28.42.png
Знімок екрана 2025-07-04 о 19.29.02.png
Знімок екрана 2025-07-04 о 19.30.22.png

обращать внимание на частоту дискретизации по мик.входу – 44.1/48кГц норм. А бывает по входу и 8кГц – фтопку.
Конкретно ХЗ какое оно кака, не пробовал smile_15

Сам иногда среди прочего юзаю отакэ на чипе C-Media CM108 (44.1/48кГц по вх-вых):
Знімок екрана 2025-07-04 о 19.33.50.png

Знімок екрана 2025-07-04 о 19.56.20.png


Знімок екрана 2025-07-04 о 20.18.23.png
Ранее отдал аж сотку ₴ (быренько глянул ТУТА и ТУТА).
внутрях на выход добавил кондёры 100мкФ, даже большие наушки слушать можно, и наскоро оценочно прикинуть дынамэг на кривульки АЧХи.
*) В любом случае нужна будет калибровка звукотракта.
 
Последнее редактирование:

Перигелий

3 ранг
Регистрация
5 Июн 2025
Сообщения
193
Реакции
125
Репутация
7
Страна
Україна
Город
Київ
В любом случае нужна будет калибровка звукотракта.
Калибровка как в этой статье?

А в чем преимущества внешней звуковой карты перед, например, моей Asus Xonar SE?
Внешняя имеет большее усиление микрофона?
 

MacSys

1 ранг
Регистрация
24 Мар 2022
Сообщения
2,604
Реакции
2,366
Репутация
96
Возраст
38
Страна
Украина
Город
Кривой Рог
Имя
Станислав
Последнее редактирование:

Russ

1 ранг
Регистрация
3 Фев 2023
Сообщения
1,590
Реакции
855
Репутация
47
Страна
Россия
Город
Pskov
Ну мне нужно, пистофоном калибруем весть тракт на 124дб и можем мерить реальную чуйку колонок и прочего в дБ.
 

Сталкер001

2 ранг
Регистрация
23 Мар 2025
Сообщения
557
Реакции
129
Репутация
11
Страна
Россия
Город
Москва
Имя
1000Гц
Предупреждений
11
Ну мне нужно, пистофоном калибруем весть тракт на 124дб и можем мерить реальную чуйку колонок и прочего в дБ.
Зачем вам эта , лишняя, информация? Весь ваш акустический тракт на 124 дБ будет иметь нелинейные искажения на уровне 300%.

Поймите, если по типовым прогам получите хотя бы такие графики, это уже успех и на порядок меньше по искажениям, чем ваш слух и мозг, не говоря уже про уровни под 120 дБ и выше. _hm_
 
Последнее редактирование:

Russ

1 ранг
Регистрация
3 Фев 2023
Сообщения
1,590
Реакции
855
Репутация
47
Страна
Россия
Город
Pskov
Например: в прошлом году померил динамик в коробочке, реальная чуйка 93 дБ, через полгода купил к нему пищалку, продавец наобещал 95, а по факту получилось 90, вернул назад. Или что, мне настроить измерительну систему и законтирить ручки настройки? Да и удобно иметь дома эталонный сигнал в 1,53В с выхода повторителя микрофона, да еще и чатоту можно крутить на пистофоне в ту и другую сторону от центральной 250 Гц.
 

Перигелий

3 ранг
Регистрация
5 Июн 2025
Сообщения
193
Реакции
125
Репутация
7
Страна
Україна
Город
Київ

uriy

1 ранг
Регистрация
22 Янв 2024
Сообщения
878
Реакции
804
Репутация
36
Страна
Ukraine
Тогда всё ещё актуален вопрос, в чем кардинальное отличие.
В вашей звуковой карте есть микрофонный усилитель и вы можете подключить свой капсюль на прямую к микрофонному входу своей звуковой карты без предварительного усилителя, и если вдруг вас это не устроит, вам предложили не собирать предварительный усилитель самостоятельно, а купить готовый и использовать его для своего капсюля. Вы можете собрать предварительный усилитель и подключить его к линейному входу своей звуковой карты, а можете купить готовый пред либо на прямую подключить капсюль к микрофонному входу звуковой карты. В любом случае вы упрётесь в проблему достоверности измерений т.к. АЧХ своего капсюля вы не знаете.
 

Russ

1 ранг
Регистрация
3 Фев 2023
Сообщения
1,590
Реакции
855
Репутация
47
Страна
Россия
Город
Pskov
Я понял - вы пошутили и я посмеялся, особенно в плане интернет - магазинов с доставкой от 300 руб. в любую точку этой планеты._da
Так они даже включать в розетку не дают, мол сначала получи, потом включай, а тут совсем интересно, мобильного инета нет скоро неделю, в Озоне все зависло и не отдают, сказали, что через пару недель увезут обратно smile_1 . Такие вот магазины.
 

Сталкер001

2 ранг
Регистрация
23 Мар 2025
Сообщения
557
Реакции
129
Репутация
11
Страна
Россия
Город
Москва
Имя
1000Гц
Предупреждений
11
В вашей звуковой карте есть микрофонный усилитель и вы можете подключить свой капсюль на прямую к микрофонному входу своей звуковой карты без предварительного усилителя, и если вдруг вас это не устроит, вам предложили не собирать предварительный усилитель самостоятельно, а купить готовый и использовать его для своего капсюля. Вы можете собрать предварительный усилитель и подключить его к линейному входу своей звуковой карты, а можете купить готовый пред либо на прямую подключить капсюль к микрофонному входу звуковой карты. В любом случае вы упрётесь в проблему достоверности измерений т.к. АЧХ своего капсюля вы не знаете.
Я не претендую на нобелевку, но про АЧХ обычных капсюлей у меня есть особое мнение. Почти все дешевые электретные микрофоны и меют примерно два - три типа с воих АЧХ. Есть плавный спад АЧХ, примерно с 3-5-6-9 кГц, а основное большинство микрофонов имеет резкий провал - на частоте 10-15 кГц и примерно на -10-20 дБ примерно как в слегка растроенном режекторном фильтре второго порядка на условной частоте в 12 кГц.
 

Дмитрий Б.

1 ранг
Регистрация
18 Янв 2022
Сообщения
2,877
Реакции
2,159
Репутация
96
Страна
РФ
Город
Москва
Имя
Дмитрий
Предупреждений
1
Например: в прошлом году померил динамик в коробочке, реальная чуйка 93 дБ, через полгода купил к нему пищалку, продавец наобещал 95, а по факту получилось 90, вернул назад. Или что, мне настроить измерительну систему и законтирить ручки настройки? Да и удобно иметь дома эталонный сигнал в 1,53В с выхода повторителя микрофона, да еще и чатоту можно крутить на пистофоне в ту и другую сторону от центральной 250 Гц.
Калибруем шумомером и не думаем, где же взять пистофон!
 

Перигелий

3 ранг
Регистрация
5 Июн 2025
Сообщения
193
Реакции
125
Репутация
7
Страна
Україна
Город
Київ
В вашей звуковой карте есть микрофонный усилитель и вы можете подключить свой капсюль на прямую к микрофонному входу своей звуковой карты без предварительного усилителя, и если вдруг вас это не устроит, вам предложили не собирать предварительный усилитель самостоятельно, а купить готовый и использовать его для своего капсюля. Вы можете собрать предварительный усилитель и подключить его к линейному входу своей звуковой карты, а можете купить готовый пред либо на прямую подключить капсюль к микрофонному входу звуковой карты. В любом случае вы упрётесь в проблему достоверности измерений т.к. АЧХ своего капсюля вы не знаете.
Я писал выше как раз о проблеме покупного усилителя для капсюля: покупной усилитель оказался, мягко говоря, неподходящим.
А покупные усилители с Китая - там вообще не понятно, что с АЧХ.
Я хотел понять, чем усилитель микрофона во внешней звуковой карте будет мне удобнее.
+ Читал инструкцию к ARTA и думал, что мне необходим микрофон именно с усилителем для двухканальных измерений и линейный вход звуковой карты. Но для одноканальных измерений микрофонный вход тоже можно выбрать как источник звука.
Ну и если копнуть поглубже - я пока не готов покупать готовый измерительный микрофон, я пока совсем начинающий.
 

Бракодел

3 ранг
Регистрация
22 Мар 2025
Сообщения
81
Реакции
26
Репутация
2
Страна
Россия
Город
Питер
Где я мог накосячить?
Для детского сада есть замечательный метод диагностики звукового тракта без измерительных приборов (придуманный мной в детском возрасте). Включаешь усилитель подаешь на вход микр небольшой сигнал. Одеваешь наушники соединяешь Л и П каналы и через конденсатор тыкаешь на вход выход транзистора (ОУ) так проверяешь каждый каскад и выявляешь неисправные элементы . Звук не очень громкий, но диагностировать вполне хватает. Не благодари.:cool:
 
Регистрация
23 Июл 2019
Сообщения
6,698
Реакции
5,274
Репутация
203
Страна
Украина
Помогло, спасибо.
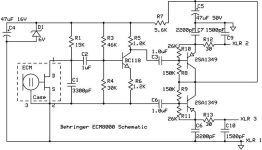
Supply it with +9 to +52 V to unleash its capabilities.
Вопрос снимается. Берингер (и не только он) ставит внутрь схему стабилизатора питания и усилитель с низким выходным сопротивлением с противофазным выходом, с усилением 1. Типа как в 8000-м
ECM8000mic.png
То есть, усилитель - есть, но усиления по напряжению - нет.
(В 8000-м по XLR3 идёт тишина: она противофазна любому сигналу)))
В более дорогих микрофонах транзисторов побольше, и есть возможность получать усиление по напряжению несколько раз.
 
Последнее редактирование:
Регистрация
23 Май 2020
Сообщения
2,417
Реакции
1,054
Репутация
70
Предупреждений
1
При стыковке на 2,5-3кГц очень важно видеть, что происходит на частотах 3-4, 5-7 и 7-12кГц. ( А также 1,5-2кГц и 800-1200Гц. Не лишнем будет поинтересоваться 400-600 и 150-300 Гц.)
А для этого нужно ультралинейную АЧХ до 30кГц.
Ещё бы и ультралинейную комнату к тому микрофону хотелось бы. 😄
Есть в наличии старый фирменный диктофон, может попробую через него что-то измерить. Выход там удобный 3,5 mm.
 
Последнее редактирование:

uriy

1 ранг
Регистрация
22 Янв 2024
Сообщения
878
Реакции
804
Репутация
36
Страна
Ukraine
А покупные усилители с Китая - там вообще не понятно, что с АЧХ.
Я бы беспокоился о АЧХ капсюля, а не о АЧХ усилителя. АЧХ усилителя по сути очень легко исправляется его калибровкой в софте измерений, а вот исправить АЧХ капсюля без эталонного источника звука или микрофона не получится.
Я хотел понять, чем усилитель микрофона во внешней звуковой карте будет мне удобнее.
Ну если рассматривать юсб звуковые карты которые вам показали ранее, то она удобна тем, что её можно вставить в любой доступный юсб порт через юсб удлинитель тем самым можно избавится от 50Гц наводок на измерительные цепи.

+ Читал инструкцию к ARTA и думал, что мне необходим микрофон именно с усилителем для двухканальных измерений и линейный вход звуковой карты. Но для одноканальных измерений микрофонный вход тоже можно выбрать как источник звука.
Я бы в первую очередь отказался от АРТЫ, это уже устаревшая программа с относительно сложным интерфейсом управления. Сейчас есть очень хорошая программа для измерений - REW она очень удобная и она позволяет производить измерения фазы в одноканальном режиме, так же она позволяет рассчитывать корректирующие АЧХ для корекции АС. Оечнь удобная и полезная прорамаа.
Ну и если копнуть поглубже - я пока не готов покупать готовый измерительный микрофон, я пока совсем начинающий.
Ну тогда у вас постоянно будут сомнения в результатах измерений связанные с неизвестной АЧХ микрофона. Профи у которых глаз намётанный, могут с этим справится легко. А вот начинающему всё таки лучше всего иметь поверенный измерительный микрофон, это позволяет сделать более точные выводы из измерений.

В общем, если вы хотите измерять АЧХ своим капсюлем без калибровки, то мне кажется самый простой путь это измерить АЧХ смартфоном и не мучатся со звуковой картой.
 

Дмитрий Б.

1 ранг
Регистрация
18 Янв 2022
Сообщения
2,877
Реакции
2,159
Репутация
96
Страна
РФ
Город
Москва
Имя
Дмитрий
Предупреждений
1
Я бы беспокоился о АЧХ капсюля, а не о АЧХ усилителя. АЧХ усилителя по сути очень легко исправляется его калибровкой в софте измерений, а вот исправить АЧХ капсюля без эталонного источника звука или микрофона не получится.

Ну если рассматривать юсб звуковые карты которые вам показали ранее, то она удобна тем, что её можно вставить в любой доступный юсб порт через юсб удлинитель тем самым можно избавится от 50Гц наводок на измерительные цепи.


Я бы в первую очередь отказался от АРТЫ, это уже устаревшая программа с относительно сложным интерфейсом управления. Сейчас есть очень хорошая программа для измерений - REW она очень удобная и она позволяет производить измерения фазы в одноканальном режиме, так же она позволяет рассчитывать корректирующие АЧХ для корекции АС. Оечнь удобная и полезная прорамаа.

Ну тогда у вас постоянно будут сомнения в результатах измерений связанные с неизвестной АЧХ микрофона. Профи у которых глаз намётанный, могут с этим справится легко. А вот начинающему всё таки лучше всего иметь поверенный измерительный микрофон, это позволяет сделать более точные выводы из измерений.

В общем, если вы хотите измерять АЧХ своим капсюлем без калибровки, то мне кажется самый простой путь это измерить АЧХ смартфоном и не мучатся со звуковой картой.
Самый простой способ - купить нормальный инструмент. Можно конечно и микросхемы паять полколловатным паяльником при некоторой сноровке и даже гвозди голыми руками забивать.
Но разумнее потратить немного денег и избавиться от гимора и непоняток.
Аудиоизмерение Динамик Частотный отклик Измерение кривой импеданса Динамик Измерение трещин Поддержка JustMLS и REW за 12 591 ₽ - уже со скидкой -10%
IMG_1265.jpeg

Опять же, всегда можно продать с некоторым дисконтом.
 
Последнее редактирование:

Читатель

1 ранг
Регистрация
6 Май 2023
Сообщения
1,469
Реакции
1,107
Репутация
56
Предупреждений
1

Russ

1 ранг
Регистрация
3 Фев 2023
Сообщения
1,590
Реакции
855
Репутация
47
Страна
Россия
Город
Pskov
Аудиоизмерение Динамик Частотный отклик Измерение кривой импеданса Динамик Измерение трещин Поддержка JustMLS и REW за 12 591 ₽ - уже со скидкой -10%
Я B&K 4165 купил за 9000р, так это измерительный микрофон, а не индикатор как многие тут.
Внукам и правнукам останется :)
 

Andrew271

2 ранг
Регистрация
28 Ноя 2023
Сообщения
448
Реакции
128
Репутация
12
Страна
UA
я вот дико извиняюсь, но измерительный микрофон бывает только в сертифицированой лаборатории-камере а так в гараже-мастерской-подвале-даче-квартире... можно намерить только больше-меньше на какой то частоте )))
 
Регистрация
23 Июл 2019
Сообщения
6,698
Реакции
5,274
Репутация
203
Страна
Украина
измерительный микрофон бывает только в сертифицированой лаборатории-камере а так в гараже-мастерской-подвале-даче-квартире... можно намерить только больше-меньше на какой то частоте )))
Вы неправ (лев). Установив АС на высоте 0,7 м от пола и на расстоянии не меньше 0,7 м от стен, при измерении на расстоянии 0,7 метра от передней панели, получаем приход первого отражения после 2,5 мс. Что позволяет получить АЧХ как в безэховой камере выше 400 Гц (только в программе с временнЫми окнами!). Ниже 400 Гц смотрим с расстояния 10 см перед НЧ динамиком, и влияние комнаты падает до 1дБ. А кривой микрофон по жизни будет кривить душой, в любой обстановке и с любой программой.
 
Последнее редактирование:

apalych

1 ранг
Регистрация
7 Июн 2021
Сообщения
2,836
Реакции
2,784
Репутация
113
Страна
UA
Город
Кам'янець-Подільський
Имя
Андрій
Я B&K 4165 купил за 9000р, так это измерительный микрофон, а не индикатор как многие тут.
Несказанно и с уважением рад за Вас..._da
Убираем коррекцию Вашего измер.мика, и сравниваем с моими "индикаторами", "как многие тут". И таки будет ОЙЦ;)

*) Оставим споры внукам...
 
Последнее редактирование:

Andrew271

2 ранг
Регистрация
28 Ноя 2023
Сообщения
448
Реакции
128
Репутация
12
Страна
UA
Вы неправ (лев). Установив АС на высоте 0,7 м от пола и на расстоянии не меньше 0,7 м от стен, при измерении на расстоянии 0,7 метра от передней панели, получаем приход первого отражения после 2,5 мс. Что позволяет получить АЧХ как в безэховой камере выше 400 Гц (в программе с временнЫми окнами!). Ниже 400 Гц смотрим с расстояния 10 см перед НЧ динамиком, и влияние комнаты падает до 1дБ. А кривой микрофон по жизни будет кривить душой, в любой обстановке и с любой программой.
специальные условия измерения и нарушения изначальных (калиброваных) условий измерений ))) вот есть качественные дорогие динамики-АС, у кого то получилось в домашних условиях получить такую же АЧХ, как дает производитель? или все же +- "три лаптя" ?
 

Перигелий

3 ранг
Регистрация
5 Июн 2025
Сообщения
193
Реакции
125
Репутация
7
Страна
Україна
Город
Київ
Капсюль Primo EM258, наконец, заработал в линейном входе звуковой карты (ура-ура!) :D
Дал питание по схеме в даташите.
АЧХ у капсюля не фонтан, корректировке не подлежит, но что-то буду пробовать измерять.
Осталось выбрать ARTA или REW
 

apalych

1 ранг
Регистрация
7 Июн 2021
Сообщения
2,836
Реакции
2,784
Репутация
113
Страна
UA
Город
Кам'янець-Подільський
Имя
Андрій
АЧХ у капсюля не фонтан, корректировке не подлежит
Таки у Primo EM258 ачх-кривулька "фонтан", немного задирает вверх после 12-15кГц и аж до килогерц 30-ти. Корректировке подлежит аж бегОм (как и подавляющее большинство миков, У 178-го ЕМ кривулька на вч низходящая). Многое зависит от конструктива капсюль-домика.
Вам пока заморачиваться с коррекцией микрофона ненадоть. А вот тракт выход-вход откорректировать да. Кабель напрямую из дырки "вых" в дырку "вх" и генерить корректирующую кривульку.
 
Последнее редактирование:

Перигелий

3 ранг
Регистрация
5 Июн 2025
Сообщения
193
Реакции
125
Репутация
7
Страна
Україна
Город
Київ
Многое зависит от конструктива капсюль-домика
Круглая трубка из алюминиевого сплава АД31, длина 250, наружный диаметр 8, стенка 1, капсуль как раз сел заподлицо в трубку.

А вот тракт выход-вход откорректировать да. Кабель напрямую из дырки "вых" в дырку "вх" и генерить корректирующую кривульку.
Это я обязательно.
Все же буду пробовать ARTA, тем более, что тут на сайте есть инструкция как корректировать тракт, и для "коробочки" все закуплено.
 

Дмитрий Б.

1 ранг
Регистрация
18 Янв 2022
Сообщения
2,877
Реакции
2,159
Репутация
96
Страна
РФ
Город
Москва
Имя
Дмитрий
Предупреждений
1
Круглая трубка из алюминиевого сплава АД31, длина 250, наружный диаметр 8, стенка 1, капсуль как раз сел заподлицо в трубку.


Это я обязательно.
Все же буду пробовать ARTA, тем более, что тут на сайте есть инструкция как корректировать тракт, и для "коробочки" все закуплено.
Там столько калибровок в Арте, которые здесь не описаны! Арта Софтвере в этом году всё, кончится.
Берите REW. Коробка та же.
 

apalych

1 ранг
Регистрация
7 Июн 2021
Сообщения
2,836
Реакции
2,784
Репутация
113
Страна
UA
Город
Кам'янець-Подільський
Имя
Андрій
Круглая трубка из алюминиевого сплава АД31, длина 250, наружный диаметр 8, стенка 1, капсуль как раз сел заподлицо в трубку.
250мм длинная. Мона короче – сто-стописят. Трубень обмотахать в несколько слоёв синей(!!!) аудиоизолентой, или несколько термоусадочных поверх.
Снять фаску на кромке трубы, куда мик втыкается.
Это я обязательно.
Все же буду пробовать ARTA, тем более, что тут на сайте есть инструкция как корректировать тракт, и для "коробочки" все закуплено.
"Коробочки" шо для АРТЫ, шо для РЭВы – один ф*иг.
Принцип корр.тракта одинакофф для всех арт-рэв.
За РЭВу Вам ничё не скажу (и не агитирую), бо сам её юзаю (хоть где-то валяются и более проф.приблуды)
*) РЭВой всякие кондёры-индуктивности для фильтров чётенько с полным диагнозом меряются как на два пальца. Удобно-ма...
 
Последнее редактирование:

Статистика форума

Темы
3,096
Сообщения
236,344
Пользователи
2,388
Новый пользователь
AlexxxV
Сверху Снизу