Применение ПОС в ламповых усилителях

Rezvoy

1 ранг
Регистрация
19 Окт 2020
Сообщения
2,431
Реакции
802
Репутация
58
Возраст
68
Страна
Россия
Имя
Александр

Сергей Z

1 ранг
Регистрация
14 Мар 2020
Сообщения
4,887
Реакции
1,088
Репутация
85
Страна
Россия
Олег, покажите нам, пожалуйста, свою работающую схему с ПОС, по которой собран усилитель, работающий на АС, требующие низкое выходное сопротивление. И, глядя на конкретную схему, давайте с Вашими пояснениями разберёмся как достигается столь замечательный эффект.
Мне как и Александру Бокареву особо интересен вариант с триодом 2А3 на выходе. Как его заставить хорошо демпфировать 4-хомные АС.
 
Регистрация
3 Мар 2023
Сообщения
1,045
Реакции
358
Репутация
31
Страна
Россия
Город
Ярославль
Имя
Олег
И, глядя на конкретную схему, давайте с Вашими пояснениями разберёмся как достигается столь замечательный эффект.
Всё очень просто. С понижением частоты напряжения на зажимах первичной обмотки трансформатора растёт ток через первичку, т.к. увеличивается индуктивная составляющая тока.
Значит, увеличивается анодный ток лампы. Сеточным током пренебрегаем. Значит, катодный ток равен анодному, и он тоже растёт. На резисторе в цепи катода выходной лампы амплитуда напряжения с понижением частоты растёт, т.к. растёт ток через него. Это напряжение подаём в драйверный каскад противофазно входному сигналу, в цепь катода драйвера. Таким образом, с понижением частоты общее усиление усилителя растёт, компенсируя падение напряжения на первичной обмотке. Так работает ПОС по току. Нельзя переборщить с глубиной обратной связи, иначе получим генератор. Побочный эффект - снижение выходного сопротивления во всём частотном диапазоне, т.к. при увеличении тока нагрузки ток анода тоже растёт, и это влияет на сигнал обратной связи.
А вообще, сторонники ИТУН стараются добиться обратного эффекта, и применяют ООС по току. Один только я занимаюсь странным делом - скрещиваю ужа с ежом и изобретаю усилители с частотозависимым выходным сопротивлением. Чтобы на НЧ динамик демпфировался, а на ВЧ управлялся током.
 
Последнее редактирование:

Сергей Z

1 ранг
Регистрация
14 Мар 2020
Сообщения
4,887
Реакции
1,088
Репутация
85
Страна
Россия
Т.е. с резистора в катоде выходной лампы через некую цепочку сигнал подаётся на католный резистор драйвера?
И таки интересно увидеть практическую схему.
 

Rezvoy

1 ранг
Регистрация
19 Окт 2020
Сообщения
2,431
Реакции
802
Репутация
58
Возраст
68
Страна
Россия
Имя
Александр
Это надо ещё и динамическим диапазоном озаботиться и не влезть в ограничение. Как по питанию, так и по максимальной индукции транса.
 

Сергей Z

1 ранг
Регистрация
14 Мар 2020
Сообщения
4,887
Реакции
1,088
Репутация
85
Страна
Россия
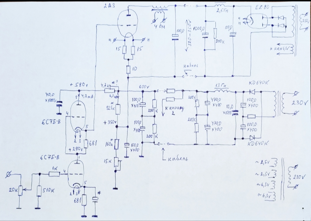
На 2А3 с питанием 360 вольт и трансом на 6к выходит примерно так. За чистоту спектра не ручаюсь, но многамяса многабаса будет. Драйвер 6Н8С. Выходное около 0.4 ома выходит. R2 меняется от 0 до 20 ом.
Посмотреть вложение 75875


Можно и так. Тогда покемона, что выше нарисован, надо удвоить, заставить работать на общий трансформатор, и подумать над фазоинвертором. Может, входной транс поставить, или не заморачиваться, а сделать балансный вход.
И ещё вот какой момент. Все АЧХ нарисованы для малосигнального режима. Физику не обманешь, максимальную индукцию в сердечнике резистором не увеличишь. Просто фазовый сдвиг на НЧ уменьшится, всего и делов.
Ага. Увидел картинку здесь.
Но пока не понимаю как подобное попробовать применить у себя. У меня непосредственная связь с раздельным питанием каскадов.
 
Регистрация
3 Мар 2023
Сообщения
1,045
Реакции
358
Репутация
31
Страна
Россия
Город
Ярославль
Имя
Олег
Но пока не понимаю как подобное попробовать применить у себя. У меня непосредственная связь с раздельным питанием каскадов.
Нарисуйте свою схему, я врисую в неё резистор.
 

Сергей Z

1 ранг
Регистрация
14 Мар 2020
Сообщения
4,887
Реакции
1,088
Репутация
85
Страна
Россия
Нарисуйте свою схему, я врисую в неё резистор.
Примерно так:
IMG_20231003_154809.jpg
Есть непринципиальные отличия. Схемку править не стал.
Работает хорошо, но есть проблемы с басом. Возможно это связано с тем, что АС 4 Ома и в 2,5 полосы. Сопротивление меняется после отключения фильтром второго НЧ динамика.
Будет двухполосный усилитель, не знаю когда. Сейчас особо не до него, но будет.
Важно снижение выходного сопротивления усилителя.
 
Последнее редактирование:
Регистрация
3 Мар 2023
Сообщения
1,045
Реакции
358
Репутация
31
Страна
Россия
Город
Ярославль
Имя
Олег
Примерно так:
Посмотреть вложение 75997
Есть непринципиальные отличия. Схемку править не стал.
Работает хорошо, но есть проблемы с басом. Возможно это связано с тем, что АС 4 Ома и в 2,5 полосы. Сопротивление меняется после отключения фильтром второго НЧ динамика.
Будет двухполосный усилитель, не знаю когда. Сейчас особо не до него, но будет.
Важно снижение выходного сопротивления усилителя.

Фигасе наворот. Это всё чтобы избавиться от одного конденсатора?
Вижу, датчик тока 10 ом в катоде 2А3 уже есть. Надо покумекать, как переключить конденсаторы фильтров питания. Сложность в том, что между катодами 350 вольт. Ещё и трансформаторы питания разные Я подумаю, скажу чуть позже. Возможно, для этой схемы нет решения.
 

Сергей Z

1 ранг
Регистрация
14 Мар 2020
Сообщения
4,887
Реакции
1,088
Репутация
85
Страна
Россия
Резика 10 Ом в данный момент нет. Но его добавить просто.
А схемка эта хорошо поёт. Только немного НЧ не хватает. На этой акустике. А так полоса там ниже 8 Гц. Генератор ниже не работает.
Ещё здесь не только отсутствует межкаскадный разделительный конденсатор, но и смещение фиксированное.
 

Святослав_

1 ранг
Регистрация
10 Июн 2021
Сообщения
7,386
Реакции
3,809
Репутация
167
Страна
Україна
Город
Бердянськ
Предупреждений
1
А вообще, сторонники ИТУН стараются добиться обратного эффекта, и применяют ООС по току. Один только я занимаюсь странным делом - скрещиваю ужа с ежом и изобретаю усилители с частотозависимым выходным сопротивлением. Чтобы на НЧ динамик демпфировался, а на ВЧ управлялся током.
Это неправильные сторонники ИТУН, фальшивые. Такой подход гробит саму идею.
Правильные - без применения обратных связей по переменке.
 

Сергей Z

1 ранг
Регистрация
14 Мар 2020
Сообщения
4,887
Реакции
1,088
Репутация
85
Страна
Россия
Всё очень просто. С понижением частоты напряжения на зажимах первичной обмотки трансформатора растёт ток через первичку, т.к. увеличивается индуктивная составляющая тока.
Значит, увеличивается анодный ток лампы. Сеточным током пренебрегаем. Значит, катодный ток равен анодному, и он тоже растёт. На резисторе в цепи катода выходной лампы амплитуда напряжения с понижением частоты растёт, т.к. растёт ток через него. Это напряжение подаём в драйверный каскад противофазно входному сигналу, в цепь катода драйвера. Таким образом, с понижением частоты общее усиление усилителя растёт, компенсируя падение напряжения на первичной обмотке. Так работает ПОС по току. Нельзя переборщить с глубиной обратной связи, иначе получим генератор.
....
Побочный эффект - снижение выходного сопротивления во всём частотном диапазоне, т.к. при увеличении тока нагрузки ток анода тоже растёт, и это влияет на сигнал обратной связи.
Хорош побочный эффект!
Тут за снижение выходного сопротивления приходится бороться. И не сильно успешно - выходная мощность падает.
А вообще, сторонники ИТУН стараются добиться обратного эффекта, и применяют ООС по току. Один только я занимаюсь странным делом - скрещиваю ужа с ежом и изобретаю усилители с частотозависимым выходным сопротивлением. Чтобы на НЧ динамик демпфировался, а на ВЧ управлялся током.
А это сильно надо?
В ВЧ полосе можно использовать пентод с регулировкой глубины ООС. Полезная иногда штука - хошь 5 Ом выходного, хошь 25 Ом. Здорово! И по мне это полезнее на НЧ. Так можно заставить басить ПРОшный динамик в ОЯ.
 
Регистрация
3 Мар 2023
Сообщения
1,045
Реакции
358
Репутация
31
Страна
Россия
Город
Ярославль
Имя
Олег
Только немного НЧ не хватает. На этой акустике. А так полоса там ниже 8 Гц.
А вы уверены, что при полосе ниже 8 герц именно выходное сопротивление надо понижать? Обычно понижают, чтобы убрать бубнеж.
Для этой схемы мой вариант ПОС не вырисовывается. Можно со вторичной обмотки сделать, тут уже приводили картинку, как.
 
Регистрация
12 Ноя 2019
Сообщения
28,311
Реакции
13,622
Репутация
395
А вы уверены, что при полосе ниже 8 герц именно выходное сопротивление надо понижать? Обычно понижают, чтобы убрать бубнеж.
Для этой схемы мой вариант ПОС не вырисовывается. Можно со вторичной обмотки сделать, тут уже приводили картинку, как.
Еще в момент появления этой схемы с ПОС, которую мне привез Василий Карта, мне не хватило гаек в уме понять, как ЭТО работает. Сейчас при случае крутану ее в реальном усилителе на 2А3, который всем хорош, кроме одного, высоковатого выхсопра. И если сложится- подумаю про посылку с коньяком дяде Олегу.
 

Rezvoy

1 ранг
Регистрация
19 Окт 2020
Сообщения
2,431
Реакции
802
Репутация
58
Возраст
68
Страна
Россия
Имя
Александр
Саня! Сверлите дырки!
В смысле делай ПАС, а не ПОС если хочешь оставить прекрасный звук твоей системы. Это реально работает без кислотности обратных связей.
 

Сергей Z

1 ранг
Регистрация
14 Мар 2020
Сообщения
4,887
Реакции
1,088
Репутация
85
Страна
Россия
А вы уверены, что при полосе ниже 8 герц именно выходное сопротивление надо понижать? Обычно понижают, чтобы убрать бубнеж.
И для того, того чтобы нормально пережить скачки сопротивления АС, и для того чтобы достичь достаточного демпфирования на НЧ.
Для этой схемы мой вариант ПОС не вырисовывается. Можно со вторичной обмотки сделать, тут уже приводили картинку, как.
Не вырисовывается и ладно. По-любому в конце концов двухполосное усиление когда-то будет.
Еще в момент появления этой схемы с ПОС, которую мне привез Василий Карта, мне не хватило гаек в уме понять, как ЭТО работает. Сейчас при случае крутану ее в реальном усилителе на 2А3, который всем хорош, кроме одного, высоковатого выхсопра. И если сложится- подумаю про посылку с коньяком дяде Олегу.
Саша, интересно очень узнать, что у тебя получится.
А мне в моём случае, как только драйвер к агеевскому выхлопу приделаю, надо будет микрофон доставать и смотреть, и править. Сейчас всё необходимое скоро месяц на столе лежит, а взяться не получается. Жизнь, блин.

Саня! Сверлите дырки!
В смысле делай ПАС, а не ПОС если хочешь оставить прекрасный звук твоей системы. Это реально работает без кислотности обратных связей.
Саша и без дырок всё настроит. А ПОС тоже пробовать интересно.
 

Святослав_

1 ранг
Регистрация
10 Июн 2021
Сообщения
7,386
Реакции
3,809
Репутация
167
Страна
Україна
Город
Бердянськ
Предупреждений
1
Саня! Сверлите дырки!
В смысле делай ПАС, а не ПОС если хочешь оставить прекрасный звук твоей системы. Это реально работает без кислотности обратных связей.
Можно и не мозолить руки перфоратором. А взять паяльник и сделать режекторный фильтр на резонанс динамика.
 

Rezvoy

1 ранг
Регистрация
19 Окт 2020
Сообщения
2,431
Реакции
802
Репутация
58
Возраст
68
Страна
Россия
Имя
Александр
Вариовент реально снижает добротность акустики, ПОС , возможно, сделает то же самое, но со своими недостатками. Например ухудшение устойчивости.
 
Регистрация
3 Мар 2023
Сообщения
1,045
Реакции
358
Репутация
31
Страна
Россия
Город
Ярославль
Имя
Олег
Вариовент реально снижает добротность акустики,
Когда сидел на карантине в пандемию, развлекался тем, что стриг ножницами использованные маски на кусочки и заклеивал отверстия в корзине 4ГД-35. Подбирая разное количество слоёв ткани, разное количество заклеиваемых отверстий, добивался регулировки добротности вплоть до почти полного исчезновения резонансного горба. Для ПАС нужна дышащая ткань, иначе работать не будет. Маски подходят идеально. Но вместе с горбом исчезало ещё что-то, от чего звук становился каким-то зажатым. И КПД падает, что вполне ожидаемо. Энергия ведь тратится на трение.
 

Сергей Z

1 ранг
Регистрация
14 Мар 2020
Сообщения
4,887
Реакции
1,088
Репутация
85
Страна
Россия
Думаю многим было бы интересно узнать Сашины впечатления о ПОС. У него для пробы всё есть.

вместе с горбом исчезало ещё что-то, от чего звук становился каким-то зажатым. И КПД падает, что вполне ожидаемо. Энергия ведь тратится на трение.
Вот ПАС на звук влияет, а ПОС?
Интересно очень.
 

Alex TV

1 ранг
Регистрация
28 Мар 2021
Сообщения
3,916
Реакции
1,146
Репутация
79
Имя
Александр Т
Когда сидел на карантине в пандемию, развлекался тем, что стриг ножницами использованные маски на кусочки и заклеивал отверстия в корзине 4ГД-35.
есть отличный вариант утилизации неиспользованых.
На кусок фанерки прибиваю гвоздики. Как чего нить разбираю, раскладываю по принадлежности в маски, и за уши на гвоздик.
Профит:
стол чистый, ничего никуда не укатывается, и не повреждается. Мухи отдельно, котлеты отдельно, прям в порядке разборки и висят :)

Надо еще пару пачек прикупить.
Сильно удобно оказалось. Особенно со всякими мелкими винтами-шайбами.
 

Rezvoy

1 ранг
Регистрация
19 Окт 2020
Сообщения
2,431
Реакции
802
Репутация
58
Возраст
68
Страна
Россия
Имя
Александр
Когда сидел на карантине в пандемию, развлекался тем, что стриг ножницами использованные маски на кусочки и заклеивал отверстия в корзине 4ГД-35. Подбирая разное количество слоёв ткани, разное количество заклеиваемых отверстий, добивался регулировки добротности вплоть до почти полного исчезновения резонансного горба. Для ПАС нужна дышащая ткань, иначе работать не будет. Маски подходят идеально. Но вместе с горбом исчезало ещё что-то, от чего звук становился каким-то зажатым. И КПД падает, что вполне ожидаемо. Энергия ведь тратится на трение.
В вариовенте не тратится, что меня удивило. Она перераспределяется. На этом сайте есть прекрасная статья по этой теме.
И не надо заклеивать окна динамиков пытаясь их перенастроить- перенастраивать надо ящик.
 
Регистрация
12 Ноя 2019
Сообщения
28,311
Реакции
13,622
Репутация
395
Когда сидел на карантине в пандемию, развлекался тем, что стриг ножницами использованные маски на кусочки и заклеивал отверстия в корзине 4ГД-35. Подбирая разное количество слоёв ткани, разное количество заклеиваемых отверстий, добивался регулировки добротности вплоть до почти полного исчезновения резонансного горба. Для ПАС нужна дышащая ткань, иначе работать не будет. Маски подходят идеально. Но вместе с горбом исчезало ещё что-то, от чего звук становился каким-то зажатым. И КПД падает, что вполне ожидаемо. Энергия ведь тратится на трение.
Это сказывается влияние закрытого тесного объема задиффузорного пространства.ПАСом мы его делаем заметнее, закрывая окна корзины. Все верно услышано, так и есть.
Нижний край выравнивается, средина страдает.
 
Регистрация
3 Мар 2023
Сообщения
1,045
Реакции
358
Репутация
31
Страна
Россия
Город
Ярославль
Имя
Олег
В вариовенте не тратится, что меня удивило. Она перераспределяется.
Можно сказать, что тратится на тепло. А можно сказать что перераспределяется в тепло. Это что в лоб, что по лбу.
При колебании диффузора происходит вытеснение/всасывание воздуха из/в корпус АС. Во время прохождения через препятствие воздух сначала сжимается, потом расширяется. По циклу Карно происходит выделение тепла. В каком месте это препятствие - не принципиально. Чем ближе к диффузору, тем эффективнее ПАС. Если слишком далеко - она работать вообще не будет.
Меня смущает вот какой момент. Аэродинамика - вещь сильно нелинейная. На малой скорости лобовое сопротивление воздуха автомобилю никакое, а на большой начинает нелинейно расти. А скорость диффузора от частоты при неизменном звуковом давлении (ускорении) изменяется линейно. И так же линейно зависит от амплитуды колебаний. Получается, что коэффициент потерь в ПАС, теоретически, может зависеть и от частоты колебаний, и от громкости, т.к. величина потерь зависит от скорости прохождения воздуха через препятствие. Не происходит ли компрессии звука?
 
Регистрация
12 Ноя 2019
Сообщения
28,311
Реакции
13,622
Репутация
395
Можно сказать, что тратится на тепло. А можно сказать что перераспределяется в тепло. Это что в лоб, что по лбу.
При колебании диффузора происходит вытеснение/всасывание воздуха из/в корпус АС. Во время прохождения через препятствие воздух сначала сжимается, потом расширяется. По циклу Карно происходит выделение тепла. В каком месте это препятствие - не принципиально. Чем ближе к диффузору, тем эффективнее ПАС. Если слишком далеко - она работать вообще не будет.
Меня смущает вот какой момент. Аэродинамика - вещь сильно нелинейная. На малой скорости лобовое сопротивление воздуха автомобилю никакое, а на большой начинает нелинейно расти. А скорость диффузора от частоты при неизменном звуковом давлении (ускорении) изменяется линейно. И так же линейно зависит от амплитуды колебаний. Получается, что коэффициент потерь в ПАС, теоретически может зависеть и от частоты колебаний, и от громкости. Не происходит ли компрессии звука?
Далеко от диффузора тоже работает, просто ниже по частоте, где сказывается влияние Vas /V . А выше начинаются резонансные хохмы на средине.
 

Rezvoy

1 ранг
Регистрация
19 Окт 2020
Сообщения
2,431
Реакции
802
Репутация
58
Возраст
68
Страна
Россия
Имя
Александр
Далеко от диффузора тоже работает, просто ниже по частоте, где сказывается влияние Vas /V . А выше начинаются резонансные хохмы на средине.
Я же говорю-не надо середину трогать и пытаться исправить неважные динамики. Для хороших басовиков в объеме рассчитанном для нулевого выходного сопротивления достаточно щелевого порта, заглушенного поглотителем. Прекрасно снижает общую добротность. При этом через порт не дует НЧ и совершенно не слышно СЧ. Колонки на доработанных 10ГД30 объёмом 30л с усилителем с выходным примерно 2 Ома прекрасно настраиваются.
 
Регистрация
12 Ноя 2019
Сообщения
28,311
Реакции
13,622
Репутация
395
Я же говорю-не надо середину трогать и пытаться исправить неважные динамики. Для хороших басовиков в объеме рассчитанном для нулевого выходного сопротивления достаточно щелевого порта, заглушенного поглотителем. Прекрасно снижает общую добротность. При этом через порт не дует НЧ и совершенно не слышно СЧ. Колонки на доработанных 10ГД30 объёмом 30л с усилителем с выходным примерно 2 Ома прекрасно настраиваются.
Трудно возразить, а я и не собираюсь. :)
Добавлю лишь. что неоптимальному для ФИ динамику может помочь на низу удлиненный порт, стянутый резонансом ниже обычного. В итоге получается гибрид ФИ и ЗЯ, у которого и с низами порядок и бубона нет на ПХ.
 

Rezvoy

1 ранг
Регистрация
19 Окт 2020
Сообщения
2,431
Реакции
802
Репутация
58
Возраст
68
Страна
Россия
Имя
Александр
Вариовент или ПАС ни в коем случае не резонансная система, напротив - апериодическая. С подобными системами важно не пересолить и не пытаться добиться каких-то существенных изменений - их назначение: корректировка.
 
Регистрация
12 Ноя 2019
Сообщения
28,311
Реакции
13,622
Репутация
395
Вариовент или ПАС ни в коем случае не резонансная система, напротив - апериодическая. С подобными системами важно не пересолить и не пытаться добиться каких-то существенных изменений - их назначение: корректировка.
ПАС это резистор , не резонатор. ARU , акустик резистор унит.
 

Rezvoy

1 ранг
Регистрация
19 Окт 2020
Сообщения
2,431
Реакции
802
Репутация
58
Возраст
68
Страна
Россия
Имя
Александр
Само собой, правда частотозависимый резистор. Что и требуется.
 

Статистика форума

Темы
3,095
Сообщения
236,208
Пользователи
2,388
Новый пользователь
AlexxxV
Сверху Снизу