Самодельный ламповый усилитель для наушников низковольтный

  • Автор темы Автор темы KARPOV
  • Дата начала Дата начала
Ну-чо стерево мне понравилась! +like С такими знаниями сначала к книгам,а потом сюда.А то вы напаяите,что хату спалите.Плюсану.давно так не ржал.
smile_1
ушник 6н27п (1).jpg

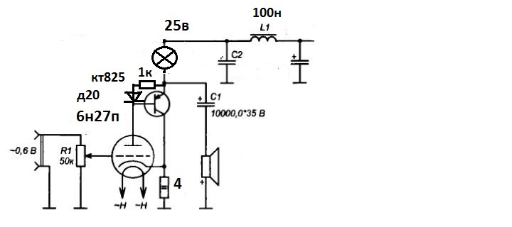
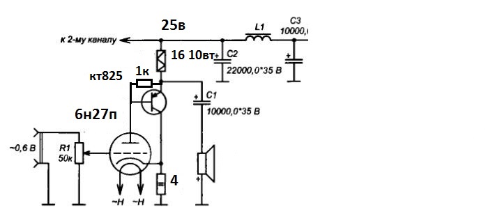
За основу я взял эту схему что присылали выше по постам по этому и переделал на моно... Что мне и показалось не правильным 25 вольт сразу к 2-ому каналу....
 
Посмотреть вложение 134054
За основу я взял эту схему что присылали выше по постам по этому и переделал на моно... Что мне и показалось не правильным 25 вольт сразу к 2-ому каналу....
Нахуа-хуа вы переделали на моно?! Схема рабочая-100% Я ее собирал.
Во первых-вы в курсе-что 6н27п-это две лампы в одном баллоне?!
Во вторых-на схеме стрелка "к 2-му каналу"-это действительно идет питание ко второму каналу усилителя. А не вход от второго канала.

нахуа-хуа.JPG

Второй динамик и разделительный конденсатор наверху сами сможете поставить куда надо или дорисовать?
 
Последнее редактирование:
Нахуа-хуа вы переделали на моно?! Схема рабочая-100% Я ее собирал.
Во первых-вы в курсе-что 6н27п-это две лампы в одном баллоне?!
Во вторых-на схеме стрелка "к 2-му каналу"-это действительно идет питание ко второму каналу усилителя. А не вход от второго канала.

Посмотреть вложение 134062
Второй динамик и разделительный конденсатор наверху сами сможете поставить куда надо или дорисовать?
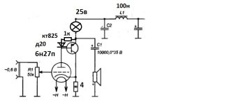
Усилитель 6н27п.jpg


Так ведь верно симметрично?
 
Ваша схема сейчас это повторитель на гибридном Шиклае с нагрузкой в эмиттере.
По напряжению эта штука не усиливает, только по току.
Чтобы усиливать и по току и по напряжению, сажаем эмиттер транзистора на плюс питания, а между коллектором транзистора и катодом лампы врезаем подборный резистор , мощный,скажем, Ом на 10-15. Сигнал снимаем с коллектора транзистора через емкость.
 
Вы сами же писали про то что нужно поставить резистор между базой и эмиттером 680ом? Да не тролль я точно.
Не тролль, конечно. Беда в том что тупые советчики не понимают: советы надо давать не для своего уровня, а уровня того кому эти советы нужны.
Разница между резистором 680 и 1000 ом, конечно есть, но она не критическая.
Просто не все тонкости знаю, да и не электрик, учусь скорее всему самоучка.
А Ваша ошибка в том что пытаетесь решать задачи смысл которых толком не понимаете. Двигаться надо шаг за шагом. Не бывает высшего образования без среднего.
А конденсаторы на входе должны ведь быть? Тогда получается с чего слушаем телефон, плеер туда ведь постоянное напряжение пойдёт?
Фокус в том что неизвестно - есть на выходе источника сигнала постоянное напряжение или нет. По нормам быть не должно, но бывает!
Поэтому конденсатор по входу решает проблему - в ЛЮБОМ случае усилитель будет работать нормально. А не этапе отладки, я сильно рекомендую этот конденсатор ставить.
Вас заставляют выполнять мифы и легенды хихиэнда, но я вижу что тут хихи и не пахнет.
Мне только до сех пор не понятно одно...если в первом моём посте усилитель не правильный тогда звук то какой в итоге ламповый или нет?
Я несколько раз написал: ЭТО НЕ ЛАМПОВЫЙ ЗВУК, это звук С ЛАМПАМИ. Понимаю что не хочется это слушать, горькую правду никто не любит.
Но можно 100 раз подряд прочитать мантру: "это ламповый звук" и всё изменится. Самовнушение - великая вещь. Слепые начинают ходить, а немые - говорить.
Яж в него специально транзисторов не ставил что бы всё было точно лампово.
Гм пока вижу транзисторные схемы.
А для ламповых схем нужны рекомендованные в паспорте РЕЖИМЫ, нужна рекомендованная нагрузка, в классическом случае динамик+трансформатор и трансформатор не любой, а расчитанный. Бывают нетипичные включения, эквилибристика, но это больше для цирка.
Усилитель для наушников 6Ж1П 6Н6П.png

Вот упомянутая хорошая схема для наушников.
Хитрость в том что для трансформатора используется не специальный ТВЗ (трансформатор выходной звуковой), а обычный "сетевой" БЕЗ ЗАЗОРА в отличие от ТВЗ. дело в том что через первичную обмотку не протекает постоянный ток, поэтому зазор не нужен, а трансформатор лучше тор с напряжением примерно 220/18 В.
Это очень оригинальный нетипичный усилитель, но он грамотно сделан.
Детали справа - это фильтр сетевых пульсаций.
В самом усилителе буквально несколько деталей.
Лампа на входе не обязательно 6Ж1П.
Но и тут нужен мало-мальский опыт.
Вам может смешно...а звук то нормальный же вроде.. хоть и не громкий накал убираешь затухает в чем тогда прикол?
Звук полученный своими руками всегда будет "нормальным", а убирать накал нельзя, это ламповая азбука.
image109.png

Почти классический пример бестрансформаторного усилителя для ваших наушников название которых вы не соблаговолили сообщить.
Выглядит так, здесь оба канала.
image117.jpg

Он много где описан, называется, например,
ЛАМПОВЫЙ "УСИЛИТЕЛЬ" ДЛЯ НИЗКООМНЫХ НАУШНИКОВ ИЛИ СНОВА О КАСКАДЕ SRPP
в статье подробно всё изложено.
Это настоящие ламповые усилители для наушников, а не подделки-суррогаты, понятно что они сложнее.
Надесь, мысль понятна: хочешь погремушку в фантике, делай кое-как. Хочешь хорошую вещь, она сложнее.
 
Схема Loki насколько я помню, с пентодом на входе. отнюдь не низковольтная, отнюдь не простая, с тремя качественными трансформаторами.
Вы всерьёз считаете что Артур с ней справится?
Вы не видите что он считает что всё будет легко и просто - подать на лампу анодное 12 В как делают китайцы в своих наборах для лохов, поставить дальше один транзистор от тех же 12 В и он получит "тот самый" ламповый звук?
Вы повторяте ту же ошибку - судите о всех по себе, поэтому и советы себе даёте.
Надесь, мысль понятна: хочешь погремушку в фантике, делай кое-как. Хочешь хорошую вещь, она сложнее.
Именно это и имелось ввиду _hm_
. . .
Вместо 6Ж1П-ЕВ я поставил 6SJ7.
 
ЭТО НЕ ЛАМПОВЫЙ ЗВУК, это звук С ЛАМПАМИ.
а как вы это определяете))))) а что трудно зазор ввести ???ах да тор,,,,,
а чем схема на 6п15п хуже? зато проще
а почему не ввести модуляцию в ИТ на 6н6п кпд будет выше
 
Городить ламповый УНЧ для (на)ушников – верх 3,14жонства. Затраты почти какие же, как и на УНЧ для АС. Но Хозяин – барин
В последней схеме поста 73 неплохо бы поставить разрядный резистор параллельно высоковольтному электролиту, можно резистор и светодиод. Даже два резистора ставить придется: на второй (после резистора 1 кОм) электролит.
 
Последнее редактирование:
Вместо 6Ж1П-ЕВ я поставил 6SJ7.
Это Ваш первый ламповый усилитель? Почему-то я уверен что не первый.
Городить ламповый УНЧ для (на)ушников – верх 3,14жонства. Затраты почти какие же, как и на УНЧ для АС. Но Хозяин – барин
Согласен и про это писал с советом сделать усилитель для динамика, а бонусом подключать наушники. Но ведь такой непреодолимый соблазн - сделать на 1 лампе и 1 транзисторе с калорифером, но от 25 В.
И я тоже пижон - сделал в своё время Лаконик для наушников 250 ом. И хорошо работает, но на 32 ома работает плохо, вернее проку абсолютно никакого, поэтому я и спрашивал что за наушники, но ответа так и не увидел.
Мне интересно было. Ну и по граблям прошёлся. Думал что я умный, пустил накал печатными проводниками. Пока их не отрезал и не заменил витыми парами в воздухе, от фона избавиться не смог. И там ещё были сюрпризы, благо я был готов к пакостям. Поэтому и не советую лезть без минимального опыта. Но старческое брюзжание никому не интересно.
Мы моложе = мы умнее.
В последней схеме поста 73 неплохо бы поставить разрядный резистор параллельно высоковольтному электролиту, можно резистор и светодиод. Даже два резистора ставить придется: на второй (после резистора 1 кОм) электролит.
Я об этом писал, правда, выше. Но пока не йобнет, слушать никто не будет. Мы моложе = мы смелее.
Да и эта схема мне не подходила, мне надо было усиление =5...7.
Сделал, настроил, послушал и... убрал куда подальше, достаю крайне редко для того чтобы продемонстрировать другим.
После настройки смеюсь над теми тэорэтиками которые утверждают что конденсаторы не звучат.
 
Городить ламповый УНЧ для (на)ушников – верх 3,14жонства. Затраты почти какие же, как и на УНЧ для АС. Но Хозяин – барин
В последней схеме поста 73 неплохо бы поставить разрядный резистор параллельно высоковольтному электролиту, можно резистор и светодиод. Даже два резистора ставить придется: на второй (после резистора 1 кОм) электролит.
Да, так. В данной схеме не один промах есть, который неплохо устранить.Взять тот же таймер подачи анодного. Бесполезняк полный . Фонить будет неслабо , из-за точки подключении нагрузки. В наушниках любая мелось слышнее на порядок.
Эта схема- некий каркас будущей конструкции. Доводить надо.

Нифига я не чувствую себя пижоном :oops:
И затраты меньше.
Кроме универсального однолампа на 6П15П , работающего на равных с наушниками и с колонками, остальные схемы вызывают сожаление о потраченных усилиях.
К тому же выходы на наушники в нотебуках и кантуперах , равно как выходы звуковых USB карт предостаточны для прослушивания музыки с нормальным качеством. При условии сознания. не отравленного мыслями о непременно сверхскоростном усилителе для наушников. Наушники это вам не паршивые колонки. Это круче.
 
Подкину ещё простейших на низковольтное...

На дешёвой микрухе Jrc4556

гибрид на Jrc4556.jpg

карманный ламповый.jpg



На полевом...
kreimer2.jpg
 
Кроме универсального однолампа на 6П15П , работающего на равных с наушниками и с колонками, остальные схемы вызывают сожаление о потраченных усилиях.
Ну тут всё как всегда,...
Представляю себя идущим по улочкам Милана в наушниках
1746454781288.png

Всё же никак не могу взять в толк, а зачем нужна лампа, если питание низковольтное, какой смысл?
 
Всё же никак не могу взять в толк, а зачем нужна лампа, если питание низковольтное, какой смысл?
А побалакати? _da
Балакуни не розуміють, що навушникам з відносно високим опором потрібні відносно високі напруги сигналу. Аби не підрохкувати на його пікових рівнях. У випадку зі Шенхайзерами, Байєрами справді високого класу живлення +\- 15 Вольт для вихідного каскаду підсилювача для навушників буде замало. Про якісні ізопланари я вже мовчу.
Один літієвий акумулятор то "кобила-наречена"(С) для "затичок".
Я не агітую за лампу, якщо що. Але чверть сторічча тому на болотах був дуже популярний виробник саме лампових підсилювачів для навушників. Вони мали назву Лаконік і нетипову конструкцію. Погугліть, можливо кому сподобається. Схемотехніка в тих підсилювачах була на висоті.

OIP.m2VmO4EjEU0gWCF0ZQ-HdQHaHa
 
Последнее редактирование:
Прикиньте, яка напруга сигналу потрібна, аби вичавити 102 dBSPL зі 150 Омних чи 300 омних Сенхів або Байєрів проміж їх старших моделей. За 600 Омні я скромно промовчу. Потім врахуйте. що підсилювач має видати амплітуду того сигналу, не RMS, і додайте пару вольт на квазинасичення. Посміємось разом. _da
 
Всё же никак не могу взять в толк, а зачем нужна лампа, если питание низковольтное, какой смысл?
Хотелки у людей такие... хотят лампу , да ещё от низкого напряжения.:)

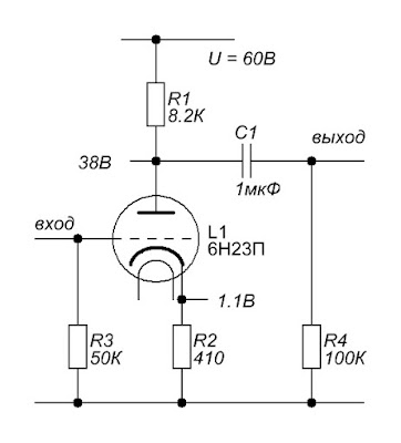
Я ,например, для хотелки нескольким людям запитывал усилок на 6Н23П от двух Li-on аккумов (напряжение 7- 8,5 Вольт ).
Правда питание лампы было 60 Вольт ,которое было ограничено доработанной дешёвой китайской платкой(менял 3 элемента).
Без доработки маломощный преобразователь выдаёт до 35 Вольт ,после доработки до 60 Вольт (максимум по даташиту на мксхему).
Вот остался один из таких преобразователей...(от 3 Вольт питания до 60 Вольт выходное).
IMG_20250505_145219.jpg


6н23п (60В).JPG 6Н23П__ Ra 8K2 Rk 410R 1 кГц вых_ампл.JPG

Людям порой важнее ВИД ,чтобы была ЛАМПА .

Мне ,например,важнее СМЫСЛ ... низковольтное для портативного устройства,от АКБ.
Чтобы либо засунуть в карман или выехать на природу...и это не лампа.

Например ,слушаю 5 лет на уши Сенхайзер FLAC-овские записи через неплохую платку ,мощи которой с лихвой хватает.
В карман бросил причиндалы( плата + питание от 18650) и наслаждаешься где угодно.
ушник .JPG

На природе ...музыка для людей ...из туристического коврика(под спальное место) и чувствительного динамика днём делаю колонку .
От усилка мощностью до 3Вт ( питание 5 Вольт ) громкости достаточно.
самопал-дневная колонка.jpg
Ночью раскрываю коврик и сплю на нём.:)

Смысл НИЗКОВОЛЬТНОГО питания для ЛАМП - это ПОРТАТИВНЫЕ (носимые)устройства .
 
Смысл НИЗКОВОЛЬТНОГО питания для ЛАМП - это ПОРТАТИВНЫЕ (носимые)устройства .
а накал??? энергии жрет немеряно
вот такое купить и радоваться
портативный, 245 мВт, 125 дБ, 0.0006 %, 20 Гц - 20 кГц, 16Ω, выход - 1
 
а накал??? энергии жрет немеряно
вот такое купить и радоваться
портативный, 245 мВт, 125 дБ, 0.0006 %, 20 Гц - 20 кГц, 16Ω, выход - 1
Поддерживаю. Потому как сам пользую ФииО КА3 . У этой флешки два выхода-обычный и балансный (!).
 
а накал??? энергии жрет немеряно
вот такое купить и радоваться

портативный, 245 мВт, 125 дБ, 0.0006 %, 20 Гц - 20 кГц, 16Ω, выход - 1
300 ма для стерео варианта на лампе 6Н23П - это разве много ...
Подсчитайте сколько времени будет работать накал от двух таких "честных" Li-ion аккумов (7-8,5В ). Размер одного аккума : диаметр 26 мм длина 65мм,ёмкость не менее 5000 маh .
IMG_20250505_184621.jpg


Повторяю...для людей важнее ВИД с ЛАМПОЙ ,им наименьшее потребление не важно...им нужно ВЫПЕНДРИВАТЬСЯ ...;)
 
Последнее редактирование:
Прикиньте, яка напруга сигналу потрібна, аби вичавити 102 dBSPL зі 150 Омних чи 300 омних Сенхів або Байєрів проміж їх старших моделей. За 600 Омні я скромно промовчу. Потім врахуйте. що підсилювач має видати амплітуду того сигналу, не RMS, і додайте пару вольт на квазинасичення. Посміємось разом. _da
Для высокоомных наушников можно применить согласующий трансформатор, и проблемы высоких напряжений по выходу особо нет. Мощности вполне хватает 1 Вт. Применив выходной согласующий транс, можно реализовать балансный выход на наушники (модный сейчас 4-х пиновый штекер как 2,5 мм так и 4, 4 мм Pentaconn).
 
Всё же никак не могу взять в толк, а зачем нужна лампа, если питание низковольтное, какой смысл?
Экий вы непонятливый. лампа - это трынд, это круто, это раритет, это винтаж, а низкое напряжение чтобы было проще и современнее.
Чтож все так накинулись на Артура? Хочет - пусть делает, я только пытался донести что от лампы останется лишь видимость.
надо отправлять и назначить туда модератором KSV
НЕ надо меня никуда посылать и мордераторства не надо.
Взяли Артура и съели. Нехорошо это.
НЕ понимаю почему никто не вспомнил о лампах изначально созданных для батарейного питания, в названии буква Б.
Чувствую себя ветераном старым пердуном поскольку хорошо помню батареи БАС - батарея анодная сухая, с несколькими отводами.
бас.jpg

Неужели и про неё никто не знает. Правда, купить или достать её сегодня сложнее чем раньше.
А вот ещё лучше.
бат.jpeg

Шикарная вещь для аудиофилов.
 
И простите меня, но на первой схеме вижу тиратрон холодного копчения?
А что, потребление небольшое (миллиамперы), накала нет. Для наушников самый сок 😀
На второй его тоже нет(нет нумерации) выводов ,хотя он показан структурно...
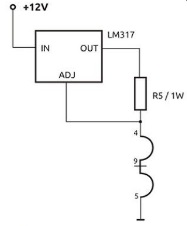
Но есть фото с наименованием лампы ECC82 ,неужели трудно взглянуть на какие выводы подаётся накал и как
Если вам это трудно сделать - то держите...

питание накала.jpg...
R5 резисторы 10 Ом / 1 Вт x 2 шт.(II-но) или 5 Ом / 1 Вт -1шт.

Что касается потребления микросхемой...
4556 специальная микросхема для наушников.

1.jpg
 
300 ма для стерео варианта на лампе 6Н23П - это разве много
6н23п даже при 60в это шлаковый звук,и Вам так нужно таскать в кармане лампу))))я не против лампы я против лампы при низком напряжении и портатива не ней
весь этот литокал тоже денег стоит и его еще нужно в корпус вставить короче выйдет убого и дорого,проще Flio купить с отличным звуком Цапом и размером чуть больше штеккера
 
Последнее редактирование:
Да кто меня съест))) в думках я просто. Вот вы будете опять ругать, но мне до сех пор не понятно одно. Ламповый звук отличается от транзисторного тем, что один якобы... (имеется ввиду кремниевый транзистор, германиевый не в счёт он плавает на сколько я знаю, как лампа.) Правильный, ровный как зашел сигнал так и вышел искажений минимум. В лампах же идут искажения, за что его и любят что звук как бы живой. Так вот, сегодня просто слушал еще раз свой неправильный усилитель каналы левый - правый объединены кстати не указал об этом ранее ( в идеале объединяют насколько знаю резистором чтобы фазы не смешивались ( если не прав поправьте в ближайшем будующем исправлю этот косяк, не придал особого значения, да и не думаю что прям слишком критично ...) Так вот при 10 вольтах слышны искажения прилично, при 19 уже нормально, то есть косяк такого типа схемы в том получается что КПД ниже то есть тише он получается раз трансформатора нет,или как? или ну т.е в схеме то нет транзистора здесь ведь, а он как то работает лампа же звучит получается все-таки ведь? Накал убираешь, звук уходит уже писал об этом. Другие схемы взял на примет с транзистором просто щас пытаюсь разобраться что не так в этой схеме из-за чего лампового звука
IMG20250505143614.jpg
нет или он все-таки есть просто кпд низок? Приложил фото изнутри, отсек ранее был под аккумулятор. Планировал все делать, но из-за пожаробезопасности отказался, от идеи литион все-таки сложно тушить,переделал на сеть. P/s спрашивали про наушники отвечаю, красные самые обычные на 32 ома , Вторые охватывающие тоже простые aceline AHG-525
 
В лампах же идут искажения, за что его и любят что звук как бы живой.
Все дело в том, что на заре заката звуковоспроизведения (сто лет тому в обед) техника была дубовая, качество записи и воспроизведения было хреновенькое, безжизненное. Кто-то решил хоть как-то разукрасить примитивный звук и ... придумал триодную лампу. Лампа же своими чётными и нечётными гармониками раскрашивпла исходно-тусклое звуковое полотно палитрой (или поллитро́й🍷🍾) непристойно-ярких красок! Ухо привыкало и решили, что "тот" звук и есть самое оно. Пока не придумали полевой транзистор...
 
спрашивали про наушники отвечаю, красные самые обычные на 32 ома
Боже мой. Новые времена. раньше смеялись над анекдотом в котором в автосервисе спрашивали женщину: какая у вас машина? И ответ - красная...
Вторые охватывающие тоже простые aceline AHG-525
Жаргонный новояз "охватывающие". Смеяться уже не хочется, хочется плакать.
Посмотрел я картинки с этими наушниками.
Одно слово - игровые. Боюсь, в них вы ничего не услышите и ничего не поймёте...
мне до сех пор не понятно одно. Ламповый звук отличается от транзисторного тем, что один якобы...
Не в обиду будет сказано, но рассуждать о нюансах в охватывающих игровых наушниках вряд ли возможно.
(имеется ввиду кремниевый транзистор, германиевый не в счёт он плавает на сколько я знаю, как лампа.)
Откуда информация про плавающие лампы??
В схемах которые предлагают, сомневаюсь что будет заметная разница между кремнием и германием. Вот только ставить германиевые транзисторы где резисторы по 10 Вт, я бы не стал.
Правильный, ровный как зашел сигнал так и вышел искажений минимум. В лампах же идут искажения, за что его и любят что звук как бы живой.
Нет. Много искажений в любом случае плохо. Но есть особенности которые долго описывать. Например, чётные искажения, особенно второго порядка не режут уши, а нечётные, особенно 5,7 порядка и выше - режут. "Благозвучные" гармоники маскируют "неблагозвучных".
Разная динамика и прочее.
Но, повторюсь, в имеющихся наушниках, от имеющихся источников сигнала и с простейшими гибридными схемами, сильно сомневаюсь что вы что-то услышите. О живом звуке речи нет.
Кроме того, всегда был и есть дефицит качественных записей "живого" звука.
Давным-давно большинство записей уродуется. Одна из форм уродства - большое сжатие так называя компрессия. Чем это плохо - долго писать. Грубо говоря, вы хотите волшебным образом услышать живой звук от мёртвых записей. Они громкие и в них можно не заметить искажений, но звук уже изуродован.
Пример. Вы замечали разницу во вкусе, ну пускай помидоров с грядки и в конце лета с безвкусным вкусом искусственно выращенных зимних помидоров? Вот здесь примерно то же. Одни сильно пахнут помидором, другие - пластмассой.
слушал еще раз свой усилитель Так вот при 10 вольтах слышны искажения прилично, при 19 уже нормально, то есть косяк такого типа схемы
Мне не хочется употреблять обидных выражений, но если на помидорах, то вы сравнивали два типа пластика. 10 или 20 при обычной норме 300 вольт, и дело не только в напряжении.
в том получается что КПД ниже то есть тише он
Речь ведь не о громкости.
получается раз трансформатора нет,или как?
Трансформатор нужен для того чтобы создать лампе определённую нагрузку.
Лампа нормально работает если её нагрузка примерно несколько кОм. Если или ниже или выше, мощность радает, искажения растут.
В случае замены трансформатора транзистором, от лампы не требуется ни мощность, ни напряжение (амплитуда сигнала) особенно когда речь о наушниках. Но слушать вы будете выходной транзистор, а не лампу.
или ну т.е в схеме то нет транзистора здесь ведь, а он как то работает лампа же звучит получается все-таки ведь?
Уверен что звучит, но кое-как, не лучшим образом. Тогда зачем всё городить?
Я не просто так советовал сделать простой ламповый усилитель мощностью хотя бы 1 Вт. Вот там надо оценивать понравится- не понравится. И там, вероятно, удастся услышать "ламповый звук". При ряде условий, одно из которых - подходящий динамик.
Да, это хлопотно, да это затратно. Но лично я Вас не толкал на эту авантюру. Немалый шанс что вообще ничего и никак не понравится и тогда уже вы сожрёте нас. smile_12
Накал убираешь, звук уходит уже писал об этом.
Я уже писал: так делаь НЕЛЬЗЯ!!! Накал должен быть 6,3 В +-10% и никаких гвоздей.
Другие схемы взял на примет с транзистором просто щас пытаюсь разобраться что не так в этой схеме из-за чего лампового звука
А КАК вы собираетесь разбираться? По наитию, вдохновению, или как в Библии будете слушать голос из сундука?
Аккуратненько и пристойненько, я думал, будет хуже.
нет или он все-таки есть просто кпд низок?
А что такое КПД? Отношение полученной полезной энергии к затраченной. Так?
Тогда КПД ламповых схем чудовищно низок.
КПД нас мало интересует.
У транзисторного класса А обычный рабочий КПД = 2...3% ну и что? В паузах и тихих местах записи он около 0%.
Приложил фото изнутри, отсек ранее был под аккумулятор. Планировал все делать, но из-за пожаробезопасности отказался, от идеи литион все-таки сложно тушить,переделал на сеть.
Li-Ion опасен при коротком замыкании, практически и только. В подобных конструкциях я ставлю предохранитель - и это уже помогало.
***
Мой совет. Делайте как удобно. Пробуйте. Говорите; "какая же гадость это ваша заливная рыба" и разбирайте всё к чертям, и забывайте про эту тему.
 
6н27п любит накал 7,5в- спектр намного лучше становится тк недостающая скорость электронов компенсируется их колличеством
 
мощный резистор лучше заменить на автомобильную лампу накаливания ,нити дальнего и ближнего света включить последовательно
получаем мягкий ламповый клип
не плохо поставить германиевый диод между базой и эмиттером последовательно с резистором 1к и приклеить его к корпусу транзистора
 

Вложения

  • ушник 6н27п.jpg
    ушник 6н27п.jpg
    28.8 KB · Просмотры: 78
Последнее редактирование:

Статистика форума

Темы
3,296
Сообщения
262,551
Пользователи
2,544
Новый пользователь
vlad'mir
Назад
Сверху Снизу