Aleph
1 ранг
- Регистрация
- 31 Дек 2019
- Сообщения
- 3,128
- Реакции
- 2,936
- Баллы
- 116
- Возраст
- 40
- Страна
- ДНР
- Город
- Макеевка
- Имя
- Сергей
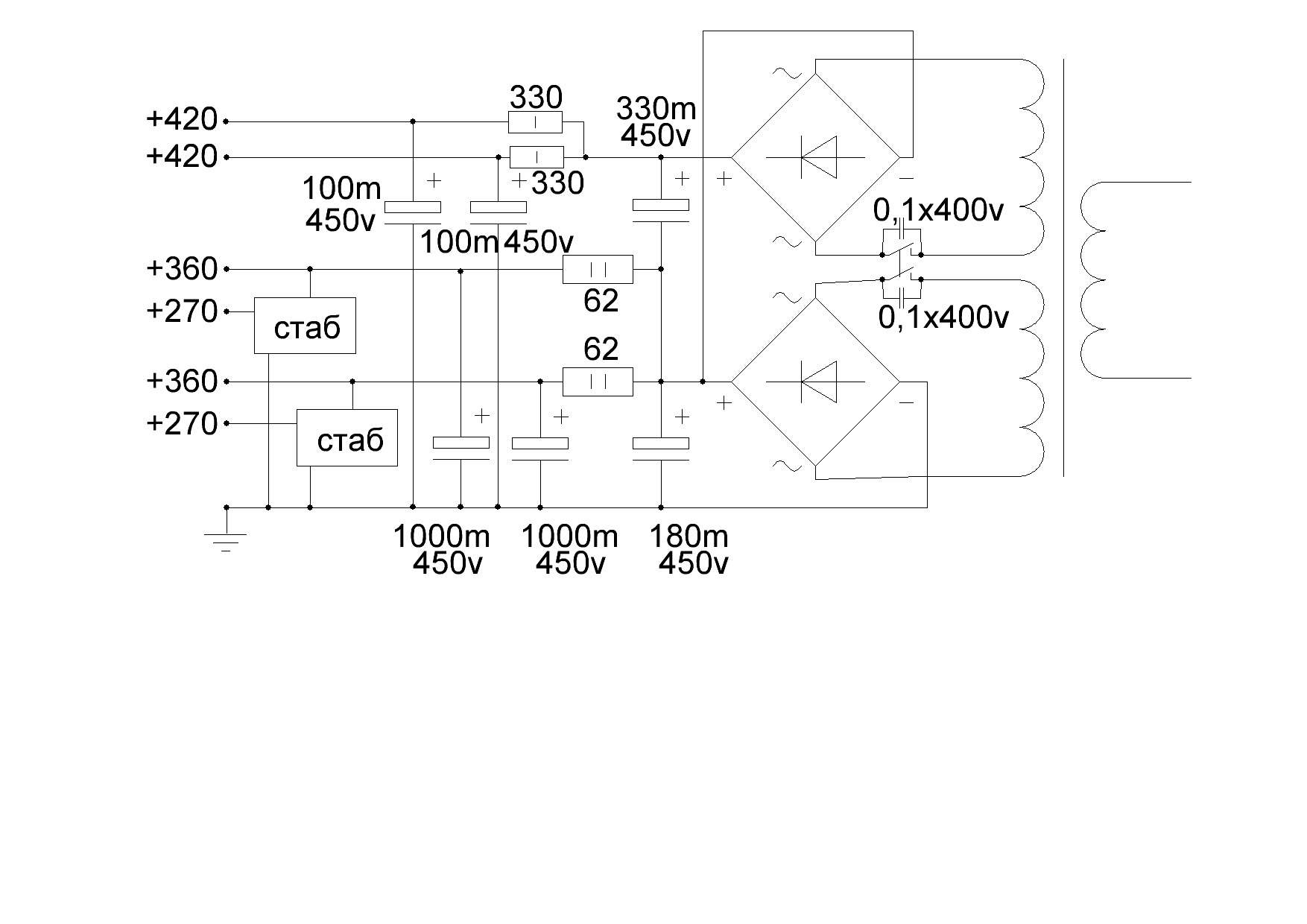
Было время, сильно хотел цирклотрон собрать, но мотать 4 анодные обмотки себя не заставил. Это же ещё и выпрямителя 4, плюс смещение, плюс для драйвера... А габариты если ставить много ёмкостей, да с применением шунтирования масляными и плёночными... И это без хоть какой-то уверенности что звук понравится.В ламповых цирклотронах каждое плечо выхода со своим питанием.
Что-то подобное сейчас с СЕ на г811. Очень медленно двигается дело, хоть почти всё имеется. Была бы лампа не такая красивая, и начинать бы не стал. А она такая-сякая попалась в руки и дразнится.

, Александр Сергеевич, давно слухаю увеселитель
, но из ваших же уст неоднократно звучало что анодное питание 400+ получше будет в плане качества звука, т.е. лучше выше напряжение а ток меньше.
