Схемотехника усилителей 2021

Святослав_

1 ранг
Регистрация
10 Июн 2021
Сообщения
7,386
Реакции
3,809
Репутация
167
Страна
Україна
Город
Бердянськ
Предупреждений
1
Ну нехай буде чотири каскади. З паспортним розкидом бети від 50 до 150 у кожного.
Обчисліть підсилення в петлі, у випадку коли бета всіх чотирьох випала 50, і коли вони з бетою 150 кожен.

І чи не простіше, і куди прогнозованіше, проектувати підсилювач, маючи транзистори з допуском бети +1%?
 

vitamir

1 ранг
Регистрация
2 Янв 2021
Сообщения
2,115
Реакции
1,332
Репутация
71
Возраст
63
Страна
Україна
Город
Київ
Имя
Віталій
Це прямо вплине лише на вхідний опір каскадів підсилення струму, що навантажують вихід каскадів підсилення напруги. І на рівень підсилення в петлі, опосередковано. А також, на рівень струму сигналу, що відбирається від підсилювача напруги, що є фактором, впливаючим на рівень нелінійних спотворень.
Якщо не врахуєте fT, отримаєте збудження. Вибір за Вами
 

Святослав_

1 ранг
Регистрация
10 Июн 2021
Сообщения
7,386
Реакции
3,809
Репутация
167
Страна
Україна
Город
Бердянськ
Предупреждений
1
Ви ж збирались кількістю транзисторів впаралель збільшити їхню ft. Не забули?
До речі про ft. Це теж зовсім не фіксований показник. Має індивідуальний розкид, та ще й який.
Десь тут на сайті була з цього приводу інформація. Ціла капітальна лабораторна робота.
 

vitamir

1 ранг
Регистрация
2 Янв 2021
Сообщения
2,115
Реакции
1,332
Репутация
71
Возраст
63
Страна
Україна
Город
Київ
Имя
Віталій
Ні, я досягну більш високої fT, зменшивши максимальний струм крізь окремий транзистор. Для чого увімкну їх кілька паралельно. Графіки залежності fT від струму колектора наводять в даташитах.
І ми це вже одного разу обговорювали.
Щодо повторюваності і дисперсії параметрів, сучасні транзистори одного типу набагато більше схожі одне на одного, ніж їх брати півсторічного віку.
 
Последнее редактирование:

Petr-51

2 ранг
Регистрация
29 Дек 2023
Сообщения
625
Реакции
-66
Репутация
11
Страна
Беларусь
Город
Могилев
Имя
Александр
Предупреждений
1
Слушать надо всё в сборе. А измерения проводите неправильно, соответственно и выводы неверные.
хорошо что согласны с тем что слушать надо все в сборе. Вот все в сборе и надо тестировать! Протестируйте звуковым сигналом с помощью векторного индикатора Акулиничева, например. Он несколько схем предлагал... Или, что проще, тестом Хафлера SWDT
 

Святослав_

1 ранг
Регистрация
10 Июн 2021
Сообщения
7,386
Реакции
3,809
Репутация
167
Страна
Україна
Город
Бердянськ
Предупреждений
1
Ні, я досягну більш високої fT, зменшивши максимальний струм крізь окремий транзистор. Для чого увімкну їх кілька паралельно. Графіки залежності fT від струму колектора наводять в даташитах.
І ми це вже одного разу обговорювали
Там досить вузькі межі коливань ft від струму. З десятка запаралелених НЧ транзисторів не зробити одного ВЧ.
Ось приведіть залежність бети, та ft від струму, якого-небудь транзистора.
 

vitamir

1 ранг
Регистрация
2 Янв 2021
Сообщения
2,115
Реакции
1,332
Репутация
71
Возраст
63
Страна
Україна
Город
Київ
Имя
Віталій
Вот все в сборе и надо тестировать!
Оце і є Ваша стратегічна помилка, пане Пєтров. Тестувати потрібно кожний параметр, кожний тип спотворень ОКРЕМО.
Аби не впасти в маячню.
Ні методика, вкрадена акулінічевим, ні методика Хафлера не відповідають такому підходу до проблеми.
 
Последнее редактирование:

Petr-51

2 ранг
Регистрация
29 Дек 2023
Сообщения
625
Реакции
-66
Репутация
11
Страна
Беларусь
Город
Могилев
Имя
Александр
Предупреждений
1
Вот смотри, Петров. Сейчас у нас конец первой четверти двадцать, ять, первого, ять, века.
я максимально оставил исходную схему в первоначальном виде, в основном заменил диодную схему термостабилизации на транзисторный умножитель напряжения, заменил типы транзисторов на современные доступные и немного изменил коррекцию. Если вы хотите доказать что с минимальными доработками можно сделать лучше - так покажите свой вариант доработки усилителя Электрон 103 (так чтобы любой имеющий этот усилитель мог его легко доработать без серьезных переделок).
Вот как здесь например.

https://ldsound.info/elektron-103-stereo/#comment-29326
для сведения. По схеме этого усилителя выпускалось несколько промышленных моделей: Электрон 103, Электрон 104, Ростов-Дон 101, применялся в электробаяне, возможно и еще в каких изделиях.
Основная проблема тех лет была в отсутствии подходящих транзисторов, особенно PNP - типа, ставили даже МП26 с частотой единичного усиления 0,2 МГц.
 
Последнее редактирование:
Регистрация
17 Июл 2022
Сообщения
3,250
Реакции
682
Репутация
59
Страна
Россия
Город
Санкт-Петербург
Предупреждений
1
Параллелят, скорее всего, по другой причине.
Параллелят по многим причинам:
  • да, в первую очередь - для обеспечения работы в пределах неспадающего участка зависимости h21 от Iк
  • для усреднения разброса величины h21 отдельных транзисторов
  • улучшения (до некоторой степени) скоростных свойств выходного каскада (при условии достаточной мощности предыдущего каскада, через суммарную величину Cбэ выходных запареллеленных)
  • упрошения конструкции теплоотвода
 

vitamir

1 ранг
Регистрация
2 Янв 2021
Сообщения
2,115
Реакции
1,332
Репутация
71
Возраст
63
Страна
Україна
Город
Київ
Имя
Віталій
З такими пріоритетами, корвете, легко сісти на мілину
 

СМЕРШ

2 ранг
Регистрация
30 Янв 2024
Сообщения
1,528
Реакции
1,447
Репутация
56
Страна
Poland
Город
Stargard
Предупреждений
13
тестом Хафлера SWDT
Что-то у меня с восприятием текстов нелады. Читаю вот это:
Так как ООС подавляет в основном низшие
гармоники (2-ю и 3-ю) и почти не затрагивает высшие, то Джон Керл старается обходиться
минимальной глубиной ООС достаточной для доведения традиционно измеряемых параметров до
минимально необходимых по стандартам для усилителей категории Hi-Fi.
а складывается вот так:
так как я, Курл, полный даун в наборе петлевого, я выберу настолько мелкую глубину ООС, насколько смогу, а уж доказать, что ООС плоха, я сумею любому, и сейчас займусь ровно этим самым.
Потому, что: если ООС - бяка, то бяка она при любой глубине, а если ООС - преимущество, то пределов набора её глубину тупо нет. Правда, если набрать свыше 100 дБ петлевого на 20 кГц, продуктов искажений в звуковой полосе невозможно измерить имеющимися приборами. Так что, по факту, предел набора глубины ООС - 100 дБ (100к раз), но, с развитием средств измерений, мы можем сдвинуть его и до 170.

тестом Хафлера SWDT
Линн Олсон в работе [3] пишет:
«В электронике корреляция между процентами искажений и субъективной оценкой
звучания практически равна нулю.
Насколько линейные усилители слышал Олсон, чтобы опозорить себя вот такими падежами?
Смотрим в библиографию, п.3:
Lynn Olson, Matt Kamna, The Sound of the Machine. The Hidden Harmonics behind THD,
«Glass Audio» 4/97

Не очень линейные усилители слушал автор, да и тех схемотехники не привёл, что лишает его выводы любой ценности. Он просто клянёт абстрактные линейные усилители и измерители искажений с малой разрешающей способностью.

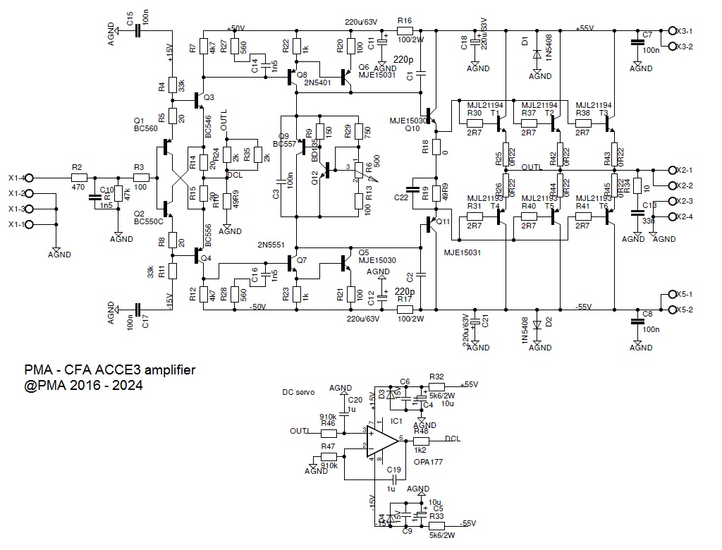
Что там по усилителю Батя https://ldsound.club/threads/sxemotexnika-usilitelej-2021.730/post-259760, возражения имеются, или дальше будем нагнетать сверхсветовую истерию?
 

Petr-51

2 ранг
Регистрация
29 Дек 2023
Сообщения
625
Реакции
-66
Репутация
11
Страна
Беларусь
Город
Могилев
Имя
Александр
Предупреждений
1
я знал одного слухача который использовал треки с записью щелчка пальцами. Редко можно встретить такую запись, но она у него была одной из основных. Именно по короткому щелчку он мог сразу сказать как будет звучать усилитель. Причем отслушивал усилители он ночью (жил на окраине поселка) когда и на улице полная тишина. Только в полнейшей тишине он улавливал то что невозможно оценить в обычной обстановке.

Что-то у меня с восприятием текстов нелады. Читаю вот это:

а складывается вот так:

Потому, что: если ООС - бяка, то бяка она при любой глубине, а если ООС - преимущество, то пределов набора её глубину тупо нет. Правда, если набрать свыше 100 дБ петлевого на 20 кГц, продуктов искажений в звуковой полосе невозможно измерить имеющимися приборами. Так что, по факту, предел набора глубины ООС - 100 дБ (100к раз), но, с развитием средств измерений, мы можем сдвинуть его и до 170.
и что толку в глубине 100 дБ, если ГВЗ будет под 1 мкс. Белка набрал 160 дБ на частоте 20 кГц, а сам слушает простенький лампач, потому как он звучит более реалистично.

Что там по усилителю Батя, или дальше будем нагнетать сверхсветовую истерию?
вместо поноса слов я предложил вам сделать свою версию доработки, но вы предпочитаете уйти в сторону.
Представим себе что дед когда то купил усилитель Электрон 103 и он у него до сих пор пылится на полке как реликвия. А внук начинающий радиолюбитель. Вот и предложите доработку с которой справится начинающий...
А то по этому случаю пример из жизни. На работу пришел молодой инженер закончивший радиотехнический университет. Ему предложили написать инструкцию по ремонту какого то лабораторного прибора. Он две недели трудился и выдал документ. Затем ему дали этот прибор в неисправном состоянии и предложили отремонтировать. Он провозился еще две недели так и не отремонтировал. После чего сменил род деятельности, подался на комсомольскую работу, затем на партийную и так далее. Учить же проще чем что то делать самому.
 

Lyuber

2 ранг
Регистрация
15 Ноя 2023
Сообщения
1,200
Реакции
80
Репутация
18
Страна
РФ
Город
Люберцы
Предупреждений
8
два дрыгающиеся в противофазе однотакта , сложенные в одну кучу на выходе, все равно дадут привычный двухтактный спектр.
да, подаче на сумматор надо должное отдать, точнее, приоритет №1 (из того, что есть, только Лайков устроил)
 

Никитич

1 ранг
Регистрация
28 Ноя 2019
Сообщения
796
Реакции
506
Репутация
49
Возраст
65
an.JPG
Мацура.png
 
Последнее редактирование:

Святослав_

1 ранг
Регистрация
10 Июн 2021
Сообщения
7,386
Реакции
3,809
Репутация
167
Страна
Україна
Город
Бердянськ
Предупреждений
1
Параллелят по многим причинам:
  • да, в первую очередь - для обеспечения работы в пределах неспадающего участка зависимости h21 от Iк
  • для усреднения разброса величины h21 отдельных транзисторов
  • улучшения (до некоторой степени) скоростных свойств выходного каскада (при условии достаточной мощности предыдущего каскада, через суммарную величину Cбэ выходных запареллеленных)
  • упрошения конструкции теплоотвода
Ну и если парочка, из десятка в плече, ляснет в обрыв, то на таком эстрадном усилителе можно продолжать работу.
Имею стойкое впечатление, что транзисторам в забугряндских усилителях упорно недодают площади радиаторов, эксплуатируя их близко к тепловому пределу.
 
Последнее редактирование:

vitamir

1 ранг
Регистрация
2 Янв 2021
Сообщения
2,115
Реакции
1,332
Репутация
71
Возраст
63
Страна
Україна
Город
Київ
Имя
Віталій
Кондо морально застарів. Сьогоднішні інженери, що проектують підсилювачі " для звуку" , мають інші пріоритети і мають на те об'єктивні підстави.
Я вже неодноразово на конкретних прикладах демонстрував неспроможність схемотехнічного мінімалізЬму по відношенню до досягнення потрібних високих рівнів об'єктивних технічних характеристик підсилювача.
 

Святослав_

1 ранг
Регистрация
10 Июн 2021
Сообщения
7,386
Реакции
3,809
Репутация
167
Страна
Україна
Город
Бердянськ
Предупреждений
1
Інженери заручники масового виробництва і його специфічних вимог. Про маркетологів промовчу.
Аматор, і дрібновиробник, знаходиться геть в інших умовах.
Бачили "простирадло" попереднього виміру по точкам 114 шт. КП802? А результати по 80 шт. КП903?
 
Последнее редактирование:

IDDQD

3 ранг
Регистрация
28 Янв 2023
Сообщения
231
Реакции
114
Репутация
15
Страна
Россия
Город
эНск
Имя
IDDQD

СМЕРШ

2 ранг
Регистрация
30 Янв 2024
Сообщения
1,528
Реакции
1,447
Репутация
56
Страна
Poland
Город
Stargard
Предупреждений
13
Інженери заручники масового виробництва і його специфічних вимог.
Чем требования к ним кардинально отличаются от твоих?
Им и тебе дадены одинаковые транзисторы и поставлена одинаковая задача: дай линейность как можно более дешёвыми средствами, а не заставляй отдел комплектации перекапывать гору дорогих элементов ради двух выходников, нелинейный взнос которых нормальная ООС ровняет, как Господь - черепаху.
 

Святослав_

1 ранг
Регистрация
10 Июн 2021
Сообщения
7,386
Реакции
3,809
Репутация
167
Страна
Україна
Город
Бердянськ
Предупреждений
1
Чем требования к ним кардинально отличаются от твоих?
Им и тебе дадены одинаковые транзисторы и поставлена одинаковая задача: дай линейность как можно более дешёвыми средствами, а не заставляй отдел комплектации перекапывать гору дорогих элементов ради двух выходников, нелинейный взнос которых нормальная ООС ровняет, как Господь - черепаху.
Не наводи тень на плетень, не придуривайся.
Я сам себе отдел комплектации, и составитель ТЗ. В шею меня никто не гонит.
В итоге имею совершенно определенные транзисторы, и крайняя дешевизна способа надо мной не висит мечом.
Чем больше гора транзисторов, тем большая часть из них находит себе пары - трудно тебе такой простой вывод уразуметь?
 

vitamir

1 ранг
Регистрация
2 Янв 2021
Сообщения
2,115
Реакции
1,332
Репутация
71
Возраст
63
Страна
Україна
Город
Київ
Имя
Віталій
А то по этому случаю пример из жизни. На работу пришел молодой инженер закончивший радиотехнический университет. Ему предложили написать инструкцию по ремонту какого то лабораторного прибора. Он две недели трудился и выдал документ. Затем ему дали этот прибор в неисправном состоянии и предложили отремонтировать. Он провозился еще две недели так и не отремонтировал. После чего сменил род деятельности, подался на комсомольскую работу, затем на партийную и так далее. Учить же проще чем что то делать самому.
Якщо вже про приклади з життя, я згадував одного свого однокурсника, який ,за його переконанням, чув на своє фізіологічне вухо 60 кГц. Він успішно закінчив виш, але його кар'єра інженера була недовгою. Він за розподілом потрапив на виробництво гірокомпасів. Там були поширені скляні перегородки між приміщеннями. Якось йому вдалося розкрутити гіроскопа, але ситуація вийшла з під контролю і ця маленька фігня вщент розтрощила скляні перегородки кількох суміжних приміщень. Під суд його не віддали, пожаліли, але вигнали з вовчим білетом ще до завершення терміну його роботи, як молодого спеціаліста.
Бідолаха повернувся в свій рідний райцентр і заробляв на життя викладанням фізики в місцевій середній школі.
А ви говорите, навчати простіше.
Бідні діти.
 

СМЕРШ

2 ранг
Регистрация
30 Янв 2024
Сообщения
1,528
Реакции
1,447
Репутация
56
Страна
Poland
Город
Stargard
Предупреждений
13
покажите свой вариант доработки усилителя Электрон 103 (так чтобы любой имеющий этот усилитель мог его легко доработать без серьезных переделок).
Там вот что, Петров. Оно простое, ты поймёшь: в связи с развитием и материального производства, и расширением интеллектуального кругозора, усилители такого вида:

1706643836370.png


простыми мерами не улучшаются НИКАК. Не потому, что не могу, а потому, что не хочу давать никому даже малейшей надежды на реанимацию такого старья. Ему место в музее.

Насколько там всё сложно?
Я бы рекомендовал полностью выбросить ВСЁ, за исключением трансформатора и диодного моста. Все остальные элементы, равно как и способы их соединения (схемотехника), устарели ровно для полного оправдания совершения данного акта, как наиболее целесообразного.

А ты сложи два сдвинутых сигнала отличных от синуса (звуковые сигналы далеки от синуса) и что получишь?
1706646723323.png


Хорошо. По заявке нашего постоянного слушателя передаём вторую часть марлезонского балета.
Тут есть 6 генераторов: 2*20к, 2*14к и 2*13к с парным взаимным сдвигом фазы 90 градусов. Задержка - 6,5 мкс:

1706647120619.png


Теперь смешное.

1706647152956.png


1706647647365.png


Хотя амплитуда входных сигналов достигает 3 мВ, показанный красным разностный сигнал имеет стабильную амплитуду 1,5 мВ:

1706647300932.png


Опять же: как снизить прямой фактор искажений входного каскада?
Набором усиления:

Уразн = Увых / Ку хх,
где Увых - константа по ТЗ, Ку хх - усиление холостого хода по знанию схемотехники.
 

Хуан Пабло

2 ранг
Регистрация
20 Янв 2024
Сообщения
345
Реакции
950
Репутация
34
только со второго периода есть "хвостик" от первого периода для устранения искажений связанных с задержкой. В музыкальных сигналах каждое мгновение считайте новый сигнал на похожий на предыдущий и нет того самого "хвостика" от предыдущего периода. Надеюсь понятно объяснил.
Нет там никаких хвостиков. Надо понимать, что симулятор считает пошагово, изменяя стимульный сигнал и высчитывая затем зависимые от него параметры согласно системе уравнений, описывающих схему (если утрированно). И это по факту определяет ту самую шаговость результатов, графиков.
С точки зрения линейных искажений усилитель эквивалентен упрощенно RC-фильтру. Как только вы подали на него сигнал на вход, тут же появился сигнал на выходе. Симулятор посчитает вам аппроксимированными отрезками пошагово нарастание, но в жизни напряжение уже начало нарастать и на выходе, просто в зависимости от постоянной цепи, крутизна нарастания разная и может понадобиться сильное увеличение, чтобы заметить разницу.
1706646854096.gif


Но решать-то как-то нужно? Вот и идут в ход дискретные вычисления и соответствующие им округления и погрешности. Уменьшая шаг, мы добиваемся точности, которая нас устроит и по достижении которой решение можно считать успешным. Но не нужно дискретность вычислений симулятора принимать за чистую монету и интерполировать полученный результат на реальный процесс без осмысления.

И вот вам парадокс. На первом шаге расчета мы еще не имеем сигнала ООС с выхода и стимулируем схему усилителя так, словно она еще не имеет замкнутой ООС. Усилитель с бОльшей глубиной петлевого усиления выдаст на выходе большее приращение напряжения, нежели усилитель с петлевым 20дБ или вообще без него с случае с безООСником. Стало быть мы получим больше всплеск на графике. И по этому факту вы делаете вывод, что усилитель с глубокой ООС хуже?:oops:

На деле повышение глубины ООС в требуемой части диапазона зачастую требует компромиссов при коррекции, но если бы мы вдруг сделали усилитель с большой глубиной ООС на 20кГц и не запаривались бы про частоту единичного усиления, тупо сделав спад первым порядком, то полученная площадь усиления обеспечила бы нам автоматически и снижение всплесков, поскольку бОльшая глубина ООС на ВЧ способствовала бы их подавлению в широкой полосе. И автоматически с расширением полосы получили бы низкое ГВЗ и другие побочные продукты.
На примере от Neulo вы могли заметить, что более прогрессивная коррекция и ряд схемотехнических улучшений дали прирост качества как по общепринятой системе оценки, так и по ГВЗ, на который вы так упорно ориентируетесь.
 

Lyuber

2 ранг
Регистрация
15 Ноя 2023
Сообщения
1,200
Реакции
80
Репутация
18
Страна
РФ
Город
Люберцы
Предупреждений
8
Надо все таки время выбрать, поехать и отслушать Циклотрон.
 

Вложения

  • Циклотрон.gif
    Циклотрон.gif
    272 KB · Просмотры: 95

СМЕРШ

2 ранг
Регистрация
30 Янв 2024
Сообщения
1,528
Реакции
1,447
Репутация
56
Страна
Poland
Город
Stargard
Предупреждений
13
Добро пожаловать сюда!
:)

А в "Корвет 200УМ-088С" сделано ещё лучше. :)
1706653681409.png


Там много проблем. Много. Усь надо серьёзно чистить и выходить на гибрид с хорошим петлевым, а пока что в него пакостят и входной ОУ интегратора - падением петлевого на НЧ, и узел стабилизации токов т
 

Вложения

  • N117.asc
    23.1 KB · Просмотры: 48

СМЕРШ

2 ранг
Регистрация
30 Янв 2024
Сообщения
1,528
Реакции
1,447
Репутация
56
Страна
Poland
Город
Stargard
Предупреждений
13
Добро пожаловать сюда!
:)

А в "Корвет 200УМ-088С" сделано ещё лучше. :)
1706655107754.png


Входные и ООСные цепи уся не содержат конденсаторов, ослабляющих НЧ, а вот на красной АЧХ выходного сигнала виден завал 10-1 Гц на 6 дБ. Это у усилителя недостаточно петлевого вытянуть уровень НЧ, и видно, почему: валятся НЧ ещё на выходе ОУ, зелёный график.

Синяя АЧХ - опорная, входной сигнал.
 

STTL

2 ранг
Регистрация
12 Дек 2022
Сообщения
912
Реакции
56
Репутация
16
Страна
Россия
Ну и под конец опуса о тов. STTL)) Вспоминаю фразу из фильма "Правдивая ложь", правда там говорили о женщинах - жить с ними нельзя, а пристрелить жалко)))
В нашей жизни всегда есть кто-то, кто нас сильно раздражает,и такое не только у вас.
Но вообще, это "болезнь детских штанишек", и когда кто-то, или что-то непроизвольно/непреднамеренно зеркалит наши внутренние проблемы,то мы нюхаем наше же внутреннее дерьмецо, и нам это конечно же не нравится.
Ай, не выдаст. Сравни петарду с королёвской "семёркой". Усложнение - магистральный путь, примитивизация - дорога в пещеры.
Люди,это всего лишь часть окружающего нас мира.
Нельзя опираться на людей в собственном саморазвитии
Ну хотят они в пещеры,пусть идут, а я пойду куда мне нужно.
Точнее, деморализация личного состава достигла такого накала, что брать будут любой усь. Главное - собрать его, ударить по шарам блеском китайских плат, а по мозгам - НЛП на основе звучания. Всегда есть ненулевое количество дегенератов, любящих какое-то характерное звучание настолько, чтобы отвалить денег за КИТ, даже не слыша самого усилителя, чисто по описанию звука.
Да, чем дольше живешь,тем смешнее люди видятся. Ну и что?...просто принять это, интегрировать во внутреннюю парадигму и двигать дальше
Десятки людей десятки лет не могут собрать нихера, кроме ламповых однотактов для компьютера, и печаль сия велика есть.
Решать свои проблемы через других людей?...я это уже проходил, но ничего для себя там не нашел. Свернул на другую дорогу
есть ограничения по сложности схемы, как личные, так и корпоративные.
Вот именно!
Сложно - хорошо, но трудно.
Надо думать, как сделать сложное более доступным и лёгким для понимания и действия
Опять же, это хорошо даже для самого себя,кмк.
 
Регистрация
3 Мар 2023
Сообщения
1,045
Реакции
358
Репутация
31
Страна
Россия
Город
Ярославль
Имя
Олег
хорошо что согласны с тем что слушать надо все в сборе. Вот все в сборе и надо тестировать!
Если совсем в сборе, то АС тоже в комплект входит, а у неё групповое время задержки - десятки миллисекунд. Почему в модель не включаете? Я уже говорил, повторюсь. Применительно к усилителю с ООС ГВЗ имеет физический смысл только ВНУТРИ контура ООС. За пределами этого контура и в усилителях без ООС ГВЗ лишено всякого смысла, если оно не зависит от частоты, или разница по диапазону не превышает нескольких миллисекунд.
 

Petr-51

2 ранг
Регистрация
29 Дек 2023
Сообщения
625
Реакции
-66
Репутация
11
Страна
Беларусь
Город
Могилев
Имя
Александр
Предупреждений
1
Правильно: если складывать меандры, меандр и выйдет.
грамотей, если складывать (на самом деле вычитать сигнал ОС из входного в сумматоре) то выйдет короткий импульс длительностью равной задержке и с амплитудой равной амплитуде меандра от пика до пика.
При сложении треугольных сигналов в сумматоре получается меандр, амплитуда которого зависит от задержки между сигналами.
И только при сложении синусоидальных сигналов получается синус в установившемся режиме. На первом периоде в начале неизбежно возникает отклонение от синуса.
В реальности из-за завала фронтов в тесте SWDT меандром получаются остроконечные импульсы длительность и амплитуда которых зависит от задержки прохождения сигнала. Добиваясь минимизации амплитуды и длительности этих импульсов можно существенно улучшить качество звучания.
 

Вложения

  • SWDT_square.png
    SWDT_square.png
    17.4 KB · Просмотры: 61
  • SWDT_triangle.png
    SWDT_triangle.png
    21 KB · Просмотры: 56
  • SWDT_sine.png
    SWDT_sine.png
    23.9 KB · Просмотры: 53
Последнее редактирование:

Статистика форума

Темы
3,095
Сообщения
236,056
Пользователи
2,387
Новый пользователь
Тула
Сверху Снизу