Транзисторные винил-корректоры

ВАР

2 ранг
Регистрация
5 Май 2023
Сообщения
387
Реакции
240
Репутация
17
Страна
Украина
Город
Киев
И даже может приклеиться к конверту. Не стоит повторять, вредный совет. Температура плавления около 50 градусов.
Не то чтобы вредный, скорей бесполезный. Когда-то пробовал летом, на балконе. Там на солнце до обеда градусов 50 и было. Стекло, пластинка, сверху ещё стекло и груз. Вечерком проверил - никаких изменений...
 
Регистрация
17 Июл 2022
Сообщения
3,250
Реакции
682
Репутация
59
Страна
Россия
Город
Санкт-Петербург
Предупреждений
1
На авито продаётся такое устройство:
1.a3GYPbaN05iuikWVwjgHGOyfhf4fr6b_Gvqhq0it8q5MrKH4Hvik_0um96oZq6H-F_r1mg.uLHEewGh72zH-1MYZwLfqJwecBKxUusMl30uKJH-TWA


Продавец говорит, что "схема популярная".
Я это встречаю впервые...
 

М.Васильев

1 ранг
Регистрация
25 Янв 2022
Сообщения
2,297
Реакции
698
Репутация
54
Возраст
68
Страна
Россия
Город
Пестово
Имя
Максим
Регистрация
17 Июл 2022
Сообщения
3,250
Реакции
682
Репутация
59
Страна
Россия
Город
Санкт-Петербург
Предупреждений
1
Интересно, каково смещение нуля на выходе.
 

Leonid.

3 ранг
Регистрация
15 Авг 2022
Сообщения
262
Реакции
110
Репутация
18
Страна
Россия
Город
Саратов
Имя
Leonid.
Я это встречаю впервые...
Странно, что не встречали, это одна из классических схем. У нас ее производят и продают практически в промышленных масштабах._da Многие из классических схем описаны в этой книге.
 

Вложения

  • Sukhov_Bat_Kolosov_Chupakov_Tekhnika_vysokokachestvennogo_zvukovosproizvedenia_1985.djvu
    1.8 MB · Просмотры: 237
Регистрация
17 Июл 2022
Сообщения
3,250
Реакции
682
Репутация
59
Страна
Россия
Город
Санкт-Петербург
Предупреждений
1
Спасибо!
Я даже про существование такой книги не знал!
 

Vik

2 ранг
Регистрация
21 Авг 2020
Сообщения
751
Реакции
427
Репутация
36
Имя
Виктор
каково смещение нуля на выходе.
На выходе конденсатор.

Продавец говорит, что "схема популярная".
Я это встречаю впервые...
Да ну, неправда. Много ламповых с пассивной коррекцией сделано по такому принципу. А вот, например, от А.Б. -

1713724315222.png
 
Регистрация
12 Ноя 2019
Сообщения
28,310
Реакции
13,622
Репутация
395
На выходе конденсатор.


Да ну, неправда. Много ламповых с пассивной коррекцией сделано по такому принципу. А вот, например, от А.Б. -

Посмотреть вложение 94650
Как не помнить . И по традиции, задорные хомячки кинулись улучшать эту донельзя простую схему. Их смутили стабилитроны в питании микросхемы. Что такое стабилитроны ребята понимали слабо, поэтому вкрячили туда по плюсу и по минусу питания знакомые 15-вольтовые полутора-амперные КРЕНки. На вопрос зачем, сказали - а чтобы мощнее было .
 
Регистрация
17 Июл 2022
Сообщения
3,250
Реакции
682
Репутация
59
Страна
Россия
Город
Санкт-Петербург
Предупреждений
1
Да ну, неправда.
Я не про топологию, я - про конкретную схему. В журнале "Радио" такой точно не было.
Авитовский продавец говорил, что популярная, я, грешным делом, подумал, что он про Сухова-Байло, а там - вон оно что!...

Быстро прочёл книжку, нашёл там эту схему. Питание самоделки занижено в два раза. И уровень шума обещан подозрительно низкий.
 

СМЕРШ

2 ранг
Регистрация
30 Янв 2024
Сообщения
1,514
Реакции
1,440
Репутация
56
Страна
Poland
Город
Stargard
Предупреждений
13
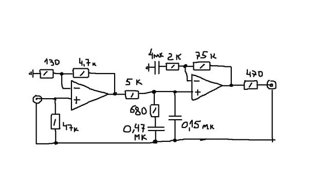
1713724315222-png.94650

Чем херова эта схема? Точнее, чем плох принцип её построения?
Там всё слишком просто: КуООС входного ОУ или усилителя по любому схемотипу - 31 дБ.
И всё. И гаплык. И торба, если кто понимает.
Почему?
Потому, что редкий ОУ, монолитный или дискретный, имеет свыше 60 дБ Кухх на 20 кГц. 60 дБ минус 31 дБ на КуООС - и на петлю ООС остаются нищебродские 29 дБ. Или, пусть, 50 дБ в случае бешенного ОУ с Кухх 80 дБ на 20к.
Этого просто катастрофически мало. Катастрофически. 50 дБ - это не глубина ООС, а пенсионное вспомоществование.
Потому, что такой УК должен работать с большими входными напряжениями. А для линейной работы с соответствующими выходными сигналами надо иметь побольше петлевого.

Для получения максимально возможного петлевого усиления самый оптимальный схемотип - гибрид полевого входного дифкаскада с ОУ.
Типа такого:

file.php


Тут полевики обеспечивают повышение отношения С/Ш относительно БТ-входного каскада, а ОУ - усиление по напряжению и линейность выходного каскада. Итог - 85 дБ на самых критичных для звука частотах конца звукового диапазона, чьи разностные биения, согласно гнусным законам электроники, падают ровно в диапазон максимальной чувствительности слуха.

file.php

Плохо то, что не сняты данные по интермодам 19+20 кГц. Но и так понятно, что мы имеем дело с очень хорошим УК.

УК по сходной схеме на иерархической модели ОУ К157УД2 - максимально точно соответствующей железно-кремниевому оригиналу - обеспечивает вот такой спектр искажений при входном сигнале 19+20 кГц напряжением по 50 мВ ампл каждый:

1714060760999.png


Понятно, что при С/Ш 70...80 дБ искажения лежат под шумами на глубине 40...50 дБ, и услышаны быть не могут.

Как достигнуты такие параметры?

1714061873386.png

82 дБ глубины ООС на 20 кГц и 90 - на 1 кГц.

Каскад на втором ОУ рассматриваемой схемы также не может быть избыточно линейным с КуООС 32 дБ, причины этого изложены выше.

Итак, выводы:
1. Набор петлевого усиления важен для получения высокой линейности УК. Входной усилитель
а) на ОУ - с низким Кухх на 20 кГц
и
б) без частотно-зависимой ООС
набрать петлевого в транзисторной схемотехнике (ОУ относится именно к ней) на частотах 20 кГц не позволит никак. А плоды интермодуляции на ВЧ вы слышите на СЧ, см. графики ИМИ.
2. Анализируемый схемотип не обеспечивает высокой линейности и в выходном каскаде.
3. То есть, к применению он не годен.

Не говоря уже про лампадники.
 
Последнее редактирование:

Святослав_

1 ранг
Регистрация
10 Июн 2021
Сообщения
7,385
Реакции
3,809
Репутация
167
Страна
Україна
Город
Бердянськ
Предупреждений
1
1713724315222-png.94650

Чем херова эта схема?
Херова тем, что на входе первого ОУ запросто может быть 0,6 В сигнала высокой частоты, и даже больше. А питание у нее всего + - 15 В. Влетит в клип со скрежетом.
Много ли известно малошумящих ОУ с питаловом плюс-минус сто вольт?
Отож бо...
Выводы - в такого типа схеме валить ВЧ нужно на первом ОУ. Тогда на его быстродействие можно ложить большой и толстый болт.
 
Последнее редактирование:
Регистрация
17 Июл 2022
Сообщения
3,250
Реакции
682
Репутация
59
Страна
Россия
Город
Санкт-Петербург
Предупреждений
1
Эх...
Надо найти дискету со схемой RIAA-корректора, которую мне С.Агеев посоветовал. Там тоже внешний дифф-каскад перед ОУ, который охвачен ООС и цепью 3180µs, после чего - пассивная цепь 75µs и выходной буффер.
Я даже печатную плату сделал, спаял, но послушать не успел, так как не стало у меня ЭПУ...
:(
 
Регистрация
12 Ноя 2019
Сообщения
28,310
Реакции
13,622
Репутация
395
Лучше до первого ОУ, прям на голове.
Прям на голове можно, но сигнал-шум хужеет. Хотя в студийных магнитофонах делали всю коррекцию на повышающих входных трансах и как бы порядок.
ну и там всякие адепты чистой нагрузки на подвижку бошек не допускают мысли про лишнюю обвеску катушки , аура морщится.
 
Регистрация
3 Июл 2023
Сообщения
140
Реакции
59
Репутация
11
Страна
Украина
Город
Киев
Предупреждений
1
Значит так. Максимум АЧХ с любой ММ бошкой, минимум шумов и нелинейных искажений при максимуме перегрузочной способности гарантирует исключительно такая конфигурация фонокора:

1) вход не 47 ком/250 пик, а 150 кОм/25 пик с пассивной охлаждёнкой
2) первый каскад усиления - дифференциальный на полевиках JFE2140, второй тоже дифференциальный, но уже на биполярах
3) третий и он же выходной каскад - трансадмиттансный в кл. А с нагрузкой на Т-образную цепь полной RIAA-коррекции посредством общей ООС во входной каскад, с апериодической на ВЧ и антирокотом 7950 мкс на ифразвуке
4) никаких межблочных шнурков и никаких электролитов

Есть возражения - вэлкам ваше мнение, но с обязательными пруфлинками.

КИТ вот тут https://imrad.com.ua/ua/fonokorekto...vok-zvukoznimacha-z-ruhomim-magnitom-mm-50452

Профессионально-инженерное описание с герберами тут https://www.patreon.com/posts/skhema-gerbery-i-86997687
там же мои практически онлайн ответы на любые вопросы

Прослушка тут https://youtu.be/maCSMOMVF_E&t=52

Измерилово тут https://youtu.be/UcyYvhkvKro

Удачи!
 
Последнее редактирование:

Святослав_

1 ранг
Регистрация
10 Июн 2021
Сообщения
7,385
Реакции
3,809
Репутация
167
Страна
Україна
Город
Бердянськ
Предупреждений
1
Самое важное мимо - какое питание?
А так это стандартная схемотехника дискретного операционника, охваченного глубокой ооос.
Известная с 80-х годов. Со своими минусами и плюсами.
 

Алексей1

2 ранг
Регистрация
20 Дек 2022
Сообщения
964
Реакции
713
Репутация
40
Предупреждений
12
Регистрация
3 Июл 2023
Сообщения
140
Реакции
59
Репутация
11
Страна
Украина
Город
Киев
Предупреждений
1
Самое важное мимо - какое питание?
А так это стандартная схемотехника дискретного операционника, охваченного глубокой ооос.
Известная с 80-х годов. Со своими минусами и плюсами.
а) питание монопенисуально ввиду первого и второго дифкаскадов. Про PSRR дифкаскадов слышали? И это еще до охвата общей ООС.
б) назовите хоть один операционник с трансадмиттансным выходом. слабо?
в) назовите хоть один фонокор 80х годов с охлаждёнкой, и до 2023 года - с пассивной. слабо?
г) назовите хоть один фонокор с Т-образной общей ООС. слабо?
 
Последнее редактирование:

NEULO

1 ранг
Регистрация
14 Июл 2019
Сообщения
3,811
Реакции
1,937
Репутация
93
Возраст
52
Страна
Россия
Город
Одинцово
Предупреждений
4

Святослав_

1 ранг
Регистрация
10 Июн 2021
Сообщения
7,385
Реакции
3,809
Репутация
167
Страна
Україна
Город
Бердянськ
Предупреждений
1
вообще значит? Похоже на бредятину какую то.
Не бредятина, а изюминка, которой ни у кого нет. Без нее, без изюминики, непременно мудрословесной, - как побудить интерес к схеме?
Но вот так ли она там нужна, и в чем особое преимущество, вопрос так и останется без ответа.
Погружать входной каскад в жидкий гелий, или в сухой лед, то еще решение.
 
Последнее редактирование:
Регистрация
3 Июл 2023
Сообщения
140
Реакции
59
Репутация
11
Страна
Украина
Город
Киев
Предупреждений
1

Тыб хоть растолковал что это
вообще значит? Похоже на бредятину какую то.
Дожил до пенсии, а прописные викиазы так не изучил, - стыдоба.


Transadmittance (or transfer admittance) is the AC equivalent of transconductance.

U=IxR хоть не надо объяснять? - а это между прочим из той же оперы.
 

jpatay

2 ранг
Регистрация
7 Янв 2024
Сообщения
464
Реакции
412
Репутация
21
Страна
Україна
Город
Нововолинськ

Вложения

  • корр.png
    корр.png
    25.3 KB · Просмотры: 93

Святослав_

1 ранг
Регистрация
10 Июн 2021
Сообщения
7,385
Реакции
3,809
Репутация
167
Страна
Україна
Город
Бердянськ
Предупреждений
1
Еще надо разжевать, чем лучше Т-образная ооос Г-образной, П-образной, и Х-образной.
Некоторые предпочитают трансфлюкальный выходной каскад, в классе ААВ.
Но не спрашивайте, что это значит. Буду нем, как карась на дне зимнего пруда.
 
Последнее редактирование:
Регистрация
3 Июл 2023
Сообщения
140
Реакции
59
Репутация
11
Страна
Украина
Город
Киев
Предупреждений
1
Не бредятина, а изюминка, которой ни у кого нет. Без нее, без изюминики, - как побудить интерес к схеме?
Но вот так ли она там нужна, и в чем особое преимущество, вопрос так и останется без ответа.
Погружать входной каскад в жидкий гелий, или в сухой лед, то еще решение.
a) по трансадмиттансному каскаду = благодаря нему петлевое практически постоянно от 2 Гц до 50 кГц несмотря на изменение глубины АЧХ на 40 дБ [ https://photos.app.goo.gl/1gm7XnQ9CBTiwDEZA ]. Что это значит для клира и для перегрузочной способности, тоже рассказывать, или дошло?
б) про охлаждёнку тоже рассказывать или всёже ктото знает труды Марселя ван де Жевеля? [ https://www.patreon.com/posts/deistvie-v-uv-68555442 ] Стыдно не знать такое через 20 лет после появления в аудиотехнике, что охлажденка никакого отношения ни к гелию, ни ко льду не имеет.

Дорогая изюминка получается, почти 4000 грн.
У нас говорят "дешева рибка = погана юшка", чтоб понять смысл перевода, ознакомьтесь с вот этим [ https://www.patreon.com/posts/analiticheskii-73044002 ] . 15 килобаксов за такое же, и даже хуже, звучание отдать - жаба не задавит?
 

NEULO

1 ранг
Регистрация
14 Июл 2019
Сообщения
3,811
Реакции
1,937
Репутация
93
Возраст
52
Страна
Россия
Город
Одинцово
Предупреждений
4
Дожил до пенсии, а прописные викиазы так не изучил, - стыдоба.


Transadmittance (or transfer admittance) is the AC equivalent of transconductance.

U=IxR хоть не надо объяснять? - а это между прочим из той же оперы.
До пенсии мне ещё как до китая.
Ну и во вторых какой смысл в этих красивых терминах? Чтоб никто нихрена не понял?
Что там у нас? Преобразование входного напряжения в выходной ток происходит?
Вообще я не видел вашенской схемы и не горю по правде. После рассказа про 400 вольт исправляющего сигнала в усилителе с глубиной оос 100дБ- чёт побаиваюсь уже. _da Оно как шарахнет!!!
 

Святослав_

1 ранг
Регистрация
10 Июн 2021
Сообщения
7,385
Реакции
3,809
Репутация
167
Страна
Україна
Город
Бердянськ
Предупреждений
1
Дык были схемы УК в 80-х, с почти постоянной глубиной ооос в звуковом диапазоне.

Ну так объясните нам, сирым колхозникам, что такое "охлажденка" без холода.
Все можно объяснить просто, если действительно есть желание объяснить.
Если цель спрятаться за олимпийской ученостью, то тогда да - идет отсылка на полное собрание томов Маркиза дон-Куршавеля, или запутанная статья пресыщенная терминологией, часто надуманной. Как и произошло с этими трансадмитансами-транскапитансами. Оказалось все просто.
Заумномудрословие = недосягаемая ученость. А нередко просто видимость ее.
 
Последнее редактирование:
Регистрация
3 Июл 2023
Сообщения
140
Реакции
59
Репутация
11
Страна
Украина
Город
Киев
Предупреждений
1
Еще надо разжевать, чем лучше Т-образная ооос Г-образной, П-образной, и Х-образной.
Некоторые предпочитают трансфлюкальный выходной каскад, в классе ААВ.
Но не спрашивайте, что это значит. Буду нем, как карась на дне зимнего пруда.
Тем, что в одной цепи совмещены все тау от 75 через 318, 3180 и 7950 мкс. Т.е. на надо городить туеву хучу каскадов, чтоб между ними рассовывать каждую тау и потом объявлять, что только пассивная коррекция лучшая в мире, потому что на иную фантазий не хватило.
ЗЫ. если действительно умный, то приведи аналогичную по простоте, функциональности и точности схему RIAA коррекции.
 

Святослав_

1 ранг
Регистрация
10 Июн 2021
Сообщения
7,385
Реакции
3,809
Репутация
167
Страна
Україна
Город
Бердянськ
Предупреждений
1
Вам не трудно привести эту схему ЗДЕСЬ? (На сообщение 1081.)
 

Статистика форума

Темы
3,094
Сообщения
235,966
Пользователи
2,387
Новый пользователь
Тула
Сверху Снизу