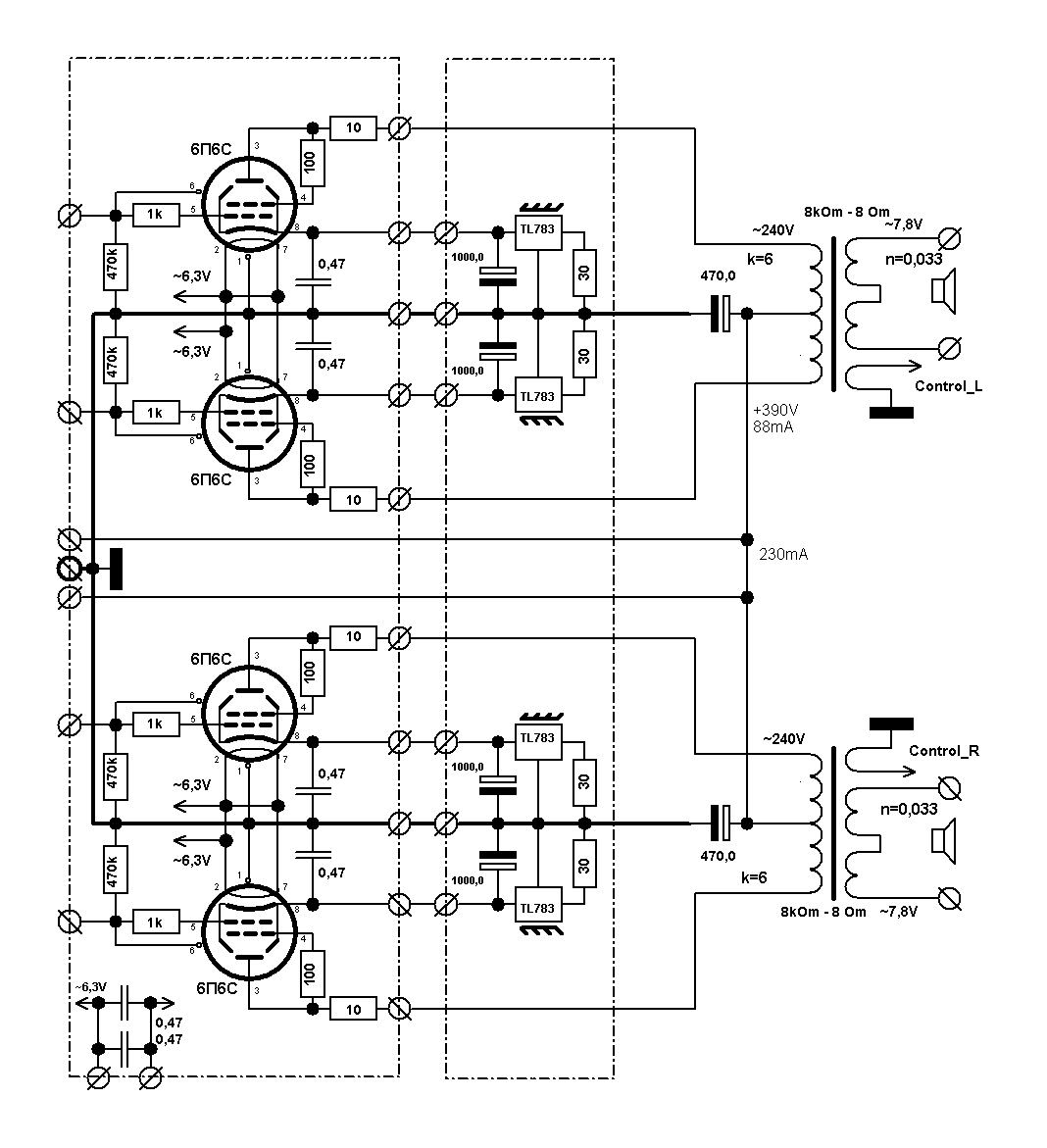
Усилитель по мотивам Симфонии 003

Уже по буквам. Накальная обмотка 6, 3 в. Одним концом прибита к земле. На ней сидят 4 накала выходных и два накала предвыходных. (Эт если стерео, у вас ваще моно и всех накалов три)
Висящий в воздухе вывод накальной вторички через диод заводим на сидящую в земле банку от 22 до 100мкф. Получаем там наши минус 8-9 вольт. Это понятно или повторить?
Спасибо, понятно. Примерно также и думал про всё это хозяйство, просто отдельные реплики типа, "У меня ДВЕ накальные обмотки. У вас ОДНА" вводили в некоторое сомнение, вдруг у вас какая то еще задумка спрятана _hm_
И повторю вопрос: анодное у мене порядка 270в, надо ли подкинуть вольт 20-30 для фен-шуя, свободная мелкая обмотка есть на трансе?
ПС: я не писал что у меня моно, все как положено, 2 канала _da, все поет и играет, только вот надо осцилом все проверить, пока засада с имеющимся оборудованием, заказал китайский девайс, осцил/гена в одной коробке, посмотрим что из этого выйдет :giggle:
 
Последнее редактирование:
Спасибо, понятно. Примерно также и думал про всё это хозяйство, просто отдельные реплики типа, "У меня ДВЕ накальные обмотки. У вас ОДНА" вводили в некоторое сомнение, вдруг у вас какая то еще задумка спрятана _hm_
И повторю вопрос: анодное у мене порядка 270в, надо ли подкинуть вольт 20-30 для фен-шуя, свободная мелкая обмотка есть на трансе?
300 ВОЛЬТ анодного приятнее для выходной мощности, которой мало не бывает. Но нужно глянуть ток анода. При минус 8 вольт он может уехать за ворота рамок положенного , 48-50 ма. На аноде 14 ватт тепловых у нас. Превышать не желательно.
Диод Шоттки в помощь, с ним будет ровно 9 вольт , ток не прыгнет.
Разрядник к банке не забыть, иначе при пуске зарядится сдуру до минус 15 и будет висеть, запирая лампы .
 
300 ВОЛЬТ анодного приятнее для выходной мощности, которой мало не бывает. Но нужно глянуть ток анода. При минус 8 вольт он может уехать за ворота рамок положенного , 48-50 ма. На аноде 14 ватт тепловых у нас. Превышать не желательно.
Диод Шоттки в помощь, с ним будет ровно 9 вольт , ток не прыгнет.
Разрядник к банке не забыть, иначе при пуске зарядится сдуру до минус 15 и будет висеть, запирая лампы .
Пока по старой схеме, в катодах 270 ом, напряжение на этих резюках 8,5-9 вольт в зависимости от напряжения сети, получается 31-33 мА, маловато будет, значит анодное надо приподнять?
 
Пока по старой схеме, в катодах 270 ом, напряжение на этих резюках 8,5-9 вольт в зависимости от напряжения сети, получается 31-33 мА, маловато будет, значит анодное надо приподнять?
поднимайте. Я на будущее дам туда 350 в. А смещение сделаю по Вильямсону, автоматическое, с возможностью накрутки режима пары ламп без особого подбора пары.
 
поднимайте. Я на будущее дам туда 350 в. А смещение сделаю по Вильямсону, автоматическое, с возможностью накрутки режима пары ламп без особого подбора пары.
по Вильямсону ФИ вроде как другой? Ну и какой соответственно профит от такого решения, не нужны лампы близнецы?
 
по Вильямсону ФИ вроде как другой? Ну и какой соответственно профит от такого решения, не нужны лампы близнецы?
По Хуану и сомбреро, по Вильямсону и смещение. Автоматическое.
Пошуршите в сети статью Никиты Трошкина Триод из подручных материалов. Оно там все.

Вуаля. Схема Д. https://www.radiolamps.ru/articles/theory/theory_4.html
 
Последнее редактирование:
Это типо так? Не понял про диод,банку и разрядник куды?
Это конечно не моё дело, но мне кажется, что вы кидаетесь из крайности в крайность. То трансформаторы "не той системы" (С) то выложили осциллограммы ужасные, после чего решили перейти с авто смещения на фиксу теперь вот решили сменить приборы. Место того чтобы довести одно дело до конца а затем переходить к следующему.
старый совковый простецкий ОМЛ-3М
Этот осциллограф конечно не профи ну его вполне хватит для измерений, тем более это аналоговый аппарат, а вот дешевые цифровые часто искажают показания как и генераторы. Вот фото как показывает выбранный вами аппарат синус 50Гц сети. Искажения на лицо.

1730278001493.png




















А надо было всего то сделать примитивный ГПИ на логике и довести до ума макет. Затем можно было попробовать и фиксу. А вообще судя по вашим постам вам неплохо было бы подтянуть теорию. А.Б. более трех раз вам объяснял как организовать фиксированное смещение. А это извините типовое решение, а не сверх заумное. Не хотелось вам писать нравоучения ну так уж вышло. Двигаться надо от простого к сложному.
 
но мне кажется, что вы кидаетесь из крайности в крайность. То трансформаторы "не той системы" (С) то выложили осциллограммы ужасные, после чего решили перейти с авто смещения на фиксу теперь вот решили сменить приборы. Место того чтобы довести одно дело до конца а затем переходить к следующему.
Не куда я не кидаюсь, почему вы решили что я задаю какие то вопросы не выключая паяльника _hm_ . Собираю интересующую меня информацию, так сказать из первых уст знающих людей._da
Если уважаемый АБ фонтанирует идеями то это не значит что я тут же берусь все переделывать, опять же в копилку, а возникающие вопросы задаю для уточнения или если не допонял, форум то для чего!
ПС Я же по образованию не технарь а врач, и на жизненном счетчике ужо 6:0, где то не всегда схватываю, так "шта" не обессудьте :confused:
а вот дешевые цифровые часто искажают показания как и генераторы.
А не попробуешь как узнаешь? Потестю девайс, если не покатит верну назад!
 
Последнее редактирование:
Не куда я не кидаюсь, почему вы решили что я задаю какие то вопросы не выключая паяльника _hm_ . Собираю интересующую меня информацию, так сказать из первых уст знающих людей._da
Если уважаемый АБ фонтанирует идеями то это не значит что я тут же берусь все переделывать, опять же в копилку, а возникающие вопросы задаю для уточнения или если не допонял, форум то для чего!
ПС Я же по образованию не технарь а врач, и на жизненном счетчике ужо 6:0, где то не всегда схватываю, так "шта" не обессудьте :confused:

А не попробуешь как узнаешь? Потестю девайс, если не покатит верну назад!
Collega bonus , раз такое дело, диплом с рюмкой и змеей, что по-нашенски хитер как змей и выпить не дурак, то обязаны фонтанировать идеями. Их я уже за это утро нафонтанировал штуки три, одна хоть бери повторяй, но я пошел дальше и сделаю индикацию токов каждого катода на светодиоликах с крутилкой, чтобы поровну светились .Делал и на двухцветном диоде, красный\зеленый, но там ворота молчания широкие.
Сейчас сделаю не по Вильямсону, а по АБеевски. Делов на два тыка паялом.
 
Вот фото как показывает выбранный вами аппарат синус 50Гц сети. Искажения на лицо.
Вот как раз правильно показывает "синус сети" - такая сеть сейчас и есть, подрезанная импульсными источниками питания без корректоров мощности. Кстати, полоса осциллоскопа кажется зарезанной - на самом деле переход к/от уплощенным вершинам более ступенчатый и иголок хватает.
 
Вот как раз правильно показывает "синус сети" - такая сеть сейчас и есть, подрезанная импульсными источниками питания без корректоров мощности. Кстати, полоса осциллоскопа кажется зарезанной - на самом деле переход к/от уплощенным вершинам более ступенчатый и иголок хватает.
Да, синусоида слишком вежливая, без лохматости.

Начав с автосмещения по Вильямсону,пришел в итоге к такому варианту,в котором можно оценить и накрутить ток в каждом плече РР на 6п14п ,50 ма в норме.
 

Вложения

  • IMG_20241030_160017_1.jpg
    IMG_20241030_160017_1.jpg
    258.1 KB · Просмотры: 127
Да, синусоида слишком вежливая, без лохматости.

Начав с автосмещения по Вильямсону,пришел в итоге к такому варианту,в котором можно оценить и накрутить ток в каждом плече РР на 6п14п ,50 ма в норме.
О как, топерь и со светомузыкой. И смещение с накальной обмотки не нужно? Придется походу переводить оба канала на печатки, чтобы было место и так и так сделать.
И до этого думал переделать навесной монтаж (крайне не удобно даже режимы смотреть, один раз коротнул че то там по неосторожности, благо обошлось, на плате тыкать щупом безопаснее и вверх тормашками не надо каждый раз переворачивать)
А переменный резик надо мошный, проволочный?
 
Повторяю надо подтянуть теорию!
Давайте подтягивайте, где в какой теории написано какой в данной схеме тут должен быть резистор, тыкнете где, буду подтягивать!
Не проще подсказать в паре слов? Проще послать как школяра учить уроки! Может хватить придираться к каждому моему вопросу!
 
О как, топерь и со светомузыкой. И смещение с накальной обмотки не нужно? Придется походу переводить оба канала на печатки, чтобы было место и так и так сделать.
И до этого думал переделать навесной монтаж (крайне не удобно даже режимы смотреть, один раз коротнул че то там по неосторожности, благо обошлось, на плате тыкать щупом безопаснее и вверх тормашками не надо каждый раз переворачивать)
А переменный резик надо мошный, проволочный?
Я взял проволочный, 150 Ом, но можно ставить что есть, там 5 вольт по концам с током по 50 ма в каждую половину, мизер.
Такая схема сложная нужна чтобы по дурочке не лишить лампу смещения, крутанув переменник в ноль. По сути, у нас два резистора по 270 Ом , сидящие в земле, имеющие возможность немного менять свое сопротивление в обе стороны.

Вот! Для удобства контроля тока катодов мы все нижние резисторы берем по 100 Ом, то есть, переменник 200 ом и к нему сбоку два по 100ом. На 100 омах смотрим ток покоя, он в норме 50 мА, значит, по 5 вольт падает на обоих резисторах.
Токи через диоды подобраны резисторами 82 ома так, чтобы свечение было среднее. Ток падает вдвое, диод не светится. Ток растет- диод полыхает.
Прямоугольные диоды рассеянного света ставим впритык, разница в свечении лучше видна.

Сейчас перекину все по новому варианту, расскажу потом
 
Повторяю надо подтянуть теорию!
Характерные, между прочим, диалоги.
В уголке Моцарт с Вивальди чего то о своем, композиторском толкуют, а тут забеглый чувак выясняет у них где ля диез на пианине размещается. Вопрос в какой октаве вызывает ступор и недоумение. Посыл в музыкальную школу ещё и раздражение :)
 
Давайте подтягивайте,
Не обижайтесь! Вы взялись за построение усилителей, а плаваете в таких вопросах.
где в какой теории написано какой в данной схеме тут должен быть резистор
Это закон Ома. Слышали о таком?
Проще послать как школяра учить уроки!
Проще вас научить разбираться в элементарных вопросах. Чтобы вы делая каждый шаг не переспрашивали.

Может хватить придираться к каждому моему вопросу!
Больше не буду!
Напоследок урок "как определить мощность резистора"

1730302377808.png


Согласно вычислений выбираем потенциометр из стандартного ряда. Берем с четырех кратным запасом (мы же делаем для себя не китай голимый ;)) СП4-1 достойный претендент.
1730302630314.png
 
Вот! Для удобства контроля тока катодов мы все нижние резисторы берем по 100 Ом, то есть, переменник 200 ом и к нему сбоку два по 100ом. На 100 омах смотрим ток покоя, он в норме 50 мА, значит, по 5 вольт падает на обоих резисторах.
Токи через диоды подобраны резисторами 82 ома так, чтобы свечение было среднее. Ток падает вдвое, диод не светится. Ток растет- диод полыхает.
Прямоугольные диоды рассеянного света ставим впритык, разница в свечении лучше видна.
Схема смещения.JPG

Берем с четырех кратным запасом (мы же делаем для себя не китай голимый
Вот поэтому и спросил! С законом Ома давно знаком и практически каждый день применяю!
 
Последнее редактирование модератором:
котором можно оценить и накрутить ток в каждом плече РР на 6п14п ,50 ма в норме.
Прямоугольные диоды рассеянного света ставим впритык, разница в свечении лучше видна.

А чтобы было точно и не на глаз можно поставить компаратор с одним светодиодом и как только будет дисбаланс диод будет загораться или тухнуть зависит от реализации.
1730303793443.png
 
Могу выложить схему регулировки тока покоя в Дайнеко Стерео 160,но еще рановато.Есть попроще,свежак
Пара встречно включенных красных диодов в норме не светятся, когда на краях переменника ноль вольт , светятся от полутора вольт.перекоса Можно засечь положение регулятора между свечениями и выставить посредине, это ноль разницы в катодах.
Можно в катодах мерить. Все можно.
 

Вложения

  • IMG_20241030_190140.jpg
    IMG_20241030_190140.jpg
    250.4 KB · Просмотры: 116
Последнее редактирование:
1,5 вольта на 100 Ом это 15мА разницы. Многовато будет при токе 50 мА это 30%.
 
If it helps, this is the schematic for a professional HI-FI Iskra ~40W EK-2407 amplifier, it has a constant negative bias combined with a cathode trim pot (50R/4W) that adjusts the symmetry, and it works very stable.
 

Вложения

  • Iskra.EK2407.jpg
    Iskra.EK2407.jpg
    312.5 KB · Просмотры: 127
глянул на входе, меандр грязный, значит карта говно
Так и ДОЛЖНО БЫТЬ. Звуковые карты дают хорошие синусы, но в связи с ограничением по частоте, не могут давать хорошие меандры.
УВЕРЕН, что меня вы не послушаете, но советую сделать по-моему.
ГПИ (генератор прямоуголных импульсов) на одной КМОП мелкосхеме. Питание - "Крона" достаточно на две частоты, маленькая платка с регулятором уровня, несколько деталей, несколько раз про это писал, но...
Можно на простых "и,или,не" но лучше - Шоттки.
Советская 561ТЛ1 буржуйская на память 4093.
Удобно. Ток потребления почти ноль. Гарантия качества для звуковых целей.
Частоты примерно 100 или 200 Гц (ниже не надо) и 2 кГц, выше не надо.
 
If it helps, this is the schematic for a professional HI-FI Iskra ~40W EK-2407 amplifier, it has a constant negative bias combined with a cathode trim pot (50R/4W) that adjusts the symmetry, and it works very stable.
Благодарю вас за прекрасный совет, так и сделаю . В данный момент усилитель питается от +270 вольт, но в будущем анодное питание повысится до +350в, при этом сетки получат прежнее смещение минус 8 вольт, а катоды включу по схеме Искры , переменный резистор небольшого сопротивления, скомпенсировать повышенное анодное напряжение и увеличенный анодный ток.
Получить недостающее смещение примерно 1, 5 вольта при токе 45 ма можно на катодном резисторе примерно 30 -33 Ома, значит, весь резистор будет у нас 68 Ом. Отлично, емкости катодные не понадобятся!

1,5 вольта на 100 Ом это 15мА разницы. Многовато будет при токе 50 мА это 30%.
Разумеется, это макет, а не работающий усилитель. К тому же, пока приедет новый силовик взамен прежнего, и схема сложится проще и лучше.
Задумка сделать устройство регулировки токов покоя с индикацией, чтобы вдали другой человек смог сам поменять лампы и настроить в домашних условиях, а там есть только тестер.
 
Последнее редактирование:
Thank you for the excellent advice, I will do so. At the moment the amplifier is powered by +270 volts, but in the future the anode power will increase to +350v, while the grids will receive the previous offset of minus 8 volts, and the cathodes will be connected according to the Iskra scheme, a variable resistor of low resistance, to compensate for the increased anode voltage and increased anode current.
The missing offset of about 1.5 volts at a current of 45 mA can be obtained on a cathode resistor of about 30-33 Ohm, which means that the entire resistor will be 68 Ohm. Excellent, no need for cathode capacitors!
Alexander,
this message is in the context of the fact that you want to raise the anode voltage on these EL 84 (6P14P) tubes from 270 to 350V, what I would recommend you to try to make the anode voltage about 400V, while the g2 voltage should be half as much, ie about 200V, I have long time ago tried this type of connection and class AB1 operating mode, and it worked great, very stable and sounded fantastic, above all with some incredible dynamics in the sound, but I used 4 -EL34 tubes operating with an anode voltage of about 800V and g2 with half as much voltage, ie about 400V, giving about 180 Watts continuous output power, that blue light around the EL34 tubes is unforgettable and can only be achieved when working with such a high anode voltage, There is a factory recommendation for this mode, but for EL34 lamps the same as for the 6550 lamp, but not for the EL 84 lamp, but I'm sure that the EL 84 lamp will work great in this "400V/200V" mode, here are a couple of schematics of such a proposal of the amplifier output stage...
 

Вложения

  • 2xEL84.jpg
    2xEL84.jpg
    770.5 KB · Просмотры: 132
  • Imperator.jpg
    Imperator.jpg
    473.9 KB · Просмотры: 128
Alexander,
this message is in the context of the fact that you want to raise the anode voltage on these EL 84 (6P14P) tubes from 270 to 350V, what I would recommend you to try to make the anode voltage about 400V, while the g2 voltage should be half as much, ie about 200V, I have long time ago tried this type of connection and class AB1 operating mode, and it worked great, very stable and sounded fantastic, above all with some incredible dynamics in the sound, but I used 4 -EL34 tubes operating with an anode voltage of about 800V and g2 with half as much voltage, ie about 400V, giving about 180 Watts continuous output power, that blue light around the EL34 tubes is unforgettable and can only be achieved when working with such a high anode voltage, There is a factory recommendation for this mode, but for EL34 lamps the same as for the 6550 lamp, but not for the EL 84 lamp, but I'm sure that the EL 84 lamp will work great in this "400V/200V" mode, here are a couple of schematics of such a proposal of the amplifier output stage...
Благодарю вас за прекрасные решения , они мне очень помогают при выборе правильной схемы. Обязательно повторю и применю их при доработке усилителя . Ваш вариант анодного выпрямителя с двумя анодными напряжениями U и 2U мне хорошо знаком ,, я уже применял его в прежних конструкциях.

Добавлю, что вариант питания для EL84 400\250V я применял в однотактном усилителе , там сеточное смещение минус 9 вольт получалось выпрямлением накального напряжения, совет Олега Чернышёва.
 

Вложения

  • конец.gif
    конец.gif
    29.4 KB · Просмотры: 165
а что происходит с лампой если во время работы отрывается катод или сразу у двух ламп (это я про ползунок переменного резистора в катоде)
 

Статистика форума

Темы
3,296
Сообщения
262,323
Пользователи
2,543
Новый пользователь
vlad'mir
Назад
Сверху Снизу