Aleph
1 ранг
- Регистрация
- 31 Дек 2019
- Сообщения
- 3,208
- Реакции
- 3,029
- Баллы
- 129
- Возраст
- 40
- Страна
- ДНР
- Город
- Макеевка
- Имя
- Сергей
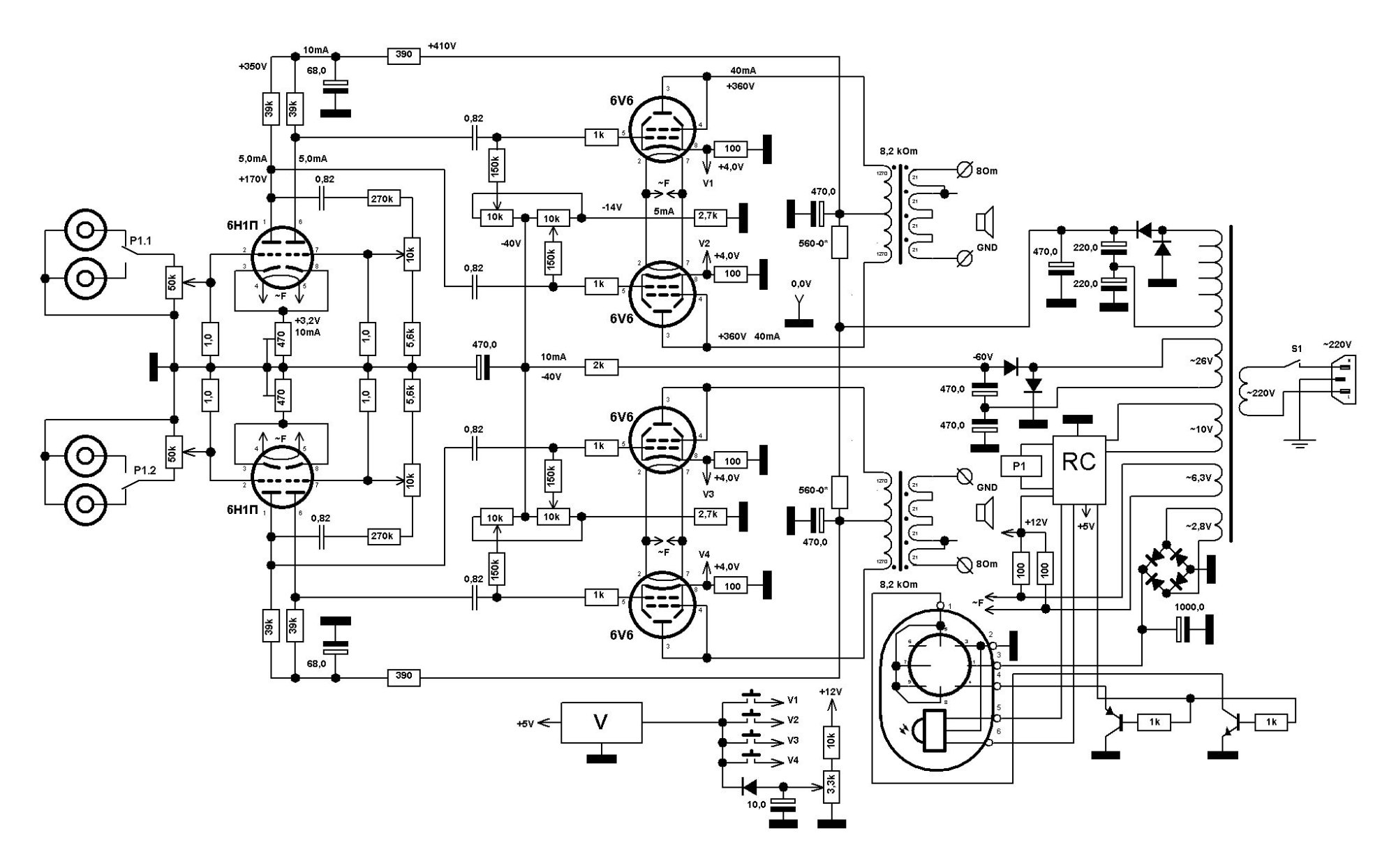
Я на этой остановился. В ФИ 6н1п и 6ж5п в ИТ. На выходе 6п1п под настроение УЛ, или пентод (и там и там КО 10%).Пробил сайт в поисках хорошей схемы на 6Н1П+6П1П ничего не нашлось ((
Пробовал в ФИ разделенную нагрузку - не зашло.












