Виктор Я
1 ранг
- Регистрация
- 26 Мар 2024
- Сообщения
- 1,426
- Реакции
- 610
- Баллы
- 44
- Страна
- Украина
- Город
- Николаев
Смотрите видео ниже, чтобы узнать, как установить наш сайт в качестве веб-приложения на домашнем экране.
Примечание: Эта возможность может быть недоступна в некоторых браузерах.
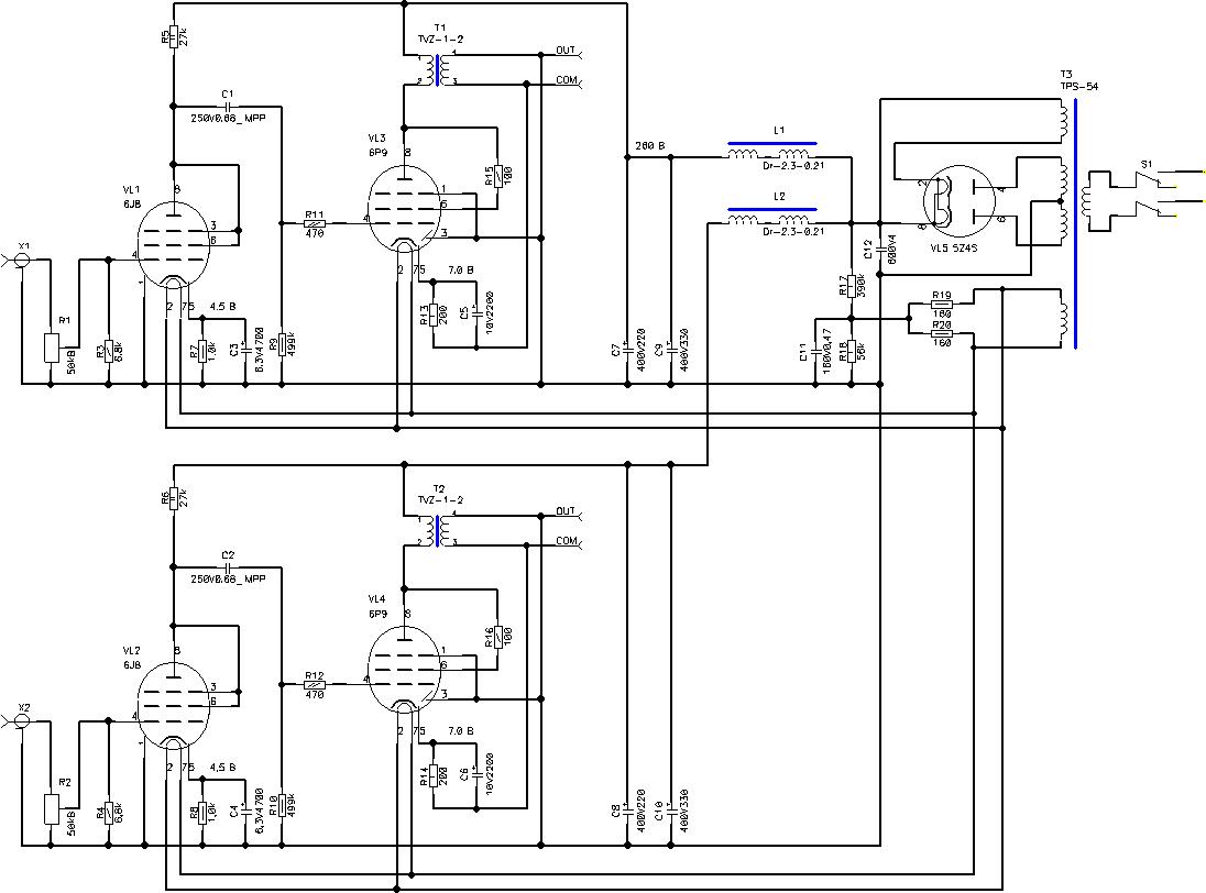
СогласенИмхо транс надо сильнее шунтировать,100кмного,резонансы транса могут вылезть
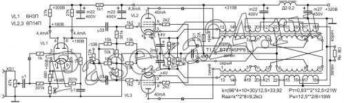
Радио 11 за 1958 год, Лабутин. Прекрасная основа для простого пушпула с волшебным звуком
Схемы эти знакомы, но КО отсутствуют, если тупо внедрить КО в эти схемы то что получится?вот схема. только КО то для пентода. для УЛ не делают. вернее можно, но смысла нету.
Здорово, и что больше нет ни каких предложений? Только эта:Еще одна не работающая схема.
А как же улучшение демпфирования, снижение выходного сопротивления?эта схема сплошной компромисс, что бы как то облагородить эти случайные трансформаторы.
а так пожалуйста - ставьте себе КО в УЛ и получите просто снижение мощности, а искажения не уйдут, а может еще и добавятся
Спорное утверждение.Еще одна не работающая схема.
Ku мінус 3 дБА що в ній не так, власне?
СимульнулАвтор схемы забыл добавить: Ребята, у меня к этому усилителю есть ламповый пред с выходом 10 вольт, поэтому с чувствительностью у схемы полный порядок.
Что касаемо схемы, то в ней впервые встречается забавное сочетание обмотки связи КО , она же выходная вторичка.


Там все 20 надо. При моих 10% КО я считал усиление надо не менее 35Автор схемы забыл добавить: Ребята, у меня к этому усилителю есть ламповый пред с выходом 10 вольт, поэтому с чувствительностью у схемы полный порядок.
Гм, вообще-то декабрь 2015-ого и я не первыйвпервые встречается забавное сочетание обмотки связи КО , она же выходная вторичка.
Подозреваю в схеме ошибка. На выходе лампа вроде ГУ-29, у неё катод общий. Невозможно с общим катодом в двухтакте подсоединить катодные обмотки. Из-за этого обидного факта я и не применил ГУ-29 (ГУ-32) в своём усилителе.
так как это намерить?Не соглашусь, КО реально линеаризует выходной каскад, но существенно прибавляет претензий к драйверу. Мне кажется "уши" как раз отсюда растут, учитывая обычную хилость "евойную")