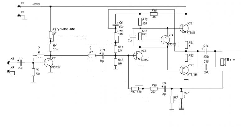
Усилитель Шушурина (50 Вт/8 Ом)

STTL

2 ранг
Регистрация
12 Дек 2022
Сообщения
927
Реакции
56
Репутация
16
Страна
Россия
Вот я хрен знает после 70дБ петлевого. Чем удобно 70-80дБ вообще?
Ну это как - "навести фокус"
Назад- вперёд - расфокусировка, а 50- 80 дБ - золотая середина, между качеством, надёжностью, сложностью,и прочим.
А вы и я - на разных полюсах этого.
Я хочу получить качество с минимально коротким трактом по напряжению, мне это просто интересно, а вам интересно навернуть усиления побольше, а потом все это скрутить в бараньий рог, запрячь в узду, и радоваться что это получилось.
И у меня спорт по- своему, и у вас тоже.
А если нужен звук, надо просто делать качественные среднеоосники, как у Шушурина. Это золотая середина.
Ваш "темный воин" тоже среднеосник.
Я считаю ООСники, даже не по внутрипетлевому, а по кол-ву каскадов усиления U.
Один каскад -мелкоосник, два - среднеоосник, три и выше - глубокоосник.
 

NEULO

1 ранг
Регистрация
14 Июл 2019
Сообщения
3,842
Реакции
1,959
Репутация
93
Возраст
52
Страна
Россия
Город
Одинцово
Предупреждений
4
Ну это как - "навести фокус"
Назад- вперёд - расфокусировка, а 50- 80 дБ - золотая середина, между качеством, надёжностью, сложностью,и прочим.
А вы и я - на разных полюсах этого.
Я хочу получить качество с минимально коротким трактом по напряжению, мне это просто интересно, а вам интересно навернуть усиления побольше, а потом все это скрутить в бараньий рог, запрячь в узду, и радоваться что это получилось.
И у меня спорт по- своему, и у вас тоже.
А если нужен звук, надо просто делать качественные среднеоосники, как у Шушурина. Это золотая середина.
Ваш "темный воин" тоже среднеосник.
Я считаю ООСники, даже не по внутрипетлевому, а по кол-ву каскадов усиления U.
Один каскад -мелкоосник, два - среднеоосник, три и выше - глубокоосник.
Откуда ты знаешь что мне интересно? Хаха. Я что , тебя в гости водил показать чем занят? Вроде нет. А занят я много чем.
Что касаемо качественных среднеосников шушурина. Ну, в задницу такую золотую середину. "Тёмный воин" и проще и качественнее. И что?
 

KSV

1 ранг
Регистрация
10 Июн 2020
Сообщения
7,000
Реакции
7,239
Репутация
257
Страна
Россия
Город
Москва
Имя
Сергей
KSV, отвечаю в разброд, и несколько сейчас времени хватит.
Это не важно.
Я в тырнете с планшета, соответственно мне идёт ''мобильный интерфейс''.
Нелогично - имея проблемы со зрением, гробить его остатки на телефончег который плохо приспособлен для чтения и рассматривания схем.
Комп с ХРюшей есть, но он без тырнета и я его вообще редко включаю.
У меня здесь и сейчас тоже ХР. Файлы можно качать на телефончег, а смотреть их на большом экране полноценного компьютера, интернет для этого ему не нужен. Объём книг, даже больших, смехотворен по сравнению с объемом видосиков. Переносит файлы со смартфона на нормальный компьютер можно как подключая его шнуром, так и через флэшки.
Ладно, как то приспособился, хотя злит, что на других форумах и сайтах ВСЁ работает, только на ЭТОМ - единственном, какие то проблемы.
А вы читали правила? Знаю что нет. Вижу что у вас появился 3-ий ранг пользователя и какие-то права, а раньше их не было, что вполне разумно.
Про эффект ''начальника'', я стараюсь не вытыкиваться и быть ''тихим''
И правильно делаете. В противном случае те самые "хорошие" люди на сайте жестоко высмеют вас и закидают гнилыми помидорами.
Здесь есть один человек профессионально занимающийся изготовлением и ремонтом динамиков, обладающий немалыми знаниями и навыками, но не умеющий себя корректно вести. Так ему достаётся так что не позавидуешь.
Про книги - вот мне ужО НАСОВЕТОВАЛИ, уже и скачал и полистал несколько.
ПОТЕРЯ ВРЕМЕНИ.
Вы не пишете какие книги вам насоветовали, авторов этих книг.
Буду удивлён если "мои" книги окажутся тоже потерей времени.
У меня есть два варианта - "для младших школьников" и "для студентов".
А я уже об этом писал, Вы это не восприняли....
Не понял о чём речь, постарайтесь писать с цитатами, примерно как делаю для Вашего удобства.
КОНКРЕТНЫЙ ПРИМЕР - вот тут мы разбираемся с ''симметрирующим конденсатором''. Так вот в книгах НИ СТРОЧКИ об нём нет.
Книги тоже разные. Советую не лезть в дебри и глубины, вы в них утоните.
Сейчас ваша задача собрать и настроить УНЧ Шушурина, вас же пытаются сбить на НЕистинный путь "в поисках идеального усилителя", и этот поиск будет вечным. Оно Вам надо?
Сюда же - вот многие схемные решения имеют имена собственные - Цобель, Баксандалл...
Имеют. Ну и что. Имена необязательны, их применяют для краткости.
Вот у ЭТОГО конденсатора я так и не определил его название. СЕКРЕТНЫЙ.
Вы даже своего имени назвать не можете, тоже секретное?
А предъявляете претензии к какому-то конденсатору.
Помните эпизод из "Золотого телёнка" где к Бендеру при автопробеге пристали с именем его машины? Как он ругался про Студебеккер?
Что в имени тебе моём (так говорил Заратустра конденсатор)?
А относительно всяких Бак-сандаллей, имечко понравилось?
Не скажу что это лучшее решение, но это большая отдельная тема.
В двух словах - он прост, но несовершенен.
Далее - про ''говорильню'' - ну чтож, надо воспринимать ее как неизбежный СОПУТСТВУЮЩИЙ эффект знания.... :)
Пока говорильня не заменила ДЕЛО. Она вторична.
Еще раз пишу - приступайте, собирайте блок питания, с предохранителями.
Почитайте про настройку. И до команды собирайте вообще БЕЗ выходных транзисторов и не подключая калонок. Сначала надо настроить так - это резко уменьшает вероятность спецэффектов и появление Старика Хоттабыча.
Степень обо мне - вообще то в меня ''встроен'' здоровый скепцицизм.
Я вообще-то говорил про скептицизм и самокритику своих решений, слов, поступков, критика в первую очередь себя. А многие любят критиковать других, считая себя непогрешимыми.
Такие люди обычно не отвечают на вопросы, им хоть _dadel
Поэтому я СЛЁТУ советы и не воспринимаю. Поэтому и ищу подтверждений.
А как вы определяете правильность-неправильность интересно знать.
для этого надо разбираться в предмете, иначе мозги вам засрут в 5 секунд.
Пока надо держаться рекомендаций автора т. е. Шушурина. Они проверены как редакцией журнала, так и временем.
К советам непризнанных гениев надо действительно относиться с большой осторожностью и не принимать их "улучшений".
Вот ПОСЛЕ того как сделаете авторский вариант и настроете его, можно осторожно попробовать советы гениев.
Сейчас модно брать что-то классическое или просто что-то очень удачное и делать по мотивам книги или старого фильма что-то инновационное.
Но почему-то всегда получается дрянь. Ну не получаются у ньюгениев ни свои фильмы, ни свои усилители, поэтому они берут что-то чужое и начинают заниматься его улучшательством в стиле я так вижу.
О чОм мы ещё не упомянули ?
Править то я не могу, поэтому уж что вспомнил и что написал, то и ''запечатлел''.
Возможно с 3 классом уже можно. Ну так прежде чем отправлять, прочитайте написанное и поправьте ошибки.
KSV, упустил об ''творческих планах''.
А вот СЕЙЧАС уже и не знаю, КОГДА, ЧЕГО И В КАКОЙ ОЧЕРЁДНОСТИ.
Для начала занялся перелелкой и восстановлением КУЧИ наушников.
Дело идёт, но медленно. Бывают неожиданные ляпы по звучанию....
Тема интересная и я тоже немного этим позанимался. Но руки у передельщика здесь сильно связаны, возможности по улучшению сильно ограничены. И, на мой взгляд, резко улучшить не получится, основа наушников - хорошие капсюли, а их ставят в достаточно дорогие наушники.
Все наушники за несколько тыс. руб. играют так себе. Стоимость нормальных начинается с пятизначной суммы, не меньше.
Помню, очень давно, купил ТДС-7 за 49 руб (не дёшево), в "Радио" писали что они лучше всякого иностранного. Но сходил в гости и впервые послушал действительно хорошие наушники купленные за Лужей. Разница очевидна и колоссальна. В общем, это тоже большая долгая тема и вкусовщина.
Тем временем ''гоню'' сразу несколько проектов по передлелке - улучшению УСей.
Пока ТЕОРЕТИЧЕСКИ - схемные нюансы утрясаю, заначки деталей раскапываю, заныканных в прошлом веке.
С одной стороны можно потренироваться на кошках.
С другой стороны УНЧ Шушурина настолько прост, что и тренировка не нужна. Но абсолютно нельзя ошибаться в цоколёвке, в монтаже, понимать что начинать надо с минимального тока покоя, понимать что сжечь выходные каскады просто крутанув резистор или неправильно поставив диоды. Плэтому я и пишу - сначала без выходных транзисторов, а когда всё будет более-менее т. е. ноль на выходе и напряжения на R25R26 в норме, можно подключить оконечники. И колонку на выход подключить сначала через резистор, поправить ток покоя. Всё для того чтобы ничего не сжечь.
При отсутствии ошибок, всё заработает с полпинка.
Шушуринские оконечники ЛЕЖАТ,
Чего ждут?
Лидеры206 переделать
А зачем? Электрофончег так себе. Монтаж - ужас. Провода одного цвета висят, платы гетинаксовые - два раза ткнул паяльником и дороги отвалились.
Конденсаторы "флажки" менять к чёртовой матери. Конденсаторы "электролиты" К50-6 тоже, наверное часть менять, а для их проверки приборчик нужен, есть?
Схема выходного усилителя имеет много общего с УНЧ Шушурина.
Настройка примерно та же.
Странный выбор. Шушурина побаиватесь трогать, а этот електрофон - нет.
Нет, сделать его можно и без особых проблем при наличии небольшого опыта, только зачем? Пластинки на нём крутить? А моторчик у него слабенький, да и засохнуть мог.
ЩЦМы переделать.
Неведомая аббревиатура.
Есть германиевый задел.
Это садомазо. Для любителей искать трудностей чтобы их героически преодолевать.
Есть УСС2 сборки.
Тоже нестандартное сокращение ХЗЧ.
С моими темпами это на пару зимних сезонов, не менее....
Вы оптимист.
Да, ещё колонки сотворить - ещё один комплект...
Хе. Калонки сотворить - лехко, колонки - сложнее.
Ну и по медицине - физиотерапию, а то надоело дряхлеть.
Молодеть не получится и болячки бывают разные и самолечение - зло.
НО. Есть тема Катушка Мишина. Данный САМОДЕЛЬНЫЙ аппарат мне действительно помог и помогает по сей день. Типичная возрастная проблема - суставы.
Мне ОЧЕНЬ помогло и на руках и на ногах. Колени и сейчас иногда грею, но скорее для профилактики.
Остаюсь при прежних советах, меньше слов и больше дела.
 

АВК

2 ранг
Регистрация
13 Ноя 2023
Сообщения
827
Реакции
63
Репутация
11
Возраст
67
Город
культурная столица Поволжья
Имя
дядя АЛЕКС
Это не важно.
ПРОБУЮ ОТВЕЧАТЬ ''ПРЯМО СРАЗУ'' - ДЛЯ ''ВЫДЕЛЕНИЯ'' ОТВЕТОВ ИСПОЛЬЗУЮ БОЛЬШОЙ ШРИФТ.
Нелогично - имея проблемы со зрением, гробить его остатки на телефончег который плохо приспособлен для чтения и рассматривания схем.
НУ КАК ВАМ СКАЗАТЬ, С 1 СТОРОНЫ ТАК, А С ДРУГОЙ - ГДЕ БЫ Я НИ БЫЛ, ДОМА, НА ДАЧЕ, В ПУТЕШЕСТВИЯХ... Я ВСЕГДА ''НА СВЯЗИ''.
ХОТЯ ПЛАНШЕТ И ХУЖЕ КОМПА...
У меня здесь и сейчас тоже ХР. Файлы можно качать на телефончег, а смотреть их на большом экране полноценного компьютера, интернет для этого ему не нужен. Объём книг, даже больших, смехотворен по сравнению с объемом видосиков. Переносит файлы со смартфона на нормальный компьютер можно как подключая его шнуром, так и через флэшки.
ДА, Я ТАК И ДЕЛАЮ С ПЕРИОДИЧНОСТЬЮ РАЗ В ПАРУ МЕСЯЦЕВ
А КНИГИ МОГУ ЧИТАТЬ ПРЯМО НА ПЛАНШЕТЕ, НА ДИВАНЧИКЕ...
А вы читали правила? Знаю что нет. Вижу что у вас появился 3-ий ранг пользователя и какие-то права, а раньше их не было, что вполне разумно.
НУ И ЧТО ЭТО ДАСТ ???
И правильно делаете. В противном случае те самые "хорошие" люди на сайте жестоко высмеют вас и закидают гнилыми помидорами.
Здесь есть один человек профессионально занимающийся изготовлением и ремонтом динамиков, обладающий немалыми знаниями и навыками, но не умеющий себя корректно вести. Так ему достаётся так что не позавидуешь.
С ОДНОЙ СТОРОНЫ Я ''ТОЛСТОКОЖИЙ'', С ДРУГОй стороны обладаЮ психотипом ''танк''. ЕСТЬ ТАКАЯ ГРАДАЦИЯ ЧЕЛОВЕКОВ. :)
С ТРЕТЬЕЙ СТОРОНЫ ХАРАКТЕР ТАКОЙ, ЧТО СУПРУГА МНЕ ВРЕМЯ ОТ ВРЕМЕНИ ГОВОРИТ, ЧТО Я ЗРЯ УШЁЛ ИЗ ПОЛИТИКИ...
МОЛ ТАМ МНЕ САМОЕ МЕСТО...:) :) :)
Но мне воБЩЕМ ТО НАДОЕЛО ''ВОЕВАТЬ'', НУ НЕ ПОТОМУ, ЧТО УСТАЛ, А ПРОСТО НАДОЕЛО... :)
Вы не пишете какие книги вам насоветовали, авторов этих книг.
Буду удивлён если "мои" книги окажутся тоже потерей времени.
А ВЫ ТОЖЕ ЧТО ТО НАПИСАЛИ ?
У меня есть два варианта - "для младших школьников" и "для студентов".
А ДЛЯ ''ПЕНСИОНЕРОВ СРЕДНЕГО ЯСЕЛЬНОГО ВОЗРАСТА ЕСТЬ''?
Вот зайду на форум - вставлю скрин с книгами, КОТОРЫЕ МНЕ СОВЕТОВАЛИ И КОТОРЫЕ СКАЧАЛ.
ПОЧТИ ВСЕ ИХ Я ПРОЛИСТАЛ. - БЕСТОЛКОВО. ОТВЕТОВ НЕТ.
Не понял о чём речь, постарайтесь писать с цитатами, примерно как делаю для Вашего удобства.
А Я УЖЕ ЗАБЫЛ, О ЧЁМ ЭТО Я...
А ВОТ ЦИТАТЫ ТО Я КАК РАЗ И ОСТАВИЛ... :)
Книги тоже разные. Советую не лезть в дебри и глубины, вы в них утоните.
Сейчас ваша задача собрать и настроить УНЧ Шушурина, вас же пытаются сбить на НЕистинный путь "в поисках идеального усилителя", и этот поиск будет вечным. Оно Вам надо?
НЕТ, МЕНЯ НЕ СБИТЬ С ПУТИ.
А ВОТ ПОСЛЕДОВАТЕЛЬНОСТЬ В ПЛАНАХ Я ПОКА ТОЧНО НЕ ОПРЕДЕЛИЛ. И СРОКОВ ТЕМ БОЛЕЕ.
НО СКАЖУ, ЧТО НАУШНИКОВАЯ ЭПОПЕЯ МНЕ СЕМАЯ ПРИОРИТЕТНАЯ.
ПОТОМ ПОЛАГАЮ - ЛИДЕРЫ ПЕРЕДЕЛАТЬ. ПОТОМ ЩЦМЫ, ПОТОМ ШУШУНИН, НУ А УЖ ПОТОМ, КОГДА РУКИ ДОЙДУТ - ВОТ ПОКА НЕЗНАЮ ОЧЕРЁДНОСТЬ, НО КУЧЕЙ ЭТО - ВОЗМОЖНО НАЙДУТСЯ ЕЩЕ ОКОНЕЧНИКИ - ЭТО САМЫЕ ПОСЛЕДНИЕ ИЗ ЛИДЕРСКИХ, ТОГДА Я ЗАХОЧУ ПРИДЕЛАТЬ К НИМ УН ПО СХЕМЕ ОТ НЕУЛО, НА К157УД2. СЮДА ЖЕ ГЕРМАНИЕВЫЙ ЗАДЕЛ - ЕСТЬ ЗАМЫСЕЛ КАК УЛУВШИТЬ БЕСЛИКА, И СЮДА ЖЕ УСС2.
Вы даже своего имени назвать не можете, тоже секретное?
НУ ВОБЩЕМ ТО ВЫ УГАДАЛИ... ТОЛЬКО НЕ СЕКРЕТНОЕ, А ДОВОЛЬНО ИЗВЕСТНОЕ.
ОЙ ИЗВИНЯЮСЬ, ЭТО ПРО ФИО, А ИМЯ - АЛЕКСАНДР.
А предъявляете претензии к какому-то конденсатору.
Помните эпизод из "Золотого телёнка" где к Бендеру при автопробеге пристали с именем его машины? Как он ругался про Студебеккер?
Что в имени тебе моём (так говорил Заратустра конденсатор)?
А относительно всяких Бак-сандаллей, имечко понравилось?
А ВСЁ ТАКИ ТАК НИКТО НИГДЕ И НЕ УПОМЯНУЛ ''ИМЯ СОБСТВЕННОЕ'' ЭТОГО КОНДЕНСАТОРА.
Не скажу что это лучшее решение, но это большая отдельная тема.
В двух словах - он прост, но несовершенен.
НУ МЕХАНИЗМ ЕГО РАБОТЫ ТУТ РАЗЬЯСНИЛИ ФОРУМЧАНЕ. СПАСИБО ИМ!!!
Пока говорильня не заменила ДЕЛО. Она вторична.
Еще раз пишу - приступайте, собирайте блок питания, с предохранителями.
Почитайте про настройку. И до команды собирайте вообще БЕЗ выходных транзисторов и не подключая калонок. Сначала надо настроить так - это резко уменьшает вероятность спецэффектов и появление Старика Хоттабыча.
ДА, СПАСИБО. НО ОЧЕРЕДНОСТЬ Я ВЫШЕ УКАЗАЛ.
Я вообще-то говорил про скептицизм и самокритику своих решений, слов, поступков, критика в первую очередь себя. А многие любят критиковать других, считая себя непогрешимыми.
Такие люди обычно не отвечают на вопросы, им хоть _dadel
НУ ТУТ Я БЕЗ КОММЕНТАРИЕВ.
А как вы определяете правильность-неправильность интересно знать.
для этого надо разбираться в предмете, иначе мозги вам засрут в 5 секунд.
Пока надо держаться рекомендаций автора т. е. Шушурина. Они проверены как редакцией журнала, так и временем.
К советам непризнанных гениев надо действительно относиться с большой осторожностью и не принимать их "улучшений".
Вот ПОСЛЕ того как сделаете авторский вариант и настроете его, можно осторожно попробовать советы гениев.
Сейчас модно брать что-то классическое или просто что-то очень удачное и делать по мотивам книги или старого фильма что-то инновационное.
Но почему-то всегда получается дрянь. Ну не получаются у ньюгениев ни свои фильмы, ни свои усилители, поэтому они берут что-то чужое и начинают заниматься его улучшательством в стиле я так вижу.
ТУТ Я С ВАМИ СОГЛАСЕН.
Возможно с 3 классом уже можно. Ну так прежде чем отправлять, прочитайте написанное и поправьте ошибки.
СТАРАЮСЬ.... НО УЖ БОЛЬНО МНОГО ЭТОТ СКУСТВЕННЫЙ ТЕЛЕХТ ВНОСИТ ПОПРАВОК, НЕ ВСЕГДА ИХ ВИЖУ.
ДА И НАБОР ПАЛЬЦЕМ ПО ЭКРАНУ ТОЖЕ СПОСОБСТВУЕТ ОЧЕПЯТКАМ.
Тема интересная и я тоже немного этим позанимался. Но руки у передельщика здесь сильно связаны, возможности по улучшению сильно ограничены. И, на мой взгляд, резко улучшить не получится, основа наушников - хорошие капсюли, а их ставят в достаточно дорогие наушники.
Все наушники за несколько тыс. руб. играют так себе. Стоимость нормальных начинается с пятизначной суммы, не меньше.
Помню, очень давно, купил ТДС-7 за 49 руб (не дёшево), в "Радио" писали что они лучше всякого иностранного. Но сходил в гости и впервые послушал действительно хорошие наушники купленные за Лужей. Разница очевидна и колоссальна. В общем, это тоже большая долгая тема и вкусовщина.
ДА УЖ... Я ВОТ ТОЖЕ ПОМНЮ, ЗАХОЖУ В ОБЫЧНЫЙ ВОЕНТОРГ, А ТАМ ЛЕЖАТ ТДС5М. ИХ У НАС В ГОРОДЕ ДЕЛАЛИ.
И ВСЕГО ТО ПО 50 РУБЛЕЙ. А В КАРМАНЕ ЗАВАЛЯЛОСЬ НЕ МЕНЕЕ 500... ТО БЫЛ 1990Й ГОД , КООПЕРАТИВНЫЕ ВРЕМЕНА....
НУ ВОТ ЧТО НЕ ПРИКУПИЛ НЕСКОЛЬКО.... КАК ВСПОМИНАЮ И ЖАЛЕЮ....
И В МАГАЗИНЕ ЭЛЕКТРОНИКА КОЛОНКИ ПОМНЮ СТОЯЛИ - ДИНЫ ИЗ ВСПЕНЕННОГО ТИТАНА... НЕДОРОГО - ПО 500 СОВЕТСКИХ РУБЛЕЙ. КАК РАЗ ЗА ПАРУ - МЕСЯЧНАЯ ЗАРПЛАТА И НА ПОКУШАТЬ ЕЩЕ ОСТАЛОСЬ БЫ, ВСЁ РАВНО ПОТОМ МАССА ДЕНЕГ ПРОСТО ТАК ПРОПАЛА.... НУ ВОТ ЧТОБ НЕ ПРИКУПИТЬ ???
А СЕЙЧАС Я КОВЫРЯЮ И В ОЧЕРЕДИ РАЗНЫЕ НАУШНИКИ - ТДС13 ЭКСПЕРИМЕНТИРУЮ. ЗАТЫЧКИ ПЕРЕПАЯЛ СЛЕГКА УЛУЧШИВ, ТДС1 РАЗОБРАЛ, ПРОДУМЫВАЮ ТЕХНОЛОГИЮ К ЗАДУМАННЫМ УЛУЧШЕНИЯМ. АМЕРИКАНОВЫЕ, ОТ ГАРНИТУР ЗАДУМАЛ ПЕРЕДЕЛАТЬ И УЛУЧШИТЬ, ЕСТЬ ИДЕЯ СКРЕСТИТЬ ''ПУГОВКИ'' И ''ЗАТЫЧКИ'', ЕСТЬ ЗАМЫСЕЛ СДЕЛАТЬ ''ЗАТЫЧКИ'' ИЗ 4Х САНТИМЕТРОВЫХ НАКЛАДНЫХ НАУШНИКОВ, НУ И НАДО БЫ ПОПЫТАТЬСЯ ОЖИВИТЬ СТУДИЙНЫЕ 300 ОМНЫЕ ДК86 - ЭТО НЕМЕЦКИЕ, ИЗ ГДР, МАЛОСЕРИЙНЫЕ.
ВРОДЕ НИЧЕГО НЕ УПУСТИЛ.
С одной стороны можно потренироваться на кошках.
С другой стороны УНЧ Шушурина настолько прост, что и тренировка не нужна. Но абсолютно нельзя ошибаться в цоколёвке, в монтаже, понимать что начинать надо с минимального тока покоя, понимать что сжечь выходные каскады просто крутанув резистор или неправильно поставив диоды. Плэтому я и пишу - сначала без выходных транзисторов, а когда всё будет более-менее т. е. ноль на выходе и напряжения на R25R26 в норме, можно подключить оконечники. И колонку на выход подключить сначала через резистор, поправить ток покоя. Всё для того чтобы ничего не сжечь.
При отсутствии ошибок, всё заработает с полпинка.
ПОНЯЛ, ДА, КОГДА ОЧЕРЕДЬ ДОЙДЁТ.
А ПАЯЛ Я ВСЕГДА - АККУРАТНО, СНАЧАЛА НЕСКОЛЬКО РАЗ ПРОВЕРИВ ВСЕ....
Чего ждут?
А зачем? Электрофончег так себе. Монтаж - ужас. Провода одного цвета висят, платы гетинаксовые - два раза ткнул паяльником и дороги отвалились.
Конденсаторы "флажки" менять к чёртовой матери. Конденсаторы "электролиты" К50-6 тоже, наверное часть менять, а для их проверки приборчик нужен, есть?
Схема выходного усилителя имеет много общего с УНЧ Шушурина.
Настройка примерно та же.
Странный выбор. Шушурина побаиватесь трогать, а этот електрофон - нет.
Нет, сделать его можно и без особых проблем при наличии небольшого опыта, только зачем? Пластинки на нём крутить? А моторчик у него слабенький, да и засохнуть мог.
ВЫ НЕ ТАК ПОНЯЛИ - ЭТОТ УСИЛИТЕЛЬ, НА УЛУЧШЕННЫХ БЛОКАХ ОТ ЛИДЕР206, БЫЛ МОЕЙ ПЕРВОЙ КОНСТРУКЦИЕЙ. Я НА НЁМ УЧИЛСЯ ПОНИМАТЬ СХЕМОТЕХНИКУ УНЧ. БЛОКИ ПРИНЕСЛИ С ЗАВОДА.
ДА И ПОТОМ ОН ДОЛГО И ХОРОШО РАБОТАЛ....
НЕДАВНО НЕУЛО ДОРАБОТАЛ ЕГО СХЕМУ, ТАК ЧТО ОН ''ПОДРОС'' В КАЧЕСТВЕ ВЕСЬМА ЗАМЕТНО.
И ПРО СХОДСТВО С ШУШУРИНЫМ ВЫ ПРАВИЛЬНО ЗАМЕТИЛИ - НЕДАВНО Я В ЗАНАЧКЕ РАСКОПАЛ СОСТАВНЫЕ ТРАНЗИСТОРЫ ТИП110.
ВОЗНИКЛА МЫСЛЬ ПОСТАВИТЬ ИХ НА ВЫХОД ВМЕСТО КТ817.
ВОТ СХЕМА БУДЕТ ВЕСЬМА ПОХОЖА НА ШУШУНИНСКУЮ, ТОЛЬКО ВХОД ОБЫЧНЫЙ, А НЕ ДИФФЕРЕНЦИАЛЬНЫЙ.
ГОВОРЯТ ЖЕ, ЧТО ДИФ-КАСКАД ''УБИВАЕТ'' ЗВУК - УДИФИЛИЧЕСКИЕ НАСТАВЛЕНИЯ :)
НО ПОКА, ВИДИМО, НЕУЛО НЕКОГДА ПОСИМУЛИРОВАТЬ И ДОВЕСТИ ТАКОЕ СХЕМНОЕ РЕШЕНИЕ.
Неведомая аббревиатура.
ЩЦМ - ЭТО КАДРОВЫЕ УНЧ ОТ МОНИТОРОВ ДВК.
Есть схема небольшой переделки в звуковой УНЧ. По 5 ватт, искажения что то 0,03%
Это садомазо. Для любителей искать трудностей чтобы их героически преодолевать.
Тоже нестандартное сокращение ХЗЧ.
УЖЕ НЕ ПОМНЮ, О ЧЁМ ЭТО...
Вы оптимист.
Хе. Калонки сотворить - лехко, колонки - сложнее.
Я ЗНАЮ, БЫЛИ ОПЫТЫ ТВОРЕНИЯ...
А СЕЙЧАС ЕСТЬ ПАРА ИНТЕРЕСНЫХ ЗАМЫСЛОВ - НА ШИРИКАХ, С МАЛЫМ ВНУТРИ ОБЬЁМОМ, НО С НЕСТАНДАРТНЫМ Ф,И. - КОМБИ С ЧЕТВЕРТЬВОЛНОВЫМ ЭФФЕКТОМ.
КОРОЧЕ - ЭКСПЕРИМЕНТАЛЬНЫЕ......
Молодеть не получится и болячки бывают разные и самолечение - зло.
НО. Есть тема Катушка Мишина. Данный САМОДЕЛЬНЫЙ аппарат мне действительно помог и помогает по сей день. Типичная возрастная проблема - суставы.
Мне ОЧЕНЬ помогло и на руках и на ногах. Колени и сейчас иногда грею, но скорее для профилактики.
ДА, Я ТОЖЕ ДЕЛАЛ НЕКОТОРЫЕ ЭКСПЕРИМЕНТАЛЬНЫЕ МЕДИЦИНСКИЕ ПРИБОРЫ - ФИЗТОТЕРАПИЯ.
В ПРИНЦИПЕ ВСЁ РАБОТАЛО. ПОМОГАЕТ.
БЫЛО ДЕЛО ГЕРПЕС ВЫЛЕЧИЛ В 1997 М ГОДУ. С ТЕХ ПОР НЕ ПОЯВЛЯЛСЯ...
ПРЕДЛОЖИЛ ПРОЕКТ АНТИРАКОВОГО ПРИБОРА И МЕТОДИКУ К НЕМУ. ТАК НИКОМУ НЕ НАДО...
ИЗ ОБЛЗДРАВА ПРЕДЛОЖДИЛИ САМОМУ ДЕЛО ДВИГАТЬ, ПРЕЗИДЕНТ ВООБЩЕ НЕ ОТВЕТИЛ - ТИПА НЕТ ТАКОЙ ПРОБЛЕМЫ.
НУ НЕТ, ТАК НЕТ.
ПОЭТОМУ БОЛЕЕ КРУТЫЕ ПРОЕКТЫ Я ВООБЩЕ НЕ ПРЕДЛАГАЮ. НЕДОЗРЕЛИ МОЗГИ МЕДИЦИНСКИХ ЧИНОВНИКОВ ДО ИННОВАЦИЙ.
Остаюсь при прежних советах, меньше слов и больше дела.
ДА, СПАСИБО, НАВЕРНО ВЫ ПРАВЫ
 

Вложения

  • Screenshot_2024-02-05-00-43-53.png
    Screenshot_2024-02-05-00-43-53.png
    97.9 KB · Просмотры: 87
Последнее редактирование:

KSV

1 ранг
Регистрация
10 Июн 2020
Сообщения
7,000
Реакции
7,239
Репутация
257
Страна
Россия
Город
Москва
Имя
Сергей
ПРОБУЮ ОТВЕЧАТЬ ''ПРЯМО СРАЗУ'' - ДЛЯ ''ВЫДЕЛЕНИЯ'' ОТВЕТОВ ИСПОЛЬЗУЮ БОЛЬШОЙ ШРИФТ.
Такая форма крайне неудобна. Вы сваливаете формирование нормального ответа на других. При нажатии кнопки "ответить" я получаю пустое поле...
И мне надо постоянно двигать экран, вырезать, добавлять цитирование и т. п.
ГДЕ БЫ Я НИ БЫЛ, ДОМА, НА ДАЧЕ, В ПУТЕШЕСТВИЯХ... Я ВСЕГДА ''НА СВЯЗИ''.
ХОТЯ ПЛАНШЕТ И ХУЖЕ КОМПА...
Я про зрение, про удобство, а вы то что постоянно сидите на крючке.
Чтобы читать схему, надо видеть её большой кусок. На телефончеге вы можете растянуть кусочек во весь экран, но потерять всё другое. Это называется "за деревьями не видеть леса". И "работать" т. е. пользоваться программами, не в пример удобнее на ПК.
А КНИГИ МОГУ ЧИТАТЬ ПРЯМО НА ПЛАНШЕТЕ, НА ДИВАНЧИКЕ...
Ну тогда не жалуйтесь на зрение и на то что вы его гробите. Человеческая природа сделана так, что для глаз нормально смотреть вдаль, напряжение минимально, а у вас наоборот.
НУ И ЧТО ЭТО ДАСТ ???
Хотя бы возможность начинать личную переписку. И доступ к материалам.
С ОДНОЙ СТОРОНЫ Я ''ТОЛСТОКОЖИЙ'', С ДРУГОй стороны обладаЮ психотипом ''танк''.
Ну такой психотип называют еще упёртостью. Легко упереться в стену и заглохнуть. Вам с этим жить.
А ВЫ ТОЖЕ ЧТО ТО НАПИСАЛИ ?
Об этом ниже, если терпения хватит поскольку так писать крайне неудобно.
ИМЯ - АЛЕКСАНДР.
Понял, Александр. Остальные анкетные данные не нужны.
ПОЧТИ ВСЕ ИХ Я ПРОЛИСТАЛ. - БЕСТОЛКОВО. ОТВЕТОВ НЕТ.
Тогда вряд ли чем-то помогу, книги Алдошиной и Виноградовой отличные.
Пока не забыл - прочтите брошюру "Там где живут басы" с собачкой Лушей. Есть везде, и здесь на сайте. И ПРОШУ написать если не понравится. По мне - лучшее популярное изложение проблем и решений.
Книги Дугласа Сёлфа тоже не дали ответов??! Чтож за вопросы такие?..
Шкритек пишет очень хорошо и лаконично. Дело в том что эти книги надо изучать, а не просматривать на диванчике.
А ДЛЯ ''ПЕНСИОНЕРОВ СРЕДНЕГО ЯСЕЛЬНОГО ВОЗРАСТА ЕСТЬ''?
Есть, но уже вижу что вам не понравится. Автор - Сворень.
ТДС5М. И ВСЕГО ТО ПО 50 РУБЛЕЙ. А В КАРМАНЕ ЗАВАЛЯЛОСЬ НЕ МЕНЕЕ 500... ТО БЫЛ 1990Й ГОД , КООПЕРАТИВНЫЕ ВРЕМЕНА....
Считай даром. 50 р в 1990 и 1980 - огромная разница. Возможно, это были лучшие советские наушники, до сих пор не плохи.
И В МАГАЗИНЕ ЭЛЕКТРОНИКА КОЛОНКИ ПОМНЮ СТОЯЛИ - ДИНЫ ИЗ ВСПЕНЕННОГО ТИТАНА... НЕДОРОГО - ПО 500 СОВЕТСКИХ РУБЛЕЙ. КАК РАЗ ЗА ПАРУ - МЕСЯЧНАЯ ЗАРПЛАТА И НА ПОКУШАТЬ ЕЩЕ ОСТАЛОСЬ БЫ, ВСЁ РАВНО ПОТОМ МАССА ДЕНЕГ ПРОСТО ТАК ПРОПАЛА.... НУ ВОТ ЧТОБ НЕ ПРИКУПИТЬ ???
Был я в магазине завода Титан выпускавшего эти 100АС-063 и собирался купить, но они меня не тронули, не жалею. Жалею что не купил тогда отдельно НЧ динамики - было бы интересно, но смутил большой диаметр, а значит - ящик под них. От завода не осталось ничего, даже названия.
НЕТ, МЕНЯ НЕ СБИТЬ С ПУТИ.
Танки легко тонут в болоте, нужна маневренность, часто упрямо лезть - глупо, а уж здесь постараются заманить вас в болото. хотя бы дискуссиями на пустом месте.
ЕСТЬ ЗАМЫСЕЛ СДЕЛАТЬ ''ЗАТЫЧКИ'' ИЗ 4Х САНТИМЕТРОВЫХ НАКЛАДНЫХ НАУШНИКОВ, НУ И НАДО БЫ ПОПЫТАТЬСЯ ОЖИВИТЬ СТУДИЙНЫЕ 300 ОМНЫЕ ДК86 - ЭТО НЕМЕЦКИЕ, ИЗ ГДР, МАЛОСЕРИЙНЫЕ.
Планов громадьё. ТДС-1 были, доброго слова не стоят. Любопытно как вы будете настраивать и давать оценку наушникам? Только на слух? Нереально. Но поиграть можно, важно только внушить себе что сделал лучше.
ВЫ НЕ ТАК ПОНЯЛИ - ЭТОТ УСИЛИТЕЛЬ, НА УЛУЧШЕННЫХ БЛОКАХ ОТ ЛИДЕР206
Ясно. А в чём улучшеность блоков? Схема УНЧ типовая (не улучшенных), структура тоже, похожа на Шушурина, поэтому его вы должны настроить без труда. Проблемы могут возникнуть при замене транзисторов на современные и настройке цепей коррекции - нужен осциллограф.
РАСКОПАЛ СОСТАВНЫЕ ТРАНЗИСТОРЫ ТИП110.
ВОЗНИКЛА МЫСЛЬ ПОСТАВИТЬ ИХ НА ВЫХОД ВМЕСТО КТ817.
ВОТ СХЕМА БУДЕТ ВЕСЬМА ПОХОЖА НА ШУШУНИНСКУЮ
Осторожно не посоветую, но пробуйте.
ТОЛЬКО ВХОД ОБЫЧНЫЙ, А НЕ ДИФФЕРЕНЦИАЛЬНЫЙ.
Разница принципиальная, и мне с удифильской точки зрения больше нравится НЕ дифф. вход на двух транзисторах разной проводимости.
Многие беды и проблемы именно из-за дифкаскада, который часто по параметрам лучше, а по звуку - хуже.
ЩЦМ - ЭТО КАДРОВЫЕ УНЧ ОТ МОНИТОРОВ ДВК.
Да уж. Всё равно не понял, ну да ладно.
А СЕЙЧАС ЕСТЬ ПАРА ИНТЕРЕСНЫХ ЗАМЫСЛОВ - НА ШИРИКАХ, С МАЛЫМ ВНУТРИ ОБЬЁМОМ, НО С НЕСТАНДАРТНЫМ Ф,И. - КОМБИ С ЧЕТВЕРТЬВОЛНОВЫМ ЭФФЕКТОМ. КОРОЧЕ - ЭКСПЕРИМЕНТАЛЬНЫЕ......
Боюсь обидеть, тем более не видя проекта. Думаю, претензий у меня и других будет как на Жучке блох. Ну дерзайте раз интересно, запретить вам это может только один человек - жена.
ПОЭТОМУ БОЛЕЕ КРУТЫЕ ПРОЕКТЫ Я ВООБЩЕ НЕ ПРЕДЛАГАЮ. НЕДОЗРЕЛИ МОЗГИ МЕДИЦИНСКИХ ЧИНОВНИКОВ ДО ИННОВАЦИЙ.
Само собой. Чиновники и бюрократы делают свой бизнес и в медецине вообще ряд сложных правил, не только у нас. Поэтому приходится на свой страх и риск заниматься самолечением.
ДА, СПАСИБО, НАВЕРНО ВЫ ПРАВЫ
Это относительно того что я от слов призываю перейти к делу. Вы можете (и думаю, будет полезно) выкладывать здесь свои творения, но готовьтесь к уничтожающей критике. Но если вы её изУчите, наверняка почерпнёте немало полезного и нужного. Один ум хорошо, а много - лучше. Часто со стороны видно вещи, которые в голову не приходят автору.
Но я остался при мнении, что без средств объективного контроля (осциллограф, измерения), сделать что-то как следует - нереально.
Пример. Можете сделать УНЧ хоть Шушурина, хоть Лидера, и даже настроить его без тестера, и он будет прилично работать, но с тестером это делать лучше. А после тестера очень желательны генератор и осциллограф.
***
По книгам. Например, книга Рачев - Вопросы любительского высококачественного звуковоспроизведения, кусок страницы
Рачев - Вопросы любительского высококачественного звуковоспроизведения_099.png

Сворень - Усилители и радиоузлы_065.png

Сворень - Усилители и радиоузлы
Здесь про лампы, но не суть.
Лучшей книгой для понимания основ считаю
Хоровиц и Хилл- Искусство-схемотехники
Хоровиц и Хилл- Искусство-схемотехники_104.png
 

АВК

2 ранг
Регистрация
13 Ноя 2023
Сообщения
827
Реакции
63
Репутация
11
Возраст
67
Город
культурная столица Поволжья
Имя
дядя АЛЕКС
Спасибо за ответ !!!

Насчёт ''формата'' - да это я недодумал.... Эксперимент случился, неудачный.
Я сам - не могу открывать и посмотреть мной написанное :-(
Но с другой стороны я незнаю на этом форуме другого варианта МАССОВОГО и разрозненного цитирования.

Ладно - по памяти буду отвечать, что вспомню.

Книга болгарина Рачева есть бумажная, подарилиив 80 х годах, я ещё много изучал тогда.
Аот, к прмеру, шумодав ДНЛ - попал ко мне с завода какой то экспериментальный блочёк на 10 кт315.
Я начал с платы схему переснимать - непонятки....
Так у Рачева почти 1:1 оказался этот ДНЛ. Да ещё и с некоторым описанием.
Довёл, а 1991 выстроил этот блок в средний вход УСя.

Из списка книг какую то неиоткрывал. Остальные произвели впечатление ''воды'' пересыпанной ''для вУмности'' кучей формул.
Нуине люблю я с 1го класса ''математику''. У меня мышление ''модельно-философское'', в отличии от любителей считать с ''математико-аналитическим''.
Хотя у большинства людей - ''комби'' из обоих.

Про форумчан. Вот я попал СЮДА случайно.
На др форуме меня ... типа попытались сплавить сюда.
Ладно не буду искать ТО ''сообщение'', но оно было в оскорбительном смысле - мне и этому форуму.
Так вот - на этом форуме МНОГО толковых людей и вся переписка, даже с подтруниваниями и приколами, она намного ''легче'' чем на др форумах.
Вот настолько тут лучше, что я, обладая ''словесными дарованиями определённого свойства'' - ну вот ни разу, ни насколько, не пожелал кого то, мягко говоря ''задеть''.

--- прочтите брошюру "Там где живут басы" с собачкой Лушей. Есть везде, и здесь на сайте. И ПРОШУ написать если не понравится. По мне - лучшее популярное изложение проблем и решений.

А что то я ТУТ не видел ''библиотеки''....
Если не трудно - дайте ссылку на эту книгу.


Про медицину и самоделки - да, у меня такое же мнение.
Но дело то в том, что МОЖНО БЫЛО БЫ ПОМОЧЬ МНОГИМ ЛЮДЯМ....
Вот я, к примеру попытался ''добраться'' до - Сергей Николаевич Галицкий
Это основатель ''магнитов'', сейчас парк сам на свои деньги строит в Краснодаре.
Своеобразный парк... Были мы там....
Интересный человек, судя по тому, что я про него узнал.
Так вот, думаю, что он весьма БЫ заинтересорвался некоторыми моими ''идеями''. Но вот только мне так и не удалось добыть его е-майл.
Вот даже мне, со всеми моими ''регалиями''....
Несколько месяцев пробовал и так и сяк - бестолку.

Вроде - последнее, про планы.
Тдс1 да, звук ''как есть'' ..... Ни верхов ни низов.
ДОмысливаю технологию. А конструкция улучшения есть давненько.
Др наушники - да, тоже ковыряю или буду.

Про упомянутые УСи даже незнаю, как и надо ли ''вытаскивать''.
Вот к примеру Лидер206.
Недавно я вопрошал в теме Схемотехника усилителей 2021какие лучше из вариантов оконечников и как их можно улучшить?
Спасибо НЕУЛО за разбор и вариант модернизации.
Вот с моей ''колокольни'', мне понравилось его предложение улучшений.
Потом я раскопал десяток ТИП110, и у меня возник вопрос, а может быть ''ещё улучшить'' - типа у Беслика было что то похожее, только выход на комплементарных дарлингтонах. Да и ещё подобные схемы встречались.
НЕУЛО обещал посимулировать такой вариант, но видимо некогда - свой проект доделывает.

Про ЩЦМ - прикольные оконечники. Летом Бордодынов сделал проект их переделкиив симуляторе. Был тогда у него к ним интерес.
Получились искажения 0.02%. Общем то весьма неплохо для простой схемы.
Тоесть этот проект вроде как схемно доведён и ждёт пайки. Только там в связи с обнаружением вышеупомянутых ТИП110 и прочих транзисторов возможны вариации с знаменами транзисторов.

Про УСС2 - это авиационная микросборка. Тоже обсуждалась в Схемотехника усилителей 2021.
Ну - весьма прикольный проект даже и не знаю, получится что то более менее путное сделать...
Вот НЕУЛО при симуляции зашёл в тупик. Другие тоже.
Видимо схема не точная. А её не посмотришь - всё залито эпоксидов и резиновым герметиком.
Остаётся уповать на логику - должен быть на выходе синусоидальный сигнал. Другой вопрос - покалеченный по частоте, с подрезанными ВЧ.
Так у меня замысел внешними 2 большими ООСами скомпенсировать 3 внутренних малых.

Вроде как всё ответил.
Да, а Ваше имя как ?
 

KSV

1 ранг
Регистрация
10 Июн 2020
Сообщения
7,000
Реакции
7,239
Репутация
257
Страна
Россия
Город
Москва
Имя
Сергей
Книга болгарина Рачева есть бумажная, подарилиив 80 х годах, я ещё много изучал тогда.
Есть немало других. Содержание книг разное - в одних теория, в других конкретные схемы, в третьих - отдельные узлы и т. д.
Читать все от корки до корки не хватит времени, поэтому отдельные главы или вопросы.
Думаю, для Вас (и для меня, и для абсолютного большинства) не надо разрабатывать свои (насколько это вообще возможно), а надо брать готовые отработанныерешения в которых грабли уже убраны автором, который сломал их своим лбом.
Аот, к прмеру, шумодав ДНЛ - попал ко мне с завода какой то экспериментальный блочёк на 10 кт315.
Только дошло - динамический шумоподавитель, так бы и писали.
Думаю, сегодня он интереса не представляет. Он нужен был для магнитофонов, для шумящих лент, это прошлое.
Я начал с платы схему переснимать - непонятки....
Рисовать схему по плате - нелёгкое дело. Сегодня на это жаль времени. При пемонте приходится, но обычно небольшой узел чтобы понять что и как.
Из списка книг какую то неиоткрывал. Остальные произвели впечатление ''воды'' пересыпанной ''для вУмности'' кучей формул.
Увы, гонорар зависит от объема, поэтому воду добавляют. Но кто мешает вам прочитать оглавление, пролистнуть всякие вводные части.
Фильтровать надо. Маяковский ещё писал про добычу радия при которой надо перерабатывать тысячи тонн руды. Надо искать и находить полезные крупицы. Брать пример с петуха, который нашёл в навозной куче жемчужные зёрна.
Вот я попал СЮДА случайно. На др форуме меня ... типа попытались сплавить сюда.
Ладно не буду искать ТО ''сообщение'', но оно было в оскорбительном смысле - мне и этому форуму.
Это нормально. Здесь вы найдёте, если пожелаете, жемчужные зёрна, но навоза больше.
Так вот - на этом форуме МНОГО толковых людей и вся переписка, даже с подтруниваниями и приколами, она намного ''легче'' чем на др форумах.
Не торопИтесь. Категоричное мнение часто меняется на противоположное. Много зависит от Вас - что будете читать, КАК и у кого спрашивать, КАК ОТВЕЧАТЬ. Выделил недаром: часто в попытках решить чужую проблему приходится задавать ряд вопросов чтобы получить нужную информацию. Но многие глухи и ничего не отвечают. Спросишь 2-3 раза и до свидания.
Вот настолько тут лучше, что я, обладая ''словесными дарованиями определённого свойства'' - ну вот ни разу, ни насколько, не пожелал кого то, мягко говоря ''задеть''.
Всё впереди и, может быть, скоро.
"Там где живут басы" с собачкой Лушей. Есть везде, и здесь на сайте.
А что то я ТУТ не видел ''библиотеки''....
Искать надо.
https://ldsound.club/threads/otdelnye-stati-broshjury-vyrezki.1761/
книги есть и на сайте (это - клуб, форум).
Вы могли ввести название в поиск по интернету и получить миллион ссылок.
Жду мнение по поводу блохастой собачки. Понравилось - не понравилось.
Про медицину и самоделки - да, у меня такое же мнение.
Но дело то в том, что МОЖНО БЫЛО БЫ ПОМОЧЬ МНОГИМ ЛЮДЯМ....
Может вам всё-таки 18 лет раз такое пишете???
А изложить свои схемы и рекомендации никто не мешает (если не покажете себя параноиком). Я тоже не верил в Катушку Мишина, собрал кое-как с неверием, но скоро убедился что это работает. Нет, не мгновенно и не за два сеанса, но работает. Тьфу-тьфу, забыл какой локоть у меня не гнулся и плечо - поднять руку было очень больно.
Интересный человек, судя по тому, что я про него узнал.
Так вот, думаю, что он весьма БЫ заинтересорвался некоторыми моими ''идеями''. Но вот только мне так и не удалось добыть его е-майл.
Надежды только ЮНОШЕЙ питают, вы же не юноша.
Тдс1 да, звук ''как есть'' ..... Ни верхов ни низов.
Именно так. Но есть корпус, оголовье. Я враг закрытых наушников и сторонник полуоткрытых. Нужны опыты, измерения, последнее не дляя вас.
Можно поменять капсюли (знаю что там обычные динамики), китайцы на Али продают. Превратить закрытые наушники в полуоткрытые проделав отверстия, поэкспериментировав в демпфированием, набивке ЗПМ и т. п.
Но оценивать при доводке на слух... Это трудно и малоперспективно.
Хотя побаловаться можно.
На подобных сайтах пишут де Аксельвоксы - это полные копии Байердинамиков, AKG, Косс, Зеннхайзер и других, дескать один конвейер, только шильдики разные. Ни хрена, я в этом убедился, поэтому то что лучше, обычно заметно дороже. Аксельвоксы (Суперлюксы) играют неплохо, но с оригиналами которые на них внешне похожи, не сравнить.
Про упомянутые УСи даже незнаю, как и надо ли ''вытаскивать''.
Вот к примеру Лидер206. Недавно я вопрошал в теме Схемотехника усилителей 2021какие лучше из вариантов оконечников и как их можно улучшить?
Смотря какая цель. Потренироваться на кошках одно, сделать лучше имеющихся заводских усилителей - другое.
Потом я раскопал десяток ТИП110
Изначально весьма скептически отношусь к составным транзисторам для звука. Максимальный ток 2 А как-то тоже не впечатляет.
Я не просто так писал: заменИте одни транзисторы на другие и ПОСЛУШАЙТЕ. Одних параметров, особенно из симулятора - маловато будет.
Ещё БЕДА - подлинность транзисторов. Вероятность нарваться на поддельный импорт ОЧЕНЬ велика. Я писал как можно отсеять большинство подделок - надо измерить, для этого достаточно блока питания и тестера.
Измерители, особенно в тестерах, бесполезны для мощных транзисторов.
, и у меня возник вопрос, а может быть ''ещё улучшить'' - типа у Беслика было что то похожее, только выход на комплементарных дарлингтонах. Да и ещё подобные схемы встречались.
Вы хотите открыть новые законы природы и затмить всех кто жил и работал раньше? Был один такой, звали его Икар...
НЕУЛО обещал посимулировать такой вариант, но видимо некогда - свой проект доделывает.
А вы делайте Шушурина.
Про ЩЦМ - прикольные оконечники.
Ещё бы понять что такое ЩЦМ. Хотите, я везде буду писать придуманные лично мной аббревиатуры?
Летом Бордодынов сделал проект их переделкиив симуляторе. Был тогда у него к ним интерес. Получились искажения 0.02%. Общем то весьма неплохо для простой схемы.
Это на бумаге, даже не на бумаге. Как будет в железе - неизвестно.
Тоесть этот проект вроде как схемно доведён и ждёт пайки. Только там в связи с обнаружением вышеупомянутых ТИП110 и прочих транзисторов возможны вариации с знаменами транзисторов.
То есть вы хотите во что бы то ни стало всунуть куда-нибудь ТИП110?
Про УСС2 - это авиационная микросборка. Тоже обсуждалась в Схемотехника усилителей 2021.
Ну и что с ней делать? Тоже надо пустить в дело? А может лучше заменить её нормальными деталями?
Вот НЕУЛО при симуляции зашёл в тупик. Другие тоже.
Вам тоже нравятся тупики? Пусть они их героически преодолевают.
Видимо схема не точная. А её не посмотришь - всё залито эпоксидов и резиновым герметиком.
Ну и оставьте её в покое. Делайте Шушурина.
Так у меня замысел внешними 2 большими ООСами скомпенсировать 3 внутренних малых.
Бонапарт кончил на о. Св.Елены.
Да, а Ваше имя как ?
Если это ко мне, я написал в профиле страну, город, имя. Не видно?
Александр! Я бы посоветовал Вам не распыляться, не гнаться за линией горизонта, а последовательно и по одиночке решать проблемы, не отвлекаясь. Шушурин, значит Шушурин, паять только его, а в перерыве можно заняться почитушками. Начать, я думаю. надо с блока питания. Пока всё в виде хорошего макета. То есть не на соплях, а прочно но без корпусов.
Не забыват о мерах предосторожности - изолировать 220 В, ставить предохранители, пока не ставить выходные транзисторы, переменный резистор параллельный двум диодам поставить на минимум сопротивления.
Включить, измерить напряжение на выходе, ток покоя. Это первый этап.
Подготовить теплоотводы (радиаторы) для мощных транзисторов, предусмотреть изоляцию транзисторов от радиаторов (слюда).
 

Динозавр

1 ранг
Регистрация
31 Янв 2023
Сообщения
2,949
Реакции
872
Репутация
52
Страна
Россия
Город
станица Пашковская
Имя
Александр
Предупреждений
3
АВК: не удалось достать Галицкого, доставайте Маска- он уже чипы в голову желающим имплантирует...
 

АВК

2 ранг
Регистрация
13 Ноя 2023
Сообщения
827
Реакции
63
Репутация
11
Возраст
67
Город
культурная столица Поволжья
Имя
дядя АЛЕКС
Сергей, я извиняюсь за мою невнимательность, имя то Ваше я прочёл...
Так, по вопросам
- книгу скачал и пролистал.
Первое впечатление - она для школьного кружка ''очумелые ручки'', для заученных очкариков, которых не любят девочки :) :) :) :)
Ну это я несколько приколисто охарактеризовал....
Про Ваш призыв ''достать паяльник'' тут не всё так просто.
Я давно не паял серьёзного. Заначки деталей в кладах, которых на сей момент я раскопал где то 2\3.
Надо бы добраться и оприходовать ВСЕ запасы, чтоб знать - что лучше есть в наличии.
Это не так просто...
Пока ковыряю то, что под руками. Это наушники.
Заодно, чтоб потом небыло задержек, отрабатываю теоретические вопросы.
Вот и по Шушурину в том числе.
Про остальные упомянутые ''изделия'' - Лидеры и УСС2 посмотрите в теме
Если будет интерес, можем переместить диалог туда.
А сейчас я ''войду'' на форум и смогу добавить картинок.
 

Вложения

  • IMG_20240126_165208.JPG
    IMG_20240126_165208.JPG
    1 MB · Просмотры: 175
  • тип 110.JPG
    тип 110.JPG
    47.3 KB · Просмотры: 148
  • ЩЦМ схема.JPG
    ЩЦМ схема.JPG
    227.5 KB · Просмотры: 260
  • ЩЦМ верх.jpg
    ЩЦМ верх.jpg
    112.3 KB · Просмотры: 171
  • 2023-05-23_12-53-52.png
    2023-05-23_12-53-52.png
    139.1 KB · Просмотры: 157
Последнее редактирование:

KSV

1 ранг
Регистрация
10 Июн 2020
Сообщения
7,000
Реакции
7,239
Репутация
257
Страна
Россия
Город
Москва
Имя
Сергей
Так, по вопросам - книгу скачал и пролистал.
Первое впечатление - она для школьного кружка ''очумелые ручки'', для заученных очкариков, которых не любят девочки
Для девочек есть другие сайты. Опять не понравилось? Ну тогда покажите как надо писать книги.
Про Ваш призыв ''достать паяльник'' тут не всё так просто.
Я давно не паял серьёзного.
Как говорится, кто не хочет, ищет отмазки. Усилитель Шушурина трудно назвать чем-то серьёзным.
Заначки деталей в кладах, которых на сей момент я раскопал где то 2\3.
Так и не пойму: платы для Шушурина лежат готовые и распаяные или это протравленный и окислившийся текстолит.
Надо бы добраться и оприходовать ВСЕ запасы, чтоб знать - что лучше есть в наличии. Это не так просто...
Ну да, если делать инвентаризацию и учитывать каждую деталь.
Пока ковыряю то, что под руками. Это наушники.
Интересно, что можно ковырять в ТДС-1.
Заодно, чтоб потом небыло задержек, отрабатываю теоретические вопросы.
Вот и по Шушурину в том числе.
Всё уже отработано до нас автором. Паять надо и настраивать.
Теоретические и юридические вопросы - для новых усилителей.
Авторские права, патенты и всё такое.
Про остальные упомянутые ''изделия'' - Лидеры и УСС2 посмотрите в теме
Посмотрел, там куча страниц. Тратить на это целый день не хочу. Наверняка увижу ка гора пытается родить мышь.
Если будет интерес, можем переместить диалог туда.
Лучше котлеты (Шушурин) отдельно от мух (усс).
А сейчас я ''войду'' на форум и смогу добавить картинок.
Картинки добавлены, не в текст, но смотреть можно.
1 Нормальные транзисторы и радиаторы. Надеюсь, изолированы снизу.
2 Видел другие параметры на эти транзисторы, но остаюсь при мнении, что в хорошем УМЗЧ им не место.
3 Что такое ЩЦМ так и не понял, но это не для звука. И вообще непонятно как такая схема может работать. Нагрузка первого каскада 3 ом - ЖУТЬ.
4 Много древних деталек. Конденсаторы надо проверять поголовно.
5 Схема для симулянтов. Делать такую никогда не буду, даже за деньги - жаль терять время.
 

slami

1 ранг
Регистрация
15 Янв 2021
Сообщения
1,420
Реакции
1,124
Репутация
58
Возраст
53
Страна
Россия
Город
Иркутская обл.
Имя
Вячеслав
Про ЩЦМ - прикольные оконечники. Летом Бордодынов сделал проект их переделкиив симуляторе. Был тогда у него к ним интерес.
Получились искажения 0.02%. Общем то весьма неплохо для простой схемы.
Тоесть этот проект вроде как схемно доведён и ждёт пайки. Только там в связи с обнаружением вышеупомянутых ТИП110 и прочих транзисторов возможны вариации с знаменами транзисторов.
Это не оконечники, это выходной усилитель кадровой развертки монитора, но в усилитель переделать можно
 

KSV

1 ранг
Регистрация
10 Июн 2020
Сообщения
7,000
Реакции
7,239
Репутация
257
Страна
Россия
Город
Москва
Имя
Сергей
Это не оконечники, это выходной усилитель кадровой развертки монитора, но в усилитель переделать можно
А зачем в теме про УНЧ Шушурина какой-то задрипанный усилитель кадровой развёртки??? Вы смотрели схему? Там каскад с ОЭ на КТ3102 нагружен на резистор 3 (ТРИ) Ом - это полный писец.
И зачем и как этого уродца переделывать в приличный, а не кое-какерный УНЧ??? Он уже собран на плате, КАК её курочить и "апгрэйдить"?
Нафига нам ПОС и "линейность наверху"?
Лучше и проще взять TDA 2003, 2030 и далее по списку.
 

Samodelkin

2 ранг
Регистрация
2 Дек 2022
Сообщения
694
Реакции
304
Репутация
27
Возраст
72
Страна
Россия
Город
Зеленоград
Имя
Андрей
Из ЩЦМ изъять транзисторы, радиаторы и резисторы.
Остальное- в помойку и забыть.
Не надо тратить своё и чужое время на ЭТО.
КТ809 разработан для полумостовых импульсных источников питания. Более никуда не годен.
Радиаторы неплохие, для УНЧа на 10-20 Ватт пойдут.
Остаётся известный всем в СССР( и не только) УНЧ, что упомянут в начале темы.
Вот его и "осваивайте", будет интересно и полезно- ибо положительный результат точно получится!
 

АВК

2 ранг
Регистрация
13 Ноя 2023
Сообщения
827
Реакции
63
Репутация
11
Возраст
67
Город
культурная столица Поволжья
Имя
дядя АЛЕКС
Да, уж....
Радиатор это, на пока, - ЕДИНСТВАЕННЫЙ, под нужный типоразмер выходников.
Те, что стоят - снять.
Поставить феншуйные. Пока паритет мнений - из 2 х
2Т808А или 2Т803А.
И тех и тех штук по 7, тоесть можно отобрать.
Оконечники Шушурина есть, я знаю, где они лежат. Но добраться туда не могу.
Знаю, что был транс ТС180, но к нему тоже пока не попал.
Ну и к основным трансовым залежам тоже....
На пути к моим запасам - супругины творческие запасы....
Короче - жду...........
Поэтому последние месяцы хоть что то где то раскапываю - запасов.
Яж писал, раскопал радиатор - вот этот самый, с фото, дней 10 назад всего то.
Раскопал ТИП110 транзисторы - неделю назад....
Короче процесс..... Ползёт ... Со скоростью несколько меньше скорости улитки...

Про наушники - да вот экспериментирую с амбшюрами на ТДС13.
Вот никогда бы не подумал, что толщина амбшюров - какие то миллиметры, влияют на мутность-чёткость звука....
ТДС1 уже разобрал. Ждут возможности на переделку.
Думаю, в ближайшие дни переделаю и соберу.
Надеюсь, что звучание их заметно улучшится.
Если очень интересно я могу сфоткать ''в процессе''... :)
Если ''письменно'', то могу и сейчас - весь поролон уже снял.
Колпачки ''пылезащитные'' на дырЬки вырезал.
Далее - подгоню размер колпачков, приклею.
В пространство корпусов ''мягко'' проложу синтепон. Соберу. Ну обломанные провода - перепаяю. Все.
Замысел таков - так как поролон уже не помешает, НЧ будут сзади использовать ВЕСЬ обьём корпуса, с мягким гашением синтепоном, тоесть будет ЗЯ приличного обьёма, с щелевым распространением. Это относительно мощности в 1мвт.
Колпачёк чего то весит - резонансная частота дифузора понизится. Колпачёк создаёт под собой - с керном, камеру поджатия - демпфирования. Опять же на качество НЧ сколько то повлияет.
Далее - ВЧ будет излучать колпачОк, а не поролон...
А колпачки - композитные - 2 слоя тонкой фольги и 3 слоя тонкого пластика - запрессованные в ''монолит'', меньше миллиметра толщиной.
Так что ''призвуков'' люминя или ''глухости'' бумаги не будет.
Вот такие у меня задумки по ТДС1.
Ну а там уж, что получится. В крайнем случае поэкспериментирую с эквалайзером - попробую ''анти АЧХ'' подобрать.

Про книги - а Вам о ЧЕМ интересно или полезно читать ?
Ну и я не уверен, что мой стиль написания кому то понравится, если он и мне то не больно....

По УСю Шушурина - а вот на мой взгляд он более чем СЕРЬЁЗЕН.
Вот Лидерские УСи - простроваты, но в меру.
ЩЦМ и подобные - вот это да, простые и понятные.

Кстати, про ЩЦМ никто ничего не понял.
Вообще не понял.
Фоты - как они есть после моего ''усовершенствования'' лет 20-25 назад.
Схема приведена исходная - кадровая. Сейчас уже давно не такая.
А на симуляторе схема его же, но исправленная и улучшенная Бордодиновым. Там же её параметры.
Это ещё делать надо.
ООС - с ''отрицательным сопротивлением''. Впрочем она там такая и заложена.
У Бордодинова ООС нарисована обычная.
А у меня замысел сделать ''комбинированную'' - встречал я такое описание и расчёт. Интересно. Если результат эксперимента будет хорошим, то можно будет всюду делать комбиООСы.

slami, Вы правы насчёт ЩЦМа - вот мне ПО ПРИКОЛУ переделать их( 2 оконечника) в УСи по 5 ватт (на 8и омных колонках) и снабдить их разными экспериментальными ''плюшками''...

Кстати, пару страниц назад я Вам кучку вопросов назадавал.... Сможете ответить ?

KSV, дело в том, что ничего курочить в ЩЦМах не надо, весь ''тюнинг'' от Бордодынова, это смена нескольких деталей (в те же дырки) и небольшая ''прокидка сопли''...
Всё технологично и просто....
А древние детали мне по феншую. На современных и дурак сделает конфетку.
 

KSV

1 ранг
Регистрация
10 Июн 2020
Сообщения
7,000
Реакции
7,239
Репутация
257
Страна
Россия
Город
Москва
Имя
Сергей
Да, уж...
Александр!!! Сделаю еще одну попытку, может последнюю или предпоследнюю, достучаться до Вас.
Простите за некорректность, но
вы напоминаете мне современного чееловека, который мчится по тротуару с людьми на электросамокатике, с затычками в ушах и телефончегом перед шлазами. Ему кричат, а он не слышит, сшибает людей, но рано или позддно сшибёт и столб.
Радиатор это, на пока, - ЕДИНСТВАЕННЫЙ, под нужный типоразмер выходников.
Вот именно он пока и нужен и с именно теми транзисторами которыее уже стоят.
Поставить феншуйные.
Это китайские, с Али? Или рекомендованные Шушуриным?
Пока паритет мнений - из 2 х
2Т808А или 2Т803А.
Мнений или лично Вашего мнения путём отбрасывания чужих неугодных мнений?
И тех и тех штук по 7, тоесть можно отобрать.
При всё уважении, КАК будете отбирать? Для мощных транзисторов это не так просто, ку думаете.
Оконечники Шушурина есть, я знаю, где они лежат.
Ура!
Но добраться туда не могу.
Увы!! Как в анекдоте "а вот это хорошо, а вот это плохо". Боюсь, не только лишь у всех хватит терпения дождаться этого момента.
Знаю, что был транс ТС180, но к нему тоже пока не попал.
Пока не обязательно он, да и вообще, при ваших запросах по мощности (неясно какая акустика, поэтому посчитать не удастся) должно хватить не 180 Вт а 40...60 Вт.
На пути к моим запасам - супругины творческие запасы....
Понятно. Ахтунг! Минен! Не приближаться.
Яж писал, раскопал радиатор - вот этот самый, с фото, дней 10 назад всего то.
После опубликования фото, видели и читали.
Раскопал ТИП110 транзисторы - неделю назад....
Я бы закопал их обратно.
Про наушники - да вот экспериментирую с амбшюрами на ТДС13.
М-да. Посмотрел (описание есть и на этом сайте). Пионерские наушники (не Pioneer а те что в красных галстуках ходили). Спад ниже 100 Гц и выше 3 кГц.
И капсюли такие, неизвестно как их менять на китайские. А я про какие-то Байердинамики пишу...
Вот никогда бы не подумал, что толщина амбшюров - какие то миллиметры, влияют на мутность-чёткость звука....
О сколько нам открытий чудных...
Александр! Не корчу из себя знатока, особенно наушников. Но вы подобны абсолютному и всё подавляющему большинству людей. Которые не читают написанное до них и для них, а радостно бегут по граблям.
Я немножко кое-что написал здесь по поводу наушников, их измерений, доработок и пр. А Вы открываете Америку в 21 веке.
ТДС1 уже разобрал. Ждут возможности на переделку.
Думаю, в ближайшие дни переделаю и соберу.
Надеюсь, что звучание их заметно улучшится.
Главное - надеяться на чудо. Завидую. Я скептик, не родился, но стал таким.
Если очень интересно я могу сфоткать ''в процессе''... :)
Спасибо, для других, мне вредно волноваться. Я могу не стерпеть и что-то плохое написать.
Замысел таков - так как поролон уже не помешает, НЧ будут сзади использовать ВЕСЬ обьём корпуса, с мягким гашением синтепоном, тоесть будет ЗЯ приличного обьёма, с щелевым распространением. Это относительно мощности в 1мвт.
:sick: Нет слов.
Колпачёк чего то весит - резонансная частота дифузора понизится. Колпачёк создаёт под собой - с керном, камеру поджатия - демпфирования. Опять же на качество НЧ сколько то повлияет.
Facepalm
Далее - ВЧ будет излучать колпачОк, а не поролон...
Нет слов.
А колпачки - композитные - 2 слоя тонкой фольги и 3 слоя тонкого пластика - запрессованные в ''монолит'', меньше миллиметра толщиной.
Так что ''призвуков'' люминя или ''глухости'' бумаги не будет.
Вот где правда, а я не знал.
Про книги - а Вам о ЧЕМ интересно или полезно читать ?
В смысле по теме сайта или вообще? Если я буду писать про всё то что мне интересно, сайт не выдержит такого объёма и меня с позором выставят на мороз.
По УСю Шушурина - а вот на мой взгляд он более чем СЕРЬЁЗЕН.
Это новый взгляд на усилитель. Миллионы (надеюсь) пионэров его сделали и он у них заработал. Хорошо что они не знали, что усилитель серьёзный.
ЩЦМ и подобные - вот это да, простые и понятные.
Ну так объясните мне про нагрузку первого транзистора КТ3102 резисторов 3 ома.
Кстати, про ЩЦМ никто ничего не понял. Вообще не понял.
Согласен! Как говорил Задорнов: ну, тупые!
Фоты - как они есть после моего ''усовершенствования'' лет 20-25 назад.
Схема приведена исходная - кадровая. Сейчас уже давно не такая.
А на симуляторе схема его же, но исправленная и улучшенная Бордодиновым.
Не а. В симулянте СОВСЕМ другая схема. Там ПЛОХАЯ типовая схема.
Там же её параметры. Это ещё делать надо.
Гладко было на бумаге...
ООС - с ''отрицательным сопротивлением''. Впрочем она там такая и заложена.
У Бордодинова ООС нарисована обычная.
Знаю ООС, знаю ПОС, знаю ОООС, знаю с 1979 года для чего в УНЧ применяют отрицательное выходное сопротивление, а то что вы пишете - не знаю.
А у меня замысел сделать ''комбинированную'' - встречал я такое описание и расчёт. Интересно. Если результат эксперимента будет хорошим, то можно будет всюду делать комбиООСы.
То есть вы считаете, что до сих пор никто не додумался и не применяет в одном усилителе и отрицательную, и положительную обратные связи?
И с Вашей подачи теперь все строем начнут паять что вы придумали?
Нет, техническую литературу читать всё-таки надо. Понимаю, что там много воды, но в ней и рыбки плавают.
slami, Вы правы насчёт ЩЦМа - вот мне ПО ПРИКОЛУ переделать их( 2 оконечника) в УСи по 5 ватт (на 8и омных колонках) и снабдить их разными экспериментальными ''плюшками''...
Коекакерные УНЧ сделанные ради понтов "я тебя слепила из того что было" - это плюшки? Ну пущай тогда их Карлсоны жуют.
KSV, дело в том, что ничего курочить в ЩЦМах не надо, весь ''тюнинг'' от Бордодынова, это смена нескольких деталей (в те же дырки) и небольшая ''прокидка сопли''...
А вот и нет. У меня глаза есть. Схема этой углошлифовальной машины и то что в симуляторе - большая, огромная разница.
Всё технологично и просто....
Но не только лишь для всех, для меня - не просто.
А древние детали мне по феншую. На современных и дурак сделает конфетку.
А-а-а, по фэншую - это вежливая иносказательная форма пох.ю
Увы, не только лишь все дураки из современных деталей могут сделать конфету, разве только в симуляторе, а в железе почему-то начинаются объяснения в стиле "гранаты не той системы".
Вижу что зря я взялся что-то советовать, у Вас есть гуру Бордодынов.
Он скажет как надо.
 

АВК

2 ранг
Регистрация
13 Ноя 2023
Сообщения
827
Реакции
63
Репутация
11
Возраст
67
Город
культурная столица Поволжья
Имя
дядя АЛЕКС
Пока Вы только критиканите. И выражаете несогласие с моими мнениями по вопросам.
Ладно, чем больше мнений и их сравнений, тем больше шанс в конце концов выйти на ИСТИНУ.
Так иваот, попытаюсь ещё раз донести смысл действ.
Начну с ЩЦМа. Ну где Вы там видите 3 ома кроме как в первоначальной схеме генератора пилы ?
Нет этих 3 омов уже лет 20 как. Может и больше.
И схемы Вы сравнили в спешке.
А на самом деле - вот если ''подетально'' с учётом перестановки и изменения то схема 1:1.
Я же всё описал. Но Вы не поняли.
Да, ещё - вот уже 2й раз мне на глаза попадается ''прямоугольничек'' с надписью ''спойлер''.
Бестолковый какой то - НЕкликабельный.
НЕоткрывной...
И что там ?
Детали с АЛИ да и вообще ''китайские'' мне не по феншую.
Вот ВСЕГДА считал, что для ''творчества'' детали должны быть только халявными. И лучше если не рассыпухой, а уже готовыми рабочими блоками, которые надо немного ''доветъсти'' и улучшить.
Ну а с ''нуля'' делать самому платы это только в случае изготовления чего то эсклюзивного, того что не добыть халявно.
Для меня НЕТ ''неугодных мнений''.
Для меня все мнения пришедшие со стороны являются РАВНОВЕСНЫМИ. Я учитываю только их число и ''вектор''. Ну и по возможности моих знаний пытаюсь их все анализировать.
Акустика у меня и в моём ближайшем доступе такая - S90 улучщенные ПАСами, 6АС-503 переключаемые с 2 на 8 Ом, самоделка на 4 ома в заводском корпусе и с переделанный заводскими фильтрами 5и ваттные, самодела которую планирую переделать на 3 дина, самоделка, вернее ''детали корпуса и динамики'' валяющиеся и замысленные к сбору в ещё 1 колонку примерно так же 5 и ваттную, которую посредствам переключений и подключений можно былобы соединять параллельно или последовательно с вышеупомянутой так же самодельной колонкой.
Ну???
Я тоже СКЕПТИК, но люблю эксперименты, особо такие, до
которых ещё никто не дродумывался.
И что то такое ''сотворить - чего ''не может быть'', но я могу додуматься ''как это работает''.
Но ТАКОЕ видимо Вам не интересно.
Кстати, Вы знаете, что в СССР был институт ВОИР, где учили изобретать ?
Преподы считали меня ''наиспособнейшим'' на курсе. :) :) :)
Кстати, за мной числится ''самое масштабное изобретение всех времён и народов''.
Книга Гиннеса 3 недели со мной переписывалась и размышляла.
Потом выдали - ''нет, наши читатели не поймут и не смогут оценить замысла''.
Про ''гладко было на бумаге'' - ну незнаю.... Элемент риска, конечно есть.
Но такой же риск и в любой самоделке или в ''тюнинге''.
Да, придётся паять и надеяться на лучшее....
Но ''процесс пошОл'' ... а общем то я ''копуша''. Когда изобретал АРМ (акустический резонансный автоМассажОр) у меня от замысла до начала паяния прошло 7 лет. Потом за месяц сотворил 3 варианта. Лучшим оказался 2й. А германиевые останки 3го недавно раскопал. Можно будет кАдА нибуТЬ модернизированного Беслика спаять :)
Ну или ''генератор здоровья'' замысел с идеей лет 10-12 как.
Вот надеюсь, что засяду скоро попаять его, ну в ближайшие годы.
Что то устал писательствовать...
К моему сожалению у Бордадынова СВОИ планы и если ему что то ИНТЕРЕСНО, только тогда он кому то поможет.
Кроме того мне пока ''стыдно'' - Бордадынов разработал хороший тюнинг схемы ещё летом.
А я до сих пор не смог взяться на воплощение паяльником....
Увы...
 

Вложения

  • ЩЦМ рost1.jpg
    ЩЦМ рost1.jpg
    65.4 KB · Просмотры: 107
Последнее редактирование:

KSV

1 ранг
Регистрация
10 Июн 2020
Сообщения
7,000
Реакции
7,239
Репутация
257
Страна
Россия
Город
Москва
Имя
Сергей
Пока Вы только критиканите.
Отнюдь. Я настойчиво предлагаю план действий. Простой, быстрый, реальный. Это не критиканство. Просто он Вам не нравится, вы же хотите из него сделать что-то уникальное. Не получится т. к. надо менять всё.
И выражаете несогласие с моими мнениями по вопросам.
Простите, раз у Вас есть проблемы с этим усилителем и вы давно "не брали в руки шашек", и этот усилитель ддля вас сложен, откуда тогда есть МНЕНИЕ?
Ладно, чем больше мнений и их сравнений, тем больше шанс в конце концов выйти на ИСТИНУ.
Если под ней подразумеваете что-то высшего качества - не получится. А без лишней самодеятельности получится простой просто хороший усилитель, который мог собрать каждый школьник, если следовал рекомендациям Шушурина.
Начну с ЩЦМа. Ну где Вы там видите 3 ома кроме как в первоначальной схеме генератора пилы ?
ЩЦМ схема.JPG

Вот, красной стрелочкой. Жаль, что вы не понимате - это тоже нагрузка и для маломощного транзистора неподъёмная.
А синей указал резистор ПОС, который не факт что нужен для этого УНЧ.
Петлевое усиление этой схемы крохотное, она очень сильно далека от совершенства, повторять её как УНЧ - неразумно.
Если она есть в железе, то единственное на что она годится, как писали выше - взять с неё транзисторы и резисторы, если других нет, остальное - в мусор.
Нет этих 3 омов уже лет 20 как. Может и больше.
И схемы Вы сравнили в спешке.
Кто-то выкусил? Даже в спешке видно недостатков как блох на Жучке, не стоит она того чтобы тратить время на указание всех.
А на самом деле - вот если ''подетально'' с учётом перестановки и изменения то схема 1:1.
Я же всё описал. Но Вы не поняли.
Ну где уж мне.
Да, ещё - вот уже 2й раз мне на глаза попадается ''прямоугольничек'' с надписью ''спойлер''.
Бестолковый какой то - НЕкликабельный.
НЕоткрывной...
И что там ?
Толковый и кликабельный. То что не обязательно читать всем дабы сохранить ваше реноме.
Детали с АЛИ да и вообще ''китайские'' мне не по феншую.
С помойки лучше?
Вот ВСЕГДА считал, что для ''творчества'' детали должны быть только халявными. И лучше если не рассыпухой, а уже готовыми рабочими блоками, которые надо немного ''доветъсти'' и улучшить.
Интересный взгляд. А где залежи этих халявных блоков и сколько в них новых хороших деталей.
Дело в том, и я много про это писал, хотя и ничего не понимаю, что найти хорошие мощные советские транзисторы с параметрами Санкен или Тошиба - задача невозможная.
Ну а с ''нуля'' делать самому платы это только в случае изготовления чего то эсклюзивного, того что не добыть халявно.
Понял. То есть платы для УНЧ Шушурина взяты с какого-нибудь очередного ЦУШМ.
Для меня НЕТ ''неугодных мнений''.
Есть только Ваше (нет, ещё Бордадынова). Мнения Шушурина и других разработчиков Вас не интересуют.
Для меня все мнения пришедшие со стороны являются РАВНОВЕСНЫМИ. Я учитываю только их число и ''вектор''. Ну и по возможности моих знаний пытаюсь их все анализировать.
У мения появился "вектор". Вот теперь я понял что все три верхних образования у вас гуманитарные.
Акустика у меня и в моём ближайшем доступе такая - S90 улучщенные ПАСами,
ПАС наложен на ФИ? Бордадынов посоветовал?
Всё ясно. Факир (это я) был пьян и фокус не удался. Не сумел ни помочь, ни предостеречь.
Я тоже СКЕПТИК, но люблю эксперименты, особо такие, до
которых ещё никто не дродумывался.
Сильно. Ждём. В студию!
И что то такое ''сотворить - чего ''не может быть'', но я могу додуматься ''как это работает''. Но ТАКОЕ видимо Вам не интересно.
Только Вы д'Артаньян, а мы мимо шли. Нет, очень интересно.
Кстати, Вы знаете, что в СССР был институт ВОИР, где учили изобретать ?
В СССР много чему учили, и сейчас много чему учат, вот даже ЕГЭ ввели и Болванскую систему, непонятно только откуда неучи берутся.
Преподы считали меня ''наиспособнейшим'' на курсе. :) :) :)
Надо было сразу написать, что Вы наиумнейший и наимудрейший, я бы молчал в тряпочку.
Кстати, за мной числится ''самое масштабное изобретение всех времён и народов''.
Книга Гиннеса 3 недели со мной переписывалась и размышляла.
_scare Неужели та самая пивная книжка??
Потом выдали - ''нет, наши читатели не поймут и не смогут оценить замысла''.
Вот и мы не доросли, прошу пардону.
Про ''гладко было на бумаге'' - ну незнаю.... Элемент риска, конечно есть.
Но такой же риск и в любой самоделке или в ''тюнинге''.
Да, придётся паять и надеяться на лучшее....
Мы с Вами.
Но ''процесс пошОл'' ... а общем то я ''копуша''. Когда изобретал АРМ (акустический резонансный автоМассажОр) у меня от замысла до начала паяния прошло 7 лет.
Боюсь, не доживу до момента, когда платы шушурина заработают, а жаль.
Ну или ''генератор здоровья'' замысел с идеей лет 10-12 как.
Вот надеюсь, что засяду скоро попаять его, ну в ближайшие годы.
Что то устал писательствовать...
Чур я первый в очереди. А молодильные яблоки будут? Мне бы помолодеть на полсотни лет, ну хотя бы на 40.
К моему сожалению у Бордадынова СВОИ планы и если ему что то ИНТЕРЕСНО, только тогда он кому то поможет.
Жаль.
Кроме того мне пока ''стыдно'' - Бордадынов разработал хороший тюнинг схемы ещё летом. А я до сих пор не смог взяться на воплощение паяльником.... Увы...
Увы и Ах. Засим откланиваюсь поскольку я и в подмётки не гожусь Бордадынову.
_ty1_ty1 _ty1
 

Tehnar

3 ранг
Регистрация
17 Янв 2024
Сообщения
207
Реакции
9
Репутация
6
Страна
Беларусь
Город
Могилев
Имя
Александр
Ребята, подскажите пожалуйста, какие изменения нужно внести в схему, чтобы запитать усилитель Шушурина 78 от +42 Вольт? Все транзисторы родные, по схеме, выходные КТ808А ?
 

М.Васильев

1 ранг
Регистрация
25 Янв 2022
Сообщения
2,297
Реакции
698
Репутация
54
Возраст
68
Страна
Россия
Город
Пестово
Имя
Максим
Ребята, подскажите пожалуйста, какие изменения нужно внести в схему, чтобы запитать усилитель Шушурина 78 от +42 Вольт? Все транзисторы родные, по схеме, выходные КТ808А ?
резистор с плюса на диоды источников тока увеличить до 24-27ком. Но транзисторы выходные по току на тонкого. Надо бы две пары . Ну еще надо бы увеличить номинал резистора в эмиттере КТ602 с 56 ом хотя бы до 68 ом .Греться поменьше будут.
 
Последнее редактирование:

NEULO

1 ранг
Регистрация
14 Июл 2019
Сообщения
3,842
Реакции
1,959
Репутация
93
Возраст
52
Страна
Россия
Город
Одинцово
Предупреждений
4
Ребята, подскажите пожалуйста, какие изменения нужно внести в схему, чтобы запитать усилитель Шушурина 78 от +42 Вольт? Все транзисторы родные, по схеме, выходные КТ808А ?
А может ненадо? Что за мания такая? Запитайте от штатных 35 да и всё.
 

Samodelkin

2 ранг
Регистрация
2 Дек 2022
Сообщения
694
Реакции
304
Репутация
27
Возраст
72
Страна
Россия
Город
Зеленоград
Имя
Андрей
Ребята, подскажите пожалуйста, какие изменения нужно внести в схему, чтобы запитать усилитель Шушурина 78 от +42 Вольт? Все транзисторы родные, по схеме, выходные КТ808А ?
Вначале хорошо бы почитать паспорт на транзистор.
Или данные в хорошем справочнике, где мелким шрифтом, внизу,
указаны условия, при которых разные замечательные характеристики указаны.
Например - 120 Вольт К\Э.
Которые гарантированы при сопротивлении в Б\Э транзистора 10 Ом.
То есть в раскачку тоже надо транзистор менять.
При простой замене - спАлите транзисторы - 100%.
 

М.Васильев

1 ранг
Регистрация
25 Янв 2022
Сообщения
2,297
Реакции
698
Репутация
54
Возраст
68
Страна
Россия
Город
Пестово
Имя
Максим
я бы не был столь безоговорочен. 80 вольт они выдержат , а остальное надо в симе смотреть. 53 ватта рассеивать будут с идеальным бп. С просадкой пару тройку вольт потянут. Но все на тонкого, при перегрузке или в клипе особо. А козу эта схема и с меньшими питаниями не держит
 

Вложения

  • шушурин М  ОБР.PNG
    шушурин М ОБР.PNG
    26.4 KB · Просмотры: 75
Последнее редактирование:
Регистрация
12 Ноя 2019
Сообщения
28,311
Реакции
13,622
Репутация
395
В схеме есть транзисторы КТ209м , у которых Uкэ по памяти 80 в. Обычно где 80 там и 100, но лучше их отобрать по пробивному.
 

Samodelkin

2 ранг
Регистрация
2 Дек 2022
Сообщения
694
Реакции
304
Репутация
27
Возраст
72
Страна
Россия
Город
Зеленоград
Имя
Андрей
я бы не был столь безоговорочен
Тут чисто по жизни:
1. Надо человеку мОщи поболее..., то есть крутить громкость будет "от души", на любой нагрузке.
2. Заявлено +\- 42 вольта. Будет ставить стабилизатор? - НЕТ.
То есть сюда надо добавить в + разброс сетевого и добавку напруги,
когда ус будет работать на х.х., без нагрузки.
(42 Вольта - оно же при штатной мощности в нагрузке должно быть?)
Так что спалит нахрен транзисторы. Влёгкую.
 

М.Васильев

1 ранг
Регистрация
25 Янв 2022
Сообщения
2,297
Реакции
698
Репутация
54
Возраст
68
Страна
Россия
Город
Пестово
Имя
Максим
Может транс с большой просадкой ? Н а 4 ома с учетом импеданса все паршиво
 

Вложения

  • шушурин М  ОБР 4ом.PNG
    шушурин М ОБР 4ом.PNG
    25.8 KB · Просмотры: 71
Последнее редактирование:

Tehnar

3 ранг
Регистрация
17 Янв 2024
Сообщения
207
Реакции
9
Репутация
6
Страна
Беларусь
Город
Могилев
Имя
Александр
А может ненадо? Что за мания такая? Запитайте от штатных 35 да и всё.
У меня просто есть трансформатор от Корвета 068, там выпрямленное питания +- 42 вольта. Вот думаю как Шушурина приспособить под него. Это не мания, не волнуйтесь.
 
Регистрация
12 Ноя 2019
Сообщения
28,311
Реакции
13,622
Репутация
395
У меня просто есть трансформатор от Корвета 068, там выпрямленное питания +- 42 вольта. Вот думаю как Шушурина приспособить под него. Это не мания, не волнуйтесь.
Если есть место, поверх каркаса намотать по слою , соединить с первичкой синфазно, напряжение во вторичке присядет .Если 25 вольт переменки -выпрямленное будет 30в.
 

NEULO

1 ранг
Регистрация
14 Июл 2019
Сообщения
3,842
Реакции
1,959
Репутация
93
Возраст
52
Страна
Россия
Город
Одинцово
Предупреждений
4
У меня просто есть трансформатор от Корвета 068, там выпрямленное питания +- 42 вольта. Вот думаю как Шушурина приспособить под него. Это не мания, не волнуйтесь.
тут вопрос какая нагрузка будет? и какие транзисторы на выходе , обычные 808 или 808 с окончанием М.
 

Tehnar

3 ранг
Регистрация
17 Янв 2024
Сообщения
207
Реакции
9
Репутация
6
Страна
Беларусь
Город
Могилев
Имя
Александр
тут вопрос какая нагрузка будет? и какие транзисторы на выходе , обычные 808 или 808 с окончанием М.
Только 8 Ом, я 4 Ом вообще не использую! КТ808А в железе на 3 ножки
 

АВК

2 ранг
Регистрация
13 Ноя 2023
Сообщения
827
Реакции
63
Репутация
11
Возраст
67
Город
культурная столица Поволжья
Имя
дядя АЛЕКС
KSV, хорошо, расставалю точки над i.
Вы - торопыга, гоните планы.... Всё бы побыстрей, никаких задержек ни от чего....
И всё должно быть СУПЕР-ПУПЕР, высший класс.

У Вас даже мысль не промелькнула, что далеко не всем нужен ''высший класс''.
К примеру меня, если ориентироваться на советские классы аппаратуры, вполне устроит 1го класс.
Всё равно я не ощутю разницу между качеством звука 1го и высшего класса. Уши такие...
А вот 1го и 2го уже могу.... Хотя и с большим трудом.

И я ориентируюсь на мои возможности, потребности и знания. Поэтому Шушурин78 для меня СЕРЬЁЗНЫЙ аппарат.

Про ЩЦМ Вы так и не захотели понять то, что я писал.
Вы ''упёрлись'' в схему именно кадровика, хотя я недавно выложил схему ''очищенную'' от специфичности.
Да и вообще, я эти ЩЦМы рассматриваю как сугубо экспериментальные.
Как платформу для отработки интересных проектиков.

Про спойлер - так на этом сайте полно глюков. Невидимость содердания спойлера это 1 из них...

Далее - конкретно про усилитель Шушурина.
Меня интересуют всего то 2 ПРАКТИЧЕСКИХ вопроса - наилучшие оконечные транзисторы, из имеющихся и каково улучшение искажений от применения симметрирующего конденсатора шунтирующего цепочку диодов термокомпенсации - ЭТО В %-х.
Всего 2 вопроса, и никаких более.

И вопрос - ''недалеко отсюда''..
Вот ''стандартная'' схема Лидер206 если ей заменить выходные транзисторы на дарлингтоны станет весьма похожей на Шушурина78.
Только вход НЕ диф каскад а обычный. И несколько попроще. А вот термокомпенсация качественней.
Это так, для размышлений ...

Последнее - если Вас не затрагивает какой либо интерес к общению, то да, лучше ''раскланятся''.
И мне непонятен Ваш сарказм относительно Бордодынова.
Вообще не понятен, как будто меж Вами и им чёрный кот перебежал...
 

Статистика форума

Темы
3,095
Сообщения
236,208
Пользователи
2,388
Новый пользователь
AlexxxV
Сверху Снизу