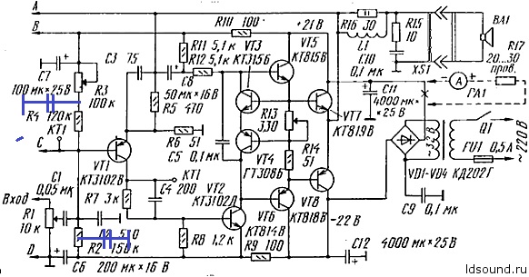
Перепроверил я своего Акулиничева, нашел две ошибки, не тот кондер впаял в 10 раз больший и не тот резистор подстроечный вместо 330 Ом впаял 330 кОм.. Запустился усилитель, заработал, запел, но, как мне показалась очень маленькая мощность, ватт 10, на слух, не более, я такие самоделки не люблю, нагрузка как всегда 8 Ом, играет обыкновенно, я ничего свехестественного в звуке не услышал, но на большой громкости появляется неприятная хрипца. Усилитель я не настраивал, скажу честно, просто все регуляторы установил в среднее положение. радиатор разогрелся как утюг, что не удивительно. Вывод- Шушурин в сто раз больше мне понравился! Наверно ещё соберу пару Шушуриных, возможно квадро сделаю, тем более таких проблем у меня с Шушуриным не было. Да и колонок у меня четыре. Две С-50 и две Вега 50 АС, состояние как с завода, стоят в упаковках. Так что если уже собирать простой усилитель, так это тот, который сразу запускается, который не палит выходные транзисторы, который грамотно спроектирован и не нуждается в сложной регулировке и настройке, с приличной мощностью. Всем этим требованиям, лично для меня, соответствует Шушурин 78, ну или кто хочет на комплементарной паре 818/819 собрать- усилитель Зызюка. Можно Шуш на импорте запилить, знаменитый усилителестроитель DTS уже давно перевел схему на импорт. Могу прикрепить схемки, кому интересно.