Усилитель Шушурина (50 Вт/8 Ом)

  • Автор темы Автор темы LDS
  • Дата начала Дата начала
Что переживать то? Ваши варианты победят уверенно и по всем статьям ведь. Не так ли? Хотя кто его знает?
 

Вложения

  • наш ответ оСелфу тройка имд.PNG
    наш ответ оСелфу тройка имд.PNG
    61.7 KB · Просмотры: 114
  • наш ответ оСелфу тройка имд пол.PNG
    наш ответ оСелфу тройка имд пол.PNG
    63.8 KB · Просмотры: 120
  • наш ответ оСелфу тройка меандр.PNG
    наш ответ оСелфу тройка меандр.PNG
    18.9 KB · Просмотры: 113
Что за конденсатор на 0 p? Какое питание максимальное? Заработает ли вообще в металле?
этот ноль надо изъять. Питание до 40 вольт. Есть сомнения в работоспособности? Ведь классическая схема
 
УВ. М.Васильев, зачем столько конденсаторов? Что это даст кроме лишних дырок в плате.
Давно, в 90х завелась у меня книжка (фото). Там пример расчета усилителя (фото). Собрал (ужас, без комповых дрочерских симуляторов) на макете по этим расчетам, транзисторы все наши: 3102/3107, 502/503, 814/815, 818/819. Заработал сразу, ток только выставил. Питание от 15 до почти 40 в плечо давал - работал, и работал отлично. Чем .... Вы тут занимаетесь если тема про шушуринский усилок 78-го???
Он самодостаточен.
 

Вложения

  • 20240221_173616.jpg
    20240221_173616.jpg
    502.6 KB · Просмотры: 235
  • 20240221_173504.jpg
    20240221_173504.jpg
    437.5 KB · Просмотры: 257
УВ. М.Васильев, зачем столько конденсаторов? Что это даст кроме лишних дырок в плате.
Давно, в 90х завелась у меня книжка (фото). Там пример расчета усилителя (фото). Собрал (ужас, без комповых дрочерских симуляторов) на макете по этим расчетам, транзисторы все наши: 3102/3107, 502/503, 814/815, 818/819. Заработал сразу, ток только выставил. Питание от 15 до почти 40 в плечо давал - работал, и работал отлично. Чем .... Вы тут занимаетесь если тема про шушуринский усилок 78-го???
Он самодостаточен.
Ну и как там с искажениями было? А то ток покоя выставил, это хорошо. Как спектры?
А я скажу. Вон там написано- со средними параметрами качества.
А нас средние уже - не устраивают. И ты что, думаешь один что ли паял в 90-х? Ну это вряд ли.
 
Ну и как там с искажениями было? А то ток покоя выставил, это хорошо. Как спектры?
А я скажу. Вон там написано- со средними параметрами качества.
А нас средние уже - не устраивают. И ты что, думаешь один что ли паял в 90-х? Ну это вряд ли.
Ха-ха-ха, а ты мне лучше расскажи как там с искажениями на девайсах у 99% наших соотечественников? А звучал он точно не хуже бригов/корветов. Работал в ДК, покупал их новыми, знаю о чем пишу.
Дорвались вы до этих дэбильных мерялок не зномо чего, толку то.
 
Ха-ха-ха, а ты мне лучше расскажи как там с искажениями на девайсах у 99% наших соотечественников? А звучал он точно не хуже бригов/корветов. Работал в ДК, покупал их новыми, знаю о чем пишу.
Дорвались вы до этих дэбильных мерялок не зномо чего, толку то.
Ну так то есть хорошо- это значит работает и играет.
не, на самом деле схемка довольно жухлая несмотря на зеркалы кругом.
Токовое зеркало в дифкаскаде шунтируется усилителем напряжения который состоит из одного транзистора ОЭ и не может ДК развить усиления нормального.
Зато сам этот транзистор- он нагружен на динамическую нагрузку.. но.. усиления он развить тоже не в состоянии ибо шунтируется низким входным сопротивлением дарлингтоновского выходного каскада.
Чтобы всё это понять мне симулятор- не нужен. И никогда не нужен был.
Коррекция ничего так, но её приходится скорее всего сильно загрублять ибо не хватает тех самых конденсаторов Васильева( или вернее по другому расставленых, но тоже конденсаторов).
Что до измерений- я могу говорить только за себя и ещё может быть нескольких человек.
photo_2023-08-22_21-43-20.jpg
Это я измерял Тотентанц когда ещё с измериловкой не разобрался. Сплошные помехи. Ну, надо же было с чего то начинать?) :unsure:
ЗЫ. Кстати про звучание бригов и корветов- всё может быть. Но время сейчас другое.
 
Последнее редактирование:
Да ничем особым я не занимаюсь. Просто Кг с о1 понизил до 0.0001% в простой схеме и повысил скорость нарастания усилителя . полоса полной мощности без спада усиления 75кгц

Мне казалось , что люди на форуме подготовленные и понимают схемы. Понимают , почему я поставил последовательно с конденсаторами резисторы в шунтировании источников тока и каскада с ОБ . Понимают , что при интегрирующей оос от предыдущего каскада требуется довольно высокое внутреннее сопротивление , ну и прочие нюансы. Выходит я ошибался
 
Собрал на макете по этим расчетам
Просто сообрази, что эти расчёты можно ...автоматизировать с визуализацией результатов в доступной твоему пониманию форме. Если в шкритековских расчётах оперируют только Uбэ, и то - среднепотолочным, то симуль распоряжается вот таким массивом данных для каждого из транзисторов:

.model KSA992 PNP (
+IS = 48.3f NF = 1.0 BF = 395 VAF = 65
+ISE = 0.5f NE = 1.5 IKF = 0.25
+RC = 48m RE = 4.4m RB = 25 RBM = 2.5 IRB = 3.8m
+ISC = 1.8p NR = 1.0 BR = 5.9 VAR = 12 NC = 1.3
+CJC = 7p VJC = 0.6 MJC = 0.32 TF = 365p VTF = 4.0
+CJE = 25p VJE = 0.855 MJE = 0.4404 ITF = 0.75 XTF = 1.13k
+RCO = 55 VO = 3.0 GAMMA = 490n QCO = 300f QUASIMOD = 1
+EG = 1.16 TR = 10n XTB = 1.285 )

Если ты смотришь для ОУ только фед и шум, а также отзывы дяди Кости Мусатова (если найдёшь), то симуль ворочает таким массивом данных:

******************************************************
.subckt OPA1611 IN+ IN- VCC VEE OUT
******************************************************
.model R_NOISELESS RES (TCE=0 T_ABS=-273.15)
******************************************************
I_OS ESDn MID 3.5e-08
I_B 30 MID 6e-08
V_GRp 45 MID 48
V_GRn 46 MID -47
V_ISCp 39 MID 49.8
V_ISCn 40 MID -47
V_ORn 38 VCLP -13.759
V11 44 37 0
V_ORp 36 VCLP 13.6794
V12 43 35 0
V4 27 OUT 0
VCM_MIN 67 VEE_B 2
VCM_MAX 68 VCC_B -2
I_Q VCC VEE 0.0036
XV_OS 75 30 VOS_DRIFT_OPA1611
XU5 ESDp ESDn VCC VEE ESD_0_OPA1611
XU4 19 ESDp MID PSRR_CMRR_0_OPA1611
XU3 20 VEE_B MID PSRR_CMRR_1_OPA1611
XU2 21 VCC_B MID PSRR_CMRR_2_OPA1611
XU1 23 22 CLAMP VSENSE CLAW_CLAMP CL_CLAMP 24 26 27 MID AOL_ZO_0_OPA1611
C28 31 MID 1P
R77 32 31 R_NOISELESS 100
C27 33 MID 1P
R76 34 33 R_NOISELESS 100
R75 MID 35 R_NOISELESS 1
GVCCS8 35 MID 36 MID -1
R74 37 MID R_NOISELESS 1
GVCCS7 37 MID 38 MID -1
Xi_nn ESDn MID FEMT_0_OPA1611
Xi_np MID 30 FEMT_0_OPA1611
Xe_n ESDp 30 VNSE_0_OPA1611
XIQPos VIMON MID MID VCC VCCS_LIMIT_IQ_0_OPA1611
XIQNeg MID VIMON VEE MID VCCS_LIMIT_IQ_0_OPA1611
C_DIFF ESDp ESDn 8e-12
XCL_AMP 39 40 VIMON MID 41 42 CLAMP_AMP_LO_0_OPA1611
SOR_SWp CLAMP 43 CLAMP 43 S_VSWITCH_1
SOR_SWn 44 CLAMP 44 CLAMP S_VSWITCH_1
XGR_AMP 45 46 47 MID 48 49 CLAMP_AMP_HI_0_OPA1611
R39 45 MID R_NOISELESS 1G
R37 46 MID R_NOISELESS 1G
R42 VSENSE 47 R_NOISELESS 1M
C19 47 MID 1F
R38 48 MID R_NOISELESS 1
R36 MID 49 R_NOISELESS 1
R40 48 50 R_NOISELESS 1M
R41 49 51 R_NOISELESS 1M
C17 50 MID 1F
C18 MID 51 1F
XGR_SRC 50 51 CLAMP MID VCCS_LIM_GR_0_OPA1611
R21 41 MID R_NOISELESS 1
R20 MID 42 R_NOISELESS 1
R29 41 52 R_NOISELESS 1M
R30 42 53 R_NOISELESS 1M
C9 52 MID 1F
C8 MID 53 1F
XCL_SRC 52 53 CL_CLAMP MID VCCS_LIM_4_0_OPA1611
R22 39 MID R_NOISELESS 1G
R19 MID 40 R_NOISELESS 1G
XCLAWp VIMON MID 54 VCC_B VCCS_LIM_CLAW+_0_OPA1611
XCLAWn MID VIMON VEE_B 55 VCCS_LIM_CLAW-_0_OPA1611
R12 54 VCC_B R_NOISELESS 1K
R16 54 56 R_NOISELESS 1M
R13 VEE_B 55 R_NOISELESS 1K
R17 57 55 R_NOISELESS 1M
C6 57 MID 1F
C5 MID 56 1F
G2 VCC_CLP MID 56 MID -1M
R15 VCC_CLP MID R_NOISELESS 1K
G3 VEE_CLP MID 57 MID -1M
R14 MID VEE_CLP R_NOISELESS 1K
XCLAW_AMP VCC_CLP VEE_CLP VOUT_S MID 58 59 CLAMP_AMP_LO_0_OPA1611
R26 VCC_CLP MID R_NOISELESS 1G
R23 VEE_CLP MID R_NOISELESS 1G
R25 58 MID R_NOISELESS 1
R24 MID 59 R_NOISELESS 1
R27 58 60 R_NOISELESS 1M
R28 59 61 R_NOISELESS 1M
C11 60 MID 1F
C10 MID 61 1F
XCLAW_SRC 60 61 CLAW_CLAMP MID VCCS_LIM_3_0_OPA1611
H2 34 MID V11 -1
H3 32 MID V12 1
C12 SW_OL MID 100P
R32 62 SW_OL R_NOISELESS 100
R31 62 MID R_NOISELESS 1
XOL_SENSE MID 62 33 31 OL_SENSE_0_OPA1611
S1 24 26 SW_OL MID S_VSWITCH_3
H1 63 MID V4 1K
S7 VEE OUT VEE OUT S_VSWITCH_4
S6 OUT VCC OUT VCC S_VSWITCH_4
R11 MID 64 R_NOISELESS 1G
R18 64 VOUT_S R_NOISELESS 100
C7 VOUT_S MID 10P
E5 64 MID OUT MID 1
C13 VIMON MID 10P
R33 63 VIMON R_NOISELESS 100
R10 MID 63 R_NOISELESS 1G
R47 65 VCLP R_NOISELESS 100
C24 VCLP MID 10P
E4 65 MID CL_CLAMP MID 1
C4 23 MID 1F
R9 23 66 R_NOISELESS 1M
R7 MID 67 R_NOISELESS 1G
R6 68 MID R_NOISELESS 1G
R8 MID 66 R_NOISELESS 1
XVCM_CLAMP 69 MID 66 MID 68 67 VCCS_EXT_LIM_0_OPA1611
E1 MID 0 70 0 1
R89 VEE_B 0 R_NOISELESS 1
R5 71 VEE_B R_NOISELESS 1M
C3 71 0 1F
R60 70 71 R_NOISELESS 1MEG
C1 70 0 1
R3 70 0 R_NOISELESS 1G
R59 72 70 R_NOISELESS 1MEG
C2 72 0 1F
R4 VCC_B 72 R_NOISELESS 1M
R88 VCC_B 0 R_NOISELESS 1
G17 VEE_B 0 VEE 0 -1
G16 VCC_B 0 VCC 0 -1
R_PSR 73 69 R_NOISELESS 1K
G_PSR 69 73 21 20 -1M
R2 22 ESDn R_NOISELESS 1M
R1 73 74 R_NOISELESS 1M
R_CMR 75 74 R_NOISELESS 1K
G_CMR 74 75 19 MID -1M
C_CMn ESDn MID 2e-12
C_CMp MID ESDp 2e-12
R53 ESDn MID R_NOISELESS 1T
R52 MID ESDp R_NOISELESS 1T
R35 IN- ESDn R_NOISELESS 10M
R34 IN+ ESDp R_NOISELESS 10M
.MODEL S_VSWITCH_1 VSWITCH (RON=10e-3 ROFF=1e9 VON=10e-3 VOFF=0)
.MODEL S_VSWITCH_3 VSWITCH (RON=1e-3 ROFF=1e9 VON=900e-3 VOFF=800e-3)
.MODEL S_VSWITCH_4 VSWITCH (RON=50 ROFF=1e12 VON=500e-3 VOFF=450e-3)
.ENDS OPA1611
*
.SUBCKT VOS_DRIFT_OPA1611 VOS+ VOS-
.PARAM DC = 9.729e-05
.PARAM POL = 1
.PARAM DRIFT = 1E-06
E1 VOS+ VOS- VALUE={DC+POL*DRIFT*(TEMP-27)}
.ENDS

Очень же длинная модель? Ну, и нафига ты проверял?
Потому у симуля схемы получаются точнее, и очень важная для НЕвыгорания уся коррекция встаёт без подбора, или с подбором одной величины.
ужас, без комповых дрочерских симуляторов
А вот это обидно щас было. )))
Что ты рассказал, на самом деле?
Там, где дрочеры ездят на Мерсах и летают на МиГ-31, я ползу на карачках, ибо я крут.
Никаких логических неувязок не видишь?
 
Последнее редактирование:
Ребята, подскажите пожалуйста, может у кого есть схема усилителя MONACOR SA-300, нигде не могу найти оригинальную схему. Хотя бы оконечного УМ. Поиск в нете результатов не дал. Приобрел усилитель, но в нем отсутствует один канал УМ.
 

Вложения

  • IMG_1586.JPG
    IMG_1586.JPG
    457.8 KB · Просмотры: 152
  • IMG_1590.JPG
    IMG_1590.JPG
    353 KB · Просмотры: 147
  • IMG_1584.JPG
    IMG_1584.JPG
    454.9 KB · Просмотры: 164
  • IMG_0672.JPG
    IMG_0672.JPG
    264.8 KB · Просмотры: 152
Корпус отличный для композита на тда2050/лм1875 даже китайского изготовления
 
схему проще срисовать с имеющейся платы. там деталей то на пятак.
 
Оно того стоит (1969 год)?- 15,00 €. С дифкаскадом или без? По печатке нарисовать (обратный инжиниринг)))
Простейшая (стандартная) схема (есть) - мощник на 4 транзисторах. Питание 20 в (однополярное))):)
 
Последнее редактирование:
глянул схемку.. вторую плату сделать будет ноль проблем. я так понял товарищ хочет винтаж восстановить и послушать.
 
глянул схемку.. вторую плату сделать будет ноль проблем. я так понял товарищ хочет винтаж восстановить и послушать.
Я уже послушал, играет отлично и звук очень классный!

глянул схемку.. вторую плату сделать будет ноль проблем. я так понял товарищ хочет винтаж восстановить и послушать.
Всё так...
Оно того стоит (1969 год)?- 15,00 €. С дифкаскадом или без? По печатке нарисовать (обратный инжиниринг)))
Простейшая (стандартная) схема (есть) - мощник на 4 транзисторах. Питание 20 в (однополярное))):)
Ещё как стоит! Звук классный!

Корпус отличный для композита на тда2050/лм1875 даже китайского изготовления
ТДА из принципа не признаю и не монтирую такие усилители! Собрал два усилителя на ТДА2030 и ТДА7294, плевался дальше, чем вижу....такого гадкого звука я не слышал ни от одного усилителя на транзисторах.

Оно того стоит (1969 год)?- 15,00 €. С дифкаскадом или без? По печатке нарисовать (обратный инжиниринг)))
Простейшая (стандартная) схема (есть) - мощник на 4 транзисторах. Питание 20 в (однополярное))):)
https://www.youtube.com/watch?v=yaX...ifier-redkii-vintazhnyi-usilitel.html[/QUOTE]
Простейшая (стандартная) схема (есть) - мощник на 4 транзисторах. Питание 20 в (однополярное))):)
А как схему можно скачать с сайта?
 
Я уже послушал, играет отлично и звук очень классный!
Ээээ, не скажи! А как там с искажениями? Тут слова и восторги не катят, осциллограмму будьте любезны.
 
ТДА из принципа не признаю и не монтирую такие усилители! Собрал два усилителя на ТДА2030 и ТДА7294, плевался дальше, чем вижу....такого гадкого звука я не слышал ни от одного усилителя на транзисторах.
Композит и голая ТДА две немалых разницы.
Почитай тут.
 
Композитов море разных по осности ,скорости , по доступности компонентов, по глючности.
 
Ээээ, не скажи! А как там с искажениями? Тут слова и восторги не катят, осциллограмму будьте любезны.
Искажения меня не интересуют, я не приборами слушаю, а ушами! И осциллограммы меня не интересуют, этот усилитель заводской, хотите получить осциллограммы- пишите на завод-изготовитель. Кстати, недавно здесь человек случай описывал, принесли ему в ремонт усилитель, он его отремонтировал, заодно замеры снял. Решил улучшить, убрать искажения, снизить КНИ. Пришел заказчик, радостный такой, забрал усилитель. На следующий день приволок усилок мастеру, мол, играть перестал, что ты мне там понастраивал, верни всё взад! Пришлось всё переделывать. Усилок запел у заказчика. Выводы- низкие искажения и осциллограммы красивые- ещё не признак качественного звука и я с этим полностью согласен на все 100.
 
Искажения меня не интересуют, я не приборами слушаю, а ушами! И осциллограммы меня не интересуют, этот усилитель заводской, хотите получить осциллограммы- пишите на завод-изготовитель. Кстати, недавно здесь человек случай описывал, принесли ему в ремонт усилитель, он его отремонтировал, заодно замеры снял. Решил улучшить, убрать искажения, снизить КНИ. Пришел заказчик, радостный такой, забрал усилитель. На следующий день приволок усилок мастеру, мол, играть перестал, что ты мне там понастраивал, верни всё взад! Пришлось всё переделывать. Усилок запел у заказчика. Выводы- низкие искажения и осциллограммы красивые- ещё не признак качественного звука и я с этим полностью согласен на все 100.
Там имелось совсем другое. Если ты привык патефон слушать- то переходить на цифровую запись сразу- тяжело. Нужно время. А все эти вопли "где мой звук".. Ну это чушня. Я сейчас слушаю ролики на колонках встроенных в монитор, музыку так не послушаешь. Вот я поставлю свои колонки обратно и подключу к ним усилок с 0.0008% искажений, и что? Думаешь я буду ностальгировать по дерьмовым динамикам из монитора? Ну это вряд ли.
ЗЫ. Человека зовут Виктор Жуковский.) Да, помню рассказывал он эту историю.
 
А как схему можно скачать с сайта?
Там платная регистрация. Проще срисовать на бумажку:)
Пока немцы везде пихали германий, японцы сделали на кремнии...
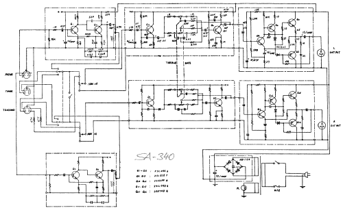
stereo_amplifier_sa_340_1207328.png
 
Последнее редактирование:
А как схему можно скачать с сайта?
Там платная регистрация. Проще срисовать на бумажку:)Посмотреть вложение 88518
Я уже так и понял, хотят денег содрать. Я на Гугле поискал в поиске по фото, вот нашел такую, только по названию другой усилитель, возможно схемы близкие.
 

Вложения

  • PRO TRONIC RS-1515 Solid State Stereo Amplifier, 1975, made in Japan Germany2.jpg
    PRO TRONIC RS-1515 Solid State Stereo Amplifier, 1975, made in Japan Germany2.jpg
    266.6 KB · Просмотры: 174
Сравнить с картинкой по факту (в железе).
Да, так и буду делать..

Сравнить с картинкой по факту (в железе).
По транзисторам вроде совпадает, по мелочевке позже сравню

Там имелось совсем другое. Если ты привык патефон слушать- то переходить на цифровую запись сразу- тяжело. Нужно время. А все эти вопли "где мой звук".. Ну это чушня. Я сейчас слушаю ролики на колонках встроенных в монитор, музыку так не послушаешь. Вот я поставлю свои колонки обратно и подключу к ним усилок с 0.0008% искажений, и что? Думаешь я буду ностальгировать по дерьмовым динамикам из монитора? Ну это вряд ли.
ЗЫ. Человека зовут Виктор Жуковский.) Да, помню рассказывал он эту историю.
Патефон я и не слышал вживую никогда. Слушаю стандартную музыку компьютерного качества, не более, на таких же стандартных усилителях. Усилителей правда у меня много было разных, в основном советского пр-ва. Были несколько импортных, по случаю, сравнил с Бригом и с радостью избавился от хлама. Бриг оказался лучше во всем. Сейчас есть Шуш 78, вы это и так знаете и Амфитон недавно восстанавливал 35у-101. Послушал его, УМ понравился, играет чисто и мощно. искажения не измерял, они меня не интересуют, думаю на уровне заводских.
 
Мне Амфитон в стоке не нравится, звук глуховат- приходится тембры выкручивать. Что касаемо патефона- а я слышал вживую.
 
А как схему можно скачать с сайта?
Там платная регистрация. Проще срисовать на бумажку:)
Пока немцы везде пихали германий, японцы сделали на кремнии...
Посмотреть вложение 88518
Мне кажется что этот усилитель А класса?

Мне Амфитон в стоке не нравится, звук глуховат- приходится тембры выкручивать. Что касаемо патефона- а я слышал вживую.
Да, согласен с вами. В Амфитонах глуховатый УП, но сам УМ вполне хорош, если использовать один УМ без УП! У меня наверно были все возможные Амфитоны, 202, 101, 1-01, 25У,35У, 50У, 75У, двухблочные тоже были. УП Амфитон мне не понравился, ровно как и УП Радиотехника, которые УП в отдельных корпусах. Но чисто УМ в отдельном корпусе из двухблочного набора, вполне качественно играет, мне понравился, но только без подключения УП Амфитон.
 
Шушурин-78 звучал мощно, красиво и напористо, драйвовый звук, без жестянки , присущей разным задохликам из Радивы. А вот продажные Амфитоны звучали тоскливо, серо , без жизни. Ну, играли как-то так, никак. За что были с моей помощью упалены пару раз , чтобы был повод сдать их у магазин обратно, а колонки Сансуи, которыми комплектовался набор, оставить владельцу. Тогда так можно было делать.
 
Мне кажется что этот усилитель А класса?
Откуда там А классу взяться с такими дохлыми выходниками, да на таких радиаторах. Чистеший В, по схеме видно.
Да, и это не sa-300, вроде 340й.
 

Статистика форума

Темы
3,334
Сообщения
268,218
Пользователи
2,564
Новый пользователь
HOlg
Назад
Сверху Снизу