Хуан Пабло
2 ранг
- Регистрация
- 20 Янв 2024
- Сообщения
- 346
- Реакции
- 954
- Репутация
- 34
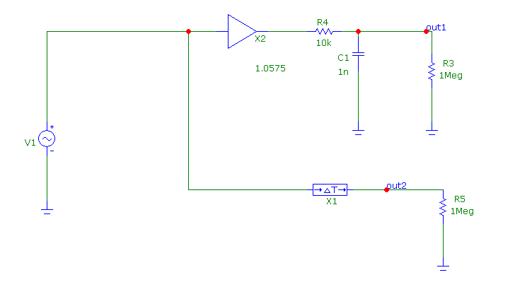
Но мы немножко продолжим эксперимент в различными видами формирования задержки в симуляторе. Попробуем посмотреть что нам покажет товарищ Фурье. Поскольку я пользуюсь 12 версий Микрокап, то первый период смотреть не будем, а начнем с 4-го.
Здесь представлены спектральные составляющие сигнала 10кГц. Стало быть основная гармоника уровнем 0дБ, поскольку я задал 1В входного сигнала. далее слоедуют палки, указывающие уровни второй, третьей и выше гармоник. Это было лирическое отступление для тех, кто не знаком с таким представлением данных и не пользуется Микрокап. Как видим, переходной процесс еще не закончился и товарищ Фурье нам кажет, что у нас якобы в спектре гармонические компоненты уровнем не ниже -80дБ.
Позволим анализу просчитать 10 периодов сигнала. За это время переходной процесс устаканится и в сигнале его останется меньше.
Вот, уже лучше. Все спектральные компоненты чудесным образом спали до уровня -140...160дБ.
Здесь представлены спектральные составляющие сигнала 10кГц. Стало быть основная гармоника уровнем 0дБ, поскольку я задал 1В входного сигнала. далее слоедуют палки, указывающие уровни второй, третьей и выше гармоник. Это было лирическое отступление для тех, кто не знаком с таким представлением данных и не пользуется Микрокап. Как видим, переходной процесс еще не закончился и товарищ Фурье нам кажет, что у нас якобы в спектре гармонические компоненты уровнем не ниже -80дБ.
Позволим анализу просчитать 10 периодов сигнала. За это время переходной процесс устаканится и в сигнале его останется меньше.
Вот, уже лучше. Все спектральные компоненты чудесным образом спали до уровня -140...160дБ.

