Звуковая схемотехника 2024

СМЕРШ

2 ранг
Регистрация
30 Янв 2024
Сообщения
1,514
Реакции
1,441
Репутация
56
Страна
Poland
Город
Stargard
Предупреждений
13

СМЕРШ

2 ранг
Регистрация
30 Янв 2024
Сообщения
1,514
Реакции
1,441
Репутация
56
Страна
Poland
Город
Stargard
Предупреждений
13
С ООС, только сделанной через жопу, абы шоб була, нестарательно и без понятия.

За подрыв музыкальной культуры Штатов и всего вольного мира старший полковник Казар Д представлен мною к ордену Сутулого с закруткой на спине и занесением этого факта в его грудную клетку.
 

СМЕРШ

2 ранг
Регистрация
30 Янв 2024
Сообщения
1,514
Реакции
1,441
Репутация
56
Страна
Poland
Город
Stargard
Предупреждений
13

АВК

2 ранг
Регистрация
13 Ноя 2023
Сообщения
827
Реакции
63
Репутация
11
Возраст
67
Город
культурная столица Поволжья
Имя
дядя АЛЕКС
СМЕРШ, ты прав - гармоники сим скажет минимум на 20 кГц =0,0012%
А ниже и выше всё заметно и быстро ухудшается=80%

Пожалуйста доходчиво обскажи что тут и как....

Поскольку все ЖУЖЖАТ почему то о минимальнывх гармоника именно на 20кгц, а они то вроде как "обманные"?????

В какую сторону грести то ?
 

СМЕРШ

2 ранг
Регистрация
30 Янв 2024
Сообщения
1,514
Реакции
1,441
Репутация
56
Страна
Poland
Город
Stargard
Предупреждений
13
Пожалуйста доходчиво обскажи что тут и как....
Там всё просто:
эти искажения НЕ реальные,
а вследствие НЕСОВПАДЕНИЯ
заданной к расчёту частоты 20к
и
поданных на вход частот, которые, формально,
СЧИТАЮТСЯ прогой искажениями.

Если вслед за изменениями частоты входного сигнала
будешь менять частоту расчёта искажений здесь:
.four 20k 20 v(INP-UN),
будешь видеть реальные значения искажений.
Это раз.

Железный ИНИ работает точно так же: при подаче сигнала, чья частота отличается от настроек ИНИ, он принимает всё неположенное, как искажения и индицирует их значения. Это второе.

Третье: почти всегда нет НИКАКОЙ необходимости мерить Кг на частотах ниже 20к.

На 20к - самая малая глубина ООС,
самые большие искажения каскадов в звуковом диапазоне
(а выше - ещё больше, но звуковой диапазон закончился)
и самые большие искажения результирующие, на выходе,
от деления уровней искажений на величину усиления.

Если удалось достичь малых искажений на 20к,
то искажения сигналов частот ниже 20к будут только ниже,
и нефиг их даже знать. Иногда там одни неинформативные нули.
С этим ясно.

Исключения: если у тебя усилитель со спец-АЧХ, типа УВ или УК,
с подъёмом АЧХ к НЧ,
тогда петлевое усиление на НЧ меньше, чем на ВЧ,

и надо проверять искажения и на НЧ -
с соотв. перестройкой генераторов
и изменением частоты режекции в директиве расчёта Кг:

.four F 20 v(INP-UN).
Это было четвёртое и последнее.
 
Последнее редактирование:

STTL

2 ранг
Регистрация
12 Дек 2022
Сообщения
911
Реакции
56
Репутация
16
Страна
Россия
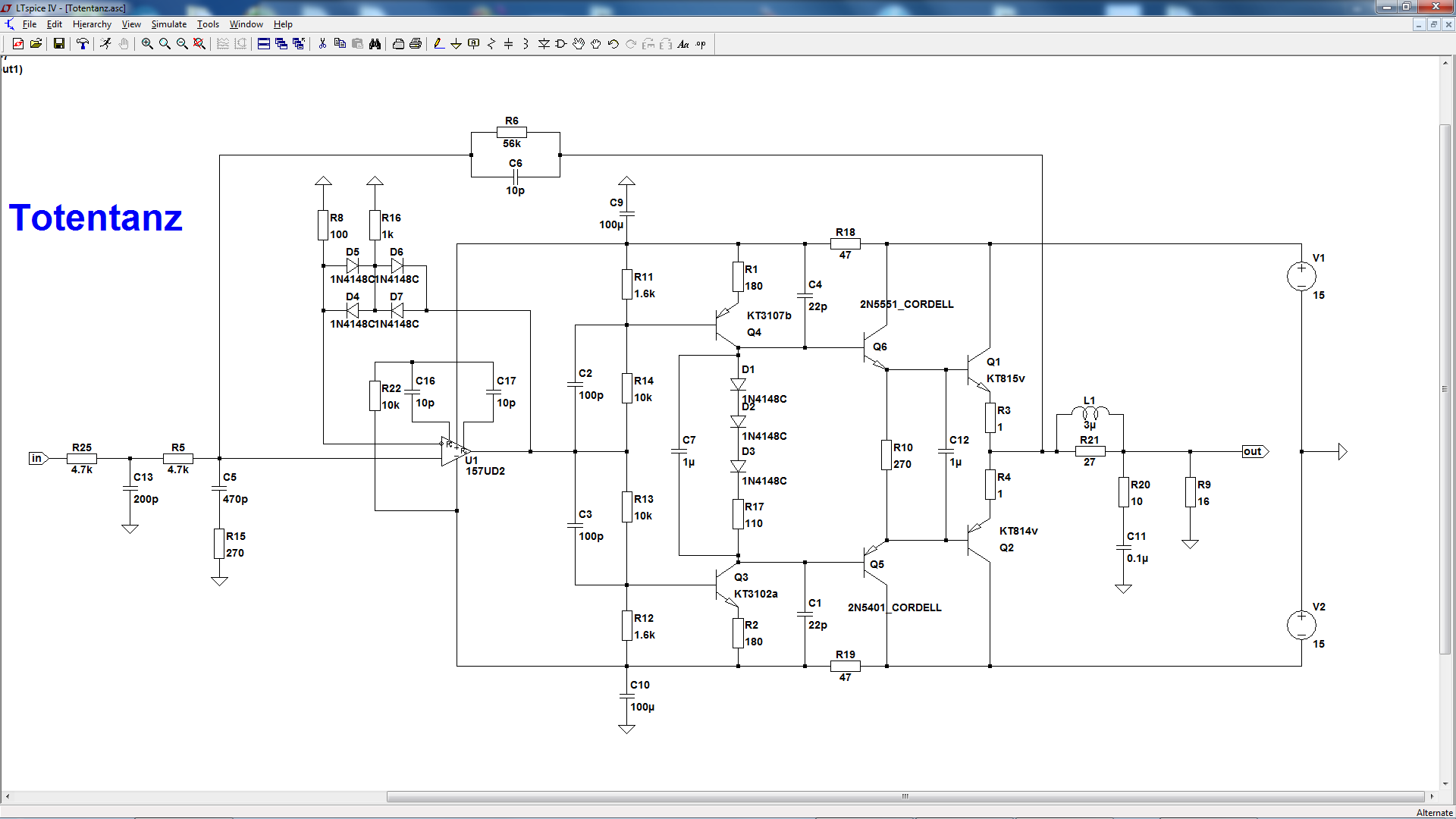
Немного пояснения, как родился "диодный бустер"
Так как я последний год занимался только Коротким трактом (один каскад УН), но при этом знал и понимал, что - для оосной схемы, неважно сколько в ней каскадов УН,но - нужно набирать петлевое усиление - по максимуму, (здесь я согласен с канонами оосья ), то всегда думал о том, КАК ? можно снять максимум усиления с одного двухтактного каскада УН, и это стало работать даже на подсознании, даже когда напрямую я об этом не думал.
И сначала я пытался сделать это доп.ГСТ в плечах, и вроде бы даже что то получалось,но схема получалась больно сложной для реализации в железе, потому что такие ГСТ должны были быть с плавающим источником питания, и это не очень то применимо для железа.
Что главное я знал про требования к УН в оосной схеме:
1. Усиление двухтактного УН зависит от номинала эмиттерных резисторов: чем они меньше, тем выше усиление, в пределе, вообще без них, усиление - максимальное, что может выдать каскад. И под оос это хорошо, ибо даже большая нелинейность- будет убираться оос, главное - максимум усиления. Это было понятно и не противоречило моему пониманию
Но! при этом требовании, входное сопротивление каскада становится неприемлимо низким, и трудно согласовать с предыдущим каскадом, особенно в случае моего схемотипа мелкоосника.
2. Я знал ещё из Хоровица,а потом почитал и у Агеева на Вегалабе, и на рцл, что для хорошей линейности УН, постоянное напряжение между его эмиттером и его шиной питания, должно быть не менее 2 - 2,5 в, при необходимом рассчитанном токе покоя, что и делали эмиттерные резисторы.
3.Это я принял на веру, ибо просто так такие вещи писать не станут,значит проверяли.
Вот эти исходные данные ( мах.усиление и напряжение 2,5 в) и были у меня, когда я думал об улучшении УН в мелкооснике.
4.Наверное мне как то помогло развить идею то обстоятельство, что - эмиттерный резистор в 200 ом, в железе у меня был составлен из двух последовательных по 100 ом, и недавно я как бы "увидел", что на каждом из этих резисторов падает лишь часть напряжения тока покоя транзистора, и тот резистор что на шине питания,а не в эмиттере, представился мне как опорный источник напряжения, с напряжением, равным падению напряжения на этом резисторе.
Но тогда получается, что если заменить его на источник напряжения, то эмиттерный резистор станет равным уже не 200 ом, а 100 ом, то есть - усиление вырастет. Он просто будет опираться уже не на шину питания, а на доп. ИОН.
И здесь мы убиваем сразу двух зайцев.
А) получаем большое усиление с одного каскада за счёт уменьшения эмиттерного R, )и - сохраняем линейность по канонам схемотехники, за счёт падения U между эмиттером и шиной питания, на необходимом уровне, в данном случае хотя бы 2-2,5 в.
Я проверил эту идею в симе, и да, искажений в спектре стало меньше, о чем я и написал в теме.
Потом мне пришла мысль что ИОН, можно заменить на диоды, или стабилизатор напряжения на транзисторе, на нужное падение, и тоже проверил в симе.
Результат был положительный и сопоставимый с ИОН ( батарейкой)
Потом я проверил это в железе, поставил светодиод с падением 1,9 в, а эмиттерный резистор пропорционально уменьшил до 68 Ом, и на слух сразу было слышно улучшение звука, он стал чище, видимо потому что - петлевое усиление выросло.
В последней схеме с дифкаскадом, я довел УН до предела, полностью убрал эмиттерные резисторы,что бы обеспечить мах возможное петлевое, и сим это проглотил и переварил нормально.
Конечно по хорошему, эмиттерные резисторы все равно нужны хотя бы ом по 10, но мне интересно было посмотреть предельные значения, и это сработало.
4. Ну и сейчас, буду развивать эту идею в железе, пробовать, слушать
 

Алекс2

2 ранг
Регистрация
3 Авг 2024
Сообщения
406
Реакции
45
Репутация
8
Предупреждений
5
Разработчик ltspice создал его наследник - quorvo, так мало того, что интерфейс тоже дегенеративный, так он еще и отличается комбинациями клавиш от ltspice, и формат у него другой, и схемы от ltspice quorvo не читает.
Вот что человек с такими мозгами может напроэктировать?
Я хотел раньше сделать конвертор кап-ltspice и обратно. Так знаете, в чем проблема? Дегенерат, который проэктировал ltspice сделал в нем для каждого символа свои параметры смещения при повороте, то координаты резистора и конденсатора меняются по разному в разных измерениях, и у них длинна не совпадает, короче тихий ужас-вместо виртуальной сетки это чудо наворотило какую-то дичь, навроде усилителя от STTL
А в майкрокапе все логично и красиво - есть сетка вируальная, все элементы хорошо подогнаны, то есть квадратик, который меняет ориентацию при повороте и все координаты выводов совпадают у всех элементов.
То есть понятно, что кап писали не дегенераты уже по этому.
 
Последнее редактирование:

СМЕРШ

2 ранг
Регистрация
30 Янв 2024
Сообщения
1,514
Реакции
1,441
Репутация
56
Страна
Poland
Город
Stargard
Предупреждений
13
почитал и у Агеева на Вегалабе, и на рцл, что для хорошей линейности УН, постоянное напряжение между его эмиттером и его шиной питания, должно быть не менее 2 - 2,5 в, при необходимом рассчитанном токе покоя, что и делали эмиттерные резисторы
Он даже дубля не отстрелил, что имелось в виду именно падение напряжения НА ТЕРМОСТАБИЛЬНОМ РЕЗИСТОРЕ, или в эмиттере ОБ должен быть управляемый генератор тока, образуя вместе с ним каскод.
Но тогда получается, что если заменить его на источник напряжения, то эмиттерный резистор станет равным уже не 200 ом, а 100 ом, то есть - усиление вырастет. Он просто будет опираться уже не на шину питания, а на доп. ИОН.
И здесь мы убиваем сразу двух зайцев.
Вот какого зайца он убил:

1723271914208.png

Тупорылый "гачык" с проставленной для всех ППП директивой изменения температуры 20 - 80 градусов.
Ток одного из выходников:

1723272050126.png

6,66 Ампера и 140 Вт рассеиваемой мощности при 80-ти градусах.

Серёга, что мы воруем? Это же кусок дерьма!
Как теперь СТТЛ будет борщ кушать?
 

Вложения

  • 1723271994411.png
    1723271994411.png
    66.1 KB · Просмотры: 64
  • Гачык.asc
    13.7 KB · Просмотры: 63

Алекс2

2 ранг
Регистрация
3 Авг 2024
Сообщения
406
Реакции
45
Репутация
8
Предупреждений
5
А у него интерфейс "для домохозяек". _scare
И еще настоящие мужики на *никсах сидят, никаких мастдаев. _hm_
Уникальный-надо пол интернета перерывать, чтобы элементарные действия делать
Почему Rotate - ctrl -R а Mirror - ctrl-E ?
И при этом надо кнопку drag активировать?
Прекрасный интерфейс.
Я представляю. что в голове у того, кто вот это придумал.
Там размер конденсатора 5 единиц. а резистора 6, и все координаты выводов как бог даст определены, при поворотах каждый элемент свои координаты меняет и выводов по разному.
Никакой стройной системы.
Какие такие алгоритмы вот этот человек напрограмирует внутри?
для меня загадка.
 

Vik

2 ранг
Регистрация
21 Авг 2020
Сообщения
751
Реакции
427
Репутация
36
Имя
Виктор
После того, как в МС появился анализ Stability, коррекцию усилителей с глубокой ОС сделать стало несложно.
 

NEULO

1 ранг
Регистрация
14 Июл 2019
Сообщения
3,813
Реакции
1,938
Репутация
93
Возраст
52
Страна
Россия
Город
Одинцово
Предупреждений
4
Разработчик ltspice создал его наследник - quorvo, так мало того, что интерфейс тоже дегенеративный, так он еще и отличается комбинациями клавиш от ltspice, и формат у него другой, и схемы от ltspice quorvo не читает.
Вот что человек с такими мозгами может напроэктировать?
Я хотел раньше сделать конвертор кап-ltspice и обратно. Так знаете, в чем проблема? Дегенерат, который проэктировал ltspice сделал в нем для каждого символа свои параметры смещения при повороте, то координаты резистора и конденсатора меняются по разному в разных измерениях, и у них длинна не совпадает, короче тихий ужас-вместо виртуальной сетки это чудо наворотило какую-то дичь, навроде усилителя от STTL
А в майкрокапе все логично и красиво - есть сетка вируальная, все элементы хорошо подогнаны, то есть квадратик, который меняет ориентацию при повороте и все координаты выводов совпадают у всех элементов.
То есть понятно, что кап писали не дегенераты уже по этому.
Большей глупости я честно говоря и не слышал.
1) сетка в лтс- в наличии, я лично её просто скрыл потому что она не нужна и мешает чтению схем.
2) то что чертит СТТЛ- вызывает у меня кучу вопросов в их числе: "как?" и "нахуя?"
3) в капе схемы получаются не ахти какими читаемыми, на мой взгляд, а уж "СТТЛ-овского типа" я видел просто полно.
Чтоб не быть пустословным сравним начертание:
1723274665311.png1723274701455.png
Вот на этом можно с твоей болтовной просто и закончить.

я вот сейчас хочу транзистор скопипастить, в спайсе и незнаю как.
То есть сейчас интернет перерывать, чтобы узнать, как этот гений задумал.
это показатель.
Чего ты хочешь?
1723274835963.png

биполяры лежать в стандарт.бжт
 

Алекс2

2 ранг
Регистрация
3 Авг 2024
Сообщения
406
Реакции
45
Репутация
8
Предупреждений
5
Большей глупости я честно говоря и не слышал.
1) сетка в лтс- в наличии, я лично её просто скрыл потому что она не нужна и мешает чтению схем.
2) то что чертит СТТЛ- вызывает у меня кучу вопросов в их числе: "как?" и "нахуя?"
3) в капе схемы получаются не ахти какими читаемыми, на мой взгляд, а уж "СТТЛ-овского типа" я видел просто полно.
Чтоб не быть пустословным сравним начертание:
Посмотреть вложение 106831Посмотреть вложение 106832
Вот на этом можно с твоей болтовной просто и закончить.
Я говорю про устройства формата - то, как это в .asc сделано, внутри файла.
 

NEULO

1 ранг
Регистрация
14 Июл 2019
Сообщения
3,813
Реакции
1,938
Репутация
93
Возраст
52
Страна
Россия
Город
Одинцово
Предупреждений
4
Я говорю про устройства формата - то, как это в .asc сделано, внутри файла.
а на кой оно хрен вообще нужно знать как оно в .асц сделано?
хочешь моделями обмениваться- да просто черти их в ЛТС и обменивайся сколько влезет.
Конвертировать из убогого формата микрочашки я думаю та ещё задача. слаборешаемая. ну можт кто и решил, я не искал в общем.
1723275180429.png
формат как формат. обычный.
нету тут моделей отдельно прописанных, только если у тебя на листе директивами они занесены- тогда будут.
 

Алекс2

2 ранг
Регистрация
3 Авг 2024
Сообщения
406
Реакции
45
Репутация
8
Предупреждений
5
Чего ты хочешь?
Посмотреть вложение 106833
биполяры лежать в стандарт.бжт
на схеме есть bc550, я не хочу по менюшкам лазить, хочу нажать ctrl-c - ctrl-v, чтобы еще один появился.
А я уже 5 мин в инете видео смотрю
Я не хочу запоминать, как мегамозг создатель лтспайса это задумал, я хочу через 3 месяца открыть прогу и мышкой лежа на диване без напрягов менять схему-как в майкрокапе, а не вот это все лтспайс стайл через задний проход.

а на кой оно хрен вообще нужно знать как оно в .асц сделано?
конвертор в другие форматы сделать чтоб в майкрокапе открывать
 
Последнее редактирование:

АВК

2 ранг
Регистрация
13 Ноя 2023
Сообщения
827
Реакции
63
Репутация
11
Возраст
67
Город
культурная столица Поволжья
Имя
дядя АЛЕКС
СМЕРШ, так и есть - спец АЧХ.
Сильная внутренняя коррекция убивает ВЧ.

А я глубокой ООС с выхода, на коем как бы нет НЧ, на вход дифкаскада даю коррекцию..... Вытягиваю АЧХ. Пытаюсь.
Получил УСь ну ОЧЕНЬ устойчивый к возбудам.
И большим возможным усилением - если у входа дифкаскада стоит резистор в 100ом, то резистор ООС может быть до 22ком.
Возбуды начинаются с 23 кома.
И того как бы 2200 раз РЕАЛЬНОГО УСИЛЕНИЯ......
 

NEULO

1 ранг
Регистрация
14 Июл 2019
Сообщения
3,813
Реакции
1,938
Репутация
93
Возраст
52
Страна
Россия
Город
Одинцово
Предупреждений
4
на схеме есть bc550, я не хочу по менюшкам лазить, хочу нажать ctrl-c - ctrl-v, чтобы еще один появился.
А я уже 5 мин в инете видео смотрю
чего?)
хахахахахахахаха)))) или так(ниже) или F6 нажми.
1723275443590.png
 

Алекс2

2 ранг
Регистрация
3 Авг 2024
Сообщения
406
Реакции
45
Репутация
8
Предупреждений
5

NEULO

1 ранг
Регистрация
14 Июл 2019
Сообщения
3,813
Реакции
1,938
Репутация
93
Возраст
52
Страна
Россия
Город
Одинцово
Предупреждений
4
1723275593628.png
если нажать на молоточек то появится меню настроек.
1723275671120.png

выбери менюшку эту и тыкни кнопку хот кейс. там все горячие клавиши описаны
1723275723169.png


я это запоминать не собираюсь, и вот чере 3 месяца я открою это чудо, и что?
почему не сделать как в 99.999% программ винды линукса и мака - ctrl-c ctrl-v?
не надо запоминать. делай как я написал в пред моём посте. думаешь я всё помню? я хот кеями вообще до сих пор не пользуюсь, всё мышкой. привычка, лень мне клаву тыкать да и кружка мешает вечно. или паяльник.
потому что не все юзают мак или линукс. или даже винду. но все юзают ЛТС,) :)
 

Алекс2

2 ранг
Регистрация
3 Авг 2024
Сообщения
406
Реакции
45
Репутация
8
Предупреждений
5
Посмотреть вложение 106836
если нажать на молоточек то появится меню настроек.
Посмотреть вложение 106837
выбери менюшку эту и тыкни кнопку хот кейс. там все горячие клавиши описаны
Посмотреть вложение 106838
А почему сразу не сделать по людски?
еще проблема pick transistor - список отсортирован не по алфавиту, каждый раз клацать на заколовок.
Вообщем, на редкость дегенеративно все, буквально все.
 

NEULO

1 ранг
Регистрация
14 Июл 2019
Сообщения
3,813
Реакции
1,938
Репутация
93
Возраст
52
Страна
Россия
Город
Одинцово
Предупреждений
4
А почему сразу не сделать по людски?
еще проблема pick transistor - список отсортирован не по алфавиту, каждый раз клацать на заколовок.
Вообщем, на редкость дегенеративно все, буквально все.
эм.. чего? Про транзистор поподробнее. а чего ты хочешь сделать?
там наверху сортировки все кликабельны. но вообще конечно это проблема- дистрибутив перегружен моделями которые не используются просто никогда. надо бы повыкидывать, да лень. я итак знаю где что лежит. а советские и некоторые часто используемые модели я просто себе прописал в стандарт.бжт в конец списка чтоб не искать и не листать, да и всё.
 

Алекс2

2 ранг
Регистрация
3 Авг 2024
Сообщения
406
Реакции
45
Репутация
8
Предупреждений
5
потому что ты к чашке привык. к убогому легко привыкнуть, но потом сложно отвыкнуть. я сразу начал в ЛТС, поэтому для меня твои вопросы мало что значат, вернее так- в чашке для меня что то делать - то ещё мучение, ну всё через задницу.
лтспайс убогий, а насчет якобы алгоритмов-ну если человек простые вещи -расположение элементов делает через Ж, то ясно, какой он програмист, то сложные вещи он через 5 Ж делать будет.
А что в майкрокапе плохо?
Ну вот конкретно-чем он убог?
 

NEULO

1 ранг
Регистрация
14 Июл 2019
Сообщения
3,813
Реакции
1,938
Репутация
93
Возраст
52
Страна
Россия
Город
Одинцово
Предупреждений
4
лтспайс убогий, а насчет якобы алгоритмов-ну если человек простые вещи -расположение элементов делает через Ж, то ясно, какой он програмист, то сложные вещи он через 5 Ж делать будет.
А что в майкрокапе плохо?
Ну вот конкретно-чем он убог?
да всем. даже транзиент запустить и то проблема. ачх посмотреть- где её смотреть? Графики все через жопу. фаза отдельное окно, амплитуда- отдельное окно, имд рисует как курица не лапой а просто жопой по листу. нунахрен.
Давайте эксперимент проведём. я возьму гычика СТТЛовского и проведу ему правку. Посмотрим сколько времени у меня это займёт.
Засекаем.
 

Алекс2

2 ранг
Регистрация
3 Авг 2024
Сообщения
406
Реакции
45
Репутация
8
Предупреждений
5
эм.. чего? Про транзистор поподробнее. а чего ты хочешь сделать?
заменить, клацаю правой кнопкой, выпадает менюшка, нажимаю -pick new transistor - до этого момента все ок, даже удивительно.
Но-выпадает список - и транзисторы отсортированы каждый раз по разному, мне приходится клацать на заголовок.
почему сразу не сделать по алфавиту?
ведь из тысячи таких мелочей работа и состоит, вообщем мое мнение про это очень мягко скажем негативное

да всем. даже транзиент запустить и то проблема. ачх посмотреть- где её смотреть? Графики все через жопу. фаза отдельное окно, амплитуда- отдельное окно, имд рисует как курица не лапой а просто жопой по листу. нунахрен.
))))))))))))))))))
Я макрокап открываю через год, и без проблем все делаю-он интуитивный.
лт спайс- я приноровлюсь, но через месяц открою-опять по новой-он дегенеративный, в нем все черех Ж.
На схеме майкрокапа красота - проводники подсвечиваются зеленым при наведении, ошибки видно, а в этом убожестве глаза сломаешь.
Вообще, на западе я понимаю-бесплатность играет роль, трансгендеры и лгбт в почете, с ними все ясно.
А у нас почему это убожество популяризируют? Это заговор?
 

Алексей1

2 ранг
Регистрация
20 Дек 2022
Сообщения
964
Реакции
713
Репутация
40
Предупреждений
12
В капе через задницу:
- вращение компонентов,
- установка компонентов на провод с последующим удалением ненужного куска провода,
- автозацепка провода на близкорасположенный провод,
- спрятанные хренпоймикуда настройки графического редактора и вообще все настройки раскиданы по разным местам,
- получить график по заданной формуле - просто трэш,
- спасибо, что можно это упростить, работая в Probe, но там тоже по идиотски организован выбор величины и работа с графиком - мрак,
- убогая модель магнитопроводов,
- совершенно уродская библиотека - ни добавить, ни извлечь.
Это то , что не приходится вспоминать.
 

NEULO

1 ранг
Регистрация
14 Июл 2019
Сообщения
3,813
Реакции
1,938
Репутация
93
Возраст
52
Страна
Россия
Город
Одинцово
Предупреждений
4
Было /стало. 21 минута
1723277705475.png1723277667501.png
 
Последнее редактирование модератором:

АВК

2 ранг
Регистрация
13 Ноя 2023
Сообщения
827
Реакции
63
Репутация
11
Возраст
67
Город
культурная столица Поволжья
Имя
дядя АЛЕКС

Vik

2 ранг
Регистрация
21 Авг 2020
Сообщения
751
Реакции
427
Репутация
36
Имя
Виктор
- вращение компонентов,
- установка компонентов на провод с последующим удалением ненужного куска провода,
- автозацепка провода на близкорасположенный провод,
с моей колокольни это плюсы
- получить график по заданной формуле - просто трэш,
Клевета. Вводи что тебе надо в Probe transient.
1723278109234.png


или в Transient analyses
1723278233159.png

- совершенно уродская библиотека - ни добавить, ни извлечь.
Клевета. Пара кликов. Copy-paste в закладку Models.

Кроме того, известно что ЛТС лучшеина возбулы реагирует. КАП запросто возбуд пропускает.
Кому это лучше известно про
и куда он их пропускает?

Если кто-то микроскопом гвозди заколачивает - это его ноу-хау.
 

STTL

2 ранг
Регистрация
12 Дек 2022
Сообщения
911
Реакции
56
Репутация
16
Страна
Россия
Было /стало. 21 минута
Красяво :) +like
Ещё бы двойной фильтр по питанию и резисторы в эмиттеры УН по 10-12 ом.
То что у меня совсем без резисторов, это просто эксперимент, но всё же в железе я их поставлю.
То что нет термостабилизации через УН, я для себя буду делать по другому, или через охлаждение кулерами от компа, или через схему сравнения на ОУ.
Так то можно в УН и обычный термодатчик на транзисторе воткнуть, схема то обычная, без особенностей.
2.И здесь надо смотреть на схему скорее как на схемотип, который можно развивать и править, хотя и как реальная схема, это тоже работает
 
Последнее редактирование:

Vik

2 ранг
Регистрация
21 Авг 2020
Сообщения
751
Реакции
427
Репутация
36
Имя
Виктор
Было /стало. 21 минута
Это я тоже в мс с нуля нарисую за 20 минут, только этот шедевр сттла мне лично абсолютно неинтересен, чтобы на это время тратить. В отличие от моделей того же дракона, сигмы и эвереста.
 

Статистика форума

Темы
3,095
Сообщения
236,008
Пользователи
2,387
Новый пользователь
Тула
Сверху Снизу