Александр Бокарёв
1 ранг
		- Регистрация
 - 12 Ноя 2019
 
- Сообщения
 - 28,303
 
- Реакции
 - 13,620
 
- Репутация
 - 395
 
Методом быстрого тюка в раму пассивного резонатора увидел красивый острый пик его резонанса .Но частота оказалась выше полученной методом " я твой корзина мотор шаталь!" , там идеальные 20 Гц. Оно и понятно, затухающие колебания, они же слабо вынужденные, обычно имеют удлиненный период. А тут ТЮК!!! И в ответ Дыдыщь! Держи свои 23, 5 Герца.Дайте пожалуйста пояснения по массам, которые использовались применительно к графикам.
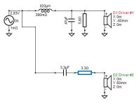
И хорошо бы увидеть график импеданса конечного варианта.
По сути получили увеличение механической добротности излучателя - в итоге вышли на искомую для ваших ушей полную добротность акустического оформления.
				












