Александр Бокарёв
1 ранг
- Регистрация
- 12 Ноя 2019
- Сообщения
- 28,303
- Реакции
- 13,620
- Репутация
- 395
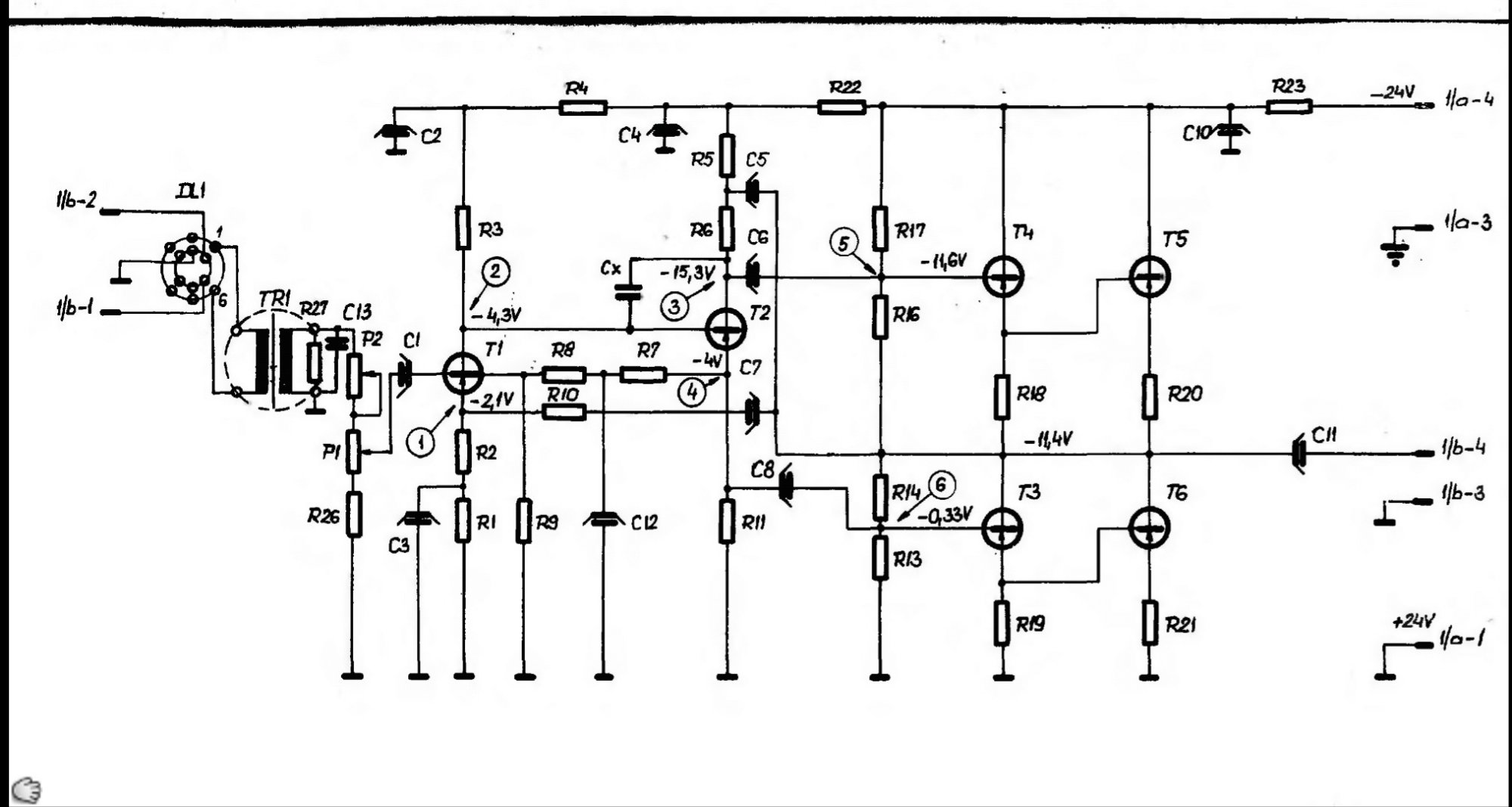
не удивительно. У АД161-162 полоса усиления до 27 кгц, у 703-705 пониже. У нас выгребли все с высоким вольтажом, остались семечки.Народ говорит 20 вольт и ни капли сверху а то инсульт инфаркт и синий дым))
Ещё нарыл где замену на ад-161,162 оказывается гт703 гт 705 советовали
Ну и естественно заново всю схему настраивать)))
Зато подохнут не жалко и стоят на срезках с разбора по 200-300 р за кг. Но венгры таки поют хорошо, складно, красиво
вы не путайте, у 703-705 ихние 10 кил это в включении с ОЭ. То есть, от 27 кил 818-819 не далеко .Так если с КТ818\819-с их граничной в 3Мгц всего 27Кгц получилось, то сколько же получится на Гт703\705 с их мизерными 10Кгц граничной?![]()


















