NEULO
1 ранг
- Регистрация
- 14 Июл 2019
- Сообщения
- 3,841
- Реакции
- 1,958
- Репутация
- 93
- Возраст
- 52
- Страна
- Россия
- Город
- Одинцово
- Предупреждений
- 4
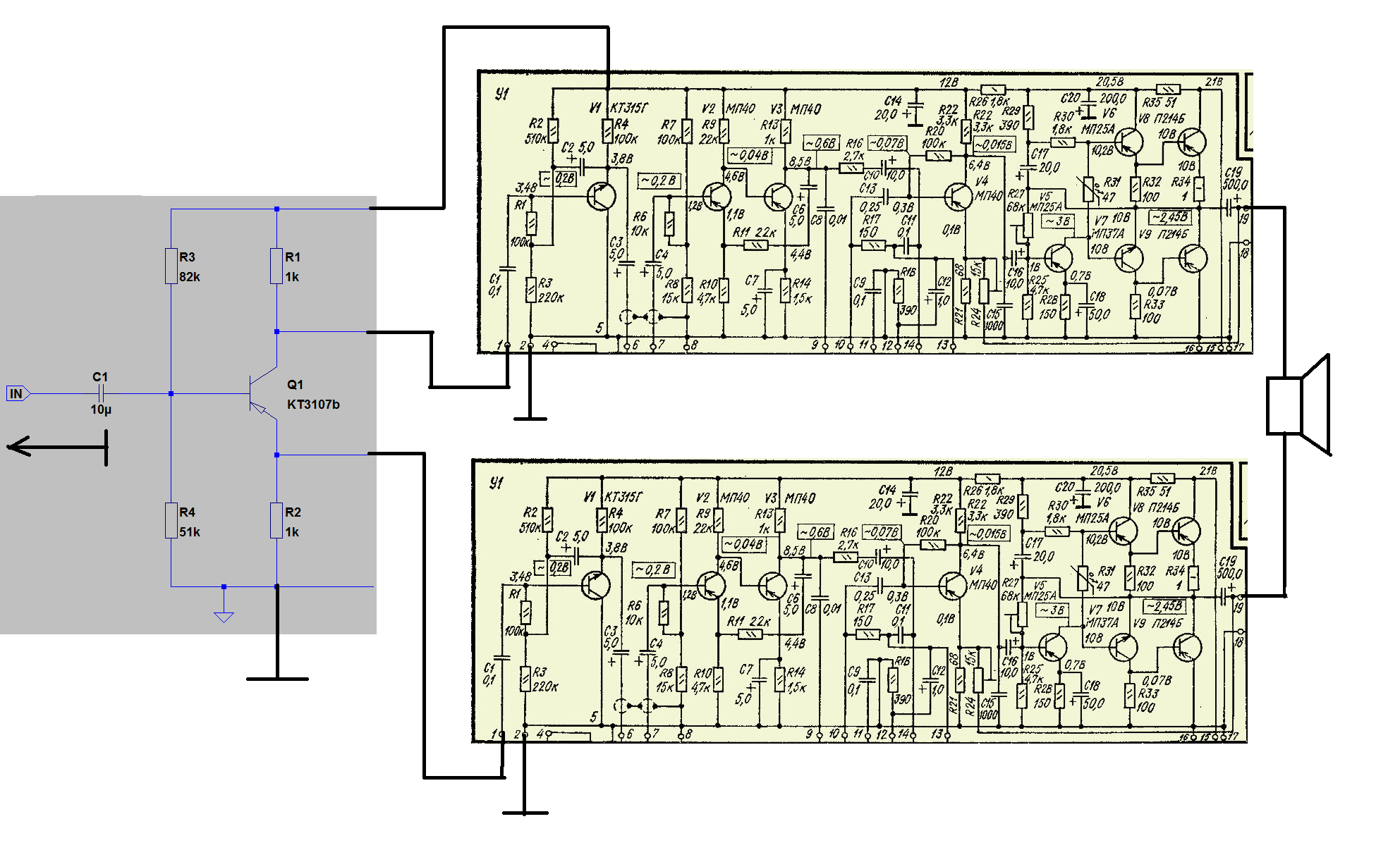
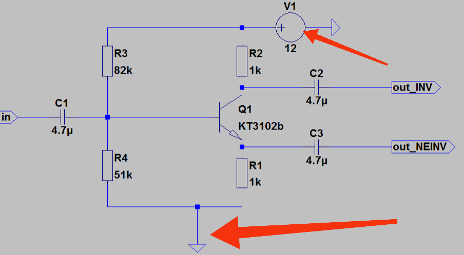
земля она и есть земля. она что для входа что для выхода схемы- одна и та же.Есть пробелы в знаниях
Посмотреть вложение 101000
Что это обозначает и конденсаторы, что, все неполярные? а как подавать сигнал на вход? есть же сигнальный и земля
конденсаторы - полярность рисовать не стал,потому что схема одна и така же и для пнп и для нпн транзистора, переворачивается только источник питания и кондёры если полярные.
размеры кондеров особо не роляют , берешь из коробки паяные 10мкф *16 вольт- и ставишь.
v1 - так источник питания обозначается.
Последнее редактирование:




