СМЕРШ
1 ранг
- Регистрация
- 30 Янв 2024
- Сообщения
- 2,535
- Реакции
- 2,840
- Баллы
- 105
- Страна
- Poland
- Город
- Stargard
- Предупреждений
- 16
Прости его, Господи, за П214 и МП16ЯВП.Звук супер.
Смотрите видео ниже, чтобы узнать, как установить наш сайт в качестве веб-приложения на домашнем экране.
Примечание: Эта возможность может быть недоступна в некоторых браузерах.
Прости его, Господи, за П214 и МП16ЯВП.Звук супер.
не такие они и тормознутые это единички а не дарлингтоны медленные хватит жульничатьПосле него всё равно тормознутые 402/404.
приоткрой их,тока покоя добавь жуликТоки баз 2кВК на 402/404
а Тычина пыше вирши,та всэ гирши та всэ гирши))))
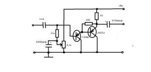
придумал уже печатку. Сделал норм плату. Вот радиатор от ЦП Компа распилял.Будет на нем П отдыхать. Пока так на мин токе слушал . На норм токе кипяток и потом гул можно палец обжечь.
Сделаю радиаторы повыше ток будет.
Интерессно почему гул стоит при макс токе из за чего ? Обычно ж чем выше ток тем просто разогрев сильнее.
Так и не понял чем моя схема лучше хуже худа.
его готовить надо. Все ранние схемы конечно там звук неочем был Б или АБ . Но в А классе звук отличный. Цена тому малая мощность и нагрев за то звук шикарный.
поставь п605 на голову круче,гт403 и мп16 в мусор ,поставь вместо этого гавна сборку гтс609 там как раз 4 быстрых германцаего готовить надо.
таких нету. Валяется всего один П4АЭ
ему уже 55 лет старичок :oops:Это точно. Помыть, одеть в чистое и хорошенько отпеть. Справить поминки иего готовить надо
у меня 82 написанно на корпусев 1962–1963 годах
и мою симульни без радиаторов нагреваются как утуги потом гул стоитк тебе.

а в симуляторе разве есть германиевые транзисторы?симульнет
а п208 как звучит?смерш напишет
ты симулируй хватит картиночки жидовские вешать
как слон))))
для наушников думаю хватит этого малыша)как слон
прошу в студию схему А класса на германии кроме худа и лучше по звукуЯ начинал с германия
та какая практика тройной повторитель с конским выделением тепла особенно на резисторе и неочемной вых мощностью . Все уплывет от перегревакритерий истины практика,,но это не для тролля,иди гуляй мальчик,уже спать пора,мамка куда смотрит))))
вот,10 мин спаять и послушать,для наушников хватит питания 9в
Недавно взял потискать кучку всяких ГЭТЭ 705 , по паспорту 25- вольтовых. Фирма получила две коробки , новых .С закороченной базой пробой на 40 вольтах . То есть, имеется запас по вольтажу.Ага, выметены сорокавольтовые, остальные поштучно, и (или) бэушные.
Ну какбЭ энта был год 1983й.Два выходных транзистора одним диодом приоткрыть....Как бы так возразить, чтобы не прилетело....
А может, афтыр сам догадается.
ЕСТЬ!!!!а в симуляторе разве есть германиевые транзисторы?

Вот та схемка от Беслика для наушников, что я вчера выкладывал, она оказалась А класса, с динамической нагрузкой.прошу в студию схему А класса на германии кроме худа и лучше по звуку
Пока так на мин токе слушал . На норм токе кипяток и потом гул можно палец обжечь.схему А класса на германии кроме худа и лучше по звуку

еще повыше питание до 50в задери,наушникам)))))) будет лучше греться))))На норм токе кипяток и потом гул можно палец обжечь.
А нечем хвастать. Вот такие люди электронику и двигают: нити повключай, п210 вкорячь, наверху - пять ламп всобачь, виму и рифу купи.Параметры его я так и НЕ нашОл..
с 215-ми это лично вам не свезло, они в основном шли на серьезную технику, в авиацию к примеру. И там все были облеплены штемпелями , звездочками и ромбиками. А вниз кидали что попроще.Сегодня повсплывало все что пряталось, бери не хочу. Но уже - .... не хочу.ЕСТЬ!!!!
Но не так много как кремниевых и более половины германских моделей "слабовато-недоделанные".
Впрочем и кремниевых НЕДОделок тоже много
Короче, что то выбрать можно....
К примеру из всей линейки П21* есть тока П214. И никаких 215![]()
Если бы класс А был абсолютной панацеей, давно никто ничего другого не делал бы.схема А класса
Да работают они, РАБОТАЮТ.Тут есть ООС. Для работы ООС требуется широкополосная основа. Я выше показал: мегагерцовые германцы начинают терять Н21э с 1 кГц. Просто на 1М бета = 1.
Как вы собираетесь взять звук, если с 1 кГц у вас не работают транзисторы?
Странно, что еще ходят по фирмАм ГТ705, и иже с ними.Недавно взял потискать кучку всяких ГЭТЭ 705 , по паспорту 25- вольтовых. Фирма получила две коробки , новых .С закороченной базой пробой на 40 вольтах . То есть, имеется запас по вольтажу.
А настоящие Агрессоры класса А спирт ВЫПИВАЮТ, а потом просто прислоняют транзисторы к животуНастоящие регрессоры класса А бросают транзисторы в банку с водой (или спиртом))).

поставил радиаторы. Еле теплые теперь... играет просто шикарно ВЧ изумдрудные ( кто там говорил что п213 не играет на вч врал нагло ) . Динамики 3гд-25 но как еще больше тока дать ?транзисторы в банку с водой
чушь полная... играет отлично просто качество собрал слушаю вч просто кристальные при чем на любой громкости... А радиаторы еле еле теплые. А так когда не ставил их вообще транзисторы кипели. Тока добавил вообще искажений нет играет ровно красиво.Еще бы выше тока дать но гудеть начинаетП2хх только для нч годится в биампинг