Валера
3 ранг
- Регистрация
- 16 Апр 2024
- Сообщения
- 33
- Реакции
- 7
- Баллы
- 5
- Страна
- Россия
- Город
- Моска
- Имя
- Валерий
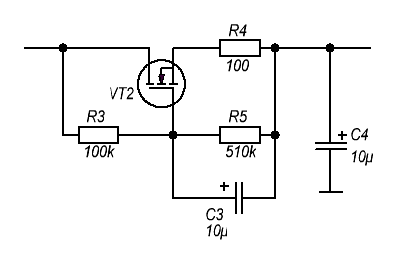
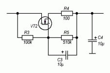
Да , найти кп903 .... это сейчас квест. КП901 мне сосед по даче подарил ,давно правда, ФЭИ растаскивали ,а он большим начальником был. Сам тащил , и с со мной делился. Но вот когда я ему в "сарайчик" на даче телик из ничего собрал , и с машиной (ваз2107) помог ... вот тогда ваще) . " ..куртка кожаная - три штука . портсигар золотой - три штука ..")) Генератор ,милливольтметр , осцилограф , ну и из ЗИПов кое что) Вот только времени не подарил((. Идей то много ... Вот, есть такое . хочу на даче антенну поставить ,длинный лучь , канатик есть , приёмник Поляковский ,в своё время UK3ABG хорошо рулила) какие связи делали ... Время ...не народные они,,,,а с ОБ можно п 609 у них полоса отличная и транс будет простой
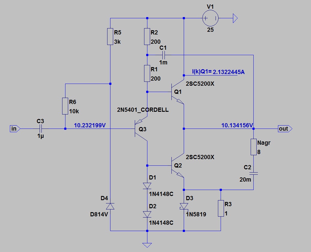
Да , 8 ом . а лучше 16. С возрастом мудрость приходит) АБ2 на латералах ,последний вариант (первый тоже собирал, потом подкорректировал)) АС 2х 4гд28 + 2гд38 ,катуха и 2.0 мкф ,ОЯ и на даче , на прополке радио джаз( жена тоже любит)) не надо больше ничего) Но жаба душит(( 2А3 Александра .Юрий! Всегда слежу за вашими схемами,как и за трудами АБ.Очень интересно , познавательно и не традиционно.Традиционная схемотехника для меня себя исчерпала,т.к. с возрастом пришёл к мнению,что звук живёт в простых схемах с небольшой ООС и чувствительной нагрузкой 8 и более Ом.
1306 намного лучше , макетку пока не могу выложить. Но попробовал 1837 .1930, хуже, мыло. Им в мощники .ват сто).Транзисторы оригиналы. Это главное. Рогов ,помнится , 1930 рекомендовал в свой на 1530 , 201.Собрал .оригиналы купил. потом ирф 240 поставил . для саба годно , но не для звука. Вот такая фишка((П605 элементарно заменить на BD140. Они и дешевле и работать будут точно так же. Раз схема в классе А.
Можно ещё на КТ814, но не везде конечно.
Предлагаю перестать заниматься фигнёй.)




