Германиевые УНЧ

Даже германиевый сверхлинейник возможно реализовать. Условно сверхлинейник КНИ 0.05 20кГц.
Для ос-ного германия этой достаточно.
wpfinal1-jpg.121736

Покорече схема, свои минусы и плюсы. Только лучше её переделать на р-н-р 1-й транзистор, с добавлением разделительного конденсатора. Хороший эл. кондёр под напряжением сильно кашу тут уже не испортит, а по входному транзистору рнр расширяется выбор. В итоге с кондёром (как минус), но с лучшим транзистором (как плюс), суммарно может звук стать приятнее. Думаю так именно и будет. Ну или хотябы можно попробовать разное, варианты есть.
 
Для ос-ного германия этой достаточно.
wpfinal1-jpg.121736

Покорече схема, свои минусы и плюсы. Только лучше её переделать на р-н-р 1-й транзистор, с добавлением разделительного конденсатора. Хороший эл. кондёр под напряжением сильно кашу тут уже не испортит, а по входному транзистору рнр расширяется выбор. В итоге с кондёром (как минус), но с лучшим транзистором (как плюс), суммарно может звук стать приятнее. Думаю так именно и будет. Ну или хотябы можно попробовать разное, варианты есть.
Проблема в том, что ВЧ npn германиевого с Uce более 15 В не существует в природе. А в качестве VT102 при ваших пожеланиях потребуется именно такой. Этот усилитель наиболее оптимально использует элементную базу того времени.
 
Для ос-ного германия этой достаточно.
wpfinal1-jpg.121736

Покорече схема, свои минусы и плюсы. Только лучше её переделать на р-н-р 1-й транзистор, с добавлением разделительного конденсатора. Хороший эл. кондёр под напряжением сильно кашу тут уже не испортит, а по входному транзистору рнр расширяется выбор. В итоге с кондёром (как минус), но с лучшим транзистором (как плюс), суммарно может звук стать приятнее. Думаю так именно и будет. Ну или хотябы можно попробовать разное, варианты есть.
Не надо конденсатора
 

Вложения

  • орбита 106.png
    орбита 106.png
    835.2 KB · Просмотры: 148
Это Худ, только с дарлингтонами на выходе. Крайне нелинейная хренотень. Только в классе А, и обязательно ООС. Без ООС генератор искажений.
ащета прямо на картинке указано прямым китайцзким текстом - в красной рамке, что 100мА.
Да, для АВ как то многовато слегка, НО для Худа, в классе А, 100 мА ваще МАЛО.
Ещё практический вопрос - для германиевого выхода общий радиатор, на котором 1 транзистор стабилизатора П210 и 4 выходных П215
Общей площадью в 450 кв см это на какую мощность будет ?
 

Вложения

  • IMG_20250122_174209.JPG
    IMG_20250122_174209.JPG
    393.4 KB · Просмотры: 50
Последнее редактирование:
Григорьева с трансом делай
 
Сейчас до 20 мм только "подошву" у хороших радиаторов делают.
Для двух П214 радиатор с подошвой 20 мм и площадью 1000 кв.см и питание от трансформатора на базе девятиамперного латра.

Типа да, но если с другой стороны, +1 электролит чуть хуже, но зато 1-й транзель можно рнр ставить: гт313, 308, 321(попробовать) п416,423,403,401,402 и т.п.
И что будет - усилитель для шептофона? Единственный который подходит ГТ321.
 
Поставьте ГТ 313 ,322, 328 346.Только нужно ли?Амплитуда ни при чём ,там даже милливольты указаны
Чтобы так использоват первый транзистор, нужно на базе второго поднять напряжение, будет потеря макс. амплитуды.
 
Тигра, на правду неприлично обижаться.
Специально для копрофилов делал схему и платы для УМ Аккорда 001
бери пользуйся.
 

Вложения

  • Усилитель мощности плата.JPG
    Усилитель мощности плата.JPG
    81.9 KB · Просмотры: 213
  • Усилитель мощности сборка.JPG
    Усилитель мощности сборка.JPG
    150.6 KB · Просмотры: 214
  • Усилитель мощности схема.JPG
    Усилитель мощности схема.JPG
    91.4 KB · Просмотры: 232
Последнее редактирование:
Энтузиазм можно направить в другое русло. Акустикой заняться, к примеру.
Поддерживаю. В школьные и юношеские года разные усилители повторял, в меру наличия деталей. :)
Филина, Агеева, Акулинчева один, Солнцева. Сырицо цирк на КТ827-х. В ВУЗе уже все поголовно собирали ВВ Сухова 89, и я за себе компанию. Это была последняя попытка получить суперзвук от усилителя, и не дешёвая. За деньги, оставленные на Пересыпском радиобазаре, можно тогда было в Одессе нормального усилителя - японца БУ купить. :) Иногда даже на лампах чудили, а у друга на курс старше дипломная была - усилитель класса D - собрал на компараторах и рассыпухе, с выходным дросселем на сердечнике от ТВС -правда, был только один канал. До окончания с темброблоком и корпусом довёл я только Филина, но в кол-ве 2 штуки, один до сих пор работает :)
Само собой - всё подключали и слушали.
И вот в чём загвоздка - если усилители удавалось норм собрать и настроить - они звучали на моих тогдашних АС 35АС-021, 35АС-028 практически одинаково. И не лучше моего тогдашнего Эстония-010. А звук разных АС был сильно сильно разный, со своими плюсами и минусами. Потому сейчас пользую пару усей Грюндигов серии Fine Arts, и ковыряюсь по свободе с акустикой - прежде всего в АС и помещении, по моему, и заключается тот самый хороший звук.
 
особо хороших усилителей в списке не найдено. окромя может Акулиничева, но и он по нынешним временам довольно смешной. что касаемо одинакового звука.
тут ответ простой. источник тоже был так себе. такие дела.
 
практический вопрос - для германиевого выхода общий радиатор, на котором 1 транзистор стабилизатора П210 и 4 выходных П215
Общей площадью в 450 кв см это на какую мощность расчитано будет ?
В тырнете прикидки площади от мощности в расчёте только на кремниевые транзисторы.
Тоесть верен ли ЭТОТ график для германиевых транзисторов ?
 

Вложения

  • подбор радиатора.png
    подбор радиатора.png
    18.2 KB · Просмотры: 59
  • IMG_20250122_174209.JPG
    IMG_20250122_174209.JPG
    393.4 KB · Просмотры: 58
для германиевого выхода общий радиатор, на котором 1 транзистор стабилизатора П210 и 4 выходных П215
Прокладки и германий не дружат. К тому же транзистор стабилизатора будет греть выходной каскад.
 
Вот хороший усь на германии диод перевернуть,опечатка,прокладок не нужно транзисторам
Оос цепляем на отвод вторички,или делитель(резистор) с катода на землю нужно поставить
 

Вложения

  • 17376138246961137104617.jpg
    17376138246961137104617.jpg
    363.1 KB · Просмотры: 130
Последнее редактирование:
"начинающим" было бы интересно ПОДРОБНОЕ сравнение непритязательной схемотехники по качеству звучания
До уваги "початківців": невибаглива схемотехніка впливає виключно на вимірюванні характеристики підсилюваного сигналу. Тому їх питання безглузді, а відповіді на них безжальні. _da
 
Вега-312,решил послушать ее как пред...
Подцепил входы на 18 контакт,выход-после с13..
Играет на мощник, но очень тихо...
Куда копать??
 

Вложения

  • Screenshot_20250123-113948.png
    Screenshot_20250123-113948.png
    298.2 KB · Просмотры: 68
  • Screenshot_20250123-114012.png
    Screenshot_20250123-114012.png
    315.7 KB · Просмотры: 69
Вот загадка все ругают Беслика ? ( он же выкладывал графики , параметры ) его схемы по любому лучше Аккорда .
 
практический вопрос - для германиевого выхода общий радиатор, на котором 1 транзистор стабилизатора П210 и 4 выходных П215
Общей площадью в 450 кв см это на какую мощность расчитано будет ?
В тырнете прикидки площади от мощности в расчёте только на кремниевые транзисторы.
Тоесть верен ли ЭТОТ график для германиевых транзисторов ?
Германий, да и кремний тоже, любят установку транзисторов непосредственно на индивидуальный радиатор. Естественно, с термопастой.
И постоянно действующим прижимом, в виде гроверов под винты.
Вы же предлагаете подсунуть к транзисторам ВК еще и горячий транзюк стабилизатора.

Вот загадка все ругают Беслика ? ( он же выкладывал графики , параметры ) его схемы по любому лучше Аккорда .
Точно такая же причина, почему неистово, с пеной у рта, ругают Ge-UF-25W и германиевые цирклотроны. У которых точно так же есть графики, параметры, суперские спектры, суперские отзывы.
Догадайтесь, почему на постсовковых форумах их ругают, а на diy.audio.com и тени ругани нет, наоборот, только приветствуют.
Не потому ли, что там нет "перетыкиных", прочих дрдб, а культура общения на порядки выше?
Ну и тамошние обитатели могут спокойно повторить схемы с десятком-полтора транзисторов.
А на постсовке не потянут германиевую схему, где транзисторов больше шести-восьми.
При этом от нее, с какого то бодуна, требуют шеренгу нулей гармоник, и полосу большого сигнала за мегагерц. Вместо того, чтобы облагородить спектр, расширить полосу, схемотехнически, выбором деталей, их подбором, подбором режимов.
Кстати, на одном из вариантов безоосного германиевого цирклотрона получена полоса большого сигнала в два мегагерца. Но это так, к слову. И к тем, кто помнит такие n-p-n транзисторы, как ГТ311, и что такое каскодное включение.
 
считается гойско-лапотным?
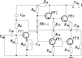
Клон Аккорда с радиво.
...ботинок белого господина - Разработан Хун-Чан Лином (H. C. Lin) в 1956 году, массово применялся в серийных УМЗЧ 1960-х и первой половины 1970-х годов. :)
Работал на RCA - Ключевой фигурой в RCA являлся Дэвид Сарнофф - уроженец Минской Губерни Российской империи (ныне Республика Беларусь).

Ой какие мы в ж....умные
Ум бывает из разных мест тела?
 

Вложения

  • 337i901yjq.jpeg
    337i901yjq.jpeg
    110.2 KB · Просмотры: 128
  • images.png
    images.png
    6.1 KB · Просмотры: 122
Последнее редактирование:
Ум бывает из разных мест тела?
ниправильно, схема у тебя хреново работать будет.
объясню. вх сопротивление 510 ом это мягко говоря, как и усиление 30 крат.
итого.на вход резистор 10к, в оос - 68к , симметричность настравиваем резистором с базы вх транзистора на землю. см выше схему я выложил "Пеликан", вот так настраивается.
ну и гст вместо вольтдобавки просто напрашивается.
 
Клон Аккорда с радиво.
...ботинок белого господина - Разработан Хун-Чан Лином (H. C. Lin) в 1956 году, массово применялся в серийных УМЗЧ 1960-х и первой половины 1970-х годов. :)
Работал на RCA - Ключевой фигурой в RCA являлся Дэвид Сарнофф - уроженец Минской Губерни Российской империи (ныне Республика Беларусь).


Ум бывает из разных мест тела?
Встречается иная схема, где ООС по переменному току через симметрирующий ограничение резистор убирается емкостью , в виде Т-фильтра.
 

Статистика форума

Темы
3,311
Сообщения
264,278
Пользователи
2,550
Новый пользователь
Александр Н.
Назад
Сверху Снизу