Ламповая болталка

Регистрация
23 Май 2020
Сообщения
2,385
Реакции
1,048
Репутация
70
Предупреждений
1

DIM

1 ранг
Регистрация
13 Дек 2019
Сообщения
2,863
Реакции
891
Репутация
61
Город
Санкт-Петербург
А, это была шутка, простите, сразу не понял.
 
Регистрация
23 Май 2020
Сообщения
2,385
Реакции
1,048
Репутация
70
Предупреждений
1
А, это была шутка, простите, сразу не понял.
Нормально 🙂, шутка была, но печатные индуктивности тоже были (правда , для наших звуковых целей индуктивность там куриная)
 

DIM

1 ранг
Регистрация
13 Дек 2019
Сообщения
2,863
Реакции
891
Репутация
61
Город
Санкт-Петербург
Да, это я использовал для СВЧ в свое время, давно правда.
 

W_L

3 ранг
Регистрация
13 Авг 2025
Сообщения
54
Реакции
17
Репутация
2
Возраст
22
Страна
Россия
Город
Санкт-Петербург
Имя
Кирилл
Так то можно все на платах сделать)
Но, как по мне, есть места, где от них толку нет никакого, а есть те, где с ними жить куда проще)
 

W_L

3 ранг
Регистрация
13 Авг 2025
Сообщения
54
Реакции
17
Репутация
2
Возраст
22
Страна
Россия
Город
Санкт-Петербург
Имя
Кирилл
Сейчас вовсе вот такую историю за 15 минут собрал, играет просто огонь, в какой-то мере 6Ж43П можно считать бальзамом для ушей )
 

Вложения

  • IMG_6890.jpeg
    IMG_6890.jpeg
    641.6 KB · Просмотры: 33

Э. Машкин

2 ранг
Регистрация
23 Дек 2024
Сообщения
347
Реакции
224
Репутация
9
Сейчас вовсе вот такую историю за 15 минут собрал, играет просто огонь, в какой-то мере 6Ж43П можно считать бальзамом для ушей )
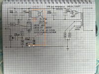
Схемку не покажете?
 

W_L

3 ранг
Регистрация
13 Авг 2025
Сообщения
54
Реакции
17
Репутация
2
Возраст
22
Страна
Россия
Город
Санкт-Петербург
Имя
Кирилл
Проще некуда, единственное сейчас со 2 сеткой думаю немного поиграться еще
 

Вложения

  • IMG_6301.jpeg
    IMG_6301.jpeg
    536.7 KB · Просмотры: 50
Регистрация
23 Май 2020
Сообщения
2,385
Реакции
1,048
Репутация
70
Предупреждений
1
Сейчас вовсе вот такую историю за 15 минут собрал, играет просто огонь, в какой-то мере 6Ж43П можно считать бальзамом для ушей )
Аккумуляторный USB-паяльник просто огонь! Несколько ламп (справа) заняли очередь на аудиокастинг
 

юан8

1 ранг
Регистрация
9 Мар 2024
Сообщения
3,138
Реакции
760
Репутация
51
Страна
РФ
Город
Санкт-Петербург
Имя
Юрий
Предупреждений
2
Проще некуда, единственное сейчас со 2 сеткой думаю немного поиграться еще
попробуйте выходную обмотку включить катодной,чуйка чуть упадет ,но выходное сопр и искажения уменьшатся
 

Вложения

  • IMG_6301.jpeg
    IMG_6301.jpeg
    854.6 KB · Просмотры: 33

W_L

3 ранг
Регистрация
13 Авг 2025
Сообщения
54
Реакции
17
Репутация
2
Возраст
22
Страна
Россия
Город
Санкт-Петербург
Имя
Кирилл
Да, это тоже попробую, нужно будет правда несного изменить Rk у лампы
попробуйте выходную обмотку включить катодной,чуйка чуть упадет ,но выходное сопр и искажения уменьшатся
 

юан8

1 ранг
Регистрация
9 Мар 2024
Сообщения
3,138
Реакции
760
Репутация
51
Страна
РФ
Город
Санкт-Петербург
Имя
Юрий
Предупреждений
2

scamp

1 ранг
Регистрация
28 Окт 2021
Сообщения
1,704
Реакции
1,342
Репутация
68
Страна
Россия
Город
Ростов-на-Дону
Имя
Александр
Я обычно только ёмкость через твз пускаю а Rk напрямую на землю. Зачем постоянный ток во вторичку заводить.
 

W_L

3 ранг
Регистрация
13 Авг 2025
Сообщения
54
Реакции
17
Репутация
2
Возраст
22
Страна
Россия
Город
Санкт-Петербург
Имя
Кирилл

W_L

3 ранг
Регистрация
13 Авг 2025
Сообщения
54
Реакции
17
Репутация
2
Возраст
22
Страна
Россия
Город
Санкт-Петербург
Имя
Кирилл
Я обычно только ёмкость через твз пускаю а Rk напрямую на землю. Зачем постоянный ток во вторичку заводить.
Там ток крайне небольшой, ничего плохого вторичной обмотке не будет в случае чего
 

юан8

1 ранг
Регистрация
9 Мар 2024
Сообщения
3,138
Реакции
760
Репутация
51
Страна
РФ
Город
Санкт-Петербург
Имя
Юрий
Предупреждений
2
Я обычно только ёмкость через твз пускаю а Rk напрямую на землю. Зачем постоянный ток во вторичку заводить.
те зашунтируете КО резистором 135ом,она и так небольшая(КО) ,да там постоянка десяток милливольт,ничего страшного
хотя по сравнению с нагрузкой 18ом, 135ом не страшно
 
Последнее редактирование:
Регистрация
23 Май 2020
Сообщения
2,385
Реакции
1,048
Репутация
70
Предупреждений
1
Я обычно только ёмкость через твз пускаю а Rk напрямую на землю. Зачем постоянный ток во вторичку заводить.
Я припоминаю схемы магнитной записи с подмагничиванием постоянным током. Подавая небольшое постоянное смещение во вторичку, можно компенсировать магнитное поле постоянной составляющей в первичной обмотке. 🤔
 

W_L

3 ранг
Регистрация
13 Авг 2025
Сообщения
54
Реакции
17
Репутация
2
Возраст
22
Страна
Россия
Город
Санкт-Петербург
Имя
Кирилл
те зашунтируете КО резистором 135ом,она и так небольшая(КО) ,да там постоянка десяток милливольт,ничего страшного
хотя по сравнению с нагрузкой 18ом, 135ом не страшно
Сейчас гонял ее при 4омах (колонки dynaudio emit m20), а так все это дело будет работать с наушниками moondrop venus, твз скоммутирую на 16ом, там 6Ж43П-ДР будет просто за глаза, хотя она раскачивает их только в пентоде, если в триод ставить, мощи не хватает
 

юан8

1 ранг
Регистрация
9 Мар 2024
Сообщения
3,138
Реакции
760
Репутация
51
Страна
РФ
Город
Санкт-Петербург
Имя
Юрий
Предупреждений
2
если в триод ставить, мощи не хватает
хуже триода нет ничего,делайте КО(CFB) почти пентод но выходное и искажения меньше,особенно когда общую оос не ввести(один каскад)
 

Вложения

  • сравнение для однотакта 6п14п.PNG
    сравнение для однотакта 6п14п.PNG
    69.1 KB · Просмотры: 12
Регистрация
23 Май 2020
Сообщения
2,385
Реакции
1,048
Репутация
70
Предупреждений
1
хуже триода нет ничего,делайте КО(CFB) почти пентод но выходное и искажения меньше,особенно когда общую оос не ввести(один каскад)
Из Вашего поста можно сделать правильный вывод: даже ламповые искажения не всем по душе. Я за грамотную линеаризацию лампового тракта от входа до исхода звука
 

юан8

1 ранг
Регистрация
9 Мар 2024
Сообщения
3,138
Реакции
760
Репутация
51
Страна
РФ
Город
Санкт-Петербург
Имя
Юрий
Предупреждений
2
а чего не сделать еще один каскад? на 6н23п,он почти не искажает
 

W_L

3 ранг
Регистрация
13 Авг 2025
Сообщения
54
Реакции
17
Репутация
2
Возраст
22
Страна
Россия
Город
Санкт-Петербург
Имя
Кирилл
хуже триода нет ничего,делайте КО(CFB) почти пентод но выходное и искажения меньше,особенно когда общую оос не ввести(один каскад)
Спешу не согласиться, лучше ГМ-57 и УО-186 я в своей жизни ничего не слышал, при том унч были чисто триодные, я бы сказал, каждая лампа подстать своей конструкции, спойлер: сейчас 2 основных проекта, это SE на УО-186 и РР на 6С4С, в обоих случаях в драйвере 6Н12С
 

W_L

3 ранг
Регистрация
13 Авг 2025
Сообщения
54
Реакции
17
Репутация
2
Возраст
22
Страна
Россия
Город
Санкт-Петербург
Имя
Кирилл

юан8

1 ранг
Регистрация
9 Мар 2024
Сообщения
3,138
Реакции
760
Репутация
51
Страна
РФ
Город
Санкт-Петербург
Имя
Юрий
Предупреждений
2
да не вопрос,мне так 6ж9п в триоде,а 6н1п надо вольт 450питания чтобы раскрылась,,,
триод хорош,но мощность куриная,а CFB и кпд как у пентода почти,и выходное ниже триода и полоса ,искажения почти как у триода
6Н23П на мой ух не прижилась
все еще от режима зависит,надо спектр наблюдать и режим подбирать
 

W_L

3 ранг
Регистрация
13 Авг 2025
Сообщения
54
Реакции
17
Репутация
2
Возраст
22
Страна
Россия
Город
Санкт-Петербург
Имя
Кирилл
Высоковольтные ип меня не пугают, надо 450, значит дадим )
 

DIM

1 ранг
Регистрация
13 Дек 2019
Сообщения
2,863
Реакции
891
Репутация
61
Город
Санкт-Петербург
Только не превышайте доп. напряжение на аноде, оно там небольшое.
 

W_L

3 ранг
Регистрация
13 Авг 2025
Сообщения
54
Реакции
17
Репутация
2
Возраст
22
Страна
Россия
Город
Санкт-Петербург
Имя
Кирилл

W_L

3 ранг
Регистрация
13 Авг 2025
Сообщения
54
Реакции
17
Репутация
2
Возраст
22
Страна
Россия
Город
Санкт-Петербург
Имя
Кирилл
Вопрос: кто-нибудь мерил, какое значение мощности выдает 6Ж43П со спаренными анодами в триоде, с одним анодом в пентоде и одним анодом в триоде ?
 

Статистика форума

Темы
3,069
Сообщения
234,687
Пользователи
2,375
Новый пользователь
Sergovlad
Сверху Снизу