Линейность, RTFM техномагии

Если использовать КЧ, то разница будет нивелироваться. Главное в крайности не впадать и лапшой телефонной не подключать :)
Всё верно,я утрировал по поводу телефонный лапши! Но было отслушано много разных кабелей с которыми звук заметно отличался. При подключении КЧ, звучание на всех проводах становилось абсолютно одинаково! Как на аудиофильских,так и на обычных проводах от советской акустики.

Ничего я не передёргивал про женщину
А что не так с женщиной? Вполне адекватная, миловидная и абсолютно не разбирающаяся ни в звукотехнике, ни тем более в КЧ! Отдала предпочтение звуку с КЧ! Пока супер слухачи (у меня много знакомых, среди них есть и типа сттл и читатели,но их не много) пытались объяснить суть эффекта!
Для меня очень ценно не предвзятое мнение человека не разбирающегося ни в КЧ, ни в СЛ ах, ни в СТТЛах!
 
Последнее редактирование модератором:
Что по кабелям, есть разница в применяемых кабелях?
Лучше, если кабель уже заранее малого сопротивления.
Тогда как 1 ОУ и 4 детали обвески по чистоте звука работают точь-в-точь, как серебряно-золотой кабель толщиной с сардельку.
 
Последнее редактирование модератором:
Можно литцендрат самому сделать.


 
Можно литцендрат самому сделать.
Бес
по
лез
няк.
Литцен - пЛЕТёный, драт - дрот, проволока. Провод с уменьшенным скин-эффектом, не более того. А нам нужен кабель низкого сопротивления, и никак, кроме увеличения сечения медных проводов, или использования драгметаллов, этого не достичь.
 
Бес
по
лез
няк.
Литцен - пЛЕТёный, драт - дрот, проволока. Провод с уменьшенным скин-эффектом, не более того. А нам нужен кабель низкого сопротивления, и никак, кроме увеличения сечения медных проводов, или использования драгметаллов, этого не достичь.
Видео выше, 40 жил интернетовского провода по 0.5мм каждая жила, пропускает ток в 160 ампер, а сварочный кабель 10 квадратов 64 ампера и жил там в разы больше.
Вопрос - за счет чего увеличилась пропускная способность провода из 40 жил изолированных друг от друга?

Вспомним на ночь глядя закон Ампера, 2 проводника с током идущем в одном направлении - притягиваются.
Вопрос - что за явление/сила заставляет их притягиваться?

Самодельный литцендрат в любом случае будет с очень малым сопротивление и быстрее передавать сигнал.

Каких драг металлов? Серебро?
Ляписным карандашом намажь провода _hm_
Есть растворы с серебром.

Короче нужна точка опоры, одних стоячих волн бегущих по проводу от унч к динамику, на другую рядом бегущую, а не на воздух, который является очень слабой точкой опоры для этой волны и из за этого теряется скорость и появляются затухания сигнала по длине провода.
Можешь сделать точку опоры таким способом, к примеру провод 0.5мм добавляешь к нему 0.35мм параллельно, или другие диаметры через коэффициент 1,414.
Получается тот тор/стоячая волна бегущая/распространяющаяся по проводу 0.5мм, в диаметре больше, тем самым медленнее вращается вокруг своей оси, чем на проводе 0.35мм, если рассматривать траекторию, то она вращается быстрее, подталкивая медленную по проводу 0.5мм, это и есть точка опоры
Это сложно для понимания и будет казаться, что это бред, но уже всё проверено и доказано, теми кто в курсе, что метод рабочий.

Ты просто не в теме и тебе кажется, что выхода нет, но это иллюзия.
 
Вопрос - за счет чего увеличилась пропускная способность провода из 40 жил изолированных друг от друга?
Так как шкурка каждой жилы не контактирует с другими шкурками, общая площадь шкур кабеля увеличилась - импеданс упал.

Но - импеданс, не сопротивление. На ВЧ низкий импеданс не нужен - там последовательно с ВЧ-динамиками резисторы по нескольку десятков Ом.

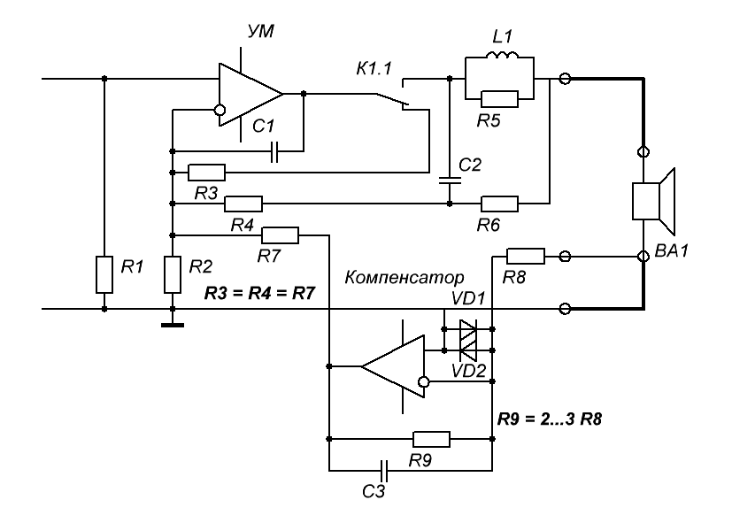
Компенсатор меня от этого кабель-колхоза избавляет: 5 ног ОУ и 8 ног деталей впаял - кабель мудохать не надо.

А ты - как хочешь.
 
Так как шкурка каждой жилы не контактирует с другими шкурками, общая площадь шкур кабеля увеличилась - импеданс упал.
Извините, на звуковом диапазоне, от литца толку НОЛЬ, там нет скин эффекта. Литц работает только на ВЧ (ИИП, в трансформаторах).
 
Так как шкурка каждой жилы не контактирует с другими шкурками, общая площадь шкур кабеля увеличилась - импеданс упал.

Но - импеданс, не сопротивление. На ВЧ низкий импеданс не нужен - там последовательно с ВЧ-динамиками резисторы по нескольку десятков Ом.

Компенсатор меня от этого кабель-колхоза избавляет: 5 ног ОУ и 8 ног деталей впаял - кабель мудохать не надо.

А ты - как хочешь.
Но провод при этом у тебя остался тем же, к примеру 2 по 6 квадратов, на нём потери ни куда не делись.

Я не говорю, что компенсатор плох, я о том, каким способом можно сделать более быстрый проброс сигнала с одного края на другой по проводу в пространстве.

О каких резисторах в 10ки ом на ВЧ речь? Есть схема?

Импеданс это что за явление с твоей точки зрения?
 
Лучше, если кабель уже заранее малого сопротивления.
И всё это подключается к АС с добротностью ~0,7... Используя ГД с высокой электромеханической связью с лапшекабелями результат прослушивания всегда будет в пользу такого ГД, что со змеями, что с КЧ. Но, чем больше коэфф. электромеханической связи, тем больше ГД генерит при внешних возмущениях, и эффект от КЧ должен быть выражен более явно. Опять таки, чем выше сопротивление катушки постоянному току, тем больше будет нивелироваться эффект от КЧ.
 
Последнее редактирование модератором:
ГД с высокой электромеханической связью с лапшекабелями
Электромеханическая связь динамика с кабелями? Высокая? Это как?
Если болтами на М36 с моментом 150 нМ - это высокая, или средненькая?

*Тяни, упираясь ногами в стену и накидывая двухметровую трубу на ключ. Так связь повыше будет.
 
Электромеханическая связь динамика с кабелями? Высокая? Это как?
Ну здрасьте - друг друга носом будем тыкать? В чём сила, брат, разбираться? Напомню, что сила Ампера равна произведению величины магнитной индукции в зазоре на длину проводника с током - B*L*I, где B*L называют коэфф. электромеханической связи. Чем он выше (при заданном токе), тем более точно подвижка следует сигналу. Соответственно, чем коэфф. выше, тем ГД сильнее реагирует на внешние возмущения.
Имеем два одинаковых ГД, но с разным сопротивлением катушки постоянному току. Кабель до увеселителя в обоих случаях используем тот же. В каком случае ГД нагенерит больше - в случае с низким сопротивлением, или высоким?
 
Последнее редактирование модератором:
1) Источник иcкажений V1 = 1В. R1 - выходное усилителя.

1767071024124.png


Напряжение на ВЧ динамике R3

1767071107205.png
В максимальной точке -41,8Дб


2) Бивайринг

1767070791632.png


1767070876193.png

В максимальной точке -47,8Дб



Предположим, что НЧ динамик имеет 1% искажений и его искажения складываются по воздуху с искажениями, проникшими к ВЧ динамику.

Итого искажения звука.
1) Через ВЧ динамик искажения -40Дб-41,8Дб = -81,8Дб
Сложим с искажениями от НЧ динамика
0,01В+ 0,00008В = 0,01008В Или - 39,93Дб

2) Через ВЧ динамик искажения -40Дб-47,8Дб = -87,8Дб
Сложим с искажениями от НЧ динамика
0,01В+ 0,000041В = 0,010041В Или - 39,96Дб


Разница в искажениях 0,03Дб !


Если кто-то скажет, что он отличит разницу в искажениях на слух в 0,03Дб, я его отправлю выслушивать питонообразные кабели.
Про низкие частоты вообще нет никакого смыcла воду толочь. Искажения отфильтровываются на уровне -65Дб и ниже.

ПС Кому не верится - изучайте Если не открываются выражения - см здесь
 
Последнее редактирование:
коэфф. выше, тем ГД сильнее реагирует на внешние возмущения.
Это нам нахрена? Перед включением КСК я должен чуйку АС вычислить/измерить?
40 Гц.gif

Разница в искажениях 0,03Дб !
ошибка в расчётах против моих измерений до 6.000 раз, а брагинских - 100....3000? Должны быть на то причины, да и народу интересно.

Или вот, говорили мы об устойчивости усилителей без конденсатора входного ФНЧ. Не всем дошло. Да что там "не всем" - не дошло, практически, никому.

Моя точка зрения:
В неинвертирующем усилителе
конденсатор входного ФНЧ
обеспечивает на ВЧ опору для базы входного транзистора,
включенного для ООС с общей базой:
1767134309339.png

Видим: Т2 - повторитель. Т1 включен с ОБ.
База Т1 должна иметь опору на землю.
Если опоры нет, если базе приходится опираться на паразиты,
схема неустойчива, загенерит и сгорит.

Тогда моделируем ситуацию.

1767134419600.png

Сопротивление R5 на входе принимает два значения: 1 Ом и 100 кОм.
Что делается с петлевой АЧХ?

1767134720858.png

Белая: 1 Ом. Опора есть, петлевое негустое, но так - в исходнике.
Зелёная: 100 кОм. Опоры для ООС нет, сама ООС тоже полиняла, хотя куда уж там линять.

Но петлевое нас мало интересует. Мало - нагоним, много - потратим, словом - разберёмся. А вот устойчивость - её не обманешь.

1767135246790.png

1. Углы пересечения АЧХ 0 дБ отличаются.
2. Запасы по фазе отличаются. Усь со 100 кОм в базе сгорел.

Вывод: неинвертирующий усилитель без опоры входа на общий провод неработоспособен.

Смоделировал - и знаешь:
1767136298536.png

Напряжение на базе Т1: величина, а, особенно, фаза в точке пересечения нуля дБ:
1767136398716.png

Опора на паразиты животворящие, говоришь?
Непонятно, зачем детальки снимать?
Хе. Удачи: тебе она пригодится.

Это мы установили, а с устойчивостью что? Как добиваться?

1767135740572.png

Применяем нестандартное решение: устанавливаем ...конденсатор ФНЧ для организации опоры базы Т1 на ВЧ. Ёмкость - от 10 до 110 пФ шагами по 20 пик. Цель: понять минимальное значение ёмкости, нужное, чтобы усь не горел.

1767135886668.png

АЧХ идёт от белой, с 10 пФ, и уже к С3=30...50 пФ устойчивость стабилизируется, судя по правильному углу пересечения 0 дБ
Вывод: ёмкость конденсатора должна быть в 10 раз больше ёмкости паразитов входа: Скб и Сбэ, Ссз и Сзи.

Вот потому в РУБЕЖЕ, который в 300 раз лучше известного всем куска Лимита по петлевому на 20 кГц, на входе установлен конденсатор С12 небольшой ёмкости:

РУБЕЖ++.png

Чтобы усилитель не будился.

Конечно, никого не призываю мне верить. Не верите - обязаны снять конденсатор входного ФНЧ.

Улучшите коэффициент нелинейных искажений усилителя Rotel на 20 дБ!
Нет, чтобы ТПД ускорять, или ГВЗ сокращать.

Как мы знаем из разных шарлатанских источников, самое главное в усилителе - быстрота. Усилитель должен быть скорым. Для этого надо просто снять все ФНЧ на пусти сигнала. Их немного, входной да выходной.

Что нам это даст?

RA-820AX отличается тем, что компания Rotel по каким-то философским или маркетинговым соображениям решила убрать выходные катушки индуктивности (большие компоненты из намотанного медного провода, которые обычно находятся на печатных платах усилителей мощности) И они также убрали цепи Зобеля (пара последовательно соединённых конденсаторов и резисторов 100 нФ/10 Ом от выхода усилителя + к GND).

Катушка индуктивности — это проверенный способ защиты усилителя от ёмкостных нагрузок (на самом деле иногда даже нагрузка в 100 нФ может привести к тому, что усилитель начнёт колебаться). Схема Зобеля защищает от колебаний, вызванных сложными или чрезмерными индуктивными нагрузками.

Предупреждение! — никогда не подключайте электростатическую акустическую систему к усилителю Rotel такого возраста — или делайте это на свой страх и риск и молитесь, чтобы усилитель вышел из строя раньше, чем ваши дорогие колонки!

(да, ладно, теперь меня засыплю сообщениями типа «Я уже много лет использую этот усилитель со своими квадроциклами без каких-либо проблем...») и это нормально, жить на грани нестабильности может быть весело — только не говори об этом своему банкиру).

Электростатические устройства (Quad и т. д.) создают значительную емкостную нагрузку — фактически в диапазоне мкФ. Но даже подключение «обычных» динамиков через «модные» кабели (в оплетке и т. д.), которые могут быть слишком длинными, скрученными, с двойным усилением или чем-то еще, вполне может привести к описанной вами катастрофе — даже в случае с Rotel, только что из коробки.

Единственной защитой выхода 820AX является пара проволочных резисторов сопротивлением 0,22 Ом/2 Вт (R635/6) и предохранители на 4 А/0,1 Ом, подключенные последовательно к выходу. Да, они расположены в контуре обратной связи, но все равно приводят к нежелательному снижению коэффициента демпфирования и... — нет, не заставляйте меня начинать.


Итак, Стен Кертис - разработчик Ротелей. Чем он сейчас занимается?

В течение последнего года Стэн Кертис был занят разработкой нескольких интересных новых продуктов для клиентов. До этого в течение примерно шести лет он занимался организацией поставок ЖК-телевизоров и другой продукции для ведущей британской сети супермаркетов; работал директором по международным проектам в малазийской компании Supportive Technologies и помогал ей подготовиться к листингу на Куала-Лумпурской фондовой бирже — Bursa Malaysia; а также помогал привлекать значительные средства для британской компании по производству электроники, которая стремилась к расширению. В перерывах между этими задачами он продолжал визуализировать и создавать новые продукты для клиентов.

До этого он работал или консультировал многие компании в сфере производства бытовой электроники.

В целом, это разнорабочий. Старший, куда пошлют.

Искажения с компенсатором.png
Включение ООС и компенсатора.GIF

А когда будет про компенсаторы и Сигма Драйв Систем?
Какие компенсаторы? Человек концы с концами не сводит.
 
Последнее редактирование:
Как мы знаем из разных шарлатанских источников, самое главное в усилителе - быстрота. Усилитель должен быть скорым. Для этого надо просто снять все ФНЧ на пусти сигнала. Их немного, входной да выходной.
Тема как твоя называется? Линейность, не так ли? Так прочти же мануал, да разберись с этим термином. Любой ФНЧ, ФВЧ, ГКЧП и т.д. на пути сигнала - ПРЕОБРАЗОВАТЕЛЬ. Задача увеселителя - домножить входной сигнал. Не преобразовать, не изменить, не огармонить - всего лишь домножить вход на заданную величину. А теперь ответь на вопрос - отвечает ли заданному требованию "сверхлинейник"?
 
Последнее редактирование модератором:
А теперь ответь на вопрос - отвечает ли заданному требованию "сверхлинейник"?
Искажения остаются всегда.
А в каком из усилителей они под шумами?

ДОНЕЦК.GIF

А вот, например, у ДОНЕЦКА:
Спектр.png

Так что иди и читай мануалы, какой усилитель можно считать усилителем.
 
Последнее редактирование модератором:
Любой ФНЧ, ФВЧ, ГКЧП и т.д. на пути сигнала - ПРЕОБРАЗОВАТЕЛЬ. Задача увеселителя - домножить входной сигнал. Не преобразовать, не изменить, не огармонить - всего лишь домножить вход на заданную величину.

ФНЧ, ФВЧ и сверхлинейные УМЗЧ - это линейные преобразователи амплитуды. Одни её уменьшают в заданной полосе, другой - увеличивает. Вот, в первом приближении, как бы и всё...

Преобразователь амплитуду не увеличивает, и не уменьшает. Надо бы с источником ознакомится, чтобы околесицу не нести. Что такое линейное преобразование? С этого начните.

Ознакомился, под роспись. _hm_

Коэффициент передачи (также коэффициент преобразования, крутизна преобразования) — отношение приращения некоторой физической величины на выходе некоторой системы к вызвавшему это приращение изменению подаваемой на вход величины данной системы.
Если входная и выходная величины имеют одинаковую размерность, то коэффициент передачи — безразмерная величина, и его обычно называют коэффициентом усиления.
При этом, если выходная величина больше по модулю входной величины, то коэффициент усиления больше 1. Если коэффициент усиления меньше 1, то часто используют обратную ему величину, называемую коэффициентом ослабления или коэффициентом затухания.
 
Последнее редактирование:
в смысле "размотать"?
Ясно и чётко (развёрнуто) дать ответ, в чём он не прав. Чтобы не только двум схемотехникам было понятно. Как ты говорил - хотя бы одну душу спасли - уже хорошо.
это не музыкальный сигнал но широкополосный. может ещё и меандр с шириной полосы гигагерц начнём "Линейно усиливать"? А вот ты ответь мне на такой вопрос:
"а нахрена?"
так же и с бусуром, по сути это меандр замаскированный под синус. И он выглядит как синус пока спектр не снимешь.:
как тебе такое, илонмаск? инструмент мошенника, вот что такое бусуры. Лохам лапшу на уши вешать только и годится.
Посмотреть вложение 166269Посмотреть вложение 166270Посмотреть вложение 166271Посмотреть вложение 166272
Я что-то говорил за бусры с бесконечной полосой? Ещё раз - каким условиям должен удовлетворять УМ, чтобы без искажений АМПЛИТУДЫ усилить сигнал, закодированный PCM стандарта CD? Сгенерил буср с ЧД 44,1 кГц, разрядностью 16 бит, получив значения напряжений в каждой точке квантования и подал данный сигнал на вход УМ. А лучше единичный импульс - дельта функцию. Что на выходе УМ будет? То, что на входе?

Ознакомился, под роспись. _hm_
Линейные функции со школы помним? Какой у них коэфф. усиления (затухания)? Я про суть понятий спрашиваю, а не за прикладные выкладки.
 
Последнее редактирование модератором:
Ясно и чётко (развёрнуто) дать ответ
Буср - это радиоимпульс, синус, модулированный меандром:
И это открыло перед шарлатаном широкие перспективы:
1767289080914.png

Все находящиеся в нём миллионы гармоник так согласованы во времени, что с виду это синус.
А вот проходя через ФНЧ, гармоники теряются и рассогласовываются по фазе:

1767289309549.png

Это можно назвать искажениями даже с очень линейным усилителем или без него: мы же вам подавали на вход синус, а вот это что?

1767290293188.png

Где взять ФНЧ? - да любой усь - это ФНЧ.
Значит, любой усь вносит линейные искажения.
Их не слышно, но кого это тревожит?

Но так как буср ещё и модулирован меандром, Треплов двойным дифференцированием добывает остатки его фронтов из-под синуса на выходе OUT:
1767289675293.png

1767289472130.png

И спрашивает: а что это вы тут насвинячили?
Брехня.PNG
Я вам подал синус, а у вас одни искажения на выходе.

И вот с этими чудотворными инструментами можно стать гурой по искажениям, даже ничего не понимая в искажениях.

Сгенерил буср с ЧД 44,1 кГц, разрядностью 16 бит, получив значения напряжений в каждой точке квантования и подал данный сигнал на вход УМ.
burus_1k_REW_SPEC.jpg
И вот что получил.
А чем оно отличается от спектра из симулятора?
Гигагерц (1).png
Нахрена тебе слушать 1 ГГц гармоник под видом синуса?
Чтобы что?
Что ты им хочешь понять, чего нельзя понять другими способами?
 
Последнее редактирование модератором:
Линейные функции со школы помним? Какой у них коэфф. усиления (затухания)? Я про суть понятий спрашиваю, а не за прикладные выкладки.

Прямая линия на координатной плоскости. y=kx+b.

Зачётка не помню где... _hm_
А здесь это зачем?

И вот что получил.
А чем оно отличается от спектра из симулятора?

Обрезано фильтрами ЦАП/АЦП на 1/2 от частоты дискретизации. Ваш буср недействителен, несите другой. :)
 
Ясно и чётко (развёрнуто) дать ответ, в чём пациент не прав.
25 раз примерно. Этому пациенту не нужны ответы. Ему нужна слава. Пусть и Геростратова по сути.
Я что-то говорил за бусры с бесконечной полосой? С треповым меня не перепутал? Ещё раз - каким условиям должен удовлетворять УМ, чтобы без искажений АМПЛИТУДЫ усилить сигнал, закодированный PCM стандарта CD? Сгенерил буср с ЧД 44,1 кГц, разрядностью 16 бит, получив значения напряжений в каждой точке квантования и подал данный сигнал на вход УМ. А лучше единичный импульс - дельта функцию. Что на выходе УМ будет? То, что на входе?
Я дал тебе спектр. Что видишь?
А единичный импульс сам мерий. Точность замера плюс минус лапоть меня не устраивает.
не.. давай так.
я разбираюсь в этой терповской хрени уже не один год. поэтому вот ты сгладишь бурст, хорошо, ограничишь его полосу. Как думаешь как это будет выглядеть? А я тебе скажу- это будет обрывок синуса с очень плавным переходом в постоянный ток, и таким же нарастанием. Поэтому с какой радости ты предполагаешь что усилитель такой сигнал не сможет усилить без искажений?
 
Обрезано фильтрами ЦАП/АЦП
Не обрезано. Треплов пользуется бусром в симуляторе, а там полоса частот ограничена только временем счёта и вычислительной мощностью процессора: хоть до жёсткого рентгена.

preamp_SWDT&SID.png

Как добыть последний график, с СИД-искажениями простого ФНЧ?
Мы ж знаем, что ОУ - тот же ФНЧ.
1767291011927.png

На выходе сравнения входного и выходного сигналов ФНЧ:
1767291072949.png


1767291738432.png

Вот вам амплитудно-фазовая конверсия.

А при чём тут искажения?
То уже шарлатан знает. Куда он показывает пальцем, там и искажения.
 
Последнее редактирование:

Вложения

  • сигма драйв.png
    сигма драйв.png
    118.5 KB · Просмотры: 120
  • искажения с сигмой.png
    искажения с сигмой.png
    204.4 KB · Просмотры: 25
По-моему должно быть другое сочетание картинок (Из брошюрки Кенвуда):
А принципиальная разница в чём?
Тремя способами достигается один результат.

Зачем они его достигали? Искажениев послушать?
sigma-drajv-png.166287

И тут ясно видно, отчего СДС снята с производства.
Ей нужен четырёхпроводный экранированный кабель. С другими кабелями система не работает. А образовательный ценз начал падать: какой кабель? - дорогой! Зачем? - сэкономлю, куплю телефонной лапши!

Ну, и где ваше звучание?
Опять обманули.
 
А принципиальная разница в чём?
Тремя способами достигается один результат.

Зачем они его достигали? Искажениев послушать?
sigma-drajv-png.166287

И тут ясно видно, отчего СДС снята с производства.
Ей нужен четырёхпроводный экранированный кабель. С другими кабелями система не работает. А образовательный ценз начал падать: какой кабель? - дорогой! Зачем? - сэкономлю, куплю телефонной лапши!

Ну, и где ваше звучание?
Опять обманули.
Там три разных варианта без графиков .А график снят для варианта без кабелечистки , просто ООС вынесенная на концы кабеля
 
И так делали?
А почему бы не сделать так,

мысли приходили, но сами ушли, дурные, по ходу, были. Кабеля убрать - одной проблемой меньше (а плюшек в Активной… одни плюшки и все вкусные)
 
Обрезано фильтрами ЦАП/АЦП на 1/2 от частоты дискретизации. Ваш буср недействителен, несите другой. :)

Я, собственно, о том, что сам ЦАП уже внесёт то, с чем так активно борется А.Петров.
Поэтому для продвижения его передовых идей потребуется спец. ЦАП "бурст эдишн". :cool:
 
То, ящики для маркетинга нужны, производителям АС и УМ, продавцов/изготовителей кабелей кормить надо. А если дело касается высокого полета, то, как всегда, хочешь сделать хорошо, делать надо самому, КИТы можно и купить, динамики пилить, клеить (шутка) так же.
 
preamp_SWDT&SID.png


Как добыть последний график, с СИД-искажениями простого ФНЧ?
Мы ж знаем, что ОУ - тот же ФНЧ.
1767291011927.png


На выходе сравнения входного и выходного сигналов ФНЧ:
1767291072949.png



1767291738432.png


Вот вам амплитудно-фазовая конверсия.

И при чём тут искажения? Это просто математический ФНЧ. Откуда в нём искажения?
С чем ... активно борется А.Петров
А с чем он борется, напомни?
 
То, ящики для маркетинга нужны, производителям АС и УМ, продавцов/изготовителей кабелей кормить надо. А если дело касается высокого полета, то, как всегда, хочешь сделать хорошо, делать надо самому, КИТы можно и купить, динамики пилить, клеить (шутка) так же.
Вообще, не понимаю, как я раньше мучился, в ящики все засовывать, колхозить, чтоб в паучки не заводить, дошло потом, когда Альпсы на шаговых двигателях делать стали и пульты А-ля Эпл. Все! Осталось два диода вывести: клип и капут.
 

Статистика форума

Темы
3,196
Сообщения
248,065
Пользователи
2,455
Новый пользователь
Станислав В..
Назад
Сверху Снизу