Схема двухтакта

Регистрация
12 Ноя 2019
Сообщения
28,310
Реакции
13,622
Репутация
395
Можно, но как говорится «лучшее враг хорошего». Пол года менял лампы и крутил режимы. Поставил во всех « критических» местах переменники и настраивал по спектре с разными лампами в преде и фазоинверторе. Наиболее триодный спектр получился с 6Н9С в фазоинверторе но усиление дурное. В итоге оставил 6Н12С, мне так больше понравилось. Да и крутить можно бесконечно, а слушать когда?😀
Кстати, у 6Н12С усиление примерно 20-25, как у 6н6п, самое то, что надо.
 

33tooth

2 ранг
Регистрация
15 Авг 2024
Сообщения
466
Реакции
35
Репутация
9
Страна
Россия
Город
Глазов
Имя
Александр

DIM

1 ранг
Регистрация
13 Дек 2019
Сообщения
2,863
Реакции
891
Репутация
61
Город
Санкт-Петербург
6BX7 тоже подойдет, она дешевле.
 

DIM

1 ранг
Регистрация
13 Дек 2019
Сообщения
2,863
Реакции
891
Репутация
61
Город
Санкт-Петербург
Регистрация
12 Ноя 2019
Сообщения
28,310
Реакции
13,622
Репутация
395
На больших размахах даже 6Н7С лучше, чем 6Н8С. 6BX7 еще лучше по искажениям, а конкретно по третьей гармонике, значит в РР ей самое место.
Так и сделаем, вторым каскадом 6Н7С. Или 6N7 . если водится.
 

DIM

1 ранг
Регистрация
13 Дек 2019
Сообщения
2,863
Реакции
891
Репутация
61
Город
Санкт-Петербург
Собираете двухтакт?
 
Регистрация
12 Ноя 2019
Сообщения
28,310
Реакции
13,622
Репутация
395
Собираете двухтакт?
Китаец по имени Каин, на КТ-88 , есть решение перекидать его на 6с4с .Схемы уже есть,неплохие и простые, включая промышленную.
 

DIM

1 ранг
Регистрация
13 Дек 2019
Сообщения
2,863
Реакции
891
Репутация
61
Город
Санкт-Петербург
Два баллона драйвера в канале?
 
Регистрация
12 Ноя 2019
Сообщения
28,310
Реакции
13,622
Репутация
395
Два баллона драйвера в канале?
Угу. Всего 4 лампы, все ядреные тунг-солы российские, ред бейсы. SRPP входной, гальваносвязанный с селфсплиттером. Параметры неплохие, 25 ватт в триоде. 45 в УЛ.
Входы переключаются релюшками, нажатием кнопок на панели, индикация диодами.
Селфсплит отжирает полезное анодное, схему переделаю без гальваники.
 

DIM

1 ранг
Регистрация
13 Дек 2019
Сообщения
2,863
Реакции
891
Репутация
61
Город
Санкт-Петербург
Я бы 6С2С на вход поставил и 6BX7 в дифф, если анодное позволяет, то гальванику между 1 и 2 каскадами, желательно с ИТ все-таки в катодах, но можно и 6Н7С, хотя усиления уже многовато получится, или там 6 дБ ОООС планируется?
 
Регистрация
12 Ноя 2019
Сообщения
28,310
Реакции
13,622
Репутация
395
Я бы 6С2С на вход поставил и 6BX7 в дифф, если анодное позволяет, то гальванику между 1 и 2 каскадами, желательно с ИТ все-таки в катодах, но можно и 6Н7С, хотя усиления уже многовато получится, или там 6 дБ ОООС планируется?
А что, выход с фиксой, минус 65 В есть, для диф-хвоста, 6с2с тоже, а вот 6BX7 фигушки. Есть 6н7с. Будет запас по ООС, она там есть, в катод входного СРПП.
 
Регистрация
12 Янв 2022
Сообщения
389
Реакции
168
Репутация
21
Страна
Россия
Город
Калининград
Имя
Георгий
Изначально проект был на задуман на выходных лампах 6П13С. В качестве выходных трансформаторов имелись в наличие выходные трансы от ТУУ-600. Это трансляционный транзисторный усилитель. Давно хотелось их куда нибудь пристроить. Покупать или мотать не было возможности. На Аудиопортале эти трансы давно упоминались в качестве неплохих выходных для РР на 6П36С. Понятно что это не 6П13С, но «охота пуще неволи». Был собран макет, по итогам изготовлены корпуса моноблоков, и…. все зависло на пару лет. После того как построил мастерскую, и с почестями был выдворен домочадцами на новое место пребывания, руки зачесались доделать зависший проект. С выходными лампами 6П13С и 6П31С что то « не зашло». Появились подобранные пары 2А3, решил их попробовать. Понятно что результат далек от идеала, ограничен имеющимися ТВЗ. По итогу возникли некоторые вопросы, надеюсь Вы поможете найти на них ответ.
1. Режим фазоинвертора с « длинным» хвостом». На мой взгляд анодные резисторы получились великоваты. Я правильно понимаю, из анодного напряжения нужно вычесть смещение, а оставшееся поделить пополам и добиться на анодах этого напряжения?
2. Ток выходных ламп в данной схеме могу измерить только общий. Имеет ли смысл поставить в разрыв анода к ТВЗ поставить по резистору и на них контролировать ток?
3. Подключение к общему катодному резистору, параллельно, конденсатора, на слух ничего не меняет, но на спектре видно уменьшение гармоник. Нужен ли он, у меня хорошего ничего нет.
Но больше вопросы по режимам, отупел за время вынужденной паузы, специалисту одного взгляда будет достаточно.
Посмотреть вложение 54476Посмотреть вложение 54477Посмотреть вложение 54478Посмотреть вложение 54479Посмотреть вложение 54480Посмотреть вложение 54481Посмотреть вложение 54482

Спектры без катодного конденсатора и с нам.

Наверное никому не интересно?
Спрошу про накал 2А3. У меня в сети от 220 до 230 вольт плавает. Соответственно накал от 2,45 до 2,7 в. Нигде в даташитах на 2А3 не нашел мин. и макс. напряжение накала. Только в одном документе на наш новодел было написано максимальное напряжение 2,7 в. Лампы у меня, кажется, Саратовские. Насколько пагубно влияет чуть большее напряжение накала? В некоторых статьях советуют снизить напряжение накала на 10%, якобы ощутимо продлевается срок службы.
Вот моя схема с режимами и спектры.
 
Регистрация
12 Ноя 2019
Сообщения
28,310
Реакции
13,622
Репутация
395
Вот моя схема с режимами и спектры.
Красотень во всем, схема продумана в главном , безупречно. Но я бы на всяк случай врезал в сетки селфслиттера на 6н8с по антизвончику, а то всяко было.
Контролировать токи плеч выхода можно, врезав по 1 ому по концам балансировочного переменника 50 Ом.
 

33tooth

2 ранг
Регистрация
15 Авг 2024
Сообщения
466
Реакции
35
Репутация
9
Страна
Россия
Город
Глазов
Имя
Александр
Привет, на сайте Пасечника полно всяких схем, и типа он их делает на продажу, вот одна из них, реально?
 

Вложения

  • Усь 01-6П3С-2-схема 27 катод ОС-лого (16-12).jpg
    Усь 01-6П3С-2-схема 27 катод ОС-лого (16-12).jpg
    318.3 KB · Просмотры: 85

Andrew271

2 ранг
Регистрация
28 Ноя 2023
Сообщения
448
Реакции
128
Репутация
12
Страна
UA
как то работать будет, но опять же гальваническая связь, непаспортные сеточные резисторы, странное комбинированое смещение, странные трансформаторы, анодное питание превышает паспортное ....
 

33tooth

2 ранг
Регистрация
15 Авг 2024
Сообщения
466
Реакции
35
Репутация
9
Страна
Россия
Город
Глазов
Имя
Александр
Не придраться, именно ваш случай. Грамотный дядька, читал его сайт, все по уму.
Это сарказм или реально стоит присмотреться? У него несколько схем на 8с/6п3с, но суть понятна
как то работать будет, но опять же гальваническая связь, непаспортные сеточные резисторы, странное комбинированое смещение, странные трансформаторы, анодное питание превышает паспортное ....
резисторы можно подогнать под паспортные, смещение фиксированное оставить, питание у меня ниже
 
Последнее редактирование:
Регистрация
12 Ноя 2019
Сообщения
28,310
Реакции
13,622
Репутация
395
Это сарказм или реально стоит присмотреться? У него несколько схем на 8с/6п3с, но суть понятна

резисторы можно подогнать под паспортные, смещение фиксированное оставить, питание у меня ниже
Не тупите. Специально одобрил именно эту схему, в которой все в мелочах продумано под ваши хотелки. Задача не мусолить тему по 25-му разу, а тупо и глупо спаять по готовому.
С питанием 300в схема сможет работать тоже. Выдаст меньше мощности и все, перепахивать не нужно.
ПС.Ваша заслуга тоже есть , солидная. Сложив в уме кубики , нашли нужную схему, отвечающую всем задачам.
 
Последнее редактирование:

33tooth

2 ранг
Регистрация
15 Авг 2024
Сообщения
466
Реакции
35
Репутация
9
Страна
Россия
Город
Глазов
Имя
Александр
Не тупите. Специально одобрил именно эту схему, в которой все в мелочах продумано под ваши хотелки. Задача не мусолить тему по 25-му разу, а тупо и глупо спаять по готовому.
С питанием 300в схема сможет работать тоже. Выдаст меньше мощности и все, перепахивать не нужно.
понял, спасибо, смущает только что на сетке напряжение больше чем на катоде, вроде как должно быть ниже?
 
Регистрация
12 Ноя 2019
Сообщения
28,310
Реакции
13,622
Репутация
395
90 в аноде и 87 в катоде? Это ошибка, сейчас посчитаем.
питание 330. на аноде 210. резистор 24 кила. Ток 5ма. Значит, в катоде ток 5ма тоже сделает падение +120 в. На лампе останется 210 минус 120 =90 вольт.
Сетка -катод навскидку 3, 5-4 вольта. Значит, эти 120 вольт в катоде минус 4 вольта, дадут нам 116 в в аноде первого триода 6н8с. Описка в схеме. А номиналы видимо верные.
Ващета разделенная нагрузка настраивается, чтобы на всех трех участках падение было одинаковое или на лампе больше всего. Тут иначе, лампа приоткрыта.
Это все проделки гальваники. Убрать ее нахрен, спаять по Лабутину , одной проблемой меньше.
 
Последнее редактирование:

Profi

2 ранг
Регистрация
3 Дек 2021
Сообщения
270
Реакции
469
Репутация
27
Страна
Родина
Город
Тюмень
Имя
Евгений
Тут, при 3-х ОС, наверное, даже 6п6с будет нейтрально звучать.
 
Регистрация
12 Ноя 2019
Сообщения
28,310
Реакции
13,622
Репутация
395
Тут, при 3-х ОС, наверное, даже 6п6с будет нейтрально звучать.
Усиление одной половины 6н8с, да с ООС .....Что останется-то? Общая ООС с выхода в катод 6н8с, с делителем 150 кил на 1, 2 кила- отсутствует вовсе. Но с важным видом -она типа есть.
Зря хвалил схему, зря. Девятку надо ставить на раскачку, по Лабутину. Питания хватит, если 400 подать , а не 330. Выходной каскад не трогать.
Снова тупик. smile_12
 
Регистрация
12 Ноя 2019
Сообщения
28,310
Реакции
13,622
Репутация
395
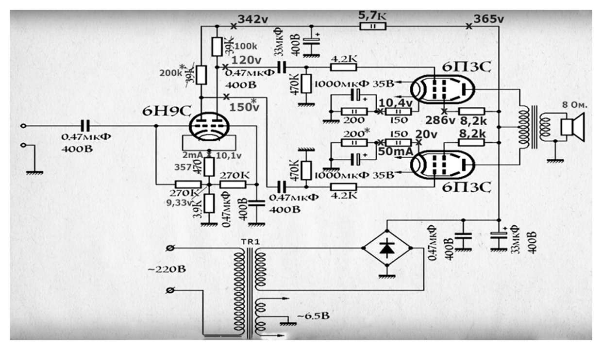
https://youtu.be/isawpw-MZ2k?list=TLPQMTgwNDIwMjX71G-03fwjpA -6П3С + 6Н9С двухтактный усилитель звука.

Посмотреть вложение 132403
Промеряна по приборам, с полпинка звучит.
Взяли паяло и приступили к макету.
Прекрасный вариант. Разве что 0,47мкф в сетках 6п3с до хренища.
6П3С в триоде, пара выдаст ватта 4, не жирно.Но звук красивый .
И разрядник анодных банок впаять не забыть, а то прилетит.
 

DVS

1 ранг
Регистрация
15 Сен 2021
Сообщения
1,775
Реакции
594
Репутация
55
Имя
Сергей
Предупреждений
1
Прекрасный вариант. Разве что 0,47мкф в сетках 6п3с до хренища.
6П3С в триоде, пара выдаст ватта 4, не жирно.Но звук красивый .
И разрядник анодных банок впаять не забыть, а то прилетит.
Входной убрать остальные 0,047 оставить.
 
Регистрация
12 Ноя 2019
Сообщения
28,310
Реакции
13,622
Репутация
395
Входной убрать остальные 0,047 оставить.
КАК ВХОДНОЙ УБРАТЬ??? Там плюсовой потенциал сидит!

Входной убрать остальные 0,047 оставить.
Учтите, что схема такая усиливает не в обычные 50 раз, а всего в 25, наполовину. По одной сетке качается, не по двум. паматушта.
 

scamp

1 ранг
Регистрация
28 Окт 2021
Сообщения
1,725
Реакции
1,354
Репутация
68
Страна
Россия
Город
Ростов-на-Дону
Имя
Александр

Статистика форума

Темы
3,093
Сообщения
235,954
Пользователи
2,387
Новый пользователь
Тула
Сверху Снизу