Усилитель Короля

в майкрокапе другой оу, еще быстрее модель
ha2620_ha__test.jpg

вот и у меня не получилось соответствие выложенному вами
графику из поста
https://ldsound.club/threads/vinil-korrektor-suxova-na-diskretnyx-ehlementax.3538/post-441488
где "опять накрутили".
В вашем проекте - полное совпадение с данным рисунком и расхождение с тем что вы выкладывали ранее.
 

Вложения

Последнее редактирование модератором:
никак увы. я не нашел.
Плохая связь шина-общий. Тогда конденсаторы Скб образуют миллеровскую ООС и повышают устойчивость. Иногда даже специально вводят резисторы в коллекторы 1-2кВК, чтобы этого полезного небольшого Миллера усилить.
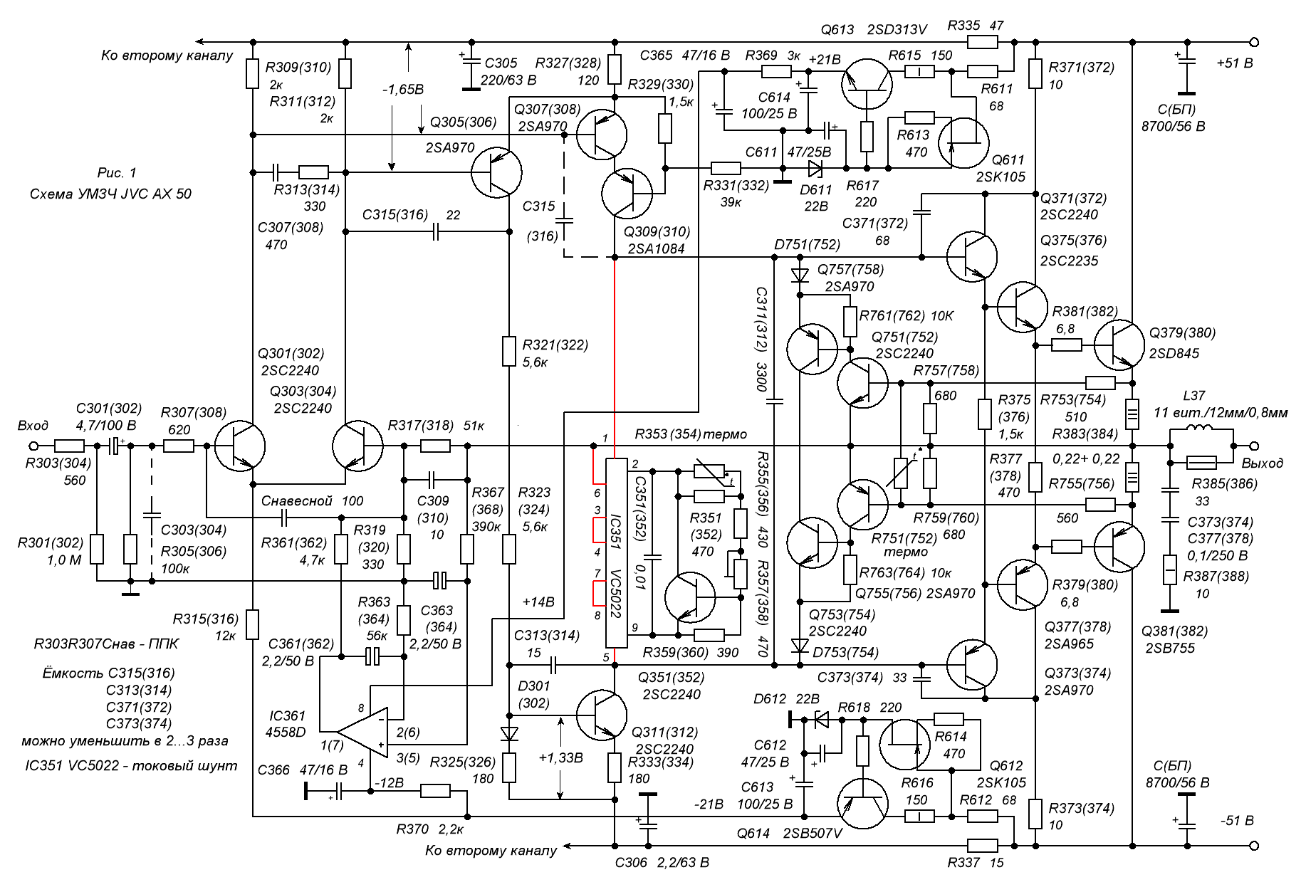
JVC AX-50 испр.GIF
Реверс-инжиниринг.

Ведь большинство людей собирает усилитель именно для прослушки музыки, а не для танцев с бубном

Спасибо, мы такие и собираем. А зачем вам бубен?
изображение_viber_2025-08-05_22-51-50-627.jpg
1763844617316.png


МАСТЕР - это вот:
МАСТЕР-2.GIF

Только подбираем ток покоя.
1763708570854.png

Но, как написано здесь:
1763844769258.png

Как и безлинейниках, может быть не зависящий от схемы возбуд с ростом искажений. Этого мультиметром не видно.
 
Последнее редактирование модератором:
Спасибо, мы такие и собираем. А зачем вам буб
Сделайте хороший/приемлемый звук на 3102 -07, и КТ818-19. Допустимы КТ814-15 ( и аналоги )в УН Недопустимы стабилитроны и полевики. Диоды, светодиоды разрешены. Драйвер обязательно должен быть на быстрых, то есть 3102-07 ( и аналоги )
Потому что сичас интересен лишь этот вариант
Такой вот спортивный интерес
 
Сделайте хороший/приемлемый звук на 3102 -07, и КТ818-19.
1722157643375.png

ЭЛЬБРУС. Там проблем с коррекцией не было.
Спасибо за труды.
Как появится свободный макет, соберу, послушаю,отпишусь.
Быстро ты реагируешь. Я ещё ответить не успел, а ты в июле 24-го пообещал сделать.
 
Последнее редактирование:
Сделайте хороший/приемлемый звук на 3102 -07, и КТ818-19. Допустимы КТ814-15 ( и аналоги )в УН Недопустимы стабилитроны и полевики. Диоды, светодиоды разрешены. Драйвер обязательно должен быть на быстрых, то есть 3102-07 ( и аналоги )
Потому что сичас интересен лишь этот вариант
Такой вот спортивный интерес
Зря Вы полевые "транзитроны" со счетов списываете. На вход их в виде ДК, в паре с биполяризованными транзитронами и звук сам придëт к Вам
 
Последнее редактирование:
Допустимы КТ814-15 ( и аналоги )в УН
Да, кстати. КТ814/815 НЕдопустимы ни в одном каскаде усилителя, кроме выходного - выходниками.
Только ВЧ-транзисторы везде, кроме последнего каскада ВК.
Иначе никаких параметров не снять: мартышкин труд, напрасные хлопоты.
 
Посмотреть вложение 160444
ЭЛЬБРУС. Там проблем с коррекцией не было.

Быстро ты реагируешь. Я ещё ответить не успел, а ты в июле 24-го пообещал сделать.
Я не обязан делать этот вариант,хотя вроде как и обещал, потому что вы сильно меня разочаровали своим отношением к моему труду по усилителям
Ладно ещё НЕУЛО, ему простительно, но от вас я такого не ожидал
Да и по моим ключевым Т.У эта схема сильно не проходит
Во- первых, это НЕ инвертор. Я собираю только чистые /полные инверторы ( Л.Зуев, СЛ - 99, ФМ -50 )
Это принципиально. ООС должна работать непосредственно с исходным входным сигналом, это позволяет только полный инвертор. Ваша схема НЕ инвертор
Во-вторых, здесь НЕ короткий тракт, и это тоже принципиально.
Должен быть только один каскад УН,но кол-во транзисторов - не ограничено
Почему я такой упрямый со своим КТ ?
Да потому что я никогда не гнался за супер детализированным звуком, которого вы добиваетесь в своих схемах.
Мне главное что бы усилитель звучал чисто, без искажений, на всём диапазоне мощности, но не обязательно сверхдетально
Короткий тракт это позволяет. Ну и к тому же он проще в настройке, не требует осцилла и генератора, и надёжней
По моему, это достаточно весомые аргументы, что бы им заниматься
Если бы вы нашли в себе интерес выжать максимум линейности и качества из короткого тракта, мы могли бы и посотрудничать
 
Q10,Q14,Q8.Q9 D1R6R7R8 можно выбросить без ухудшения параметров
паровоз из 3102\3107 в тройке заменить на пару 5401\5551или вд139\140 стоит копейки,гораздо меньше паразитных реактивностей монтажа
 
Последнее редактирование:
Зря Вы полевые "транзитроны" со счетов списываете. На вход их в виде ДК, в паре с биполяризованными транзитронами и звук сам придëт к Вам
Не знаю, в чем прикол полевиков,особенно в ДК, но я за линейность, и чем менее окрашенный звук на выходе , тем меньше проблем в общем и целом
Я ещё в перспективе,может попробую мощные полевики на выход, просто пока их нет под рукой, хотя меня и на БТ звук устраивает, но на входе пока не вижу в них никакого смысла
Тем более что у меня короткий тракт, и я не люблю диффкаскады в звуке

Q10,Q14,Q8.Q9 D1R6R7R8 можно выбросить без ухудшения параметров
паровоз из 3102\3107 в тройке заменить на пару 5401\5551или вд139\140 стоит копейки,гораздо меньше паразитных реактивностей монтажа
Паровоз из 3102/07 это мой прикол
Просто у меня их много, и я решил делать из них драйверы
Они быстрые
Вроде неплохо звучит на них

Да, кстати. КТ814/815 НЕдопустимы ни в одном каскаде усилителя, кроме выходного - выходниками.
Только ВЧ-транзисторы везде, кроме последнего каскада ВК.
Иначе никаких параметров не снять: мартышкин труд, напрасные хлопоты.
Не знаю, но я ставил 814/15 в УН, нормально звучит, не хуже чем с быстрыми
А вот в драйвере 814,15 звук немного мылится
Как выходники я тоже хочу их попробовать,но нужно накопить,что бы ставить штук по 6 - 8 в параллель
Пробовал вместо двух 819, четыре 817 в параллель, нормально звучит, но наверное нужно штук 6 - 8
 
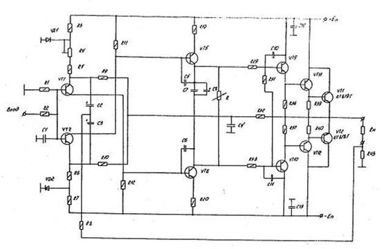
Вот скелет симметричного усилителя номиналы можете подобрать и рассчитать,деталей немного,можно сделать и проверить в железе.
 

Вложения

  • скелет схемы..jpg
    скелет схемы..jpg
    32.3 KB · Просмотры: 84

Вложения

  • 1722157643375.png
    1722157643375.png
    81.6 KB · Просмотры: 71
Последнее редактирование:
да не дает оно ничего,там размах куриный,каскод только в уне нужен,можешь в симуле сравнить интерморды одинаковые будут,лучше антиклип прикрутить ,чем проще тем лучше для повторения
ЗЫ каскод на входе нужен только если супербета транзисторы низковольтные в дифф ставить

Вот скелет симметричного усилителя номиналы можете подобрать и рассчитать,деталей немного,можно сделать и проверить в железе.
R37 R40 убрать оставить по одному резистору между базами и отцепить от выхода,два резистора меньше и быстрее разряд паразитных емкостей при переключении плеч
 
Последнее редактирование:
да не дает оно ничего,там размах куриный,каскод только в уне нужен,можешь в симуле сравнить интерморды одинаковые будут,лучше антиклип прикрутить ,чем проще тем лучше для повторения
ЗЫ каскод на входе нужен только если супербета транзисторы низковольтные в дифф ставить
всё это хорошо выглядит пока на входе не окажется РГ. и тогда будет понятно нахрена там следящий каскод стоит.
 
А вообще-то, как оно с нормальным ЦАПом, цифровая регулировка громкости хуже, чем РГ или пофиг?
 
А вообще-то, как оно с нормальным ЦАПом, цифровая регулировка громкости хуже, чем РГ или пофиг?
по правде цифровая реулировка по крайней мере в том цап который я юзаю никак себя не проявляет. в плане искажений. так что обычный рг и не обязателен, другое дело что крутилка удобнее тыкалки чисто эргономически.
 
можешь в симуле сравнить интерморды одинаковые будут
А, так это - ИИ, конкурент ЛТС. Но тупой, ещё учится.
Тебе откуда знать, что как будет? Тебя о решениях ниже 5% искажений вообще никто спрашивать не собирается, завали отверстие.

Вечно придёт и гавкает на темы, в которых ни ухом, ни рылом. Вон отсюда. иди, безлинейники рисуй.

класс А плав.jpg

Ручная работа.
 
Всё давным давно проверено - умер в восьмидесятых годах прошлого века.
А что нового предложишь класс Д,или еще что есть?

R37 R40 убрать оставить по одному резистору между базами и отцепить от выхода,два резистора меньше и быстрее разряд паразитных емкостей при переключении плеч
И как это называется?
 
Последнее редактирование модератором:
в том цап который я юзаю никак себя не проявляет. в плане искажений.
Тогда выгодно избавиться от слежения:
максимум:

полная.png

половина:

половина.png

Это не Эльбрус, но и в нём будет похоже.
 

Вложения

Добавка дифа посредине даёт выигрыш усиления 4,9 дБ, или 1,75 раза.
1763899184062-png.160523


Дело в том, что Т5Т6 - это полноценный дифкаскад и в эмиттерах его - полноценный генератор тока И2 на транзисторе-двух. И потратить 4 транзистора за выигрыш по усилению в 1,75 раза может только наглухо отбитое на всю голову мракобесное существо.

Я имею в виду не юаня, который сам пал жертвой дутого авторитета, а первоисточник похабного рисунка.
 
а я разве не это писал???????????????????
я же сказал достаточно шиклаев и дарлингтонов в диффе даже без каскодов,разницы в звуке не заметишь
Ви помиляєтесь.
Заміна простої дифпари на пару шиклаїв, наприклад, вирішує лише проблему вхідного опору і пов'язанy з нею проблему вхідного струму.
Каскодування зі слідкуванням же вирішує проблему впливу синфазної складової сигналу на вхідний каскад. І спрощує стикування з регулятором рівня сигналу. Альтернатива - повторювач слідом за регулятором перед підсилювачем потужності.
 
Я не обязан делать этот вариант,хотя вроде как и обещал, потому что вы сильно меня разочаровали своим отношением к моему труду по усилителям
Ладно ещё НЕУЛО, ему простительно, но от вас я такого не ожидал
Мне вот например было бы вообще плевать кто там что говорит. Просто потому что делаю я для себя, а не для кого-то. Ивы делайте для себя. Одолжения вы никому не делаете, если соберете - усилитель уже обкатан в железе товарищем vostok, рапортовал, что полет нормальный и выкладывал материалы. Так что просто решайте за себя:cool:
Каскод - 6/9, отсасывает сам у себя, компаратор в итого (тантра Сухова, одна из).
Тантрическая йога от Сухова вас до добра не доведет. Только начали, а уже у вас такие дела непотребные творятся. Так глядишь, и вас, не приведи всевышний, убедит лишние ребра поудалятьsmile_1
ТОП в автозвуке - Ланзар на костылях, Аудисон Тезис, проигрывает ретро от Японо мать (Пионер)
Ой, да когда в автозвуке были серьезные усилители? Там все время весьма компромиссные решения для узкоспециализированного применения. Заканчивайте уже искать откровения там, где его нет, не тратьте время.
 
Основным требованием при проектировании усилителя была полная симметрия конструкции. Это было в значительной степени достигнуто во всех секциях, линии и усилителя мощности. Истинная симметрия особенно важна в каскаде усилителя мощности, который работает с большими сигнальными токами, чтобы обеспечить стабильное изображение и точные сигналы локализации.

ОУ нагружен на низкоомную нагрузку (R8 430 Ом).
В результате ток потребления по шинам питания пропорционален выходному напряжению ОУ. (в основном току через R8, тк остальные внутренности ОУ потребляют гораздо меньший (почти неизменный ток) )
Транзисторы по питанию Т1 Т2 включены по схеме с ОБ.
Ток через транзисторы меняется и на R4 R5 выделяется сигнал, усиливаемый далее как обычно.
Такое снятие сигнала с ОУ позволяет получить очень высокие скоростные характеристики, тк почти нет изменения напряжения (меняется только ток ) на выходе ОУ.
Потому нет перезаряда паразитных емкостей транзисторов..
Таким образом достигается широкая полоса и высокая скорость нарастания выходного напряжения.
 

Вложения

  • оу в усилителях мощности.gif
    оу в усилителях мощности.gif
    34 KB · Просмотры: 79
Алексан, если нравится такая топология, то на Вегалабе для тебя готовый проект лежит. Называется "Качественный немецкий усилитель". Раз уж Стоунколд, Гумеля и подобное у тебя засело прочно, то хотя бы собери отработанный людьми вариант.
Еще Пугачев печатался в Радио кажется с подобной топологией на основе статьи Марка Александера, номер 1/2014 - усилитель Pure Note.

Конечно же сверхлинейниками там и не пахнет, но если уж так зудит...
 
Последнее редактирование:

Статистика форума

Темы
3,350
Сообщения
269,226
Пользователи
2,576
Новый пользователь
grushar
Назад
Сверху Снизу