Виниловый проигрыватель. Как родился новый проект.

IMG_20241206_090640_edit_519676124064569.jpg
В рабочие будни мы часто с коллегами обсуждаем разные темы технической наклонности. Вспомнили про винил. Оказалось у Гены пылиться старушка. "Тебе надо?" - спросил он. Привози, говорю ему. Привез.
Книжка, схема, штамп ОТК, запах тех лет. Пару дохлых тараканов... Даренному коню в зубы не смотрят.
А Андрей Борисович говорит.
- Брось ты эту дешмань! Купи себе такой, - и присылает ссылку...
IMG_20241206_100702_edit_519695987413468.jpg
После долгой беседы про точенный и балансированный диск на заводе знакомым токарем. Про вставку рубинов в тонарм. Про то что надо выкинуть все внутренности из этой "старушки", соглашается, что тонарм можно оставить ))
В обед я прошел по статейкам в инете, почитал комментарии...
А почему бы не сделать проект... И понеслось...
Внимание упало на вал. Втулки сухие, а износ в сторону двигателя не оставил им шансов. Заказал развертки, втулки. Снял опорную пластину
IMG_20241206_120814.jpg
Остатки масла, разбитое место посадки.
IMG_20241206_133739_edit_519736945691473.jpgIMG_20241206_165436.jpgIMG_20241217_113143.jpg
Мотор надо осмотреть. Пассик менять. Головка смотрит налево... Полный набор болячек повидавшего виды аппарата. Потому пора принять водные процедуры. Крышка немного посветлела. Отмыл шасси, привод, Обслужил двигатель.
IMG_20241211_111850.jpgIMG_20241211_145721.jpgIMG_20250123_121727.jpg
Опору вала решено модернизировать. А пока снимаю копию. Из Al пластины старого радиатора. На опору клею пробку, а сверху пластину из твердосплава (кусок дорогого лезвия от концелярского ножа). Отбалансировал субдиск.
IMG_20241212_105954.jpg
Конденсаторы в блоке питания никто не трогал, зато навесным монтажом напаяли стабилизаторы на входах платы управления... Снимаю колхоз.
IMG_20250130_084446.jpg
Меняю армянские на китайские, включаю.
Не включается... Выключатель родной отсутствует. Вместо него
IMG_20250123_170339.jpg
Родной есть на озоне, но пластик говорят не тот.
Поэтому привожу в порядок П2К. Включаю.
Слушаю стетоскопом шум. Только двигатель слышно, металлическое шасси же... Задумался.
"Блин плывет минимально", - подсказывает А. Б.
А я недоволен. Проверяю отклонение в плоскости обычным маркером закрепленным на штативе.
IMG_20250130_084258.jpg
В качестве временного шунта малярный скотч. Ставлю блин... Красота...
Обороты немного качает. Меняю лампочку на светодиод.
IMG_20250130_084336_edit_1592229983132765.jpgIMG_20250130_084414.jpg
Если напаять на каждую ножку по 1.5к то корпус держателя можно не трогать. Подточил немного сам светодиод. Встал на место как родной.
Обороты продолжают плавать.
Меняю конденсаторы, проверяю. Метки стоят. На 33 скорости жестко, на 45 немного плывут. Не хватает точности подстройки. Заказываю многооборотный резистор на 2.2к
Основная проблема это металлическое шасси. Опорный подшипник и двигатель закреплены на листе стали. Возникла мысль перенести тонарм на более подходящее место. Один из подписчиков на ютубе показал свою работу и я загорелся... вот какой стол подойдет. Нет резонанса, композит...
Screenshot_20250126_124706_edit_1429894578182608.jpg
Нашел даже походящий слипмат 🤗
На одной из старших моделей нашел крепление для двигателя с амортизаторами. Но не найти. В наличии нет. Идем к товарищу с 3D принтером.
IMG_20250124_152036_edit_1371697783985329.jpg
Звукосниматель на время эксперимента взял простенький
IMG_20250130_094642.jpgIMG_20250130_095206_edit_1573752417423251.jpg
Китайский AT3600L. На игле видны радиальные следы заточки.
Появилось время разобрать тонарм.
IMG_20250131_115856.jpgIMG_20250131_112024.jpg
Раковины на поверхности опорного подшипника тонарма убираются микрошлифовалкой.
Все шарики сухие в рассыпную, ближний горизонтальный не работал вовсе, заклинен.
IMG_20250131_154709.jpg
Вес головки компенсирую винтами с нержавейки.




-- продолжение следует
 
Последнее редактирование:
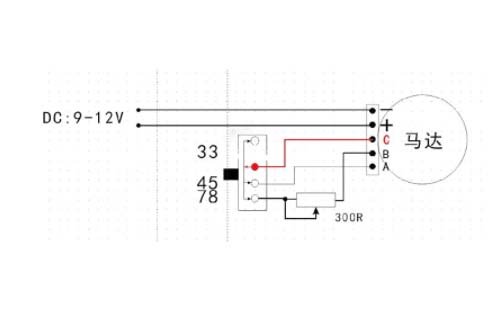
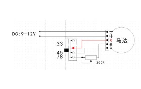
В движке моего Дюала не регулировались в стабилизаторе обороты, видно подстроечники посыпались от старости, нашёл в Китае ему замену за два бакса. Жду, скоро посылка должна прийти. Движок рассчитан на 33, 45, 78 оборотов.

Schaltbild.jpgдвижок.png
 
В движке моего Дюала не регулировались в стабилизаторе обороты, видно подстроечники посыпались от старости, нашёл в Китае ему замену за два бакса. Жду, скоро посылка должна прийти. Движок рассчитан на 33, 45, 78 оборотов.

Посмотреть вложение 172807Посмотреть вложение 172808
Тоже их видел, только не понятно, на какой диаметр субдиска они рассчитаны.
Вот что про них написано:
При 33 скоростях скорость двигателя составляет: 1130 ± 2%.
При 45 скоростях скорость двигателя составляет: 1520 ± 2%.
При скорости 78 скорость двигателя составляет: 2600 ± 2%.

Унитровский двигатель вращается со скоростью что-то около ±1000 об/мин.

Мудохаться врукопашную- слишком вежливое слово для этого проекта.
Кто мешает ЭПУ оставить как есть, поменять тонарм.
Да кирзовый ролик немного смущает, хотя сам стол не выслушывал на предмет рокота, нужно проверить.
 
Последнее редактирование:
Тоже их видел, только не понятно, на какой диаметр субдиска они рассчитаны.
У китайцев движки есть на разные диаметры шкивов. Читал на немецком сайте, что немцы немного спиливают диаметр этих шкивов для Дюалов, если подстроечниками не удаётся установить необходимые скорости.
 
давно в закладках)
Давно пора! (Это я про наших мастеров)
А то я у поляков брал десяток, выкинул почти все.
Кривые, оставил себе пару. Потом на Э...бэ...Ё покупал,
чистА Англия. Вот они - неплохие.
Это всё для народного G600\602.
У этого товарища увидел замену "сопливого" для Радиотехники 001.
Интересно, какая у него мера "сопливости" и не ухудшаются ли параметры по детонации.
 
Тоже их видел, только не понятно, на какой диаметр субдиска они рассчитаны.
Вот что про них написано:
При 33 скоростях скорость двигателя составляет: 1130 ± 2%.
При 45 скоростях скорость двигателя составляет: 1520 ± 2%.
При скорости 78 скорость двигателя составляет: 2600 ± 2%.

Унитровский двигатель вращается со скоростью что-то около ±1000 об/мин.


Да кирзовый ролик немного смущает, хотя сам стол не выслушывал на предмет рокота, нужно проверить.
На нашем ящике ролики утраханные шлифовали на станке , жидким азотом резину замораживали. После шлифовки- суперски все. Биения мерили, там ребята вундеры были. Был бы умнее, сфоткал бы все магнитофоны, трехмоторные, сделанные за несчастные лет 5, сейчас бы хрен поверили, что это можно сделать с нуля - и без готовых узлов.
 
На нашем ящике ролики утраханные шлифовали на станке , жидким азотом резину замораживали. После шлифовки- суперски все. Биения мерили, там ребята вундеры были. Был бы умнее, сфоткал бы все магнитофоны, трехмоторные, сделанные за несчастные лет 5, сейчас бы хрен поверили, что это можно сделать с нуля - и без готовых узлов.
Когда-то и у меня был доступ к жидкому азоту и станкам всевозможным, но нету того времени, и станков вместе з заводом. Сейчас есть только станок "наколенке".
Александр Сергеевич, Вы считаете, что 52-й стол достоен большего внимания, чем 602-й?
 
Последнее редактирование:
Когда-то и у меня был доступ к жидкому азоту и станкам всевозможным, но нету того времени, и станков вместе з заводом. Сейчас есть только станок "наколенке".
Александр Сергеевич, Вы считаете, что 52-й стол достоен большего внимания, чем 602-й?
ЭПУ-52с , ежели ролик не замят балдой хозяином, забывшим выключить механику на Пуске, вполне рабочая неубиваемая тачка. Смазать оси и спиртом диск изнутри промыть. Удивляюсь надежности этого устройства. Много лет безупречно служила, со студенческих лет, потом дети слушали , выросли рядом с этой вертушкой. Так и выкинул в идеальном состоянии))))
 
_hm_ Это очень мотивирует ею позаниматься.
Сразу делайте скидку на примитивную механику , слабую развязку от гула мотора , не было в той вертушке сверхнизкого низа, проблемы гула - за бортом. И пьеза бошка низ слабо озвучивала. Для колонок тех времен ее хватало.
Но был случай, один знакомый , человек состоятельный, вертушка Трансротор на трех слоновьих ногах, два тонарма. А для души слушает диски на механике роликовой Торенс, даже без корпуса. И звучит та 200-долларовая шняга на диво живо и радостно.
 
Сразу делайте скидку на примитивную механику , слабую развязку от гула мотора , не было в той вертушке сверхнизкого низа, проблемы гула - за бортом. И пьеза бошка низ слабо озвучивала. Для колонок тех времен ее хватало.
Но был случай, один знакомый , человек состоятельный, вертушка Трансротор на трех слоновьих ногах, два тонарма. А для души слушает диски на механике роликовой Торенс, даже без корпуса. И звучит та 200-долларовая шняга на диво живо и радостно.
Я расматриваю 52-й на предмет установки тонарма от 602-й. Руки чешутся, но стол на даче, а туда сейчас не добраться, засыпало снегом.
Александр Сергеевич, Вы слушали этот ЭПУ в идеальном состоянии, там действительно рокот пролазит в колонки?
 
Я расматриваю 52-й на предмет установки тонарма от 602-й. Руки чешутся, но стол на даче, а туда сейчас не добраться, засыпало снегом.
Александр Сергеевич, Вы слушали этот ЭПУ в идеальном состоянии, там действительно рокот пролазит в колонки?
Тогда не обращал внимания на эти вещи, гул небольшой всегда есть, движок сам под 60 оборотов в секунду типает валом, малейший эксцентрик и понеслась. Лови гуделку.
Но слушать старые пластинки , не страдая за бесценную иголку и без брачных танцев с настройкой тонарма - свое удовольствие.
 
Я расматриваю 52-й на предмет установки тонарма от 602-й.
Тогда уж можно поискать G600 настоящую, роликовую.
С прямым тонармом.
В 52-ой всё таки диск\маховик простенький.
Я вот не великий фанат роликовых ЭПУ, но однажды попался G600
в составе Вега 002, настроил его схемно, и как мог - по механике.
Послушал - что то в роликах есть, "звучит" лучше классического пассика G602.
Звук "мясистее".
Скорее всего, ролик "модулирует" звук. (?)
 
Последнее редактирование:
Тогда уж можно поискать G600 настоящую, роликовую.
С прямым тонармом.
В 52-ой всё таки диск\маховик простенький.
Я вот не великий фанат роликовых ЭПУ, но однажды попался G600
в составе Вега 002, настроил его схемно, и как мог - по механике.
Послушал - что то в роликах есть, луше классического пассика G602.
Звук "мясистее".
Скорее всего, ролик "модулирует" звук. (?)
Если ролик слегка эллиптический.
 
Делюсь наработками. Исходники тоже.
1. case_for_motor_vega110 - Корзина под мабуши 24.5мм диаметром. Виброшумозащита требует отдельного пояснения.*
2. subdisk_with_tacho - Замена родного 145 субдиска только с окнами под датчик.
3. tachodisk - шайба или юбка как не назови, приклеивается снизу субдиска. Ставь датчик и поехали.
4. Vega110_strobe - для клуглой корпусни под плату с smd светодиодом и кнопкой. Пару сантиметров текстолита и...
* Для чего круглые? Наполняются на 50% по высоте свинцовыми дробинами. Остальное пространство, а это уровень корпуса по высоте, силиконом. В пряугольные тоже силикон. Форма перехода от малого диаметра к большему важна. Печатать корзину с SBS.
5,6 Скоба и держатель датчика Taco FC-33.

IMG_20260225_101008_edit_2255199149225539.jpgIMG_20260225_193230.jpg
IMG_20260225_194740.jpg
IMG_20260225_201523.jpg
IMG_20260226_202949_edit_2304261064885521.jpg
 

Вложения

  • 3D.zip
    3D.zip
    5.9 MB · Просмотры: 37
Последнее редактирование:
Делюсь наработками. Исходники тоже.
1. case_for_motor_vega110 - Корзина под мабуши 24.5мм диаметром. Виброшумозащита требует отдельного пояснения.*
2. subdisk_with_tacho - Замена родного 145 субдиска только с окнами под датчик.
3. tachodisk - шайба или юбка как не назови, приклеивается снизу субдиска. Ставь датчик и поехали.
4. Vega110_strobe - для клуглой корпусни под плату с smd светодиодом и кнопкой. Пару сантиметров текстолита и...
* Для чего круглые? Наполняются на 50% по высоте свинцовыми дробинами. Остальное пространство, а это уровень корпуса по высоте, силиконом. В пряугольные тоже силикон. Форма перехода от малого диаметра к большему важна. Печатать корзину с SBS.
5,6 Скоба и держатель датчика Taco FC-33.

Посмотреть вложение 173604Посмотреть вложение 173660
Посмотреть вложение 173661
Посмотреть вложение 173662
Посмотреть вложение 173716
Как показала себя Унитра после доработки?
 
Делюсь наработками. Исходники тоже.
1. case_for_motor_vega110 - Корзина под мабуши 24.5мм диаметром. Виброшумозащита требует отдельного пояснения.*
2. subdisk_with_tacho - Замена родного 145 субдиска только с окнами под датчик.
3. tachodisk - шайба или юбка как не назови, приклеивается снизу субдиска. Ставь датчик и поехали.
4. Vega110_strobe - для клуглой корпусни под плату с smd светодиодом и кнопкой. Пару сантиметров текстолита и...
* Для чего круглые? Наполняются на 50% по высоте свинцовыми дробинами. Остальное пространство, а это уровень корпуса по высоте, силиконом. В пряугольные тоже силикон. Форма перехода от малого диаметра к большему важна. Печатать корзину с SBS.
5,6 Скоба и держатель датчика Taco FC-33.

Посмотреть вложение 173604Посмотреть вложение 173660
Посмотреть вложение 173661
Посмотреть вложение 173662
Посмотреть вложение 173716
Увидел -аж взвыл , сбылась мечта студенческая, застабить обороты Унитре не по шкиву мотора, а по самому диску.
 
Павел, делаете много и правильно...+like
У меня несколько раз ситуация была аналогичная-
Брал иногда на восстановление\апгрейд усилители, перелопачивал
его так, что в конце работы возникал вопрос к самому себе:
"Не проще было просто выкинуть внутри всё и собрать новый, нормальный?"
P.S.Главное - вовремя остановиться!;)
 
Павел, делаете много и правильно...+like
У меня несколько раз ситуация была аналогичная-
Брал иногда на восстановление\апгрейд усилители, перелопачивал
его так, что в конце работы возникал вопрос к самому себе:
"Не проще было просто выкинуть внутри всё и собрать новый, нормальный?"
P.S.Главное - вовремя остановиться!;)
Не всё.В теории застабилизировать вращение непосредственно установив датчик на диске -прекрасное решение.На практике же, вы увеличиваете цепь ООС управления оборотами, у величивая тем самым время восстановления стабильности оборотов.Весь мир давно уже это прошёл и отказался от такой идеи. Когда непосредственно застабилизирован двигатель путём установки датчика на валу,то стабильность вращения очень высока,а проскальзывание пасика величина постоянна (почти) и ей можно принебречь.
Второе и более важное : когда вал двигателя делает один оборот,оптический датчик на валу двигателя посылает 20 импульсов в блок стабилизации,при этом субдиск поворачивается только на 14 мм и установленный вами на нём оптический датчик посылает только 3 импульса. Теперь задачка для первого класса : восколько раз выше точность поддержания скорости диска в первом случае от производителя ,чем после вашего добротного абгрейда?
 
Последнее редактирование:
Ну так проверить а надеюсь скажет как все происходит.
 
Не всё.В теории застабилизировать вращение непосредственно установив датчик на диске -прекрасное решение.На практике же, вы увеличиваете цепь ООС управления оборотами, у величивая тем самым время восстановления стабильности оборотов.Весь мир давно уже это прошёл и отказался от такой идеи. Когда непосредственно застабилизирован двигатель путём установки датчика на валу,то стабильность вращения очень высока,а проскальзывание пасика величина постоянна (почти) и ей можно принебречь.
Второе и более важное : когда вал двигателя делает один оборот,оптический датчик на валу двигателя посылает 20 импульсов в блок стабилизации,при этом субдиск поворачивается только на 14 мм и установленный вами на нём оптический датчик посылает только 3 импульса. Теперь задачка для первого класса : восколько раз выше точность поддержания скорости диска в первом случае от производителя ,чем после вашего добротного абгрейда?
Масса диска в помощь, стабилизирующий хвактор.
 
Масса диска в помощь, стабилизирующий хвактор.
Вы смеётесь? Килограмм люминия стаб фактор? Даже на первой роликовой G600 диск был больше 3кг! ,когда у ролика крутящий момент был на порядок больше! Гляньте на фото современных столов Микросейки и всё станет понятно ,как нужно делать. Это если делать для себя,ценя свой труд.Мне просто Павла жалко ,видно что он старается хочет сделать конфетку,делает всё С ДУШОЙ ,но вот идёт не туда .Вложит массу времени ,труда,а результат будет не тот. Двигатель у дорогих столов ,застабилизирован кварцем с датчиком на валу и стоит отдельно от стола с диском. Ремешок проходит по всей окружности диска.Диск очень масивен.
 
Обращаюсь ко всем,кто хочет для себя сделать достойные вещи.Начните с изучения ИСТОРИИ брендов и их тех. решений, ибо наступите на грабли несколько раз в одном изделии.Прочтите литературу по данной тематике. Для виниловой темы хотябы книжку Черкунова,Л.Дигрелла ,статью Ролики пружинки А.М.Лихницкого. Причём,статью Лихницкого после книг,иначе можете её не понять,как не понимают её 90% прочитавших и называют Марковича авантюристом-брехуном.
Для начала о Микросейки.Почему о ней? Да потому,что она OEM-ила столы и тонармы для десятков разных фирм мира,и для каждой был свой индивидуальный подход,народ например влюблялся в столы Лаксман или Маранц ,а на деле это всё Микросейки!
 
Последнее редактирование:
Вы смеётесь? Килограмм люминия стаб фактор? Даже на первой роликовой G600 диск был больше 3кг! ,когда у ролика крутящий момент был на порядок больше! Гляньте на фото современных столов Микросейки и всё станет понятно ,как нужно делать. Это если делать для себя,ценя свой труд.Мне просто Павла жалко ,видно что он старается хочет сделать конфетку,делает всё С ДУШОЙ ,но вот идёт не туда .Вложит массу времени ,труда,а результат будет не тот. Двигатель у дорогих столов ,застабилизирован кварцем с датчиком на валу и стоит отдельно от стола с диском. Ремешок проходит по всей окружности диска.Диск очень масивен.
Про т н вылет массы читали, надеюсь? Когда привод от мотора идет на меньший диаметр, а не на край диска. Так штаааааа....
 
Про т н вылет массы читали, надеюсь? Когда привод от мотора идет на меньший диаметр, а не на край диска. Так штаааааа....
Да,но у нас не цепь Галя, а резиновый ремень,который в динамике растягивается -сжимается и чем меньше диаметр субдиска ,тем больше рычаг воздействия от иглы которая крайне неравномерно ,я бы сказал "рывками" тормозит диск( у нас ведь не синусоида одной частоты на диске записана ,а музыкальный сигнал) . Поэтому и перешли на внешний радиус, теперь эти "рывки" не имеют той силы и ею можно пренебречь .
 
Последнее редактирование:
Да,но у нас не цепь Галя, а резиновый ремень,который в динамике растягивается -сжимается и чем меньше диаметр субдиска ,тем больше рычаг воздействия от иглы которая крайне неравномерно ,я бы сказал "рывками" тормозит диск( у нас ведь не синусоида одной частоты на диске записана ,а музыкальный сигнал) . Поэтому и перешли на внешний радиус, теперь эти "рывки" не имеют той силы и ей можно пренебречь .
Разумно, даже спорить пропало желание. Одно мутит: неужто тормозящее усилие микронной иголочки на крае диска сравнимо с рычагом от разницы диаметров шкива ведущего мотора и ведомого шкива . Я вот понимаю, когда Технарь срывается с оборотов в момент чистки винила щеткой на ходу, там прямой привод с конским диаметром мотора. Но тут с нормальным пасиком - рукой фиг остановишь....
 
Разумно, даже спорить пропало желание. Одно мутит: неужто тормозящее усилие микронной иголочки на крае диска сравнимо с рычагом от разницы диаметров шкива ведущего мотора и ведомого шкива . Я вот понимаю, когда Технарь срывается с оборотов в момент чистки винила щеткой на ходу, там прямой привод с конским диаметром мотора. Но тут с нормальным пасиком - рукой фиг остановишь....
К сожалению да.А если ещё и заточки ,сложные ,то торможение ещё сильнее.
А вот вылет массы инженеры Микросейки сумели поставить на службу.Посмотрите на фото,слева двигатель,а справа дополнительный стабилизатор вращения с маховичком и как он прекрасно помогает дополнительно стабить вращение .У каждого в детстве была машинка-игрушка с маховичком.Несколько раз её об пол разгоняешь,потом на пол ставишь и она сама едет почти с одной скоростью и с серьёзным крутящим моментом. Здесь этот принцип применён:
1772202536048.jpeg
 
Только для тех кто невнимательно не читает ветку... Диск у меня 3кг от веги 002 (600унитра). Родной же от 110 выкинул при первых замерах. Дальше. Пассик и остальное будет работать на... Давайте с основной заманухи. Частота шим мотора 31.5 кГц. Пассик будет напечатан из TPU. Как делает тульский Арсений, но без детонации идущей впридачу к его товару. Пассик не должен иметь начало при печати на 3Д. Его же печатался по кругу. Нужно обратиться к функции rnd. Но может прочитает 😏
 
К сожалению да.А если ещё и заточки ,сложные ,то торможение ещё сильнее.
А вот вылет массы инженеры Микросейки сумели поставить на службу.Посмотрите на фото,слева двигатель,а справа дополнительный стабилизатор вращения с маховичком и как он прекрасно помогает дополнительно стабить вращение .У каждого в детстве была машинка-игрушка с маховичком.Несколько раз её об пол разгоняешь,потом на пол ставишь и она сама едет почти с одной скоростью и с серьёзным крутящим моментом. Здесь этот принцип применён:
Посмотреть вложение 173792
только утром читал про 18 кг диск ямахи...
 

Статистика форума

Темы
3,295
Сообщения
262,412
Пользователи
2,545
Новый пользователь
vlad'mir
Назад
Сверху Снизу